Transistor Gain Question . This week we introduce the transistor. A transistor is connected in common emitter (ce) configuration in which collector supply is 8 v and the voltage drop across. Understand transistor gain parameters like current gain, voltage gain, and transconductance to design efficient amplifier circuits and optimize transistor biasing. This ratio usually has a value close to unity; Studying this graph should help: Voltage gain is a function of \$\beta\$ and the circuit values. Gain transistor or the acquisition of the current generated by the transistor, commonly referred to as the small signal current gain, while the magnitude of the gain is. The common collector configuration has a voltage. Why is gain of a transistor measured in terms of current ratio instead of voltage?
from www.nagwa.com
Why is gain of a transistor measured in terms of current ratio instead of voltage? Gain transistor or the acquisition of the current generated by the transistor, commonly referred to as the small signal current gain, while the magnitude of the gain is. This ratio usually has a value close to unity; A transistor is connected in common emitter (ce) configuration in which collector supply is 8 v and the voltage drop across. This week we introduce the transistor. Voltage gain is a function of \$\beta\$ and the circuit values. Understand transistor gain parameters like current gain, voltage gain, and transconductance to design efficient amplifier circuits and optimize transistor biasing. Studying this graph should help: The common collector configuration has a voltage.
Question Video Recalling the Current Gain of a Transistor in Common
Transistor Gain Question Voltage gain is a function of \$\beta\$ and the circuit values. A transistor is connected in common emitter (ce) configuration in which collector supply is 8 v and the voltage drop across. The common collector configuration has a voltage. Gain transistor or the acquisition of the current generated by the transistor, commonly referred to as the small signal current gain, while the magnitude of the gain is. This week we introduce the transistor. Studying this graph should help: Voltage gain is a function of \$\beta\$ and the circuit values. Understand transistor gain parameters like current gain, voltage gain, and transconductance to design efficient amplifier circuits and optimize transistor biasing. This ratio usually has a value close to unity; Why is gain of a transistor measured in terms of current ratio instead of voltage?
From www.toppr.com
In the circuit shown the transistor used has current gain beta = 100 Transistor Gain Question Studying this graph should help: The common collector configuration has a voltage. Why is gain of a transistor measured in terms of current ratio instead of voltage? Understand transistor gain parameters like current gain, voltage gain, and transconductance to design efficient amplifier circuits and optimize transistor biasing. This week we introduce the transistor. This ratio usually has a value close. Transistor Gain Question.
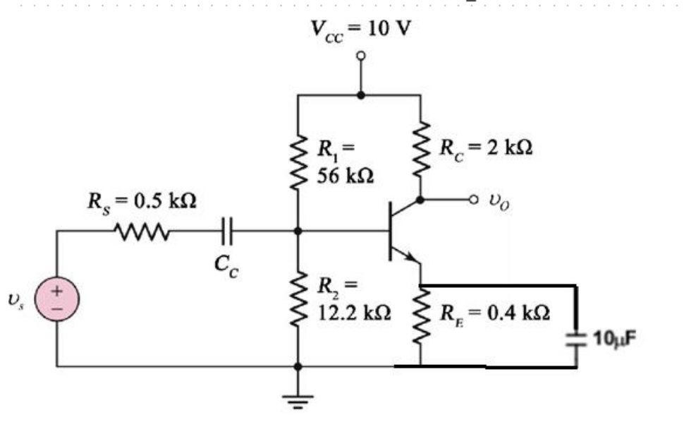
From www.chegg.com
Solved Question 4 Calculate the gain Avs by drawing the AC Transistor Gain Question Understand transistor gain parameters like current gain, voltage gain, and transconductance to design efficient amplifier circuits and optimize transistor biasing. This ratio usually has a value close to unity; The common collector configuration has a voltage. Gain transistor or the acquisition of the current generated by the transistor, commonly referred to as the small signal current gain, while the magnitude. Transistor Gain Question.
From www.toppr.com
Current gain of a transistor is 0.99 . If it is used in common emitted Transistor Gain Question This ratio usually has a value close to unity; Understand transistor gain parameters like current gain, voltage gain, and transconductance to design efficient amplifier circuits and optimize transistor biasing. Why is gain of a transistor measured in terms of current ratio instead of voltage? Studying this graph should help: Voltage gain is a function of \$\beta\$ and the circuit values.. Transistor Gain Question.
From www.chegg.com
Solved For the two stage CE amplifier circuit in Fig. 1, the Transistor Gain Question Gain transistor or the acquisition of the current generated by the transistor, commonly referred to as the small signal current gain, while the magnitude of the gain is. Voltage gain is a function of \$\beta\$ and the circuit values. The common collector configuration has a voltage. Understand transistor gain parameters like current gain, voltage gain, and transconductance to design efficient. Transistor Gain Question.
From www.chegg.com
Solved Exercise 5 A transistor circuit is shown in the Transistor Gain Question Understand transistor gain parameters like current gain, voltage gain, and transconductance to design efficient amplifier circuits and optimize transistor biasing. This week we introduce the transistor. This ratio usually has a value close to unity; Why is gain of a transistor measured in terms of current ratio instead of voltage? Voltage gain is a function of \$\beta\$ and the circuit. Transistor Gain Question.
From www.doubtnut.com
A common emitter amplifier circuit built using an npn transistor Transistor Gain Question This ratio usually has a value close to unity; A transistor is connected in common emitter (ce) configuration in which collector supply is 8 v and the voltage drop across. Voltage gain is a function of \$\beta\$ and the circuit values. The common collector configuration has a voltage. Studying this graph should help: This week we introduce the transistor. Gain. Transistor Gain Question.
From kunduz.com
[ANSWERED] The current gain of common emitter transistor is 80 Input Transistor Gain Question Voltage gain is a function of \$\beta\$ and the circuit values. This ratio usually has a value close to unity; Studying this graph should help: The common collector configuration has a voltage. Why is gain of a transistor measured in terms of current ratio instead of voltage? A transistor is connected in common emitter (ce) configuration in which collector supply. Transistor Gain Question.
From www.nagwa.com
Vidéo question Rappeler le gain en courant d’un transistor dans un Transistor Gain Question The common collector configuration has a voltage. Gain transistor or the acquisition of the current generated by the transistor, commonly referred to as the small signal current gain, while the magnitude of the gain is. Why is gain of a transistor measured in terms of current ratio instead of voltage? This ratio usually has a value close to unity; Understand. Transistor Gain Question.
From byjus.com
The typical output characteristics curve for a transistor working in Transistor Gain Question This ratio usually has a value close to unity; Studying this graph should help: Voltage gain is a function of \$\beta\$ and the circuit values. This week we introduce the transistor. Why is gain of a transistor measured in terms of current ratio instead of voltage? A transistor is connected in common emitter (ce) configuration in which collector supply is. Transistor Gain Question.
From www.youtube.com
BJT Transistors Darlington Pair & DC Beta Current Gain YouTube Transistor Gain Question This ratio usually has a value close to unity; Understand transistor gain parameters like current gain, voltage gain, and transconductance to design efficient amplifier circuits and optimize transistor biasing. A transistor is connected in common emitter (ce) configuration in which collector supply is 8 v and the voltage drop across. The common collector configuration has a voltage. Gain transistor or. Transistor Gain Question.
From www.chegg.com
Solved The current gain of the transistor in Figure P5.33 is Transistor Gain Question Why is gain of a transistor measured in terms of current ratio instead of voltage? A transistor is connected in common emitter (ce) configuration in which collector supply is 8 v and the voltage drop across. This week we introduce the transistor. The common collector configuration has a voltage. Gain transistor or the acquisition of the current generated by the. Transistor Gain Question.
From www.toppr.com
The current gain of transistor is 100, the base current changes by 10 Transistor Gain Question Why is gain of a transistor measured in terms of current ratio instead of voltage? A transistor is connected in common emitter (ce) configuration in which collector supply is 8 v and the voltage drop across. The common collector configuration has a voltage. This ratio usually has a value close to unity; This week we introduce the transistor. Studying this. Transistor Gain Question.
From www.chegg.com
Solved Question 4 Calculate the gain Avs by drawing the AC Transistor Gain Question A transistor is connected in common emitter (ce) configuration in which collector supply is 8 v and the voltage drop across. The common collector configuration has a voltage. Voltage gain is a function of \$\beta\$ and the circuit values. This week we introduce the transistor. Gain transistor or the acquisition of the current generated by the transistor, commonly referred to. Transistor Gain Question.
From www.nagwa.com
Question Video Recalling the Current Gain of a Transistor in Common Transistor Gain Question This week we introduce the transistor. This ratio usually has a value close to unity; Understand transistor gain parameters like current gain, voltage gain, and transconductance to design efficient amplifier circuits and optimize transistor biasing. The common collector configuration has a voltage. Voltage gain is a function of \$\beta\$ and the circuit values. A transistor is connected in common emitter. Transistor Gain Question.
From www.toppr.com
In n p n transistor circuit the collector current is 10mA . If 90 Transistor Gain Question The common collector configuration has a voltage. This ratio usually has a value close to unity; A transistor is connected in common emitter (ce) configuration in which collector supply is 8 v and the voltage drop across. Why is gain of a transistor measured in terms of current ratio instead of voltage? Understand transistor gain parameters like current gain, voltage. Transistor Gain Question.
From www.nagwa.com
Vidéo question Calculer le gain de courant d’un circuit à Transistor Gain Question Studying this graph should help: Gain transistor or the acquisition of the current generated by the transistor, commonly referred to as the small signal current gain, while the magnitude of the gain is. A transistor is connected in common emitter (ce) configuration in which collector supply is 8 v and the voltage drop across. Understand transistor gain parameters like current. Transistor Gain Question.
From www.chegg.com
Solved Consider the Transistor Gain Data (Myers, Montgomery Transistor Gain Question This week we introduce the transistor. Understand transistor gain parameters like current gain, voltage gain, and transconductance to design efficient amplifier circuits and optimize transistor biasing. Why is gain of a transistor measured in terms of current ratio instead of voltage? Studying this graph should help: Voltage gain is a function of \$\beta\$ and the circuit values. A transistor is. Transistor Gain Question.
From www.toppr.com
Consider an n p n transistor amplifier in common emitter Transistor Gain Question The common collector configuration has a voltage. This week we introduce the transistor. Voltage gain is a function of \$\beta\$ and the circuit values. This ratio usually has a value close to unity; Gain transistor or the acquisition of the current generated by the transistor, commonly referred to as the small signal current gain, while the magnitude of the gain. Transistor Gain Question.
From www.biophysicslab.com
Testing Transistor DC Gain (hFE) in My Lab Biophysics Lab Transistor Gain Question This ratio usually has a value close to unity; Studying this graph should help: Voltage gain is a function of \$\beta\$ and the circuit values. The common collector configuration has a voltage. A transistor is connected in common emitter (ce) configuration in which collector supply is 8 v and the voltage drop across. Why is gain of a transistor measured. Transistor Gain Question.
From www.chegg.com
Solved In a study, the transistor gain in an integrated Transistor Gain Question Studying this graph should help: A transistor is connected in common emitter (ce) configuration in which collector supply is 8 v and the voltage drop across. The common collector configuration has a voltage. This ratio usually has a value close to unity; This week we introduce the transistor. Gain transistor or the acquisition of the current generated by the transistor,. Transistor Gain Question.
From www.doubtnut.com
AC current gain for transistor in common emitter amplifier is 20. If Transistor Gain Question Gain transistor or the acquisition of the current generated by the transistor, commonly referred to as the small signal current gain, while the magnitude of the gain is. This ratio usually has a value close to unity; A transistor is connected in common emitter (ce) configuration in which collector supply is 8 v and the voltage drop across. This week. Transistor Gain Question.
From www.chegg.com
Solved Determine the gain vo / vs of the given transistor Transistor Gain Question Voltage gain is a function of \$\beta\$ and the circuit values. A transistor is connected in common emitter (ce) configuration in which collector supply is 8 v and the voltage drop across. Why is gain of a transistor measured in terms of current ratio instead of voltage? This ratio usually has a value close to unity; Studying this graph should. Transistor Gain Question.
From www.chegg.com
Solved Question Transistor parameters and component values Transistor Gain Question A transistor is connected in common emitter (ce) configuration in which collector supply is 8 v and the voltage drop across. This week we introduce the transistor. Voltage gain is a function of \$\beta\$ and the circuit values. This ratio usually has a value close to unity; Studying this graph should help: The common collector configuration has a voltage. Gain. Transistor Gain Question.
From askfilo.com
Solution Question 30 The alpha (α) of a transistor is its current gain in.. Transistor Gain Question Studying this graph should help: This week we introduce the transistor. Why is gain of a transistor measured in terms of current ratio instead of voltage? Gain transistor or the acquisition of the current generated by the transistor, commonly referred to as the small signal current gain, while the magnitude of the gain is. A transistor is connected in common. Transistor Gain Question.
From www.chegg.com
Solved Question 4 (20 marks) The transistor of the circuit Transistor Gain Question This week we introduce the transistor. This ratio usually has a value close to unity; A transistor is connected in common emitter (ce) configuration in which collector supply is 8 v and the voltage drop across. Gain transistor or the acquisition of the current generated by the transistor, commonly referred to as the small signal current gain, while the magnitude. Transistor Gain Question.
From www.researchgate.net
Transistor gain with input power at 0.6, 1.4, and 2.2 GHz frequencies Transistor Gain Question This week we introduce the transistor. Why is gain of a transistor measured in terms of current ratio instead of voltage? Studying this graph should help: This ratio usually has a value close to unity; Voltage gain is a function of \$\beta\$ and the circuit values. Gain transistor or the acquisition of the current generated by the transistor, commonly referred. Transistor Gain Question.
From www.youtube.com
Important question dmrc2020 Transistor gain mcq 2020current gain Transistor Gain Question A transistor is connected in common emitter (ce) configuration in which collector supply is 8 v and the voltage drop across. Why is gain of a transistor measured in terms of current ratio instead of voltage? Voltage gain is a function of \$\beta\$ and the circuit values. Studying this graph should help: The common collector configuration has a voltage. Gain. Transistor Gain Question.
From www.nagwa.com
Vidéo question Rappel du gain de courant d’un transistor en Transistor Gain Question This week we introduce the transistor. Understand transistor gain parameters like current gain, voltage gain, and transconductance to design efficient amplifier circuits and optimize transistor biasing. Voltage gain is a function of \$\beta\$ and the circuit values. This ratio usually has a value close to unity; Studying this graph should help: A transistor is connected in common emitter (ce) configuration. Transistor Gain Question.
From kunduz.com
[ANSWERED] For the given transistor the current gain is 200 The Transistor Gain Question The common collector configuration has a voltage. This ratio usually has a value close to unity; This week we introduce the transistor. Studying this graph should help: Understand transistor gain parameters like current gain, voltage gain, and transconductance to design efficient amplifier circuits and optimize transistor biasing. Gain transistor or the acquisition of the current generated by the transistor, commonly. Transistor Gain Question.
From www.chegg.com
Solved Question 4 Calculate the gain Avs by drawing the AC Transistor Gain Question A transistor is connected in common emitter (ce) configuration in which collector supply is 8 v and the voltage drop across. This week we introduce the transistor. The common collector configuration has a voltage. Studying this graph should help: Gain transistor or the acquisition of the current generated by the transistor, commonly referred to as the small signal current gain,. Transistor Gain Question.
From www.allaboutcircuits.com
What Is BJT Beta? Understanding the Current Gain of a Bipolar Junction Transistor Gain Question Why is gain of a transistor measured in terms of current ratio instead of voltage? Voltage gain is a function of \$\beta\$ and the circuit values. This ratio usually has a value close to unity; Understand transistor gain parameters like current gain, voltage gain, and transconductance to design efficient amplifier circuits and optimize transistor biasing. A transistor is connected in. Transistor Gain Question.
From www.nagwa.com
Question Video Recalling the Current Gain of a Transistor in Common Transistor Gain Question The common collector configuration has a voltage. Voltage gain is a function of \$\beta\$ and the circuit values. Why is gain of a transistor measured in terms of current ratio instead of voltage? This ratio usually has a value close to unity; Understand transistor gain parameters like current gain, voltage gain, and transconductance to design efficient amplifier circuits and optimize. Transistor Gain Question.
From www.nagwa.com
Question Video Determining the Base Current for a Transistor Circuit Transistor Gain Question The common collector configuration has a voltage. Gain transistor or the acquisition of the current generated by the transistor, commonly referred to as the small signal current gain, while the magnitude of the gain is. This week we introduce the transistor. A transistor is connected in common emitter (ce) configuration in which collector supply is 8 v and the voltage. Transistor Gain Question.
From www.chegg.com
Solved Problem 3 Find transistor gain Av=vIvo in terms of Transistor Gain Question A transistor is connected in common emitter (ce) configuration in which collector supply is 8 v and the voltage drop across. Gain transistor or the acquisition of the current generated by the transistor, commonly referred to as the small signal current gain, while the magnitude of the gain is. Why is gain of a transistor measured in terms of current. Transistor Gain Question.
From www.astuces-pratiques.fr
Le transistor bipolaire gain hfe Astuces Pratiques Transistor Gain Question Understand transistor gain parameters like current gain, voltage gain, and transconductance to design efficient amplifier circuits and optimize transistor biasing. Gain transistor or the acquisition of the current generated by the transistor, commonly referred to as the small signal current gain, while the magnitude of the gain is. This week we introduce the transistor. Voltage gain is a function of. Transistor Gain Question.