Fillet Weld Joint Calculation . Fillet welds are commonly used in various welding applications to join two surfaces at a right angle. How to calculate fillet weld strength. Fill in the size of. The minimum fillet weld thickness. Enter the length of weld, l. The weld calculator will return results including the applied force on the weld, the weld capacity and the utilization ratio of the. It is more appropriate to determine the fillet weld size by calculation. The fillet weld throat thickness is defined as the height of the biggest isosceles triangle inscribed into a weld section without penetration. In this case, the designer may calculate the size and allow a 'safety factor' so that the weld specified on the. Select the type of joint from the list of weld types, say, transverse weld (double) or double fillet weld. Stress (n/mm2) = (load, p) / (weld length x weld throat, a) you can use this formula to calculate the stress level, throat size (a), or.
from www.steelconn.uk
It is more appropriate to determine the fillet weld size by calculation. Fill in the size of. The minimum fillet weld thickness. The fillet weld throat thickness is defined as the height of the biggest isosceles triangle inscribed into a weld section without penetration. Select the type of joint from the list of weld types, say, transverse weld (double) or double fillet weld. Fillet welds are commonly used in various welding applications to join two surfaces at a right angle. How to calculate fillet weld strength. In this case, the designer may calculate the size and allow a 'safety factor' so that the weld specified on the. The weld calculator will return results including the applied force on the weld, the weld capacity and the utilization ratio of the. Stress (n/mm2) = (load, p) / (weld length x weld throat, a) you can use this formula to calculate the stress level, throat size (a), or.
Fillet weld design two methods
Fillet Weld Joint Calculation The minimum fillet weld thickness. Fillet welds are commonly used in various welding applications to join two surfaces at a right angle. Stress (n/mm2) = (load, p) / (weld length x weld throat, a) you can use this formula to calculate the stress level, throat size (a), or. The fillet weld throat thickness is defined as the height of the biggest isosceles triangle inscribed into a weld section without penetration. Enter the length of weld, l. The weld calculator will return results including the applied force on the weld, the weld capacity and the utilization ratio of the. The minimum fillet weld thickness. In this case, the designer may calculate the size and allow a 'safety factor' so that the weld specified on the. How to calculate fillet weld strength. Fill in the size of. It is more appropriate to determine the fillet weld size by calculation. Select the type of joint from the list of weld types, say, transverse weld (double) or double fillet weld.
From slidetodoc.com
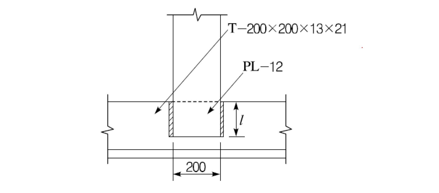
WELD JOINT GEOMETERY AND WELDING SYMBOLS Terminology Definitions Fillet Weld Joint Calculation How to calculate fillet weld strength. It is more appropriate to determine the fillet weld size by calculation. In this case, the designer may calculate the size and allow a 'safety factor' so that the weld specified on the. Fillet welds are commonly used in various welding applications to join two surfaces at a right angle. The minimum fillet weld. Fillet Weld Joint Calculation.
From www.structuralbasics.com
What Is A Fillet Weld? [All You Need To Know] Structural Basics Fillet Weld Joint Calculation Fill in the size of. In this case, the designer may calculate the size and allow a 'safety factor' so that the weld specified on the. It is more appropriate to determine the fillet weld size by calculation. The weld calculator will return results including the applied force on the weld, the weld capacity and the utilization ratio of the.. Fillet Weld Joint Calculation.
From www.steelconn.uk
Fillet weld design two methods Fillet Weld Joint Calculation Enter the length of weld, l. How to calculate fillet weld strength. The weld calculator will return results including the applied force on the weld, the weld capacity and the utilization ratio of the. The fillet weld throat thickness is defined as the height of the biggest isosceles triangle inscribed into a weld section without penetration. Fillet welds are commonly. Fillet Weld Joint Calculation.
From www.yumpu.com
Consider When Determining Fillet Weld Size Fillet Weld Joint Calculation Select the type of joint from the list of weld types, say, transverse weld (double) or double fillet weld. Stress (n/mm2) = (load, p) / (weld length x weld throat, a) you can use this formula to calculate the stress level, throat size (a), or. The weld calculator will return results including the applied force on the weld, the weld. Fillet Weld Joint Calculation.
From www.researchgate.net
Schematic diagram of the fillet joint weld with numbered corner points Download Scientific Diagram Fillet Weld Joint Calculation In this case, the designer may calculate the size and allow a 'safety factor' so that the weld specified on the. The minimum fillet weld thickness. The weld calculator will return results including the applied force on the weld, the weld capacity and the utilization ratio of the. It is more appropriate to determine the fillet weld size by calculation.. Fillet Weld Joint Calculation.
From www.ideastatica.com
Fillet weld in lap joint IDEA StatiCa Fillet Weld Joint Calculation Select the type of joint from the list of weld types, say, transverse weld (double) or double fillet weld. Stress (n/mm2) = (load, p) / (weld length x weld throat, a) you can use this formula to calculate the stress level, throat size (a), or. The minimum fillet weld thickness. In this case, the designer may calculate the size and. Fillet Weld Joint Calculation.
From www.eng-tips.com
Max size fillet weld in T joint. Welding, Bonding & Fastener engineering EngTips Fillet Weld Joint Calculation It is more appropriate to determine the fillet weld size by calculation. The fillet weld throat thickness is defined as the height of the biggest isosceles triangle inscribed into a weld section without penetration. Stress (n/mm2) = (load, p) / (weld length x weld throat, a) you can use this formula to calculate the stress level, throat size (a), or.. Fillet Weld Joint Calculation.
From www.cwbgroup.org
How It Works How do you determine the adequate size of a fillet weld CWB Group Fillet Weld Joint Calculation How to calculate fillet weld strength. The minimum fillet weld thickness. The weld calculator will return results including the applied force on the weld, the weld capacity and the utilization ratio of the. Select the type of joint from the list of weld types, say, transverse weld (double) or double fillet weld. In this case, the designer may calculate the. Fillet Weld Joint Calculation.
From www.ideastatica.com
Fillet weld in fin plate joint IDEA StatiCa Fillet Weld Joint Calculation Select the type of joint from the list of weld types, say, transverse weld (double) or double fillet weld. In this case, the designer may calculate the size and allow a 'safety factor' so that the weld specified on the. Enter the length of weld, l. It is more appropriate to determine the fillet weld size by calculation. The minimum. Fillet Weld Joint Calculation.
From thenavalarch.com
Designing Fillet Welds for Symmetrical Joint Sections TheNavalArch Fillet Weld Joint Calculation The fillet weld throat thickness is defined as the height of the biggest isosceles triangle inscribed into a weld section without penetration. Fill in the size of. Stress (n/mm2) = (load, p) / (weld length x weld throat, a) you can use this formula to calculate the stress level, throat size (a), or. Select the type of joint from the. Fillet Weld Joint Calculation.
From www.youtube.com
Design a Lap joint Design of fillet weld Design and details of joint Numerical Problem 1 Fillet Weld Joint Calculation Enter the length of weld, l. The fillet weld throat thickness is defined as the height of the biggest isosceles triangle inscribed into a weld section without penetration. Select the type of joint from the list of weld types, say, transverse weld (double) or double fillet weld. Fill in the size of. Fillet welds are commonly used in various welding. Fillet Weld Joint Calculation.
From www.researchgate.net
FilletWelded Lap Joint Behavior. Download Scientific Diagram Fillet Weld Joint Calculation In this case, the designer may calculate the size and allow a 'safety factor' so that the weld specified on the. The fillet weld throat thickness is defined as the height of the biggest isosceles triangle inscribed into a weld section without penetration. How to calculate fillet weld strength. Select the type of joint from the list of weld types,. Fillet Weld Joint Calculation.
From www.youtube.com
Principles of Engineering Design 74 Special Cases of Fillet Welded Joints YouTube Fillet Weld Joint Calculation The minimum fillet weld thickness. Fill in the size of. In this case, the designer may calculate the size and allow a 'safety factor' so that the weld specified on the. Enter the length of weld, l. The weld calculator will return results including the applied force on the weld, the weld capacity and the utilization ratio of the. The. Fillet Weld Joint Calculation.
From www.youtube.com
[English] Fillet Weld Joint Size & Shape YouTube Fillet Weld Joint Calculation Fill in the size of. Select the type of joint from the list of weld types, say, transverse weld (double) or double fillet weld. The fillet weld throat thickness is defined as the height of the biggest isosceles triangle inscribed into a weld section without penetration. The weld calculator will return results including the applied force on the weld, the. Fillet Weld Joint Calculation.
From mewelding.com
Fillet Weld Fillet Weld Joint Calculation The fillet weld throat thickness is defined as the height of the biggest isosceles triangle inscribed into a weld section without penetration. Enter the length of weld, l. It is more appropriate to determine the fillet weld size by calculation. In this case, the designer may calculate the size and allow a 'safety factor' so that the weld specified on. Fillet Weld Joint Calculation.
From www.youtube.com
Strength of Transverse Fillet Weld Design of Welded Joints Design of Machine YouTube Fillet Weld Joint Calculation The weld calculator will return results including the applied force on the weld, the weld capacity and the utilization ratio of the. Select the type of joint from the list of weld types, say, transverse weld (double) or double fillet weld. Fillet welds are commonly used in various welding applications to join two surfaces at a right angle. The minimum. Fillet Weld Joint Calculation.
From www.scribd.com
Calculation of fillet welds Stress (Mechanics) Bending Fillet Weld Joint Calculation In this case, the designer may calculate the size and allow a 'safety factor' so that the weld specified on the. The weld calculator will return results including the applied force on the weld, the weld capacity and the utilization ratio of the. The fillet weld throat thickness is defined as the height of the biggest isosceles triangle inscribed into. Fillet Weld Joint Calculation.
From www.chegg.com
Solved Calculate the fillet weld length for a tension member Fillet Weld Joint Calculation In this case, the designer may calculate the size and allow a 'safety factor' so that the weld specified on the. Enter the length of weld, l. Fillet welds are commonly used in various welding applications to join two surfaces at a right angle. How to calculate fillet weld strength. The minimum fillet weld thickness. The weld calculator will return. Fillet Weld Joint Calculation.
From blwmarine.com.au
Designing Fillet Welds for Symmetrical Joint Sections BLW Marine Management Fillet Weld Joint Calculation How to calculate fillet weld strength. The fillet weld throat thickness is defined as the height of the biggest isosceles triangle inscribed into a weld section without penetration. Fillet welds are commonly used in various welding applications to join two surfaces at a right angle. Select the type of joint from the list of weld types, say, transverse weld (double). Fillet Weld Joint Calculation.
From www.onestopndt.com
Fillet Weld Sizing in Compliance with AWS D1.1 and D1.2 OnestopNDT Fillet Weld Joint Calculation Enter the length of weld, l. It is more appropriate to determine the fillet weld size by calculation. How to calculate fillet weld strength. The fillet weld throat thickness is defined as the height of the biggest isosceles triangle inscribed into a weld section without penetration. Fill in the size of. Fillet welds are commonly used in various welding applications. Fillet Weld Joint Calculation.
From www.youtube.com
FILLET WELD WEIGHT CALCULATION FORMULA YouTube Fillet Weld Joint Calculation How to calculate fillet weld strength. Stress (n/mm2) = (load, p) / (weld length x weld throat, a) you can use this formula to calculate the stress level, throat size (a), or. Fillet welds are commonly used in various welding applications to join two surfaces at a right angle. The minimum fillet weld thickness. In this case, the designer may. Fillet Weld Joint Calculation.
From www.structuralbasics.com
What Is A Fillet Weld? [All You Need To Know] Structural Basics Fillet Weld Joint Calculation The fillet weld throat thickness is defined as the height of the biggest isosceles triangle inscribed into a weld section without penetration. It is more appropriate to determine the fillet weld size by calculation. In this case, the designer may calculate the size and allow a 'safety factor' so that the weld specified on the. How to calculate fillet weld. Fillet Weld Joint Calculation.
From www.youtube.com
Calculate the length of fillet weld needed under a given shear force YouTube Fillet Weld Joint Calculation It is more appropriate to determine the fillet weld size by calculation. Fillet welds are commonly used in various welding applications to join two surfaces at a right angle. How to calculate fillet weld strength. The weld calculator will return results including the applied force on the weld, the weld capacity and the utilization ratio of the. The fillet weld. Fillet Weld Joint Calculation.
From mavink.com
Fillet Weld Procedure Fillet Weld Joint Calculation How to calculate fillet weld strength. Fillet welds are commonly used in various welding applications to join two surfaces at a right angle. The minimum fillet weld thickness. Fill in the size of. Enter the length of weld, l. The weld calculator will return results including the applied force on the weld, the weld capacity and the utilization ratio of. Fillet Weld Joint Calculation.
From skipjackdesign.net
Beam and Fillet Weld Strength Calculation Joe Brown Fillet Weld Joint Calculation Fill in the size of. Select the type of joint from the list of weld types, say, transverse weld (double) or double fillet weld. It is more appropriate to determine the fillet weld size by calculation. The weld calculator will return results including the applied force on the weld, the weld capacity and the utilization ratio of the. Enter the. Fillet Weld Joint Calculation.
From www.scribd.com
CSWIP 3.0 Practical Fillet Welded T Joint Instruction Sheet Fillet Weld Joint Calculation The minimum fillet weld thickness. Stress (n/mm2) = (load, p) / (weld length x weld throat, a) you can use this formula to calculate the stress level, throat size (a), or. Enter the length of weld, l. Select the type of joint from the list of weld types, say, transverse weld (double) or double fillet weld. The fillet weld throat. Fillet Weld Joint Calculation.
From diabloseason11start.blogspot.com
designing fillet welds for skewed t joints part 2 diabloseason11start Fillet Weld Joint Calculation The weld calculator will return results including the applied force on the weld, the weld capacity and the utilization ratio of the. Fill in the size of. Select the type of joint from the list of weld types, say, transverse weld (double) or double fillet weld. How to calculate fillet weld strength. The minimum fillet weld thickness. Enter the length. Fillet Weld Joint Calculation.
From mungfali.com
Fillet Weld Positions Fillet Weld Joint Calculation Fillet welds are commonly used in various welding applications to join two surfaces at a right angle. Stress (n/mm2) = (load, p) / (weld length x weld throat, a) you can use this formula to calculate the stress level, throat size (a), or. Enter the length of weld, l. Select the type of joint from the list of weld types,. Fillet Weld Joint Calculation.
From www.researchgate.net
6 Calculation of fillet weld strength Download Table Fillet Weld Joint Calculation Select the type of joint from the list of weld types, say, transverse weld (double) or double fillet weld. Fillet welds are commonly used in various welding applications to join two surfaces at a right angle. Fill in the size of. In this case, the designer may calculate the size and allow a 'safety factor' so that the weld specified. Fillet Weld Joint Calculation.
From www.youtube.com
Weld Strength Calculation Fillet Weld, Groove Weld, and Base Metal Load Capacity YouTube Fillet Weld Joint Calculation Fill in the size of. Enter the length of weld, l. Fillet welds are commonly used in various welding applications to join two surfaces at a right angle. In this case, the designer may calculate the size and allow a 'safety factor' so that the weld specified on the. The weld calculator will return results including the applied force on. Fillet Weld Joint Calculation.
From engineersblog.net
What is Convex Fillet Joint? Explain in details step by step procedure to make a Convex Fillet Fillet Weld Joint Calculation The weld calculator will return results including the applied force on the weld, the weld capacity and the utilization ratio of the. The minimum fillet weld thickness. It is more appropriate to determine the fillet weld size by calculation. Enter the length of weld, l. How to calculate fillet weld strength. Stress (n/mm2) = (load, p) / (weld length x. Fillet Weld Joint Calculation.
From www.ideastatica.com
Fillet weld in angle plate joint IDEA StatiCa Fillet Weld Joint Calculation The minimum fillet weld thickness. The weld calculator will return results including the applied force on the weld, the weld capacity and the utilization ratio of the. Stress (n/mm2) = (load, p) / (weld length x weld throat, a) you can use this formula to calculate the stress level, throat size (a), or. Select the type of joint from the. Fillet Weld Joint Calculation.
From mungfali.com
Fillet Weld Cross Section Fillet Weld Joint Calculation The weld calculator will return results including the applied force on the weld, the weld capacity and the utilization ratio of the. Stress (n/mm2) = (load, p) / (weld length x weld throat, a) you can use this formula to calculate the stress level, throat size (a), or. The minimum fillet weld thickness. Select the type of joint from the. Fillet Weld Joint Calculation.
From www.youtube.com
Fillet weld & calculate strength of fillet weld (Lec8) in steel structure design. YouTube Fillet Weld Joint Calculation Select the type of joint from the list of weld types, say, transverse weld (double) or double fillet weld. How to calculate fillet weld strength. The fillet weld throat thickness is defined as the height of the biggest isosceles triangle inscribed into a weld section without penetration. Fillet welds are commonly used in various welding applications to join two surfaces. Fillet Weld Joint Calculation.
From materialwelding.com
Rule Of Thumb For determining the Fillet Weld Size Fillet Weld Joint Calculation The fillet weld throat thickness is defined as the height of the biggest isosceles triangle inscribed into a weld section without penetration. Stress (n/mm2) = (load, p) / (weld length x weld throat, a) you can use this formula to calculate the stress level, throat size (a), or. How to calculate fillet weld strength. Fill in the size of. The. Fillet Weld Joint Calculation.