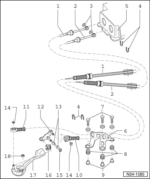
How To Remove Gear Selector Mk4 Golf . 211k views 8 years ago. I have a '99 golf and have problems in selecting 1st gear. I am currently having great difficulty with setup of my mark 4 golf 1.4 petrol manual gear linkage. Is there any advice you can offer. ‒ unbolt selector housing from body. Remove relay lever and gear selector lever from gearbox as follows: ‒ swing gear stick housing down and remove with selector cables. I have adjusted the cable as per the. Complete pain as you have to shift up and down to get into first at the lights! If you are replacing the cable ends then you don't need to be that gentle. If that is the case, then gently take a small flat blade screw driver and pry them loose. This show problem with stiff gearchange for vw golf.
from workshop-manuals.com
I have a '99 golf and have problems in selecting 1st gear. Remove relay lever and gear selector lever from gearbox as follows: I have adjusted the cable as per the. I am currently having great difficulty with setup of my mark 4 golf 1.4 petrol manual gear linkage. ‒ unbolt selector housing from body. This show problem with stiff gearchange for vw golf. If that is the case, then gently take a small flat blade screw driver and pry them loose. If you are replacing the cable ends then you don't need to be that gentle. 211k views 8 years ago. ‒ swing gear stick housing down and remove with selector cables.
Volkswagen Service and Repair Manuals > Golf Mk4 > Power
How To Remove Gear Selector Mk4 Golf This show problem with stiff gearchange for vw golf. ‒ unbolt selector housing from body. I have adjusted the cable as per the. This show problem with stiff gearchange for vw golf. If you are replacing the cable ends then you don't need to be that gentle. 211k views 8 years ago. I am currently having great difficulty with setup of my mark 4 golf 1.4 petrol manual gear linkage. ‒ swing gear stick housing down and remove with selector cables. Complete pain as you have to shift up and down to get into first at the lights! I have a '99 golf and have problems in selecting 1st gear. Remove relay lever and gear selector lever from gearbox as follows: Is there any advice you can offer. If that is the case, then gently take a small flat blade screw driver and pry them loose.
From workshop-manuals.com
Volkswagen Service and Repair Manuals > Golf Mk4 > Power How To Remove Gear Selector Mk4 Golf This show problem with stiff gearchange for vw golf. I have a '99 golf and have problems in selecting 1st gear. If that is the case, then gently take a small flat blade screw driver and pry them loose. If you are replacing the cable ends then you don't need to be that gentle. Complete pain as you have to. How To Remove Gear Selector Mk4 Golf.
From www.youtube.com
How to fix / repair VW Golf Mk4, Jetta, Bora, Skoda, Seat, Audi Sloppy How To Remove Gear Selector Mk4 Golf ‒ swing gear stick housing down and remove with selector cables. I have a '99 golf and have problems in selecting 1st gear. Complete pain as you have to shift up and down to get into first at the lights! I am currently having great difficulty with setup of my mark 4 golf 1.4 petrol manual gear linkage. I have. How To Remove Gear Selector Mk4 Golf.
From www.servicetutorials.com
How to replace VW Golf Mk4, Jetta, Bora Gear Shift Knob, Gaiter and Cap How To Remove Gear Selector Mk4 Golf I have adjusted the cable as per the. If you are replacing the cable ends then you don't need to be that gentle. I am currently having great difficulty with setup of my mark 4 golf 1.4 petrol manual gear linkage. If that is the case, then gently take a small flat blade screw driver and pry them loose. Remove. How To Remove Gear Selector Mk4 Golf.
From workshop-manuals.com
Volkswagen Service and Repair Manuals > Golf Mk4 > Power How To Remove Gear Selector Mk4 Golf Remove relay lever and gear selector lever from gearbox as follows: If you are replacing the cable ends then you don't need to be that gentle. This show problem with stiff gearchange for vw golf. I have a '99 golf and have problems in selecting 1st gear. I have adjusted the cable as per the. I am currently having great. How To Remove Gear Selector Mk4 Golf.
From workshop-manuals.com
Volkswagen Service and Repair Manuals > Golf Mk4 > Power How To Remove Gear Selector Mk4 Golf Remove relay lever and gear selector lever from gearbox as follows: This show problem with stiff gearchange for vw golf. ‒ unbolt selector housing from body. Complete pain as you have to shift up and down to get into first at the lights! If you are replacing the cable ends then you don't need to be that gentle. Is there. How To Remove Gear Selector Mk4 Golf.
From exogwavdp.blob.core.windows.net
Gearbox Vw Golf Mk4 at Stephanie Young blog How To Remove Gear Selector Mk4 Golf Is there any advice you can offer. 211k views 8 years ago. Remove relay lever and gear selector lever from gearbox as follows: I am currently having great difficulty with setup of my mark 4 golf 1.4 petrol manual gear linkage. ‒ unbolt selector housing from body. If you are replacing the cable ends then you don't need to be. How To Remove Gear Selector Mk4 Golf.
From workshop-manuals.com
Volkswagen Manuals > Golf Mk4 > Power transmission > 6speed How To Remove Gear Selector Mk4 Golf Remove relay lever and gear selector lever from gearbox as follows: If you are replacing the cable ends then you don't need to be that gentle. ‒ swing gear stick housing down and remove with selector cables. Is there any advice you can offer. I have adjusted the cable as per the. Complete pain as you have to shift up. How To Remove Gear Selector Mk4 Golf.
From www.youtube.com
VW Golf Mk4 How To Remove Gear Lever/Gaitor (Quick) YouTube How To Remove Gear Selector Mk4 Golf I am currently having great difficulty with setup of my mark 4 golf 1.4 petrol manual gear linkage. ‒ swing gear stick housing down and remove with selector cables. Is there any advice you can offer. ‒ unbolt selector housing from body. This show problem with stiff gearchange for vw golf. Remove relay lever and gear selector lever from gearbox. How To Remove Gear Selector Mk4 Golf.
From workshop-manuals.com
Volkswagen Service and Repair Manuals > Golf Mk4 > Power How To Remove Gear Selector Mk4 Golf ‒ swing gear stick housing down and remove with selector cables. 211k views 8 years ago. Is there any advice you can offer. I am currently having great difficulty with setup of my mark 4 golf 1.4 petrol manual gear linkage. ‒ unbolt selector housing from body. This show problem with stiff gearchange for vw golf. Remove relay lever and. How To Remove Gear Selector Mk4 Golf.
From workshop-manuals.com
Volkswagen Service and Repair Manuals > Golf Mk4 > Power How To Remove Gear Selector Mk4 Golf If that is the case, then gently take a small flat blade screw driver and pry them loose. This show problem with stiff gearchange for vw golf. I am currently having great difficulty with setup of my mark 4 golf 1.4 petrol manual gear linkage. Is there any advice you can offer. ‒ swing gear stick housing down and remove. How To Remove Gear Selector Mk4 Golf.
From workshop-manuals.com
Volkswagen Service and Repair Manuals > Golf Mk4 > Power How To Remove Gear Selector Mk4 Golf I have a '99 golf and have problems in selecting 1st gear. Is there any advice you can offer. Remove relay lever and gear selector lever from gearbox as follows: I have adjusted the cable as per the. I am currently having great difficulty with setup of my mark 4 golf 1.4 petrol manual gear linkage. ‒ unbolt selector housing. How To Remove Gear Selector Mk4 Golf.
From workshop-manuals.com
Volkswagen Service and Repair Manuals > Golf Mk4 > Power How To Remove Gear Selector Mk4 Golf If that is the case, then gently take a small flat blade screw driver and pry them loose. This show problem with stiff gearchange for vw golf. Remove relay lever and gear selector lever from gearbox as follows: If you are replacing the cable ends then you don't need to be that gentle. ‒ swing gear stick housing down and. How To Remove Gear Selector Mk4 Golf.
From workshop-manuals.com
Volkswagen Service and Repair Manuals > Golf Mk4 > Power How To Remove Gear Selector Mk4 Golf Remove relay lever and gear selector lever from gearbox as follows: 211k views 8 years ago. ‒ unbolt selector housing from body. If you are replacing the cable ends then you don't need to be that gentle. If that is the case, then gently take a small flat blade screw driver and pry them loose. Is there any advice you. How To Remove Gear Selector Mk4 Golf.
From workshop-manuals.com
Volkswagen Service and Repair Manuals > Golf Mk4 > Power How To Remove Gear Selector Mk4 Golf ‒ unbolt selector housing from body. ‒ swing gear stick housing down and remove with selector cables. 211k views 8 years ago. This show problem with stiff gearchange for vw golf. I have a '99 golf and have problems in selecting 1st gear. Remove relay lever and gear selector lever from gearbox as follows: If you are replacing the cable. How To Remove Gear Selector Mk4 Golf.
From workshop-manuals.com
Volkswagen Service and Repair Manuals > Golf Mk4 > Power How To Remove Gear Selector Mk4 Golf I am currently having great difficulty with setup of my mark 4 golf 1.4 petrol manual gear linkage. ‒ unbolt selector housing from body. I have a '99 golf and have problems in selecting 1st gear. I have adjusted the cable as per the. 211k views 8 years ago. ‒ swing gear stick housing down and remove with selector cables.. How To Remove Gear Selector Mk4 Golf.
From workshop-manuals.com
Volkswagen Service and Repair Manuals > Golf Mk4 > Power How To Remove Gear Selector Mk4 Golf ‒ unbolt selector housing from body. I am currently having great difficulty with setup of my mark 4 golf 1.4 petrol manual gear linkage. 211k views 8 years ago. ‒ swing gear stick housing down and remove with selector cables. If that is the case, then gently take a small flat blade screw driver and pry them loose. I have. How To Remove Gear Selector Mk4 Golf.
From workshop-manuals.com
Volkswagen Manuals > Golf Mk4 > Power transmission > 5speed How To Remove Gear Selector Mk4 Golf I have adjusted the cable as per the. I have a '99 golf and have problems in selecting 1st gear. 211k views 8 years ago. ‒ unbolt selector housing from body. Complete pain as you have to shift up and down to get into first at the lights! Is there any advice you can offer. This show problem with stiff. How To Remove Gear Selector Mk4 Golf.
From workshop-manuals.com
Volkswagen Service and Repair Manuals > Golf Mk4 > Power How To Remove Gear Selector Mk4 Golf Complete pain as you have to shift up and down to get into first at the lights! I have a '99 golf and have problems in selecting 1st gear. ‒ swing gear stick housing down and remove with selector cables. I am currently having great difficulty with setup of my mark 4 golf 1.4 petrol manual gear linkage. This show. How To Remove Gear Selector Mk4 Golf.
From workshop-manuals.com
Volkswagen Service and Repair Manuals > Golf Mk4 > Power How To Remove Gear Selector Mk4 Golf This show problem with stiff gearchange for vw golf. I am currently having great difficulty with setup of my mark 4 golf 1.4 petrol manual gear linkage. Complete pain as you have to shift up and down to get into first at the lights! If that is the case, then gently take a small flat blade screw driver and pry. How To Remove Gear Selector Mk4 Golf.
From workshop-manuals.com
Volkswagen Service and Repair Manuals > Golf Mk4 > Power How To Remove Gear Selector Mk4 Golf ‒ swing gear stick housing down and remove with selector cables. I have a '99 golf and have problems in selecting 1st gear. I am currently having great difficulty with setup of my mark 4 golf 1.4 petrol manual gear linkage. This show problem with stiff gearchange for vw golf. Complete pain as you have to shift up and down. How To Remove Gear Selector Mk4 Golf.
From www.vwbreakers.co.uk
Volkswagen Golf MK4 19972004 Gear Stick Selector Surround Automatic How To Remove Gear Selector Mk4 Golf I have adjusted the cable as per the. This show problem with stiff gearchange for vw golf. 211k views 8 years ago. Remove relay lever and gear selector lever from gearbox as follows: If that is the case, then gently take a small flat blade screw driver and pry them loose. Is there any advice you can offer. ‒ unbolt. How To Remove Gear Selector Mk4 Golf.
From workshop-manuals.com
Volkswagen Manuals > Golf Mk4 > Power transmission > Automatic How To Remove Gear Selector Mk4 Golf If you are replacing the cable ends then you don't need to be that gentle. ‒ unbolt selector housing from body. This show problem with stiff gearchange for vw golf. 211k views 8 years ago. ‒ swing gear stick housing down and remove with selector cables. I have a '99 golf and have problems in selecting 1st gear. If that. How To Remove Gear Selector Mk4 Golf.
From workshop-manuals.com
Volkswagen Service and Repair Manuals > Golf Mk4 > Power How To Remove Gear Selector Mk4 Golf I have adjusted the cable as per the. Complete pain as you have to shift up and down to get into first at the lights! Is there any advice you can offer. I am currently having great difficulty with setup of my mark 4 golf 1.4 petrol manual gear linkage. ‒ unbolt selector housing from body. If that is the. How To Remove Gear Selector Mk4 Golf.
From workshop-manuals.com
Volkswagen Service and Repair Manuals > Golf Mk4 > Power How To Remove Gear Selector Mk4 Golf Remove relay lever and gear selector lever from gearbox as follows: ‒ unbolt selector housing from body. Complete pain as you have to shift up and down to get into first at the lights! ‒ swing gear stick housing down and remove with selector cables. I have a '99 golf and have problems in selecting 1st gear. If that is. How To Remove Gear Selector Mk4 Golf.
From www.pelicanparts.com
Volkswagen Golf GTI Mk IV Manual Transmission Removal (19992005 How To Remove Gear Selector Mk4 Golf Remove relay lever and gear selector lever from gearbox as follows: If you are replacing the cable ends then you don't need to be that gentle. 211k views 8 years ago. If that is the case, then gently take a small flat blade screw driver and pry them loose. ‒ unbolt selector housing from body. Is there any advice you. How To Remove Gear Selector Mk4 Golf.
From workshop-manuals.com
Volkswagen Service and Repair Manuals > Golf Mk4 > Power How To Remove Gear Selector Mk4 Golf If that is the case, then gently take a small flat blade screw driver and pry them loose. Is there any advice you can offer. ‒ swing gear stick housing down and remove with selector cables. Remove relay lever and gear selector lever from gearbox as follows: This show problem with stiff gearchange for vw golf. I have adjusted the. How To Remove Gear Selector Mk4 Golf.
From workshop-manuals.com
Volkswagen Service and Repair Manuals > Golf Mk4 > Power How To Remove Gear Selector Mk4 Golf Complete pain as you have to shift up and down to get into first at the lights! If that is the case, then gently take a small flat blade screw driver and pry them loose. I have a '99 golf and have problems in selecting 1st gear. ‒ unbolt selector housing from body. If you are replacing the cable ends. How To Remove Gear Selector Mk4 Golf.
From www.youtube.com
VW Golf/Bora Stiff Gear change Problem Selecting First, Second and How To Remove Gear Selector Mk4 Golf Remove relay lever and gear selector lever from gearbox as follows: ‒ unbolt selector housing from body. I am currently having great difficulty with setup of my mark 4 golf 1.4 petrol manual gear linkage. I have a '99 golf and have problems in selecting 1st gear. If that is the case, then gently take a small flat blade screw. How To Remove Gear Selector Mk4 Golf.
From www.youtube.com
Mk4 Golf How to remove and separate gear knob and gator YouTube How To Remove Gear Selector Mk4 Golf If you are replacing the cable ends then you don't need to be that gentle. Complete pain as you have to shift up and down to get into first at the lights! I have adjusted the cable as per the. ‒ unbolt selector housing from body. If that is the case, then gently take a small flat blade screw driver. How To Remove Gear Selector Mk4 Golf.
From workshop-manuals.com
Volkswagen Service and Repair Manuals > Golf Mk4 > Power How To Remove Gear Selector Mk4 Golf If you are replacing the cable ends then you don't need to be that gentle. Is there any advice you can offer. I am currently having great difficulty with setup of my mark 4 golf 1.4 petrol manual gear linkage. ‒ unbolt selector housing from body. Complete pain as you have to shift up and down to get into first. How To Remove Gear Selector Mk4 Golf.
From workshop-manuals.com
Volkswagen Service and Repair Manuals > Golf Mk4 > Power How To Remove Gear Selector Mk4 Golf If that is the case, then gently take a small flat blade screw driver and pry them loose. If you are replacing the cable ends then you don't need to be that gentle. This show problem with stiff gearchange for vw golf. I have a '99 golf and have problems in selecting 1st gear. ‒ swing gear stick housing down. How To Remove Gear Selector Mk4 Golf.
From www.youtube.com
How to change gear gaiter&knob VW Golf mk4 YouTube How To Remove Gear Selector Mk4 Golf If that is the case, then gently take a small flat blade screw driver and pry them loose. ‒ unbolt selector housing from body. Is there any advice you can offer. Remove relay lever and gear selector lever from gearbox as follows: This show problem with stiff gearchange for vw golf. ‒ swing gear stick housing down and remove with. How To Remove Gear Selector Mk4 Golf.
From www.youtube.com
Remove FG Automatic Gear Selector YouTube How To Remove Gear Selector Mk4 Golf Is there any advice you can offer. This show problem with stiff gearchange for vw golf. Complete pain as you have to shift up and down to get into first at the lights! I have adjusted the cable as per the. ‒ swing gear stick housing down and remove with selector cables. Remove relay lever and gear selector lever from. How To Remove Gear Selector Mk4 Golf.
From www.youtube.com
DIY How to replace a VW MK4 shift boot and knob YouTube How To Remove Gear Selector Mk4 Golf ‒ swing gear stick housing down and remove with selector cables. Is there any advice you can offer. I have adjusted the cable as per the. This show problem with stiff gearchange for vw golf. ‒ unbolt selector housing from body. I am currently having great difficulty with setup of my mark 4 golf 1.4 petrol manual gear linkage. Remove. How To Remove Gear Selector Mk4 Golf.
From workshop-manuals.com
Volkswagen Service and Repair Manuals > Golf Mk4 > Power How To Remove Gear Selector Mk4 Golf If that is the case, then gently take a small flat blade screw driver and pry them loose. Complete pain as you have to shift up and down to get into first at the lights! I am currently having great difficulty with setup of my mark 4 golf 1.4 petrol manual gear linkage. I have a '99 golf and have. How To Remove Gear Selector Mk4 Golf.