Suzuki Marine Multi-Function Gauge Manual . Sdsm + suzuki diagnostic system mobile plus. Select the connection method from the examples in the following pages and arrange the required wiring. There is information that cannot be displayed depending on the model and equipment. Please read and accept the following terms and conditions to. Multi function gauge system connection.
from www.suzuki.nl
Please read and accept the following terms and conditions to. Multi function gauge system connection. There is information that cannot be displayed depending on the model and equipment. Sdsm + suzuki diagnostic system mobile plus. Select the connection method from the examples in the following pages and arrange the required wiring.
Suzuki Multi Function Displays Suzuki Marine
Suzuki Marine Multi-Function Gauge Manual There is information that cannot be displayed depending on the model and equipment. Multi function gauge system connection. Select the connection method from the examples in the following pages and arrange the required wiring. Sdsm + suzuki diagnostic system mobile plus. There is information that cannot be displayed depending on the model and equipment. Please read and accept the following terms and conditions to.
From www.scribd.com
Suzuki Multi Function Gauge Installation PDF Suzuki Marine Multi-Function Gauge Manual Multi function gauge system connection. There is information that cannot be displayed depending on the model and equipment. Please read and accept the following terms and conditions to. Select the connection method from the examples in the following pages and arrange the required wiring. Sdsm + suzuki diagnostic system mobile plus. Suzuki Marine Multi-Function Gauge Manual.
From www.wiringstech.com
Suzuki Outboard Multifunction Gauge Wiring Diagram » Wiring Technology Suzuki Marine Multi-Function Gauge Manual Select the connection method from the examples in the following pages and arrange the required wiring. Sdsm + suzuki diagnostic system mobile plus. Multi function gauge system connection. Please read and accept the following terms and conditions to. There is information that cannot be displayed depending on the model and equipment. Suzuki Marine Multi-Function Gauge Manual.
From www.boats.net
Suzuki 990C003C10KIT C10 Color MultiFunction Gauge Kit Suzuki Marine Multi-Function Gauge Manual Please read and accept the following terms and conditions to. Select the connection method from the examples in the following pages and arrange the required wiring. Sdsm + suzuki diagnostic system mobile plus. There is information that cannot be displayed depending on the model and equipment. Multi function gauge system connection. Suzuki Marine Multi-Function Gauge Manual.
From www.youtube.com
Suzuki Marine SMG4 MultiFunction Gauge YouTube Suzuki Marine Multi-Function Gauge Manual Multi function gauge system connection. There is information that cannot be displayed depending on the model and equipment. Sdsm + suzuki diagnostic system mobile plus. Please read and accept the following terms and conditions to. Select the connection method from the examples in the following pages and arrange the required wiring. Suzuki Marine Multi-Function Gauge Manual.
From www.marinsystem.se
Suzuki MultiFunction Gauge (3420096L20) Marinsystem Suzuki Marine Multi-Function Gauge Manual Sdsm + suzuki diagnostic system mobile plus. There is information that cannot be displayed depending on the model and equipment. Select the connection method from the examples in the following pages and arrange the required wiring. Please read and accept the following terms and conditions to. Multi function gauge system connection. Suzuki Marine Multi-Function Gauge Manual.
From usermanualwhinnied.z21.web.core.windows.net
Suzuki Digital Gauges For Outboards Suzuki Marine Multi-Function Gauge Manual Multi function gauge system connection. Please read and accept the following terms and conditions to. There is information that cannot be displayed depending on the model and equipment. Select the connection method from the examples in the following pages and arrange the required wiring. Sdsm + suzuki diagnostic system mobile plus. Suzuki Marine Multi-Function Gauge Manual.
From www.stylesgurus.com
Suzuki Outboard Multifunction Gauge Wiring Diagram Science and Education Suzuki Marine Multi-Function Gauge Manual Multi function gauge system connection. Please read and accept the following terms and conditions to. There is information that cannot be displayed depending on the model and equipment. Select the connection method from the examples in the following pages and arrange the required wiring. Sdsm + suzuki diagnostic system mobile plus. Suzuki Marine Multi-Function Gauge Manual.
From www.stylesgurus.com
Suzuki Outboard Multifunction Gauge Wiring Diagram Science and Education Suzuki Marine Multi-Function Gauge Manual Sdsm + suzuki diagnostic system mobile plus. Multi function gauge system connection. Select the connection method from the examples in the following pages and arrange the required wiring. There is information that cannot be displayed depending on the model and equipment. Please read and accept the following terms and conditions to. Suzuki Marine Multi-Function Gauge Manual.
From www.crowleymarine.com
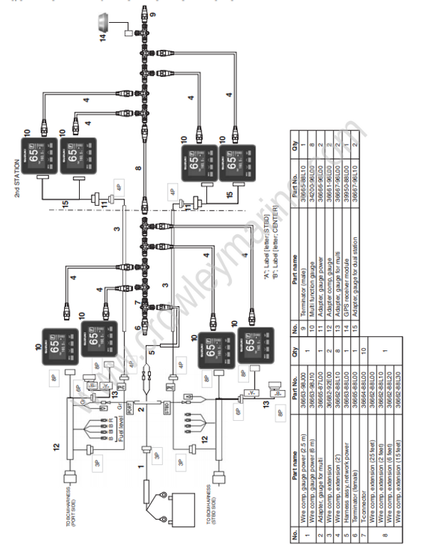
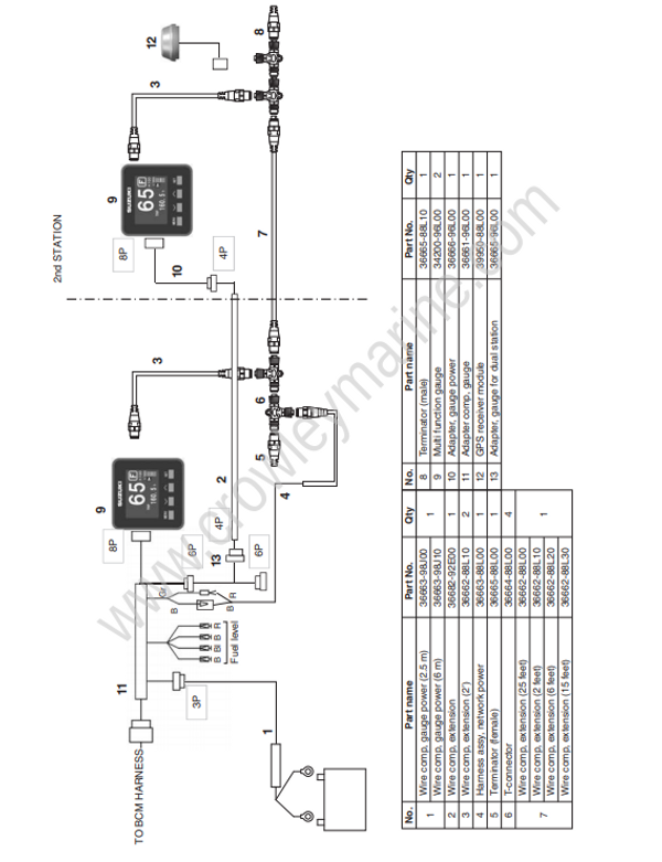
Setup Manual DF200AP Multi Function Gauge System Connection Crowley Suzuki Marine Multi-Function Gauge Manual Multi function gauge system connection. Select the connection method from the examples in the following pages and arrange the required wiring. Please read and accept the following terms and conditions to. There is information that cannot be displayed depending on the model and equipment. Sdsm + suzuki diagnostic system mobile plus. Suzuki Marine Multi-Function Gauge Manual.
From guidefixflor.z21.web.core.windows.net
Suzuki Marine Multifunction Gauge Manual Suzuki Marine Multi-Function Gauge Manual Select the connection method from the examples in the following pages and arrange the required wiring. Multi function gauge system connection. There is information that cannot be displayed depending on the model and equipment. Please read and accept the following terms and conditions to. Sdsm + suzuki diagnostic system mobile plus. Suzuki Marine Multi-Function Gauge Manual.
From www.wiringstech.com
Suzuki Outboard Multifunction Gauge Wiring Diagram Wiring Technology Suzuki Marine Multi-Function Gauge Manual Please read and accept the following terms and conditions to. Select the connection method from the examples in the following pages and arrange the required wiring. Sdsm + suzuki diagnostic system mobile plus. There is information that cannot be displayed depending on the model and equipment. Multi function gauge system connection. Suzuki Marine Multi-Function Gauge Manual.
From www.mondomare.it
MULTIFUNCTION GAUGE SUZUKI lo strumento digitale MFG Mondo Mare Nautica Suzuki Marine Multi-Function Gauge Manual Sdsm + suzuki diagnostic system mobile plus. There is information that cannot be displayed depending on the model and equipment. Please read and accept the following terms and conditions to. Select the connection method from the examples in the following pages and arrange the required wiring. Multi function gauge system connection. Suzuki Marine Multi-Function Gauge Manual.
From www.wiringdraw.com
Suzuki Outboard Multifunction Gauge Wiring Diagram Wiring Draw And Suzuki Marine Multi-Function Gauge Manual Sdsm + suzuki diagnostic system mobile plus. Select the connection method from the examples in the following pages and arrange the required wiring. There is information that cannot be displayed depending on the model and equipment. Please read and accept the following terms and conditions to. Multi function gauge system connection. Suzuki Marine Multi-Function Gauge Manual.
From www.crowleymarine.com
Setup Manual DF250AP, DF300AP Multi Function Gauge System Connection Suzuki Marine Multi-Function Gauge Manual Sdsm + suzuki diagnostic system mobile plus. Please read and accept the following terms and conditions to. Select the connection method from the examples in the following pages and arrange the required wiring. Multi function gauge system connection. There is information that cannot be displayed depending on the model and equipment. Suzuki Marine Multi-Function Gauge Manual.
From www.suzuki.nl
Suzuki Multi Function Displays Suzuki Marine Suzuki Marine Multi-Function Gauge Manual There is information that cannot be displayed depending on the model and equipment. Sdsm + suzuki diagnostic system mobile plus. Please read and accept the following terms and conditions to. Select the connection method from the examples in the following pages and arrange the required wiring. Multi function gauge system connection. Suzuki Marine Multi-Function Gauge Manual.
From maxmarineelectronics.com
Suzuki 4” SMIS MultiFunction Gauge 990C0 BRP Lowrance LMF Suzuki Marine Multi-Function Gauge Manual Please read and accept the following terms and conditions to. Sdsm + suzuki diagnostic system mobile plus. Multi function gauge system connection. There is information that cannot be displayed depending on the model and equipment. Select the connection method from the examples in the following pages and arrange the required wiring. Suzuki Marine Multi-Function Gauge Manual.
From www.ammarine.com
SIERRA 22010P DEEPVEE 5" MULTI FUNCTION GAUGE KIT FITS EVINRUDE AND Suzuki Marine Multi-Function Gauge Manual Select the connection method from the examples in the following pages and arrange the required wiring. Sdsm + suzuki diagnostic system mobile plus. Please read and accept the following terms and conditions to. There is information that cannot be displayed depending on the model and equipment. Multi function gauge system connection. Suzuki Marine Multi-Function Gauge Manual.
From www.suzukifinland.fi
Suzuki Multifunction Gauge Marine Suzuki Marine Multi-Function Gauge Manual Please read and accept the following terms and conditions to. Sdsm + suzuki diagnostic system mobile plus. Multi function gauge system connection. There is information that cannot be displayed depending on the model and equipment. Select the connection method from the examples in the following pages and arrange the required wiring. Suzuki Marine Multi-Function Gauge Manual.
From www.ebay.com
Suzuki Marine Single MultiFunction Gauge 3401196L44 eBay Suzuki Marine Multi-Function Gauge Manual There is information that cannot be displayed depending on the model and equipment. Sdsm + suzuki diagnostic system mobile plus. Please read and accept the following terms and conditions to. Multi function gauge system connection. Select the connection method from the examples in the following pages and arrange the required wiring. Suzuki Marine Multi-Function Gauge Manual.
From edgemarine.net.au
Suzuki MULTIFUNCTION GAUGE Suzuki Marine Multi-Function Gauge Manual Multi function gauge system connection. Select the connection method from the examples in the following pages and arrange the required wiring. Please read and accept the following terms and conditions to. Sdsm + suzuki diagnostic system mobile plus. There is information that cannot be displayed depending on the model and equipment. Suzuki Marine Multi-Function Gauge Manual.
From www.northcoastsuzukimarine.com
Suzuki MULTIFUNCTION GAUGE Suzuki Marine Suzuki Marine Multi-Function Gauge Manual There is information that cannot be displayed depending on the model and equipment. Please read and accept the following terms and conditions to. Select the connection method from the examples in the following pages and arrange the required wiring. Sdsm + suzuki diagnostic system mobile plus. Multi function gauge system connection. Suzuki Marine Multi-Function Gauge Manual.
From www.organised-sound.com
Suzuki Outboard Multifunction Gauge Wiring Diagram » Wiring Diagram Suzuki Marine Multi-Function Gauge Manual Please read and accept the following terms and conditions to. Select the connection method from the examples in the following pages and arrange the required wiring. There is information that cannot be displayed depending on the model and equipment. Sdsm + suzuki diagnostic system mobile plus. Multi function gauge system connection. Suzuki Marine Multi-Function Gauge Manual.
From maxmarineelectronics.com
Suzuki Modular Instrument System (SMIS) 4" Display Multi Function Gauge Suzuki Marine Multi-Function Gauge Manual Please read and accept the following terms and conditions to. Sdsm + suzuki diagnostic system mobile plus. Select the connection method from the examples in the following pages and arrange the required wiring. There is information that cannot be displayed depending on the model and equipment. Multi function gauge system connection. Suzuki Marine Multi-Function Gauge Manual.
From www.thehulltruth.com
SUZUKI SMIS multifunction gauge 4" The Hull Truth Boating and Suzuki Marine Multi-Function Gauge Manual There is information that cannot be displayed depending on the model and equipment. Select the connection method from the examples in the following pages and arrange the required wiring. Multi function gauge system connection. Sdsm + suzuki diagnostic system mobile plus. Please read and accept the following terms and conditions to. Suzuki Marine Multi-Function Gauge Manual.
From shop.warragulmarine.com.au
3401196L44, Suzuki SMG4 Multi Function Gauge Gauge Only 2015 Onward Suzuki Marine Multi-Function Gauge Manual Please read and accept the following terms and conditions to. There is information that cannot be displayed depending on the model and equipment. Select the connection method from the examples in the following pages and arrange the required wiring. Multi function gauge system connection. Sdsm + suzuki diagnostic system mobile plus. Suzuki Marine Multi-Function Gauge Manual.
From manualdiagramjackson.z13.web.core.windows.net
Suzuki Marine Multifunction Gauge Manual Suzuki Marine Multi-Function Gauge Manual Sdsm + suzuki diagnostic system mobile plus. There is information that cannot be displayed depending on the model and equipment. Select the connection method from the examples in the following pages and arrange the required wiring. Multi function gauge system connection. Please read and accept the following terms and conditions to. Suzuki Marine Multi-Function Gauge Manual.
From mavink.com
Suzuki Smg4 Gauge Suzuki Marine Multi-Function Gauge Manual Multi function gauge system connection. There is information that cannot be displayed depending on the model and equipment. Please read and accept the following terms and conditions to. Sdsm + suzuki diagnostic system mobile plus. Select the connection method from the examples in the following pages and arrange the required wiring. Suzuki Marine Multi-Function Gauge Manual.
From www.crowleymarine.com
Setup Manual DF250AP, DF300AP Multi Function Gauge System Connection Suzuki Marine Multi-Function Gauge Manual There is information that cannot be displayed depending on the model and equipment. Sdsm + suzuki diagnostic system mobile plus. Select the connection method from the examples in the following pages and arrange the required wiring. Please read and accept the following terms and conditions to. Multi function gauge system connection. Suzuki Marine Multi-Function Gauge Manual.
From www.youtube.com
Suzuki MultiFunction Gauge 4" (SMG4), Suzuki The Ultimate Outboard Suzuki Marine Multi-Function Gauge Manual Please read and accept the following terms and conditions to. Multi function gauge system connection. Sdsm + suzuki diagnostic system mobile plus. There is information that cannot be displayed depending on the model and equipment. Select the connection method from the examples in the following pages and arrange the required wiring. Suzuki Marine Multi-Function Gauge Manual.
From wiring-expert.blogspot.com
Suzuki Multi Function Gauge Wiring Diagram Wiring Expert Group Suzuki Marine Multi-Function Gauge Manual Select the connection method from the examples in the following pages and arrange the required wiring. Multi function gauge system connection. Sdsm + suzuki diagnostic system mobile plus. Please read and accept the following terms and conditions to. There is information that cannot be displayed depending on the model and equipment. Suzuki Marine Multi-Function Gauge Manual.
From guidelistbaum.z19.web.core.windows.net
Suzuki Marine Multifunction Gauge Manual Suzuki Marine Multi-Function Gauge Manual Multi function gauge system connection. There is information that cannot be displayed depending on the model and equipment. Sdsm + suzuki diagnostic system mobile plus. Select the connection method from the examples in the following pages and arrange the required wiring. Please read and accept the following terms and conditions to. Suzuki Marine Multi-Function Gauge Manual.
From www.suzukifinland.fi
Suzuki Multifunction Gauge Marine Suzuki Marine Multi-Function Gauge Manual Select the connection method from the examples in the following pages and arrange the required wiring. Multi function gauge system connection. There is information that cannot be displayed depending on the model and equipment. Please read and accept the following terms and conditions to. Sdsm + suzuki diagnostic system mobile plus. Suzuki Marine Multi-Function Gauge Manual.
From www.crowleymarine.com
Setup Manual DF250AP, DF300AP Multi Function Gauge System Connection Suzuki Marine Multi-Function Gauge Manual Sdsm + suzuki diagnostic system mobile plus. Multi function gauge system connection. There is information that cannot be displayed depending on the model and equipment. Please read and accept the following terms and conditions to. Select the connection method from the examples in the following pages and arrange the required wiring. Suzuki Marine Multi-Function Gauge Manual.
From maxmarineelectronics.com
Suzuki (SMIS) 4" Display Multi Function Gauge Install and Operation Suzuki Marine Multi-Function Gauge Manual Please read and accept the following terms and conditions to. Multi function gauge system connection. Select the connection method from the examples in the following pages and arrange the required wiring. Sdsm + suzuki diagnostic system mobile plus. There is information that cannot be displayed depending on the model and equipment. Suzuki Marine Multi-Function Gauge Manual.
From www.crowleymarine.com
Setup Manual DF250AP, DF300AP Multi Function Gauge System Connection Suzuki Marine Multi-Function Gauge Manual There is information that cannot be displayed depending on the model and equipment. Please read and accept the following terms and conditions to. Sdsm + suzuki diagnostic system mobile plus. Select the connection method from the examples in the following pages and arrange the required wiring. Multi function gauge system connection. Suzuki Marine Multi-Function Gauge Manual.