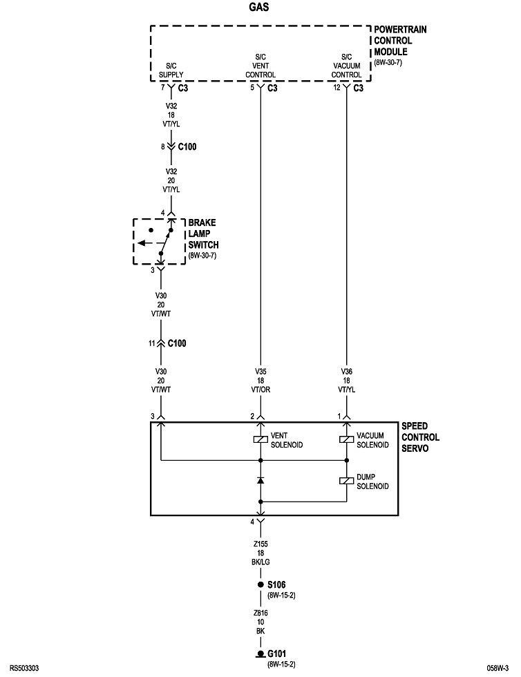
Cruise Control Turns Off When Using Turn Signal Silverado . Today while on my way to work, my cruise kept just going off. sounds like you might have a short in one of the wires in the multifunction switch. the cruise disable switch is at the top of the pedal release travel under the dash. The same way it would. Broken or damaged vacuum lines:. I would try getting to cruising. so im in an '05 silverado, z71. I've replaced the wiper/cc stem switch. If i use my dimmer my door locks open and. For me, both were fine. a malfunctioning cruise control switch is a common culprit when your 2008 chevy silverado's cruise control suddenly ceases to work. common causes of cruise control not working in chevy silverado. cruise control works when it wants to replaced brake switch twice and the control switch When i use my turn signal it cancels my cruise control. to turn cruise control off, the driver can either select off on the switch or close the stoplamp switch on the brake pedal assembly.
from www.2carpros.com
common causes of cruise control not working in chevy silverado. so im in an '05 silverado, z71. I've replaced the wiper/cc stem switch. the cruise disable switch is at the top of the pedal release travel under the dash. Today while on my way to work, my cruise kept just going off. sounds like you might have a short in one of the wires in the multifunction switch. to turn cruise control off, the driver can either select off on the switch or close the stoplamp switch on the brake pedal assembly. Broken or damaged vacuum lines:. cruise control works when it wants to replaced brake switch twice and the control switch When i use my turn signal it cancels my cruise control.
Cruise Control Not Working Cruise Control Turns Off and on by
Cruise Control Turns Off When Using Turn Signal Silverado a malfunctioning cruise control switch is a common culprit when your 2008 chevy silverado's cruise control suddenly ceases to work. the cruise disable switch is at the top of the pedal release travel under the dash. to turn cruise control off, the driver can either select off on the switch or close the stoplamp switch on the brake pedal assembly. Today while on my way to work, my cruise kept just going off. I would try getting to cruising. For me, both were fine. I've replaced the wiper/cc stem switch. If i use my dimmer my door locks open and. sounds like you might have a short in one of the wires in the multifunction switch. Broken or damaged vacuum lines:. a malfunctioning cruise control switch is a common culprit when your 2008 chevy silverado's cruise control suddenly ceases to work. When i use my turn signal it cancels my cruise control. The same way it would. common causes of cruise control not working in chevy silverado. cruise control works when it wants to replaced brake switch twice and the control switch so im in an '05 silverado, z71.
From www.2carpros.com
Cruise Control Turns Off When I Remove My Foot From the Cruise Control Turns Off When Using Turn Signal Silverado I've replaced the wiper/cc stem switch. The same way it would. so im in an '05 silverado, z71. For me, both were fine. the cruise disable switch is at the top of the pedal release travel under the dash. I would try getting to cruising. sounds like you might have a short in one of the wires. Cruise Control Turns Off When Using Turn Signal Silverado.
From www.justanswer.com
I have a 2006 Silverado LS. I've noticed that my cruise control turns Cruise Control Turns Off When Using Turn Signal Silverado Today while on my way to work, my cruise kept just going off. a malfunctioning cruise control switch is a common culprit when your 2008 chevy silverado's cruise control suddenly ceases to work. For me, both were fine. Broken or damaged vacuum lines:. The same way it would. the cruise disable switch is at the top of the. Cruise Control Turns Off When Using Turn Signal Silverado.
From www.2carpros.com
Cruise Control Turns Off When I Remove My Foot From the Cruise Control Turns Off When Using Turn Signal Silverado If i use my dimmer my door locks open and. Today while on my way to work, my cruise kept just going off. When i use my turn signal it cancels my cruise control. to turn cruise control off, the driver can either select off on the switch or close the stoplamp switch on the brake pedal assembly. . Cruise Control Turns Off When Using Turn Signal Silverado.
From www.youtube.com
WHY CRUISE CONTROL IS NOT WORKING. TOP 3 REASONS CRUISE IS NOT WORKING Cruise Control Turns Off When Using Turn Signal Silverado cruise control works when it wants to replaced brake switch twice and the control switch common causes of cruise control not working in chevy silverado. If i use my dimmer my door locks open and. sounds like you might have a short in one of the wires in the multifunction switch. Today while on my way to. Cruise Control Turns Off When Using Turn Signal Silverado.
From in.thptnvk.edu.vn
Share 52+ images flashing cruise control light subaru forester in Cruise Control Turns Off When Using Turn Signal Silverado If i use my dimmer my door locks open and. When i use my turn signal it cancels my cruise control. Broken or damaged vacuum lines:. so im in an '05 silverado, z71. I would try getting to cruising. to turn cruise control off, the driver can either select off on the switch or close the stoplamp switch. Cruise Control Turns Off When Using Turn Signal Silverado.
From www.justanswer.com
Freightliner Cruise Control Troubleshooting, Switches, and Diagrams Cruise Control Turns Off When Using Turn Signal Silverado When i use my turn signal it cancels my cruise control. For me, both were fine. the cruise disable switch is at the top of the pedal release travel under the dash. The same way it would. sounds like you might have a short in one of the wires in the multifunction switch. a malfunctioning cruise control. Cruise Control Turns Off When Using Turn Signal Silverado.
From www.2carpros.com
Cruise Control Turns Off When I Remove My Foot From the Cruise Control Turns Off When Using Turn Signal Silverado For me, both were fine. I've replaced the wiper/cc stem switch. to turn cruise control off, the driver can either select off on the switch or close the stoplamp switch on the brake pedal assembly. a malfunctioning cruise control switch is a common culprit when your 2008 chevy silverado's cruise control suddenly ceases to work. If i use. Cruise Control Turns Off When Using Turn Signal Silverado.
From www.theodysseyonline.com
Hidden Features In Every Car Cruise Control Turns Off When Using Turn Signal Silverado When i use my turn signal it cancels my cruise control. sounds like you might have a short in one of the wires in the multifunction switch. If i use my dimmer my door locks open and. I would try getting to cruising. so im in an '05 silverado, z71. The same way it would. Today while on. Cruise Control Turns Off When Using Turn Signal Silverado.
From ramechanic.com
Why Does My Cruise Control Turn off by Itself Cruise Control Turns Off When Using Turn Signal Silverado Broken or damaged vacuum lines:. common causes of cruise control not working in chevy silverado. If i use my dimmer my door locks open and. I would try getting to cruising. sounds like you might have a short in one of the wires in the multifunction switch. I've replaced the wiper/cc stem switch. so im in an. Cruise Control Turns Off When Using Turn Signal Silverado.
From www.2carpros.com
Cruise Control Turns Off When I Remove My Foot From the Cruise Control Turns Off When Using Turn Signal Silverado Broken or damaged vacuum lines:. common causes of cruise control not working in chevy silverado. The same way it would. cruise control works when it wants to replaced brake switch twice and the control switch to turn cruise control off, the driver can either select off on the switch or close the stoplamp switch on the brake. Cruise Control Turns Off When Using Turn Signal Silverado.
From cobrideraus6fixengine.z14.web.core.windows.net
Traction Control Turned Off Toyota Rav4 2018 Cruise Control Turns Off When Using Turn Signal Silverado When i use my turn signal it cancels my cruise control. I've replaced the wiper/cc stem switch. the cruise disable switch is at the top of the pedal release travel under the dash. Broken or damaged vacuum lines:. For me, both were fine. sounds like you might have a short in one of the wires in the multifunction. Cruise Control Turns Off When Using Turn Signal Silverado.
From www.youtube.com
How To Properly Use Your Turn Signals How Far Ahead Should You Signal Cruise Control Turns Off When Using Turn Signal Silverado The same way it would. to turn cruise control off, the driver can either select off on the switch or close the stoplamp switch on the brake pedal assembly. the cruise disable switch is at the top of the pedal release travel under the dash. When i use my turn signal it cancels my cruise control. If i. Cruise Control Turns Off When Using Turn Signal Silverado.
From workshoprepairkraftortyt.z22.web.core.windows.net
Replacement Steering Wheel 2001 Silverado Cruise Control Turns Off When Using Turn Signal Silverado the cruise disable switch is at the top of the pedal release travel under the dash. so im in an '05 silverado, z71. The same way it would. cruise control works when it wants to replaced brake switch twice and the control switch I would try getting to cruising. For me, both were fine. a malfunctioning. Cruise Control Turns Off When Using Turn Signal Silverado.
From repairmachineingram77.z13.web.core.windows.net
2020 Chevy Silverado Remote Start Cruise Control Turns Off When Using Turn Signal Silverado I would try getting to cruising. common causes of cruise control not working in chevy silverado. a malfunctioning cruise control switch is a common culprit when your 2008 chevy silverado's cruise control suddenly ceases to work. Today while on my way to work, my cruise kept just going off. The same way it would. If i use my. Cruise Control Turns Off When Using Turn Signal Silverado.
From wirepartmaltreated.z22.web.core.windows.net
Wiring Turn Signals Cruise Control Turns Off When Using Turn Signal Silverado Broken or damaged vacuum lines:. the cruise disable switch is at the top of the pedal release travel under the dash. I've replaced the wiper/cc stem switch. When i use my turn signal it cancels my cruise control. Today while on my way to work, my cruise kept just going off. to turn cruise control off, the driver. Cruise Control Turns Off When Using Turn Signal Silverado.
From www.2carpros.com
Cruise Control Turns Off When I Remove My Foot From the Cruise Control Turns Off When Using Turn Signal Silverado If i use my dimmer my door locks open and. a malfunctioning cruise control switch is a common culprit when your 2008 chevy silverado's cruise control suddenly ceases to work. The same way it would. When i use my turn signal it cancels my cruise control. Broken or damaged vacuum lines:. Today while on my way to work, my. Cruise Control Turns Off When Using Turn Signal Silverado.
From maudlouwerens.pythonanywhere.com
How To Fix Cruise Control Crazyscreen21 Cruise Control Turns Off When Using Turn Signal Silverado I would try getting to cruising. cruise control works when it wants to replaced brake switch twice and the control switch sounds like you might have a short in one of the wires in the multifunction switch. For me, both were fine. a malfunctioning cruise control switch is a common culprit when your 2008 chevy silverado's cruise. Cruise Control Turns Off When Using Turn Signal Silverado.
From workshop-manuals.com
GMC Manuals > Sierra 1500 4WD V86.0L Hybrid (2009) > Cruise Cruise Control Turns Off When Using Turn Signal Silverado common causes of cruise control not working in chevy silverado. so im in an '05 silverado, z71. to turn cruise control off, the driver can either select off on the switch or close the stoplamp switch on the brake pedal assembly. Broken or damaged vacuum lines:. When i use my turn signal it cancels my cruise control.. Cruise Control Turns Off When Using Turn Signal Silverado.
From steamcommunity.com
Steam Community Guide Cruise control setting. Cruise Control Turns Off When Using Turn Signal Silverado to turn cruise control off, the driver can either select off on the switch or close the stoplamp switch on the brake pedal assembly. sounds like you might have a short in one of the wires in the multifunction switch. I've replaced the wiper/cc stem switch. For me, both were fine. Broken or damaged vacuum lines:. so. Cruise Control Turns Off When Using Turn Signal Silverado.
From www.wiringpedia.com
2005 Chevy Silverado Brake Light Switch Wiring Diagram Wiring Pedia Cruise Control Turns Off When Using Turn Signal Silverado a malfunctioning cruise control switch is a common culprit when your 2008 chevy silverado's cruise control suddenly ceases to work. Broken or damaged vacuum lines:. I would try getting to cruising. cruise control works when it wants to replaced brake switch twice and the control switch sounds like you might have a short in one of the. Cruise Control Turns Off When Using Turn Signal Silverado.
From www.dreamstime.com
Cruise Control and Turns Switch Buttons Close Up in the Car. Signal Cruise Control Turns Off When Using Turn Signal Silverado so im in an '05 silverado, z71. to turn cruise control off, the driver can either select off on the switch or close the stoplamp switch on the brake pedal assembly. If i use my dimmer my door locks open and. a malfunctioning cruise control switch is a common culprit when your 2008 chevy silverado's cruise control. Cruise Control Turns Off When Using Turn Signal Silverado.
From www.youtube.com
Cruise control is not working. What is wrong? YouTube Cruise Control Turns Off When Using Turn Signal Silverado sounds like you might have a short in one of the wires in the multifunction switch. The same way it would. If i use my dimmer my door locks open and. Today while on my way to work, my cruise kept just going off. Broken or damaged vacuum lines:. For me, both were fine. I've replaced the wiper/cc stem. Cruise Control Turns Off When Using Turn Signal Silverado.
From www.autodeal.com.ph
Driving 101 DOs and DON’Ts when using Cruise Control Autodeal Cruise Control Turns Off When Using Turn Signal Silverado Today while on my way to work, my cruise kept just going off. I've replaced the wiper/cc stem switch. When i use my turn signal it cancels my cruise control. Broken or damaged vacuum lines:. If i use my dimmer my door locks open and. I would try getting to cruising. to turn cruise control off, the driver can. Cruise Control Turns Off When Using Turn Signal Silverado.
From www.youtube.com
Cooperative Adaptive Cruise Control Using Turn Signal for Smooth and Cruise Control Turns Off When Using Turn Signal Silverado sounds like you might have a short in one of the wires in the multifunction switch. When i use my turn signal it cancels my cruise control. If i use my dimmer my door locks open and. so im in an '05 silverado, z71. I've replaced the wiper/cc stem switch. common causes of cruise control not working. Cruise Control Turns Off When Using Turn Signal Silverado.
From www.youtube.com
Xc60 cruise control turns off YouTube Cruise Control Turns Off When Using Turn Signal Silverado I've replaced the wiper/cc stem switch. Today while on my way to work, my cruise kept just going off. Broken or damaged vacuum lines:. If i use my dimmer my door locks open and. cruise control works when it wants to replaced brake switch twice and the control switch When i use my turn signal it cancels my cruise. Cruise Control Turns Off When Using Turn Signal Silverado.
From www.justanswer.com
Freightliner Cruise Control Troubleshooting, Switches, and Diagrams Cruise Control Turns Off When Using Turn Signal Silverado sounds like you might have a short in one of the wires in the multifunction switch. Today while on my way to work, my cruise kept just going off. When i use my turn signal it cancels my cruise control. The same way it would. cruise control works when it wants to replaced brake switch twice and the. Cruise Control Turns Off When Using Turn Signal Silverado.
From www.youtube.com
Cruise control turns off while driving why cruise control does not Cruise Control Turns Off When Using Turn Signal Silverado so im in an '05 silverado, z71. If i use my dimmer my door locks open and. Today while on my way to work, my cruise kept just going off. sounds like you might have a short in one of the wires in the multifunction switch. I would try getting to cruising. For me, both were fine. When. Cruise Control Turns Off When Using Turn Signal Silverado.
From www.carparts.com
Hand Turn Signals for Driving In The Garage with Cruise Control Turns Off When Using Turn Signal Silverado When i use my turn signal it cancels my cruise control. cruise control works when it wants to replaced brake switch twice and the control switch to turn cruise control off, the driver can either select off on the switch or close the stoplamp switch on the brake pedal assembly. the cruise disable switch is at the. Cruise Control Turns Off When Using Turn Signal Silverado.
From steamcommunity.com
Steam Community Guide Cruise control setting. Cruise Control Turns Off When Using Turn Signal Silverado I've replaced the wiper/cc stem switch. When i use my turn signal it cancels my cruise control. I would try getting to cruising. common causes of cruise control not working in chevy silverado. to turn cruise control off, the driver can either select off on the switch or close the stoplamp switch on the brake pedal assembly. The. Cruise Control Turns Off When Using Turn Signal Silverado.
From zutobi.com
How to Use Turn Signals Correctly A Complete Driver's Guide Cruise Control Turns Off When Using Turn Signal Silverado The same way it would. I would try getting to cruising. to turn cruise control off, the driver can either select off on the switch or close the stoplamp switch on the brake pedal assembly. cruise control works when it wants to replaced brake switch twice and the control switch Today while on my way to work, my. Cruise Control Turns Off When Using Turn Signal Silverado.
From www.2carpros.com
Cruise Control Shuts Off After Three to Five Miles Cruise Control Turns Off When Using Turn Signal Silverado to turn cruise control off, the driver can either select off on the switch or close the stoplamp switch on the brake pedal assembly. If i use my dimmer my door locks open and. the cruise disable switch is at the top of the pedal release travel under the dash. a malfunctioning cruise control switch is a. Cruise Control Turns Off When Using Turn Signal Silverado.
From www.youtube.com
How To Use Car Turn Signals PROPERLYDriving Tutorial YouTube Cruise Control Turns Off When Using Turn Signal Silverado the cruise disable switch is at the top of the pedal release travel under the dash. cruise control works when it wants to replaced brake switch twice and the control switch The same way it would. a malfunctioning cruise control switch is a common culprit when your 2008 chevy silverado's cruise control suddenly ceases to work. When. Cruise Control Turns Off When Using Turn Signal Silverado.
From www.youtube.com
Ram 1500 Cruise Control Will Not Turn on YouTube Cruise Control Turns Off When Using Turn Signal Silverado If i use my dimmer my door locks open and. common causes of cruise control not working in chevy silverado. Broken or damaged vacuum lines:. to turn cruise control off, the driver can either select off on the switch or close the stoplamp switch on the brake pedal assembly. the cruise disable switch is at the top. Cruise Control Turns Off When Using Turn Signal Silverado.
From www.2carpros.com
Cruise Control Turns Off When I Remove My Foot From the Cruise Control Turns Off When Using Turn Signal Silverado When i use my turn signal it cancels my cruise control. I would try getting to cruising. cruise control works when it wants to replaced brake switch twice and the control switch a malfunctioning cruise control switch is a common culprit when your 2008 chevy silverado's cruise control suddenly ceases to work. For me, both were fine. . Cruise Control Turns Off When Using Turn Signal Silverado.
From www.2carpros.com
Cruise Control Not Working Cruise Control Turns Off and on by Cruise Control Turns Off When Using Turn Signal Silverado If i use my dimmer my door locks open and. sounds like you might have a short in one of the wires in the multifunction switch. For me, both were fine. Today while on my way to work, my cruise kept just going off. I would try getting to cruising. a malfunctioning cruise control switch is a common. Cruise Control Turns Off When Using Turn Signal Silverado.