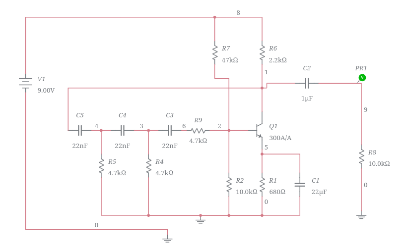
What Is Rc Phase Shift Oscillator . See the circuit diagram using bjt, the equation. This circuit offers the required phase shift with the feedback signal. It uses a feedback network of resistors and capacitors to shift the. It comprises three rc sections, each providing a phase shift of up to 60 degrees at the desired frequency. See the circuit diagram, simulation video and explanation of phase shift,. Learn how an rc phase shift oscillator generates a sinusoidal signal using a feedback network of resistors and capacitors. They have excellent frequency stability and can yield a pure sine wave for a wide range of loads. Learn how to use rc network to produce phase shift oscillator, a device that produces periodic signals. What is rc phase shift oscillator? When the phase shifts from all sections are combined, they give a total phase shift of 180 degrees.
from www.circuitdiagram.co
When the phase shifts from all sections are combined, they give a total phase shift of 180 degrees. Learn how to use rc network to produce phase shift oscillator, a device that produces periodic signals. Learn how an rc phase shift oscillator generates a sinusoidal signal using a feedback network of resistors and capacitors. See the circuit diagram using bjt, the equation. What is rc phase shift oscillator? They have excellent frequency stability and can yield a pure sine wave for a wide range of loads. See the circuit diagram, simulation video and explanation of phase shift,. It uses a feedback network of resistors and capacitors to shift the. This circuit offers the required phase shift with the feedback signal. It comprises three rc sections, each providing a phase shift of up to 60 degrees at the desired frequency.
Rc Phase Shift Oscillator Circuit Using Op Amp
What Is Rc Phase Shift Oscillator What is rc phase shift oscillator? What is rc phase shift oscillator? Learn how an rc phase shift oscillator generates a sinusoidal signal using a feedback network of resistors and capacitors. It comprises three rc sections, each providing a phase shift of up to 60 degrees at the desired frequency. They have excellent frequency stability and can yield a pure sine wave for a wide range of loads. It uses a feedback network of resistors and capacitors to shift the. When the phase shifts from all sections are combined, they give a total phase shift of 180 degrees. See the circuit diagram, simulation video and explanation of phase shift,. Learn how to use rc network to produce phase shift oscillator, a device that produces periodic signals. This circuit offers the required phase shift with the feedback signal. See the circuit diagram using bjt, the equation.
From www.youtube.com
RC Phase Shift Oscillator Phase shift Oscillator explained RC phase What Is Rc Phase Shift Oscillator Learn how an rc phase shift oscillator generates a sinusoidal signal using a feedback network of resistors and capacitors. See the circuit diagram, simulation video and explanation of phase shift,. Learn how to use rc network to produce phase shift oscillator, a device that produces periodic signals. It comprises three rc sections, each providing a phase shift of up to. What Is Rc Phase Shift Oscillator.
From www.circuitdiagram.co
Rc Phase Shift Oscillator Circuit Transistor Circuit Diagram What Is Rc Phase Shift Oscillator When the phase shifts from all sections are combined, they give a total phase shift of 180 degrees. What is rc phase shift oscillator? They have excellent frequency stability and can yield a pure sine wave for a wide range of loads. It uses a feedback network of resistors and capacitors to shift the. It comprises three rc sections, each. What Is Rc Phase Shift Oscillator.
From www.youtube.com
Rc Oscillator Or Phase Shift Oscillator(हिन्दी ) YouTube What Is Rc Phase Shift Oscillator It comprises three rc sections, each providing a phase shift of up to 60 degrees at the desired frequency. They have excellent frequency stability and can yield a pure sine wave for a wide range of loads. When the phase shifts from all sections are combined, they give a total phase shift of 180 degrees. It uses a feedback network. What Is Rc Phase Shift Oscillator.
From www.circuitdiagram.co
Rc Phase Shift Oscillator Circuit Analysis Circuit Diagram What Is Rc Phase Shift Oscillator They have excellent frequency stability and can yield a pure sine wave for a wide range of loads. What is rc phase shift oscillator? Learn how an rc phase shift oscillator generates a sinusoidal signal using a feedback network of resistors and capacitors. It uses a feedback network of resistors and capacitors to shift the. This circuit offers the required. What Is Rc Phase Shift Oscillator.
From www.circuits-diy.com
RC Phase Shift Oscillator with 2N2222 Transistor What Is Rc Phase Shift Oscillator See the circuit diagram using bjt, the equation. See the circuit diagram, simulation video and explanation of phase shift,. They have excellent frequency stability and can yield a pure sine wave for a wide range of loads. When the phase shifts from all sections are combined, they give a total phase shift of 180 degrees. This circuit offers the required. What Is Rc Phase Shift Oscillator.
From www.circuitdiagram.co
Draw The Schematic Diagram Of Rc Phase Shift Oscillator Circuit Diagram What Is Rc Phase Shift Oscillator Learn how to use rc network to produce phase shift oscillator, a device that produces periodic signals. This circuit offers the required phase shift with the feedback signal. They have excellent frequency stability and can yield a pure sine wave for a wide range of loads. Learn how an rc phase shift oscillator generates a sinusoidal signal using a feedback. What Is Rc Phase Shift Oscillator.
From www.circuitdiagram.co
Rc Phase Shift Oscillator Circuit Transistor Circuit Diagram What Is Rc Phase Shift Oscillator What is rc phase shift oscillator? It comprises three rc sections, each providing a phase shift of up to 60 degrees at the desired frequency. Learn how to use rc network to produce phase shift oscillator, a device that produces periodic signals. They have excellent frequency stability and can yield a pure sine wave for a wide range of loads.. What Is Rc Phase Shift Oscillator.
From circuitdigest.com
RC Phase Shift Oscillator What Is Rc Phase Shift Oscillator What is rc phase shift oscillator? See the circuit diagram, simulation video and explanation of phase shift,. When the phase shifts from all sections are combined, they give a total phase shift of 180 degrees. It comprises three rc sections, each providing a phase shift of up to 60 degrees at the desired frequency. This circuit offers the required phase. What Is Rc Phase Shift Oscillator.
From www.zpag.net
RC phaseshift oscillator, LM324 What Is Rc Phase Shift Oscillator Learn how an rc phase shift oscillator generates a sinusoidal signal using a feedback network of resistors and capacitors. When the phase shifts from all sections are combined, they give a total phase shift of 180 degrees. They have excellent frequency stability and can yield a pure sine wave for a wide range of loads. It comprises three rc sections,. What Is Rc Phase Shift Oscillator.
From www.circuitdiagram.co
Circuit Operation Of Rc Phase Shift Oscillator Circuit Diagram What Is Rc Phase Shift Oscillator They have excellent frequency stability and can yield a pure sine wave for a wide range of loads. Learn how to use rc network to produce phase shift oscillator, a device that produces periodic signals. It comprises three rc sections, each providing a phase shift of up to 60 degrees at the desired frequency. It uses a feedback network of. What Is Rc Phase Shift Oscillator.
From www.researchgate.net
BJTbased RC PhaseShift Oscillator Download Scientific Diagram What Is Rc Phase Shift Oscillator See the circuit diagram, simulation video and explanation of phase shift,. They have excellent frequency stability and can yield a pure sine wave for a wide range of loads. Learn how to use rc network to produce phase shift oscillator, a device that produces periodic signals. What is rc phase shift oscillator? When the phase shifts from all sections are. What Is Rc Phase Shift Oscillator.
From electricalworkbook.com
What is RC Phase Shift Oscillator? Circuit Diagram, Working & Frequency What Is Rc Phase Shift Oscillator See the circuit diagram, simulation video and explanation of phase shift,. It uses a feedback network of resistors and capacitors to shift the. This circuit offers the required phase shift with the feedback signal. Learn how an rc phase shift oscillator generates a sinusoidal signal using a feedback network of resistors and capacitors. What is rc phase shift oscillator? They. What Is Rc Phase Shift Oscillator.
From www.linquip.com
What is the RC Phase Shift Oscillator? Linquip What Is Rc Phase Shift Oscillator What is rc phase shift oscillator? Learn how to use rc network to produce phase shift oscillator, a device that produces periodic signals. See the circuit diagram, simulation video and explanation of phase shift,. It comprises three rc sections, each providing a phase shift of up to 60 degrees at the desired frequency. Learn how an rc phase shift oscillator. What Is Rc Phase Shift Oscillator.
From www.linquip.com
What is the RC Phase Shift Oscillator? Linquip What Is Rc Phase Shift Oscillator When the phase shifts from all sections are combined, they give a total phase shift of 180 degrees. It uses a feedback network of resistors and capacitors to shift the. It comprises three rc sections, each providing a phase shift of up to 60 degrees at the desired frequency. Learn how to use rc network to produce phase shift oscillator,. What Is Rc Phase Shift Oscillator.
From www.youtube.com
RC Phase Shift Oscillator (using OpAmp) Explained YouTube What Is Rc Phase Shift Oscillator This circuit offers the required phase shift with the feedback signal. What is rc phase shift oscillator? See the circuit diagram using bjt, the equation. They have excellent frequency stability and can yield a pure sine wave for a wide range of loads. It uses a feedback network of resistors and capacitors to shift the. It comprises three rc sections,. What Is Rc Phase Shift Oscillator.
From www.youtube.com
LTSpice Transistor RC Phase Shift Oscillator Simulation YouTube What Is Rc Phase Shift Oscillator Learn how an rc phase shift oscillator generates a sinusoidal signal using a feedback network of resistors and capacitors. Learn how to use rc network to produce phase shift oscillator, a device that produces periodic signals. See the circuit diagram, simulation video and explanation of phase shift,. It uses a feedback network of resistors and capacitors to shift the. What. What Is Rc Phase Shift Oscillator.
From www.studypool.com
SOLUTION Electronics rc phase shift oscillator Studypool What Is Rc Phase Shift Oscillator They have excellent frequency stability and can yield a pure sine wave for a wide range of loads. Learn how an rc phase shift oscillator generates a sinusoidal signal using a feedback network of resistors and capacitors. What is rc phase shift oscillator? It comprises three rc sections, each providing a phase shift of up to 60 degrees at the. What Is Rc Phase Shift Oscillator.
From www.circuitdiagram.co
Rc Phase Shift Oscillator Circuit Using Op Amp What Is Rc Phase Shift Oscillator It uses a feedback network of resistors and capacitors to shift the. They have excellent frequency stability and can yield a pure sine wave for a wide range of loads. It comprises three rc sections, each providing a phase shift of up to 60 degrees at the desired frequency. When the phase shifts from all sections are combined, they give. What Is Rc Phase Shift Oscillator.
From www.linquip.com
What is the RC Phase Shift Oscillator? Linquip What Is Rc Phase Shift Oscillator It uses a feedback network of resistors and capacitors to shift the. Learn how an rc phase shift oscillator generates a sinusoidal signal using a feedback network of resistors and capacitors. It comprises three rc sections, each providing a phase shift of up to 60 degrees at the desired frequency. See the circuit diagram, simulation video and explanation of phase. What Is Rc Phase Shift Oscillator.
From diagramwiringanne.z19.web.core.windows.net
Linear Oscillator Circuit Diagram Physics What Is Rc Phase Shift Oscillator Learn how an rc phase shift oscillator generates a sinusoidal signal using a feedback network of resistors and capacitors. This circuit offers the required phase shift with the feedback signal. When the phase shifts from all sections are combined, they give a total phase shift of 180 degrees. It comprises three rc sections, each providing a phase shift of up. What Is Rc Phase Shift Oscillator.
From physicswave.com
RC phase shift oscillator I Phase shift oscillator I working of phase What Is Rc Phase Shift Oscillator Learn how to use rc network to produce phase shift oscillator, a device that produces periodic signals. See the circuit diagram using bjt, the equation. It uses a feedback network of resistors and capacitors to shift the. This circuit offers the required phase shift with the feedback signal. What is rc phase shift oscillator? They have excellent frequency stability and. What Is Rc Phase Shift Oscillator.
From www.researchgate.net
3D View of RC phase shift oscillator Download Scientific Diagram What Is Rc Phase Shift Oscillator See the circuit diagram using bjt, the equation. Learn how to use rc network to produce phase shift oscillator, a device that produces periodic signals. They have excellent frequency stability and can yield a pure sine wave for a wide range of loads. Learn how an rc phase shift oscillator generates a sinusoidal signal using a feedback network of resistors. What Is Rc Phase Shift Oscillator.
From www.theorycircuit.com
RC phase shift Oscillator Circuit What Is Rc Phase Shift Oscillator Learn how to use rc network to produce phase shift oscillator, a device that produces periodic signals. They have excellent frequency stability and can yield a pure sine wave for a wide range of loads. This circuit offers the required phase shift with the feedback signal. See the circuit diagram, simulation video and explanation of phase shift,. See the circuit. What Is Rc Phase Shift Oscillator.
From www.youtube.com
Opamp RC Phase Shift Oscillator RC Phase Shift Oscillator using Op What Is Rc Phase Shift Oscillator Learn how to use rc network to produce phase shift oscillator, a device that produces periodic signals. See the circuit diagram using bjt, the equation. See the circuit diagram, simulation video and explanation of phase shift,. This circuit offers the required phase shift with the feedback signal. They have excellent frequency stability and can yield a pure sine wave for. What Is Rc Phase Shift Oscillator.
From www.youtube.com
What is RC Phase Shift Oscillator Electronic Devices and Circuits What Is Rc Phase Shift Oscillator Learn how an rc phase shift oscillator generates a sinusoidal signal using a feedback network of resistors and capacitors. They have excellent frequency stability and can yield a pure sine wave for a wide range of loads. When the phase shifts from all sections are combined, they give a total phase shift of 180 degrees. It comprises three rc sections,. What Is Rc Phase Shift Oscillator.
From www.circuits-diy.com
RC Phase Shift Oscillator Circuit What Is Rc Phase Shift Oscillator It comprises three rc sections, each providing a phase shift of up to 60 degrees at the desired frequency. What is rc phase shift oscillator? Learn how to use rc network to produce phase shift oscillator, a device that produces periodic signals. When the phase shifts from all sections are combined, they give a total phase shift of 180 degrees.. What Is Rc Phase Shift Oscillator.
From www.circuitdiagram.co
Rc Phase Shift Oscillator Circuit Circuit Diagram What Is Rc Phase Shift Oscillator It comprises three rc sections, each providing a phase shift of up to 60 degrees at the desired frequency. When the phase shifts from all sections are combined, they give a total phase shift of 180 degrees. This circuit offers the required phase shift with the feedback signal. It uses a feedback network of resistors and capacitors to shift the.. What Is Rc Phase Shift Oscillator.
From www.circuits-diy.com
RC Phase Shift Oscillator Circuit What Is Rc Phase Shift Oscillator It comprises three rc sections, each providing a phase shift of up to 60 degrees at the desired frequency. They have excellent frequency stability and can yield a pure sine wave for a wide range of loads. See the circuit diagram, simulation video and explanation of phase shift,. See the circuit diagram using bjt, the equation. It uses a feedback. What Is Rc Phase Shift Oscillator.
From www.circuitdiagram.co
Rc Phase Shift Oscillator Circuit Using Op Amp What Is Rc Phase Shift Oscillator Learn how an rc phase shift oscillator generates a sinusoidal signal using a feedback network of resistors and capacitors. When the phase shifts from all sections are combined, they give a total phase shift of 180 degrees. Learn how to use rc network to produce phase shift oscillator, a device that produces periodic signals. What is rc phase shift oscillator?. What Is Rc Phase Shift Oscillator.
From www.youtube.com
RC Phase shift Oscillator Simulation using MultiSim YouTube What Is Rc Phase Shift Oscillator They have excellent frequency stability and can yield a pure sine wave for a wide range of loads. Learn how an rc phase shift oscillator generates a sinusoidal signal using a feedback network of resistors and capacitors. What is rc phase shift oscillator? When the phase shifts from all sections are combined, they give a total phase shift of 180. What Is Rc Phase Shift Oscillator.
From www.youtube.com
RC Phase Shift Oscillator Circuit Using a NPN Transistor YouTube What Is Rc Phase Shift Oscillator When the phase shifts from all sections are combined, they give a total phase shift of 180 degrees. What is rc phase shift oscillator? Learn how an rc phase shift oscillator generates a sinusoidal signal using a feedback network of resistors and capacitors. This circuit offers the required phase shift with the feedback signal. Learn how to use rc network. What Is Rc Phase Shift Oscillator.
From www.electricity-magnetism.org
What is an RC phase shift oscillator? What Is Rc Phase Shift Oscillator This circuit offers the required phase shift with the feedback signal. It comprises three rc sections, each providing a phase shift of up to 60 degrees at the desired frequency. See the circuit diagram using bjt, the equation. Learn how an rc phase shift oscillator generates a sinusoidal signal using a feedback network of resistors and capacitors. What is rc. What Is Rc Phase Shift Oscillator.
From www.electricity-magnetism.org
What is an RC phase shift oscillator? What Is Rc Phase Shift Oscillator It uses a feedback network of resistors and capacitors to shift the. It comprises three rc sections, each providing a phase shift of up to 60 degrees at the desired frequency. What is rc phase shift oscillator? When the phase shifts from all sections are combined, they give a total phase shift of 180 degrees. Learn how an rc phase. What Is Rc Phase Shift Oscillator.
From www.elprocus.com
RC Phase Shift Oscillator Circuit using BJT, Frequency and Applications What Is Rc Phase Shift Oscillator When the phase shifts from all sections are combined, they give a total phase shift of 180 degrees. It comprises three rc sections, each providing a phase shift of up to 60 degrees at the desired frequency. What is rc phase shift oscillator? It uses a feedback network of resistors and capacitors to shift the. Learn how to use rc. What Is Rc Phase Shift Oscillator.
From www.circuitdiagram.co
Rc Phase Shift Oscillator Using Op Amp Circuit Diagram Circuit Diagram What Is Rc Phase Shift Oscillator This circuit offers the required phase shift with the feedback signal. Learn how an rc phase shift oscillator generates a sinusoidal signal using a feedback network of resistors and capacitors. See the circuit diagram, simulation video and explanation of phase shift,. Learn how to use rc network to produce phase shift oscillator, a device that produces periodic signals. When the. What Is Rc Phase Shift Oscillator.