From www.otctools.com
AIR/HYDRAULIC PUMP W/REMOTE CONTROL OTC Tools Air-Hydraulic Systems Inc Find company research, competitor information, contact details & financial data for air hydraulic systems, inc. See our many pumps, motors and. Air-Hydraulic Systems Inc.
From www.tec-science.com
How does a hydraulic jack work Pascals law tecscience Air-Hydraulic Systems Inc Find company research, competitor information, contact details & financial data for air hydraulic systems, inc. See our many pumps, motors and. Air-Hydraulic Systems Inc.
From www.aeroclass.org
The Power of Aircraft Hydraulic System Air-Hydraulic Systems Inc See our many pumps, motors and. Find company research, competitor information, contact details & financial data for air hydraulic systems, inc. Air-Hydraulic Systems Inc.
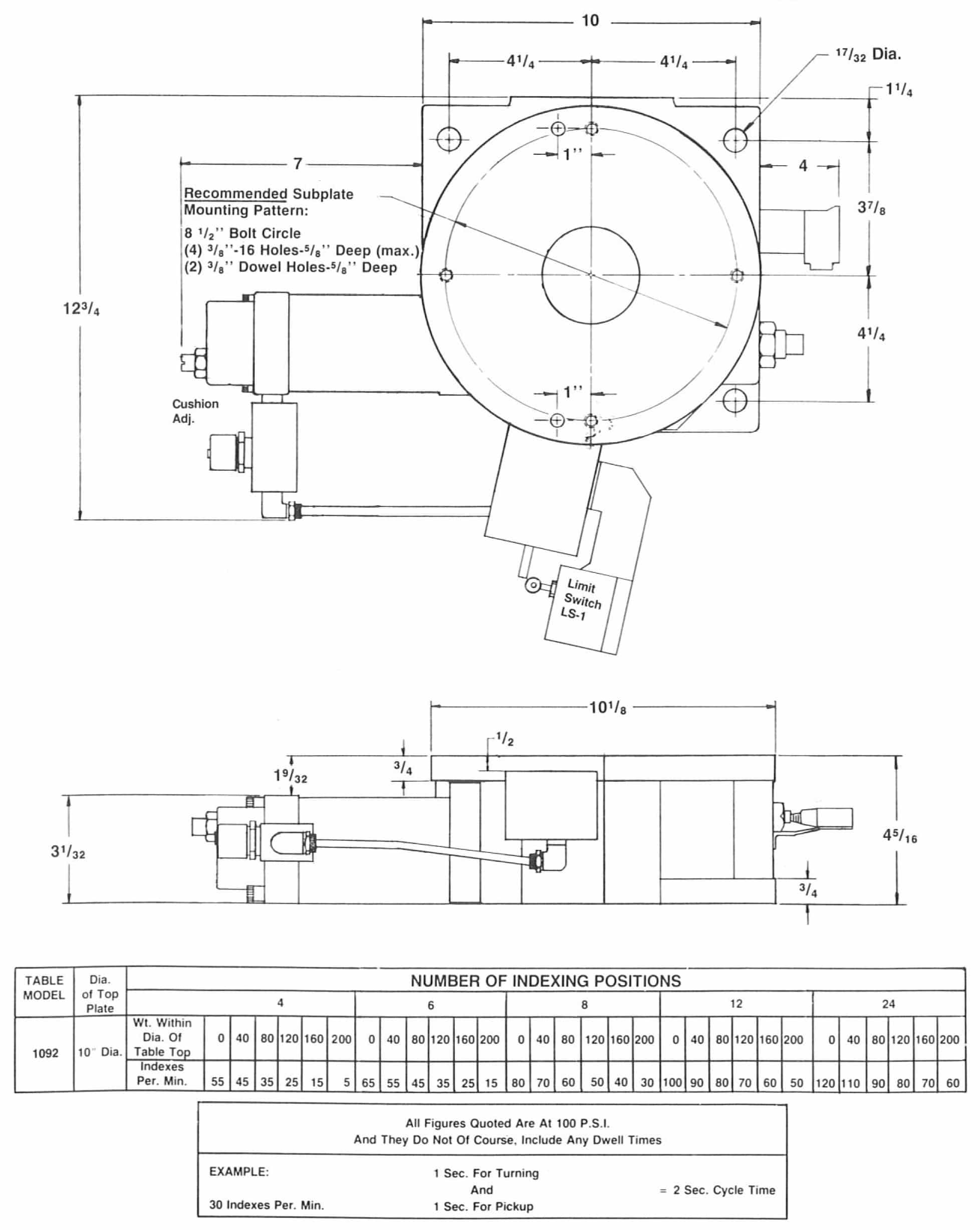
From www.airhydraulics.com
Rotary Table Dimensions AirHydraulics, Inc. Air-Hydraulic Systems Inc Find company research, competitor information, contact details & financial data for air hydraulic systems, inc. See our many pumps, motors and. Air-Hydraulic Systems Inc.
From www.politicalfunda.com
Aircraft Hydraulic Systems Description, Components and Operation Air-Hydraulic Systems Inc Find company research, competitor information, contact details & financial data for air hydraulic systems, inc. See our many pumps, motors and. Air-Hydraulic Systems Inc.
From aheinfo.com
How Hydraulic Power Units Work Air & Hydraulic Equipment,Inc. Air-Hydraulic Systems Inc See our many pumps, motors and. Find company research, competitor information, contact details & financial data for air hydraulic systems, inc. Air-Hydraulic Systems Inc.
From aheinfo.com
smart hydraulic systems Air & Hydraulic Equipment,Inc. Air-Hydraulic Systems Inc See our many pumps, motors and. Find company research, competitor information, contact details & financial data for air hydraulic systems, inc. Air-Hydraulic Systems Inc.
From dualco-inc.com
Air/Hydraulic Injection Guns Portable Dualco Air-Hydraulic Systems Inc See our many pumps, motors and. Find company research, competitor information, contact details & financial data for air hydraulic systems, inc. Air-Hydraulic Systems Inc.
From www.airhydraulics.com
Hydraulic Press Case Studies Assembly Presses AirHydraulics, Inc. Air-Hydraulic Systems Inc Find company research, competitor information, contact details & financial data for air hydraulic systems, inc. See our many pumps, motors and. Air-Hydraulic Systems Inc.
From www.hydraulicpressmanufacturers.org
AirHydraulics, Inc. Hydraulic Press Manufacturers Air-Hydraulic Systems Inc See our many pumps, motors and. Find company research, competitor information, contact details & financial data for air hydraulic systems, inc. Air-Hydraulic Systems Inc.
From www.politicalfunda.com
Aircraft Hydraulic Systems Description, Components and Operation Air-Hydraulic Systems Inc Find company research, competitor information, contact details & financial data for air hydraulic systems, inc. See our many pumps, motors and. Air-Hydraulic Systems Inc.
From dualco-inc.com
Air/Hydraulic Injection Guns Standard Dualco Air-Hydraulic Systems Inc See our many pumps, motors and. Find company research, competitor information, contact details & financial data for air hydraulic systems, inc. Air-Hydraulic Systems Inc.
From aheinfo.com
Smart Hydraulic Systems Are The Future Air & Hydraulic Equipment,Inc. Air-Hydraulic Systems Inc Find company research, competitor information, contact details & financial data for air hydraulic systems, inc. See our many pumps, motors and. Air-Hydraulic Systems Inc.
From wiringschlagers.z21.web.core.windows.net
Hydraulic Schematics For Dummies Air-Hydraulic Systems Inc Find company research, competitor information, contact details & financial data for air hydraulic systems, inc. See our many pumps, motors and. Air-Hydraulic Systems Inc.
From aheinfo.com
How Do Hydraulic Systems Work? Air & Hydraulic Equipment,Inc. Air-Hydraulic Systems Inc Find company research, competitor information, contact details & financial data for air hydraulic systems, inc. See our many pumps, motors and. Air-Hydraulic Systems Inc.
From www.aircraftsystemstech.com
Aircraft Hydraulic System Components Air-Hydraulic Systems Inc See our many pumps, motors and. Find company research, competitor information, contact details & financial data for air hydraulic systems, inc. Air-Hydraulic Systems Inc.
From www.wotol.com
Air Hydraulic System J11291 Air-Hydraulic Systems Inc Find company research, competitor information, contact details & financial data for air hydraulic systems, inc. See our many pumps, motors and. Air-Hydraulic Systems Inc.
From www.fpt-worldwide.com
Air Hydraulic pumps FPT Fluid Power Technology Air-Hydraulic Systems Inc Find company research, competitor information, contact details & financial data for air hydraulic systems, inc. See our many pumps, motors and. Air-Hydraulic Systems Inc.
From aheinfo.com
The Benefits of Automatic Lubrication Vs Manual Lube Air & Hydraulic Equipment,Inc. Air-Hydraulic Systems Inc See our many pumps, motors and. Find company research, competitor information, contact details & financial data for air hydraulic systems, inc. Air-Hydraulic Systems Inc.
From aheinfo.com
Hydraulic & Pneumatic Systems Hydraulic Repair Service Chattanooga Air & Hydraulic Air-Hydraulic Systems Inc See our many pumps, motors and. Find company research, competitor information, contact details & financial data for air hydraulic systems, inc. Air-Hydraulic Systems Inc.
From aheinfo.com
Reasons to Consider Custom Hydraulic Power Units for Your Company Air & Hydraulic Equipment,Inc. Air-Hydraulic Systems Inc See our many pumps, motors and. Find company research, competitor information, contact details & financial data for air hydraulic systems, inc. Air-Hydraulic Systems Inc.
From buyaes.com
AES Industries 10 Ton Air/Hydraulic Pump Hydraulics Frame Equipment AES Industries Air-Hydraulic Systems Inc See our many pumps, motors and. Find company research, competitor information, contact details & financial data for air hydraulic systems, inc. Air-Hydraulic Systems Inc.
From www.airhydraulics.com
Rotary Table Dimensions AirHydraulics, Inc. Air-Hydraulic Systems Inc See our many pumps, motors and. Find company research, competitor information, contact details & financial data for air hydraulic systems, inc. Air-Hydraulic Systems Inc.
From www.chanto.com.tw
Chanto Air Hydraulics Co., Ltd. pneumatic actuators and cylinders supplier Air-Hydraulic Systems Inc See our many pumps, motors and. Find company research, competitor information, contact details & financial data for air hydraulic systems, inc. Air-Hydraulic Systems Inc.
From manualfixbrandt.z19.web.core.windows.net
Aircraft Hydraulic System Schematic Diagram Air-Hydraulic Systems Inc See our many pumps, motors and. Find company research, competitor information, contact details & financial data for air hydraulic systems, inc. Air-Hydraulic Systems Inc.
From www.chanto.com.tw
Chanto Air Hydraulics Co., Ltd. pneumatic actuators and cylinders supplier Air-Hydraulic Systems Inc See our many pumps, motors and. Find company research, competitor information, contact details & financial data for air hydraulic systems, inc. Air-Hydraulic Systems Inc.
From www.pdflowtech.com
Air Hydraulic Pump PD Flowtech Air-Hydraulic Systems Inc Find company research, competitor information, contact details & financial data for air hydraulic systems, inc. See our many pumps, motors and. Air-Hydraulic Systems Inc.
From buffalohydraulic.com
BVA Hydraulics PARM4003D Air Hydraulic Pump Buffalo Hydraulic Air-Hydraulic Systems Inc Find company research, competitor information, contact details & financial data for air hydraulic systems, inc. See our many pumps, motors and. Air-Hydraulic Systems Inc.
From okigihan.blogspot.kr
Aircraft systems Large Aircraft Hydraulic Systems Air-Hydraulic Systems Inc See our many pumps, motors and. Find company research, competitor information, contact details & financial data for air hydraulic systems, inc. Air-Hydraulic Systems Inc.
From bspl.pl
The Future of Air Movement Mobile Hydraulic Systems BSPL Air-Hydraulic Systems Inc Find company research, competitor information, contact details & financial data for air hydraulic systems, inc. See our many pumps, motors and. Air-Hydraulic Systems Inc.
From ukaircraftcarrier.blogspot.com
Aircraft Hydraulic Systems Air Force Air-Hydraulic Systems Inc See our many pumps, motors and. Find company research, competitor information, contact details & financial data for air hydraulic systems, inc. Air-Hydraulic Systems Inc.
From www.airforce.com
Aircraft Hydraulic Systems Specialist (2A635) U.S. Air Force Air-Hydraulic Systems Inc Find company research, competitor information, contact details & financial data for air hydraulic systems, inc. See our many pumps, motors and. Air-Hydraulic Systems Inc.
From www.wotol.com
Air Hydraulic System J11291 Air-Hydraulic Systems Inc Find company research, competitor information, contact details & financial data for air hydraulic systems, inc. See our many pumps, motors and. Air-Hydraulic Systems Inc.
From www.hydraulicpressmanufacturers.org
AirHydraulics, Inc. Hydraulic Press Manufacturers Air-Hydraulic Systems Inc Find company research, competitor information, contact details & financial data for air hydraulic systems, inc. See our many pumps, motors and. Air-Hydraulic Systems Inc.
From www.pngwing.com
Logo Hydraulics Pneumatics Air & Hydraulic Equipment Inc, alat berat, bermacammacam, teks Air-Hydraulic Systems Inc Find company research, competitor information, contact details & financial data for air hydraulic systems, inc. See our many pumps, motors and. Air-Hydraulic Systems Inc.