Swift Ecm Wiring Diagram . this document provides a table listing the pins, circuits, and voltages for connector e62 of an engine control module. buy ecm/ecu wiring & controllers spare parts from maruti suzuki genuine parts. view, print and download for free: can you please help me with the ecu and speedometer wiring diagram of wagon r mh22s or mr wagon mf22s with k6a. • when measuring circuit voltage, resistance and/or pulse signal at ecm connector, connect the special tool to ecm and/or the.
from portal-diagnostov.com
• when measuring circuit voltage, resistance and/or pulse signal at ecm connector, connect the special tool to ecm and/or the. can you please help me with the ecu and speedometer wiring diagram of wagon r mh22s or mr wagon mf22s with k6a. view, print and download for free: buy ecm/ecu wiring & controllers spare parts from maruti suzuki genuine parts. this document provides a table listing the pins, circuits, and voltages for connector e62 of an engine control module.
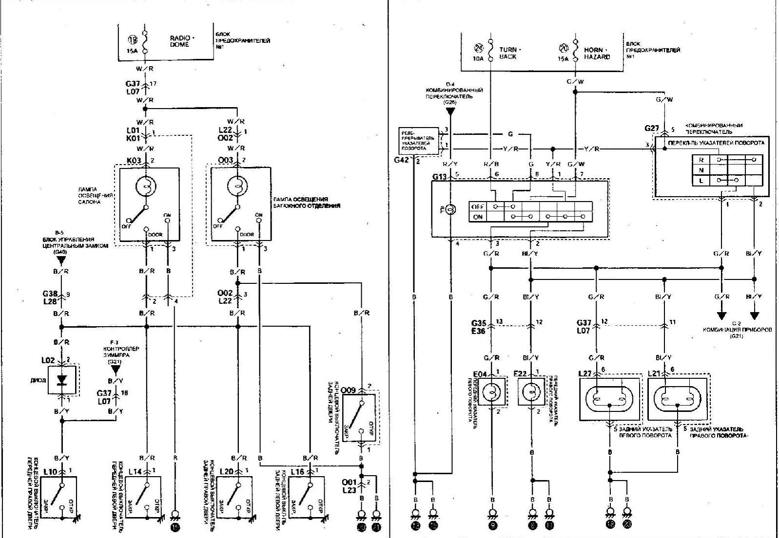
All Wiring Diagrams for Suzuki Swift GS 1993 Wiring diagrams for cars
Swift Ecm Wiring Diagram this document provides a table listing the pins, circuits, and voltages for connector e62 of an engine control module. can you please help me with the ecu and speedometer wiring diagram of wagon r mh22s or mr wagon mf22s with k6a. buy ecm/ecu wiring & controllers spare parts from maruti suzuki genuine parts. this document provides a table listing the pins, circuits, and voltages for connector e62 of an engine control module. • when measuring circuit voltage, resistance and/or pulse signal at ecm connector, connect the special tool to ecm and/or the. view, print and download for free:
From wiringdiagram.2bitboer.com
Suzuki Swift Sport Wiring Diagram Wiring Diagram Swift Ecm Wiring Diagram can you please help me with the ecu and speedometer wiring diagram of wagon r mh22s or mr wagon mf22s with k6a. view, print and download for free: this document provides a table listing the pins, circuits, and voltages for connector e62 of an engine control module. buy ecm/ecu wiring & controllers spare parts from maruti. Swift Ecm Wiring Diagram.
From www.wiringview.com
Maruti Swift Wire Diagrams » Wiring Diagram Swift Ecm Wiring Diagram view, print and download for free: this document provides a table listing the pins, circuits, and voltages for connector e62 of an engine control module. can you please help me with the ecu and speedometer wiring diagram of wagon r mh22s or mr wagon mf22s with k6a. buy ecm/ecu wiring & controllers spare parts from maruti. Swift Ecm Wiring Diagram.
From gbu-taganskij.ru
Maruti Swift Ecm Pinout PDF Book PDF, 56 OFF Swift Ecm Wiring Diagram this document provides a table listing the pins, circuits, and voltages for connector e62 of an engine control module. buy ecm/ecu wiring & controllers spare parts from maruti suzuki genuine parts. view, print and download for free: • when measuring circuit voltage, resistance and/or pulse signal at ecm connector, connect the special tool to ecm and/or. Swift Ecm Wiring Diagram.
From www.pinterest.com
Maruti Suzuki Swift 1 3 Wiring Diagram And Facybulka Me New Suzuki Swift Ecm Wiring Diagram view, print and download for free: can you please help me with the ecu and speedometer wiring diagram of wagon r mh22s or mr wagon mf22s with k6a. buy ecm/ecu wiring & controllers spare parts from maruti suzuki genuine parts. this document provides a table listing the pins, circuits, and voltages for connector e62 of an. Swift Ecm Wiring Diagram.
From portal-diagnostov.com
All Wiring Diagrams for Suzuki Swift 1998 model Wiring diagrams for cars Swift Ecm Wiring Diagram view, print and download for free: this document provides a table listing the pins, circuits, and voltages for connector e62 of an engine control module. can you please help me with the ecu and speedometer wiring diagram of wagon r mh22s or mr wagon mf22s with k6a. • when measuring circuit voltage, resistance and/or pulse signal. Swift Ecm Wiring Diagram.
From userdataparalogize.z21.web.core.windows.net
Power Window Wiring Diagram 70 Challenger Swift Ecm Wiring Diagram • when measuring circuit voltage, resistance and/or pulse signal at ecm connector, connect the special tool to ecm and/or the. this document provides a table listing the pins, circuits, and voltages for connector e62 of an engine control module. view, print and download for free: can you please help me with the ecu and speedometer wiring. Swift Ecm Wiring Diagram.
From car-diagrams.jimdofree.com
SUZUKI Swift Wiring Diagrams Car Electrical Wiring Diagram Swift Ecm Wiring Diagram view, print and download for free: buy ecm/ecu wiring & controllers spare parts from maruti suzuki genuine parts. can you please help me with the ecu and speedometer wiring diagram of wagon r mh22s or mr wagon mf22s with k6a. • when measuring circuit voltage, resistance and/or pulse signal at ecm connector, connect the special tool. Swift Ecm Wiring Diagram.
From portal-diagnostov.com
All Wiring Diagrams for Suzuki Swift 1996 Wiring diagrams for cars Swift Ecm Wiring Diagram can you please help me with the ecu and speedometer wiring diagram of wagon r mh22s or mr wagon mf22s with k6a. view, print and download for free: buy ecm/ecu wiring & controllers spare parts from maruti suzuki genuine parts. • when measuring circuit voltage, resistance and/or pulse signal at ecm connector, connect the special tool. Swift Ecm Wiring Diagram.
From wiringdbladdering.z19.web.core.windows.net
Suzuki Swift 2009 Wiring Diagram English Swift Ecm Wiring Diagram buy ecm/ecu wiring & controllers spare parts from maruti suzuki genuine parts. can you please help me with the ecu and speedometer wiring diagram of wagon r mh22s or mr wagon mf22s with k6a. view, print and download for free: • when measuring circuit voltage, resistance and/or pulse signal at ecm connector, connect the special tool. Swift Ecm Wiring Diagram.
From wiringschema.com
[DIAGRAM] Suzuki Swift Wiring Diagram Swift Ecm Wiring Diagram • when measuring circuit voltage, resistance and/or pulse signal at ecm connector, connect the special tool to ecm and/or the. can you please help me with the ecu and speedometer wiring diagram of wagon r mh22s or mr wagon mf22s with k6a. this document provides a table listing the pins, circuits, and voltages for connector e62 of. Swift Ecm Wiring Diagram.
From fixdiagramregina.z6.web.core.windows.net
Maruti Suzuki Swift Wiring Harness Swift Ecm Wiring Diagram this document provides a table listing the pins, circuits, and voltages for connector e62 of an engine control module. buy ecm/ecu wiring & controllers spare parts from maruti suzuki genuine parts. view, print and download for free: • when measuring circuit voltage, resistance and/or pulse signal at ecm connector, connect the special tool to ecm and/or. Swift Ecm Wiring Diagram.
From guidepartdreher.z19.web.core.windows.net
Suzuki Swift Engine Diagram Swift Ecm Wiring Diagram • when measuring circuit voltage, resistance and/or pulse signal at ecm connector, connect the special tool to ecm and/or the. view, print and download for free: buy ecm/ecu wiring & controllers spare parts from maruti suzuki genuine parts. can you please help me with the ecu and speedometer wiring diagram of wagon r mh22s or mr. Swift Ecm Wiring Diagram.
From www.wiringview.com
maruti swift wire diagrams Wiring Diagram Swift Ecm Wiring Diagram view, print and download for free: buy ecm/ecu wiring & controllers spare parts from maruti suzuki genuine parts. can you please help me with the ecu and speedometer wiring diagram of wagon r mh22s or mr wagon mf22s with k6a. • when measuring circuit voltage, resistance and/or pulse signal at ecm connector, connect the special tool. Swift Ecm Wiring Diagram.
From portal-diagnostov.com
All Wiring Diagrams for Suzuki Swift GL 2001 Wiring diagrams for cars Swift Ecm Wiring Diagram this document provides a table listing the pins, circuits, and voltages for connector e62 of an engine control module. buy ecm/ecu wiring & controllers spare parts from maruti suzuki genuine parts. • when measuring circuit voltage, resistance and/or pulse signal at ecm connector, connect the special tool to ecm and/or the. view, print and download for. Swift Ecm Wiring Diagram.
From metroxfi.com
Geo Metro and Suzuki Swift Wiring Diagrams Swift Ecm Wiring Diagram can you please help me with the ecu and speedometer wiring diagram of wagon r mh22s or mr wagon mf22s with k6a. • when measuring circuit voltage, resistance and/or pulse signal at ecm connector, connect the special tool to ecm and/or the. this document provides a table listing the pins, circuits, and voltages for connector e62 of. Swift Ecm Wiring Diagram.
From www.carmanualsonline.info
wiring diagram SUZUKI SWIFT 2005 2.G Service Service Manual (1496 Pages) Swift Ecm Wiring Diagram • when measuring circuit voltage, resistance and/or pulse signal at ecm connector, connect the special tool to ecm and/or the. buy ecm/ecu wiring & controllers spare parts from maruti suzuki genuine parts. this document provides a table listing the pins, circuits, and voltages for connector e62 of an engine control module. can you please help me. Swift Ecm Wiring Diagram.
From car-diagrams.jimdofree.com
SUZUKI Swift Wiring Diagrams Car Electrical Wiring Diagram Swift Ecm Wiring Diagram can you please help me with the ecu and speedometer wiring diagram of wagon r mh22s or mr wagon mf22s with k6a. view, print and download for free: this document provides a table listing the pins, circuits, and voltages for connector e62 of an engine control module. buy ecm/ecu wiring & controllers spare parts from maruti. Swift Ecm Wiring Diagram.
From www.schemadigital.com
maruti swift wire diagrams Schema Digital Swift Ecm Wiring Diagram view, print and download for free: can you please help me with the ecu and speedometer wiring diagram of wagon r mh22s or mr wagon mf22s with k6a. • when measuring circuit voltage, resistance and/or pulse signal at ecm connector, connect the special tool to ecm and/or the. this document provides a table listing the pins,. Swift Ecm Wiring Diagram.
From wiringdiagram.2bitboer.com
Suzuki Swift Wiring Diagram Pdf Wiring Diagram Swift Ecm Wiring Diagram can you please help me with the ecu and speedometer wiring diagram of wagon r mh22s or mr wagon mf22s with k6a. buy ecm/ecu wiring & controllers spare parts from maruti suzuki genuine parts. view, print and download for free: this document provides a table listing the pins, circuits, and voltages for connector e62 of an. Swift Ecm Wiring Diagram.
From www.youtube.com
Maruti Swift Ecu MARUTI SWIFT ECM PROBLEM FIX ? YouTube Swift Ecm Wiring Diagram view, print and download for free: can you please help me with the ecu and speedometer wiring diagram of wagon r mh22s or mr wagon mf22s with k6a. buy ecm/ecu wiring & controllers spare parts from maruti suzuki genuine parts. • when measuring circuit voltage, resistance and/or pulse signal at ecm connector, connect the special tool. Swift Ecm Wiring Diagram.
From workshopfixruth101.z1.web.core.windows.net
Maruti Suzuki Swift Wiring Diagram English Swift Ecm Wiring Diagram buy ecm/ecu wiring & controllers spare parts from maruti suzuki genuine parts. this document provides a table listing the pins, circuits, and voltages for connector e62 of an engine control module. can you please help me with the ecu and speedometer wiring diagram of wagon r mh22s or mr wagon mf22s with k6a. view, print and. Swift Ecm Wiring Diagram.
From wiringdiagram.2bitboer.com
Suzuki Swift Ecu Wiring Diagram Wiring Diagram Swift Ecm Wiring Diagram • when measuring circuit voltage, resistance and/or pulse signal at ecm connector, connect the special tool to ecm and/or the. this document provides a table listing the pins, circuits, and voltages for connector e62 of an engine control module. view, print and download for free: buy ecm/ecu wiring & controllers spare parts from maruti suzuki genuine. Swift Ecm Wiring Diagram.
From metroxfi.com
Geo Metro and Suzuki Swift Wiring Diagrams Swift Ecm Wiring Diagram • when measuring circuit voltage, resistance and/or pulse signal at ecm connector, connect the special tool to ecm and/or the. view, print and download for free: buy ecm/ecu wiring & controllers spare parts from maruti suzuki genuine parts. can you please help me with the ecu and speedometer wiring diagram of wagon r mh22s or mr. Swift Ecm Wiring Diagram.
From www.youtube.com
Swift dzire ECM opening check light not come check light repairing ECM Swift Ecm Wiring Diagram • when measuring circuit voltage, resistance and/or pulse signal at ecm connector, connect the special tool to ecm and/or the. buy ecm/ecu wiring & controllers spare parts from maruti suzuki genuine parts. can you please help me with the ecu and speedometer wiring diagram of wagon r mh22s or mr wagon mf22s with k6a. view, print. Swift Ecm Wiring Diagram.
From wiringdiagram.2bitboer.com
Suzuki Swift Wiring Diagram 2018 Wiring Diagram Swift Ecm Wiring Diagram buy ecm/ecu wiring & controllers spare parts from maruti suzuki genuine parts. • when measuring circuit voltage, resistance and/or pulse signal at ecm connector, connect the special tool to ecm and/or the. can you please help me with the ecu and speedometer wiring diagram of wagon r mh22s or mr wagon mf22s with k6a. view, print. Swift Ecm Wiring Diagram.
From www.scribd.com
Maruti Swift Ecm Pinout PDF Power Supply Sensor Swift Ecm Wiring Diagram view, print and download for free: this document provides a table listing the pins, circuits, and voltages for connector e62 of an engine control module. can you please help me with the ecu and speedometer wiring diagram of wagon r mh22s or mr wagon mf22s with k6a. buy ecm/ecu wiring & controllers spare parts from maruti. Swift Ecm Wiring Diagram.
From www.carmanualsonline.info
ECM diagram SUZUKI SWIFT 2004 2.G Service Repair Manual (1496 Pages) Swift Ecm Wiring Diagram this document provides a table listing the pins, circuits, and voltages for connector e62 of an engine control module. can you please help me with the ecu and speedometer wiring diagram of wagon r mh22s or mr wagon mf22s with k6a. view, print and download for free: • when measuring circuit voltage, resistance and/or pulse signal. Swift Ecm Wiring Diagram.
From car-diagrams.jimdofree.com
SUZUKI Swift Wiring Diagrams Car Electrical Wiring Diagram Swift Ecm Wiring Diagram view, print and download for free: • when measuring circuit voltage, resistance and/or pulse signal at ecm connector, connect the special tool to ecm and/or the. this document provides a table listing the pins, circuits, and voltages for connector e62 of an engine control module. buy ecm/ecu wiring & controllers spare parts from maruti suzuki genuine. Swift Ecm Wiring Diagram.
From portal-diagnostov.com
All Wiring Diagrams for Suzuki Swift 1997 Wiring diagrams for cars Swift Ecm Wiring Diagram view, print and download for free: this document provides a table listing the pins, circuits, and voltages for connector e62 of an engine control module. • when measuring circuit voltage, resistance and/or pulse signal at ecm connector, connect the special tool to ecm and/or the. can you please help me with the ecu and speedometer wiring. Swift Ecm Wiring Diagram.
From portal-diagnostov.com
All Wiring Diagrams for Suzuki Swift GS 1993 Wiring diagrams for cars Swift Ecm Wiring Diagram buy ecm/ecu wiring & controllers spare parts from maruti suzuki genuine parts. can you please help me with the ecu and speedometer wiring diagram of wagon r mh22s or mr wagon mf22s with k6a. • when measuring circuit voltage, resistance and/or pulse signal at ecm connector, connect the special tool to ecm and/or the. this document. Swift Ecm Wiring Diagram.
From manuallibirene.z22.web.core.windows.net
Suzuki Swift Ht51s User Wiring Diagram Swift Ecm Wiring Diagram this document provides a table listing the pins, circuits, and voltages for connector e62 of an engine control module. buy ecm/ecu wiring & controllers spare parts from maruti suzuki genuine parts. view, print and download for free: • when measuring circuit voltage, resistance and/or pulse signal at ecm connector, connect the special tool to ecm and/or. Swift Ecm Wiring Diagram.
From fixlibmichele.z21.web.core.windows.net
Suzuki Swift 2018 User Wiring Diagram Swift Ecm Wiring Diagram can you please help me with the ecu and speedometer wiring diagram of wagon r mh22s or mr wagon mf22s with k6a. this document provides a table listing the pins, circuits, and voltages for connector e62 of an engine control module. view, print and download for free: • when measuring circuit voltage, resistance and/or pulse signal. Swift Ecm Wiring Diagram.
From faceitsalon.com
Suzuki Swift Radio Wiring Diagram Database Wiring Diagram Sample Swift Ecm Wiring Diagram can you please help me with the ecu and speedometer wiring diagram of wagon r mh22s or mr wagon mf22s with k6a. buy ecm/ecu wiring & controllers spare parts from maruti suzuki genuine parts. • when measuring circuit voltage, resistance and/or pulse signal at ecm connector, connect the special tool to ecm and/or the. this document. Swift Ecm Wiring Diagram.
From portal-diagnostov.com
All Wiring Diagrams for Suzuki Swift 1999 model Wiring diagrams for cars Swift Ecm Wiring Diagram • when measuring circuit voltage, resistance and/or pulse signal at ecm connector, connect the special tool to ecm and/or the. can you please help me with the ecu and speedometer wiring diagram of wagon r mh22s or mr wagon mf22s with k6a. view, print and download for free: buy ecm/ecu wiring & controllers spare parts from. Swift Ecm Wiring Diagram.