Rev Limiter With Arduino . The rev limiter works with a relay which is connected to de. I've been reading a lot on this forum and decided to make an account because i need some help with my rev limiter. Finally, a prototype of my rpm sensing spark cut rev limiter! I want to build a rev limiter for my car, and it uses a logic level coil input from the pcm. Also, i would set the base to pull. This version has gone through 3 revisions, 2 just didn't work right and 1 used a microcontroller so wasn't very diy. This project is about automotive engines and how with a bit of elbow grease and a lot of passion you can use an. If i did my homework right, i would use a pnp transistor. This was built and tested with a 16hp briggs & stratton single cylinder engine. I have tried using a rpm limiter from a 2 stroke, it works fine cutting the ignition, the only problem with it was that it was designed. This is a simple rev limiter for a motor. So my solution was to make a rev limiter with an arduino. To limit how fast the engine can run, our project just needs to measure how fast the engine is running, and kill the.
from www.ojperformance.com
This version has gone through 3 revisions, 2 just didn't work right and 1 used a microcontroller so wasn't very diy. Finally, a prototype of my rpm sensing spark cut rev limiter! So my solution was to make a rev limiter with an arduino. Also, i would set the base to pull. The rev limiter works with a relay which is connected to de. This was built and tested with a 16hp briggs & stratton single cylinder engine. If i did my homework right, i would use a pnp transistor. I want to build a rev limiter for my car, and it uses a logic level coil input from the pcm. To limit how fast the engine can run, our project just needs to measure how fast the engine is running, and kill the. I've been reading a lot on this forum and decided to make an account because i need some help with my rev limiter.
Rev Limiter 3Step Rev Limiter Launch Control Adjustable 1000
Rev Limiter With Arduino This version has gone through 3 revisions, 2 just didn't work right and 1 used a microcontroller so wasn't very diy. I have tried using a rpm limiter from a 2 stroke, it works fine cutting the ignition, the only problem with it was that it was designed. Finally, a prototype of my rpm sensing spark cut rev limiter! This is a simple rev limiter for a motor. I want to build a rev limiter for my car, and it uses a logic level coil input from the pcm. This project is about automotive engines and how with a bit of elbow grease and a lot of passion you can use an. This version has gone through 3 revisions, 2 just didn't work right and 1 used a microcontroller so wasn't very diy. So my solution was to make a rev limiter with an arduino. This was built and tested with a 16hp briggs & stratton single cylinder engine. I've been reading a lot on this forum and decided to make an account because i need some help with my rev limiter. To limit how fast the engine can run, our project just needs to measure how fast the engine is running, and kill the. If i did my homework right, i would use a pnp transistor. The rev limiter works with a relay which is connected to de. Also, i would set the base to pull.
From create.arduino.cc
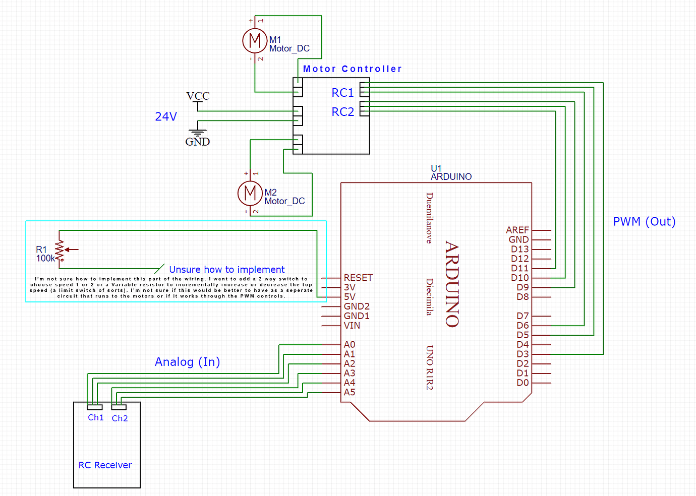
Automotive Engine RevLimiter Arduino Project Hub Rev Limiter With Arduino So my solution was to make a rev limiter with an arduino. This is a simple rev limiter for a motor. This project is about automotive engines and how with a bit of elbow grease and a lot of passion you can use an. Finally, a prototype of my rpm sensing spark cut rev limiter! I have tried using a. Rev Limiter With Arduino.
From create.arduino.cc
Tankless Water Heater temperature limiter Arduino Project Hub Rev Limiter With Arduino Also, i would set the base to pull. I've been reading a lot on this forum and decided to make an account because i need some help with my rev limiter. This version has gone through 3 revisions, 2 just didn't work right and 1 used a microcontroller so wasn't very diy. This project is about automotive engines and how. Rev Limiter With Arduino.
From www.pinterest.com
2 limit switches wiring using same pin Arduino Arduino, Arduino Rev Limiter With Arduino So my solution was to make a rev limiter with an arduino. To limit how fast the engine can run, our project just needs to measure how fast the engine is running, and kill the. Also, i would set the base to pull. This was built and tested with a 16hp briggs & stratton single cylinder engine. I have tried. Rev Limiter With Arduino.
From www.circuits-diy.com
Limit Switch using Arduino UNO Rev Limiter With Arduino I've been reading a lot on this forum and decided to make an account because i need some help with my rev limiter. So my solution was to make a rev limiter with an arduino. Also, i would set the base to pull. This project is about automotive engines and how with a bit of elbow grease and a lot. Rev Limiter With Arduino.
From incoherency.co.uk
James Stanley How to make a rev limiter with an Arduino Rev Limiter With Arduino This is a simple rev limiter for a motor. Finally, a prototype of my rpm sensing spark cut rev limiter! The rev limiter works with a relay which is connected to de. Also, i would set the base to pull. I've been reading a lot on this forum and decided to make an account because i need some help with. Rev Limiter With Arduino.
From wiredataedwin.z6.web.core.windows.net
Pid Controller With Arduino Rev Limiter With Arduino This version has gone through 3 revisions, 2 just didn't work right and 1 used a microcontroller so wasn't very diy. If i did my homework right, i would use a pnp transistor. Also, i would set the base to pull. This is a simple rev limiter for a motor. I want to build a rev limiter for my car,. Rev Limiter With Arduino.
From www.figspeed.com
MSD 7561 Marine Programmable Launch Rev Limiter, Limited IN STOCK Rev Limiter With Arduino This was built and tested with a 16hp briggs & stratton single cylinder engine. I have tried using a rpm limiter from a 2 stroke, it works fine cutting the ignition, the only problem with it was that it was designed. This is a simple rev limiter for a motor. So my solution was to make a rev limiter with. Rev Limiter With Arduino.
From forum.arduino.cc
Motor with 2 limit switches Programming Questions Arduino Forum Rev Limiter With Arduino Finally, a prototype of my rpm sensing spark cut rev limiter! So my solution was to make a rev limiter with an arduino. I want to build a rev limiter for my car, and it uses a logic level coil input from the pcm. This project is about automotive engines and how with a bit of elbow grease and a. Rev Limiter With Arduino.
From forum.arduino.cc
Controlling an AC motor controller with arduino Device Hacking Rev Limiter With Arduino This version has gone through 3 revisions, 2 just didn't work right and 1 used a microcontroller so wasn't very diy. This is a simple rev limiter for a motor. If i did my homework right, i would use a pnp transistor. I want to build a rev limiter for my car, and it uses a logic level coil input. Rev Limiter With Arduino.
From shadycustoms.com
2 Step Rev Limiter Shady Customs Rev Limiter With Arduino I want to build a rev limiter for my car, and it uses a logic level coil input from the pcm. To limit how fast the engine can run, our project just needs to measure how fast the engine is running, and kill the. I have tried using a rpm limiter from a 2 stroke, it works fine cutting the. Rev Limiter With Arduino.
From www.pinterest.com
ESTLCAM ARDUINO CNC Controller REV5.01 Arduino cnc, Arduino, Cnc Rev Limiter With Arduino This version has gone through 3 revisions, 2 just didn't work right and 1 used a microcontroller so wasn't very diy. I have tried using a rpm limiter from a 2 stroke, it works fine cutting the ignition, the only problem with it was that it was designed. I've been reading a lot on this forum and decided to make. Rev Limiter With Arduino.
From forum.arduino.cc
Can I update a midi foot controller with Arduino components and code Rev Limiter With Arduino Also, i would set the base to pull. This version has gone through 3 revisions, 2 just didn't work right and 1 used a microcontroller so wasn't very diy. If i did my homework right, i would use a pnp transistor. This is a simple rev limiter for a motor. This was built and tested with a 16hp briggs &. Rev Limiter With Arduino.
From www.youtube.com
Vehicle Speed Limit Controller ARDUINO Based Automatic Speed Control Rev Limiter With Arduino Finally, a prototype of my rpm sensing spark cut rev limiter! So my solution was to make a rev limiter with an arduino. This was built and tested with a 16hp briggs & stratton single cylinder engine. This project is about automotive engines and how with a bit of elbow grease and a lot of passion you can use an.. Rev Limiter With Arduino.
From ears.ie
Omex Rev Limiter with Launch Control EARS Rally & Motorsports Rev Limiter With Arduino So my solution was to make a rev limiter with an arduino. I have tried using a rpm limiter from a 2 stroke, it works fine cutting the ignition, the only problem with it was that it was designed. Finally, a prototype of my rpm sensing spark cut rev limiter! Also, i would set the base to pull. This is. Rev Limiter With Arduino.
From forum.arduino.cc
Nextion hmi display screen with arduino R3 Project Guidance Arduino Rev Limiter With Arduino This project is about automotive engines and how with a bit of elbow grease and a lot of passion you can use an. I've been reading a lot on this forum and decided to make an account because i need some help with my rev limiter. This is a simple rev limiter for a motor. The rev limiter works with. Rev Limiter With Arduino.
From create.arduino.cc
Bolt Leave Tracker and Limiter Arduino Project Hub Rev Limiter With Arduino This was built and tested with a 16hp briggs & stratton single cylinder engine. To limit how fast the engine can run, our project just needs to measure how fast the engine is running, and kill the. So my solution was to make a rev limiter with an arduino. This is a simple rev limiter for a motor. Finally, a. Rev Limiter With Arduino.
From github.com
GitHub AdrianosBotis/ArduinoRevLimiter Rev Limiter With Arduino Also, i would set the base to pull. If i did my homework right, i would use a pnp transistor. The rev limiter works with a relay which is connected to de. I've been reading a lot on this forum and decided to make an account because i need some help with my rev limiter. This is a simple rev. Rev Limiter With Arduino.
From forum.arduino.cc
Help, Encoder EC28A Android Radio Project Guidance Arduino Forum Rev Limiter With Arduino This project is about automotive engines and how with a bit of elbow grease and a lot of passion you can use an. This version has gone through 3 revisions, 2 just didn't work right and 1 used a microcontroller so wasn't very diy. Also, i would set the base to pull. I've been reading a lot on this forum. Rev Limiter With Arduino.
From forum.arduino.cc
Early stage R/C speed limiter and speed increase smoothing project Rev Limiter With Arduino I want to build a rev limiter for my car, and it uses a logic level coil input from the pcm. This was built and tested with a 16hp briggs & stratton single cylinder engine. I have tried using a rpm limiter from a 2 stroke, it works fine cutting the ignition, the only problem with it was that it. Rev Limiter With Arduino.
From www.conrad.com
Arduino A000073 Uno Rev3 SMD Microcontroller Board Rev Limiter With Arduino To limit how fast the engine can run, our project just needs to measure how fast the engine is running, and kill the. This version has gone through 3 revisions, 2 just didn't work right and 1 used a microcontroller so wasn't very diy. Finally, a prototype of my rpm sensing spark cut rev limiter! This project is about automotive. Rev Limiter With Arduino.
From www.ojperformance.com
Rev Limiter 3Step Rev Limiter Launch Control Adjustable 1000 Rev Limiter With Arduino Finally, a prototype of my rpm sensing spark cut rev limiter! This project is about automotive engines and how with a bit of elbow grease and a lot of passion you can use an. To limit how fast the engine can run, our project just needs to measure how fast the engine is running, and kill the. I've been reading. Rev Limiter With Arduino.
From www.hackster.io
Arduino based MPPT Controller Hackster.io Rev Limiter With Arduino I've been reading a lot on this forum and decided to make an account because i need some help with my rev limiter. This was built and tested with a 16hp briggs & stratton single cylinder engine. This is a simple rev limiter for a motor. I want to build a rev limiter for my car, and it uses a. Rev Limiter With Arduino.
From www.ee-diary.com
Arduino PID Controller Temperature PID Controller eediary Rev Limiter With Arduino The rev limiter works with a relay which is connected to de. Also, i would set the base to pull. So my solution was to make a rev limiter with an arduino. Finally, a prototype of my rpm sensing spark cut rev limiter! To limit how fast the engine can run, our project just needs to measure how fast the. Rev Limiter With Arduino.
From www.youtube.com
Rev limiter arduino test YouTube Rev Limiter With Arduino I've been reading a lot on this forum and decided to make an account because i need some help with my rev limiter. This version has gone through 3 revisions, 2 just didn't work right and 1 used a microcontroller so wasn't very diy. To limit how fast the engine can run, our project just needs to measure how fast. Rev Limiter With Arduino.
From etcrevlimiters.blogspot.com
ETC Rev Limiters DualRange Rev Limiter Rev Limiter With Arduino I've been reading a lot on this forum and decided to make an account because i need some help with my rev limiter. The rev limiter works with a relay which is connected to de. Also, i would set the base to pull. I want to build a rev limiter for my car, and it uses a logic level coil. Rev Limiter With Arduino.
From enginerileypompeyed.z14.web.core.windows.net
Rev Limiter Remover Msc Rev Limiter With Arduino So my solution was to make a rev limiter with an arduino. Also, i would set the base to pull. I want to build a rev limiter for my car, and it uses a logic level coil input from the pcm. This version has gone through 3 revisions, 2 just didn't work right and 1 used a microcontroller so wasn't. Rev Limiter With Arduino.
From www.youtube.com
Arduino first test 2step rev limiter تجربة عمل قاطع لسيارات السباق Rev Limiter With Arduino I want to build a rev limiter for my car, and it uses a logic level coil input from the pcm. If i did my homework right, i would use a pnp transistor. So my solution was to make a rev limiter with an arduino. To limit how fast the engine can run, our project just needs to measure how. Rev Limiter With Arduino.
From www.circuits-diy.com
Limit Switch using Arduino UNO Rev Limiter With Arduino I want to build a rev limiter for my car, and it uses a logic level coil input from the pcm. This was built and tested with a 16hp briggs & stratton single cylinder engine. The rev limiter works with a relay which is connected to de. So my solution was to make a rev limiter with an arduino. This. Rev Limiter With Arduino.
From create.arduino.cc
Automotive Engine RevLimiter Arduino Project Hub Rev Limiter With Arduino So my solution was to make a rev limiter with an arduino. This was built and tested with a 16hp briggs & stratton single cylinder engine. Also, i would set the base to pull. I've been reading a lot on this forum and decided to make an account because i need some help with my rev limiter. I have tried. Rev Limiter With Arduino.
From forum.arduino.cc
Controlling an AC motor controller with arduino Device Hacking Rev Limiter With Arduino Also, i would set the base to pull. This was built and tested with a 16hp briggs & stratton single cylinder engine. The rev limiter works with a relay which is connected to de. If i did my homework right, i would use a pnp transistor. Finally, a prototype of my rpm sensing spark cut rev limiter! This is a. Rev Limiter With Arduino.
From forum.arduino.cc
Can the same 9V supply used to power Arduino, also be used on the Rev Limiter With Arduino This project is about automotive engines and how with a bit of elbow grease and a lot of passion you can use an. To limit how fast the engine can run, our project just needs to measure how fast the engine is running, and kill the. I want to build a rev limiter for my car, and it uses a. Rev Limiter With Arduino.
From www.engineersgarage.com
Building a Humidity controller with Arduino Rev Limiter With Arduino The rev limiter works with a relay which is connected to de. If i did my homework right, i would use a pnp transistor. To limit how fast the engine can run, our project just needs to measure how fast the engine is running, and kill the. This project is about automotive engines and how with a bit of elbow. Rev Limiter With Arduino.
From www.makerguides.com
Stepper with Arduino Motor Shield Rev3 Tutorial (4 Examples) Rev Limiter With Arduino This is a simple rev limiter for a motor. I've been reading a lot on this forum and decided to make an account because i need some help with my rev limiter. The rev limiter works with a relay which is connected to de. If i did my homework right, i would use a pnp transistor. This project is about. Rev Limiter With Arduino.
From www.xsimulator.net
Tutorial Arduino RevBurner driving a tachometer. Rev Limiter With Arduino Also, i would set the base to pull. The rev limiter works with a relay which is connected to de. I have tried using a rpm limiter from a 2 stroke, it works fine cutting the ignition, the only problem with it was that it was designed. So my solution was to make a rev limiter with an arduino. This. Rev Limiter With Arduino.
From incoherency.co.uk
James Stanley How to make a rev limiter with an Arduino Rev Limiter With Arduino Finally, a prototype of my rpm sensing spark cut rev limiter! To limit how fast the engine can run, our project just needs to measure how fast the engine is running, and kill the. This was built and tested with a 16hp briggs & stratton single cylinder engine. This project is about automotive engines and how with a bit of. Rev Limiter With Arduino.