A/D Converter Circuit . This a/d converter is a linkage between the analog (linear) world of transducers and discreet world of processing the signal and handling the data. The digital to analog converter. By converting from the analog world to the digital world, we can. An analog to digital converter (adc) is a very useful feature that converts an analog voltage on a pin to a digital number. This adc converter ic is also called parallel adc, which is the most widely used efficient adc in terms of its speed.
from www.emagtech.com
This a/d converter is a linkage between the analog (linear) world of transducers and discreet world of processing the signal and handling the data. By converting from the analog world to the digital world, we can. The digital to analog converter. This adc converter ic is also called parallel adc, which is the most widely used efficient adc in terms of its speed. An analog to digital converter (adc) is a very useful feature that converts an analog voltage on a pin to a digital number.
Advanced Tutorial Lesson 12 Exploring a 3Bit A/D Converter Circuit
A/D Converter Circuit The digital to analog converter. The digital to analog converter. This adc converter ic is also called parallel adc, which is the most widely used efficient adc in terms of its speed. This a/d converter is a linkage between the analog (linear) world of transducers and discreet world of processing the signal and handling the data. By converting from the analog world to the digital world, we can. An analog to digital converter (adc) is a very useful feature that converts an analog voltage on a pin to a digital number.
From electricalnotebook.com
Implementation of D/A Converter Free Electrical Notebook Theory and A/D Converter Circuit The digital to analog converter. An analog to digital converter (adc) is a very useful feature that converts an analog voltage on a pin to a digital number. By converting from the analog world to the digital world, we can. This adc converter ic is also called parallel adc, which is the most widely used efficient adc in terms of. A/D Converter Circuit.
From guidelistgordon.z6.web.core.windows.net
A/d Converter Circuit Diagram A/D Converter Circuit This adc converter ic is also called parallel adc, which is the most widely used efficient adc in terms of its speed. An analog to digital converter (adc) is a very useful feature that converts an analog voltage on a pin to a digital number. This a/d converter is a linkage between the analog (linear) world of transducers and discreet. A/D Converter Circuit.
From www.seekic.com
8_BIT_D_A_WITH_OUTPUT_CURRENT_TO_VOLTAGE_CONVERSION AD_DA_Converter A/D Converter Circuit This a/d converter is a linkage between the analog (linear) world of transducers and discreet world of processing the signal and handling the data. This adc converter ic is also called parallel adc, which is the most widely used efficient adc in terms of its speed. An analog to digital converter (adc) is a very useful feature that converts an. A/D Converter Circuit.
From www.circuitdiagram.co
Simple A D Converter Circuit Diagram Circuit Diagram A/D Converter Circuit An analog to digital converter (adc) is a very useful feature that converts an analog voltage on a pin to a digital number. This adc converter ic is also called parallel adc, which is the most widely used efficient adc in terms of its speed. By converting from the analog world to the digital world, we can. This a/d converter. A/D Converter Circuit.
From www.seekic.com
ADC AD_converter AD_DA_Converter_Circuit Circuit Diagram A/D Converter Circuit This a/d converter is a linkage between the analog (linear) world of transducers and discreet world of processing the signal and handling the data. An analog to digital converter (adc) is a very useful feature that converts an analog voltage on a pin to a digital number. By converting from the analog world to the digital world, we can. The. A/D Converter Circuit.
From www.seekic.com
6800_interface_with_partial_address_decoding_for_A_D_converter Basic A/D Converter Circuit This a/d converter is a linkage between the analog (linear) world of transducers and discreet world of processing the signal and handling the data. The digital to analog converter. An analog to digital converter (adc) is a very useful feature that converts an analog voltage on a pin to a digital number. By converting from the analog world to the. A/D Converter Circuit.
From www.seekic.com
8_bit_D_A_converter_with_voltage_output_and_using_a_fixed_reference A A/D Converter Circuit This adc converter ic is also called parallel adc, which is the most widely used efficient adc in terms of its speed. An analog to digital converter (adc) is a very useful feature that converts an analog voltage on a pin to a digital number. The digital to analog converter. This a/d converter is a linkage between the analog (linear). A/D Converter Circuit.
From www.chegg.com
Solved (AD CONVERTER CIRCUIT) PLEASE HELP ME HOW TO A/D Converter Circuit By converting from the analog world to the digital world, we can. This a/d converter is a linkage between the analog (linear) world of transducers and discreet world of processing the signal and handling the data. An analog to digital converter (adc) is a very useful feature that converts an analog voltage on a pin to a digital number. The. A/D Converter Circuit.
From www.seekic.com
CMOS_A_D_converter_with_serial_output Basic_Circuit Circuit Diagram A/D Converter Circuit By converting from the analog world to the digital world, we can. This a/d converter is a linkage between the analog (linear) world of transducers and discreet world of processing the signal and handling the data. This adc converter ic is also called parallel adc, which is the most widely used efficient adc in terms of its speed. An analog. A/D Converter Circuit.
From www.seekic.com
Eight_10_bit_A_D_converters_multiplexed_with_the_6800_microprocessor A/D Converter Circuit The digital to analog converter. This a/d converter is a linkage between the analog (linear) world of transducers and discreet world of processing the signal and handling the data. By converting from the analog world to the digital world, we can. This adc converter ic is also called parallel adc, which is the most widely used efficient adc in terms. A/D Converter Circuit.
From www.seekic.com
A_D_converter Basic_Circuit Circuit Diagram A/D Converter Circuit By converting from the analog world to the digital world, we can. The digital to analog converter. This a/d converter is a linkage between the analog (linear) world of transducers and discreet world of processing the signal and handling the data. An analog to digital converter (adc) is a very useful feature that converts an analog voltage on a pin. A/D Converter Circuit.
From www.seekic.com
Microporoer_12_bit_A_D_converter AD_DA_Converter_Circuit Circuit A/D Converter Circuit An analog to digital converter (adc) is a very useful feature that converts an analog voltage on a pin to a digital number. This adc converter ic is also called parallel adc, which is the most widely used efficient adc in terms of its speed. This a/d converter is a linkage between the analog (linear) world of transducers and discreet. A/D Converter Circuit.
From www.seekic.com
A_D_converter_with_sample_and_hold_circuit_for_unipolar_operation_0_to A/D Converter Circuit This a/d converter is a linkage between the analog (linear) world of transducers and discreet world of processing the signal and handling the data. By converting from the analog world to the digital world, we can. An analog to digital converter (adc) is a very useful feature that converts an analog voltage on a pin to a digital number. The. A/D Converter Circuit.
From www.researchgate.net
Amplifier circuit and A/D converter circuit. Download Scientific Diagram A/D Converter Circuit The digital to analog converter. By converting from the analog world to the digital world, we can. This adc converter ic is also called parallel adc, which is the most widely used efficient adc in terms of its speed. An analog to digital converter (adc) is a very useful feature that converts an analog voltage on a pin to a. A/D Converter Circuit.
From www.youtube.com
Analog to Digital Converter Single Slope and Dual Slope ADC Explained A/D Converter Circuit The digital to analog converter. By converting from the analog world to the digital world, we can. An analog to digital converter (adc) is a very useful feature that converts an analog voltage on a pin to a digital number. This a/d converter is a linkage between the analog (linear) world of transducers and discreet world of processing the signal. A/D Converter Circuit.
From manualwiringtraci.z19.web.core.windows.net
Simple A D Converter Circuit Diagram A/D Converter Circuit By converting from the analog world to the digital world, we can. An analog to digital converter (adc) is a very useful feature that converts an analog voltage on a pin to a digital number. This adc converter ic is also called parallel adc, which is the most widely used efficient adc in terms of its speed. This a/d converter. A/D Converter Circuit.
From www.researchgate.net
shows the block diagram of a conventional flash A/D converter with A/D Converter Circuit This a/d converter is a linkage between the analog (linear) world of transducers and discreet world of processing the signal and handling the data. By converting from the analog world to the digital world, we can. The digital to analog converter. This adc converter ic is also called parallel adc, which is the most widely used efficient adc in terms. A/D Converter Circuit.
From www.researchgate.net
The block diagram of the fully parallel A/D Converter architecture A/D Converter Circuit This adc converter ic is also called parallel adc, which is the most widely used efficient adc in terms of its speed. The digital to analog converter. An analog to digital converter (adc) is a very useful feature that converts an analog voltage on a pin to a digital number. This a/d converter is a linkage between the analog (linear). A/D Converter Circuit.
From www.researchgate.net
A/D convert circuit Download Scientific Diagram A/D Converter Circuit The digital to analog converter. This adc converter ic is also called parallel adc, which is the most widely used efficient adc in terms of its speed. By converting from the analog world to the digital world, we can. An analog to digital converter (adc) is a very useful feature that converts an analog voltage on a pin to a. A/D Converter Circuit.
From www.seekic.com
Simple_fast_10_bit_A_D_converter AD_DA_Converter_Circuit Circuit A/D Converter Circuit The digital to analog converter. An analog to digital converter (adc) is a very useful feature that converts an analog voltage on a pin to a digital number. By converting from the analog world to the digital world, we can. This adc converter ic is also called parallel adc, which is the most widely used efficient adc in terms of. A/D Converter Circuit.
From www.seekic.com
FREQUENCY_TO_VOLTAGE_CONVERTERS AD_DA_Converter_Circuit Circuit A/D Converter Circuit The digital to analog converter. This adc converter ic is also called parallel adc, which is the most widely used efficient adc in terms of its speed. By converting from the analog world to the digital world, we can. This a/d converter is a linkage between the analog (linear) world of transducers and discreet world of processing the signal and. A/D Converter Circuit.
From www.researchgate.net
Schematic of an A/D converter. Download Scientific Diagram A/D Converter Circuit This adc converter ic is also called parallel adc, which is the most widely used efficient adc in terms of its speed. The digital to analog converter. By converting from the analog world to the digital world, we can. This a/d converter is a linkage between the analog (linear) world of transducers and discreet world of processing the signal and. A/D Converter Circuit.
From www.researchgate.net
A/D convert circuit Download Scientific Diagram A/D Converter Circuit This adc converter ic is also called parallel adc, which is the most widely used efficient adc in terms of its speed. An analog to digital converter (adc) is a very useful feature that converts an analog voltage on a pin to a digital number. This a/d converter is a linkage between the analog (linear) world of transducers and discreet. A/D Converter Circuit.
From www.circuitdiagram.co
A D Converter Circuit Diagram Circuit Diagram A/D Converter Circuit This a/d converter is a linkage between the analog (linear) world of transducers and discreet world of processing the signal and handling the data. This adc converter ic is also called parallel adc, which is the most widely used efficient adc in terms of its speed. By converting from the analog world to the digital world, we can. An analog. A/D Converter Circuit.
From www.circuitstoday.com
Monolithic/Hybrid Analog To Digital (A/D) Converter, Circuit Diagram A/D Converter Circuit The digital to analog converter. By converting from the analog world to the digital world, we can. This a/d converter is a linkage between the analog (linear) world of transducers and discreet world of processing the signal and handling the data. This adc converter ic is also called parallel adc, which is the most widely used efficient adc in terms. A/D Converter Circuit.
From www.emagtech.com
Advanced Tutorial Lesson 12 Exploring a 3Bit A/D Converter Circuit A/D Converter Circuit An analog to digital converter (adc) is a very useful feature that converts an analog voltage on a pin to a digital number. The digital to analog converter. This adc converter ic is also called parallel adc, which is the most widely used efficient adc in terms of its speed. This a/d converter is a linkage between the analog (linear). A/D Converter Circuit.
From www.seekic.com
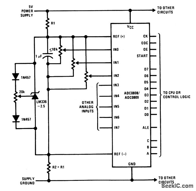
Ratiometric_A_D_converter_with_mid_supply_centered_reference Basic A/D Converter Circuit This a/d converter is a linkage between the analog (linear) world of transducers and discreet world of processing the signal and handling the data. This adc converter ic is also called parallel adc, which is the most widely used efficient adc in terms of its speed. The digital to analog converter. An analog to digital converter (adc) is a very. A/D Converter Circuit.
From www.eleccircuit.com
Analog To Digital Converter Circuit A/D Converter Circuit An analog to digital converter (adc) is a very useful feature that converts an analog voltage on a pin to a digital number. By converting from the analog world to the digital world, we can. This adc converter ic is also called parallel adc, which is the most widely used efficient adc in terms of its speed. This a/d converter. A/D Converter Circuit.
From www.seekic.com
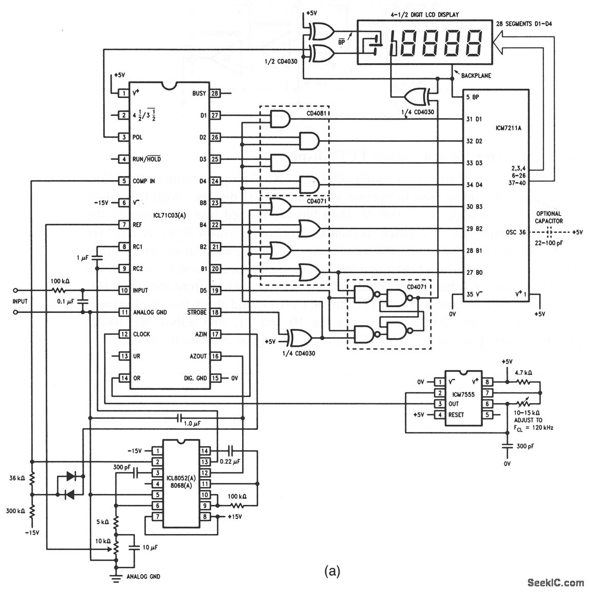
A_D_converter_for_a_41_2_digit_LCD_display Basic_Circuit Circuit A/D Converter Circuit By converting from the analog world to the digital world, we can. An analog to digital converter (adc) is a very useful feature that converts an analog voltage on a pin to a digital number. This adc converter ic is also called parallel adc, which is the most widely used efficient adc in terms of its speed. This a/d converter. A/D Converter Circuit.
From www.seekic.com
HIGH_SPEED_12_BIT_A_D_CONVERTER AD_converter AD_DA_Converter A/D Converter Circuit The digital to analog converter. This adc converter ic is also called parallel adc, which is the most widely used efficient adc in terms of its speed. An analog to digital converter (adc) is a very useful feature that converts an analog voltage on a pin to a digital number. This a/d converter is a linkage between the analog (linear). A/D Converter Circuit.
From www.researchgate.net
A/D converter block diagram. Download Scientific Diagram A/D Converter Circuit The digital to analog converter. By converting from the analog world to the digital world, we can. This adc converter ic is also called parallel adc, which is the most widely used efficient adc in terms of its speed. This a/d converter is a linkage between the analog (linear) world of transducers and discreet world of processing the signal and. A/D Converter Circuit.
From www.researchgate.net
The load cell connention to the amp and A/D converter circuit The HX711 A/D Converter Circuit The digital to analog converter. This a/d converter is a linkage between the analog (linear) world of transducers and discreet world of processing the signal and handling the data. This adc converter ic is also called parallel adc, which is the most widely used efficient adc in terms of its speed. An analog to digital converter (adc) is a very. A/D Converter Circuit.
From www.emagtech.com
Advanced Tutorial Lesson 12 Exploring a 3Bit A/D Converter Circuit A/D Converter Circuit The digital to analog converter. This a/d converter is a linkage between the analog (linear) world of transducers and discreet world of processing the signal and handling the data. An analog to digital converter (adc) is a very useful feature that converts an analog voltage on a pin to a digital number. By converting from the analog world to the. A/D Converter Circuit.
From www.researchgate.net
A/D converter circuit. Download Scientific Diagram A/D Converter Circuit This adc converter ic is also called parallel adc, which is the most widely used efficient adc in terms of its speed. By converting from the analog world to the digital world, we can. An analog to digital converter (adc) is a very useful feature that converts an analog voltage on a pin to a digital number. This a/d converter. A/D Converter Circuit.
From www.seekic.com
CMOS_A_D_converter_with__10_volt_reference AD_DA_Converter_Circuit A/D Converter Circuit This a/d converter is a linkage between the analog (linear) world of transducers and discreet world of processing the signal and handling the data. This adc converter ic is also called parallel adc, which is the most widely used efficient adc in terms of its speed. By converting from the analog world to the digital world, we can. The digital. A/D Converter Circuit.