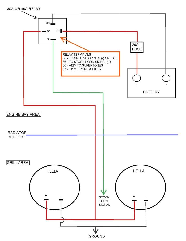
How To Install Hella Horns With Relay . I decided to cover the plug and some of the incoming wires with a layer of electrical tape. If the onboard wiring or safety features are not adequate, then it is imperative to change these in order that they comply with the new installation situation. As you can see in the photo below (one of the black wiring tubes is my hid relay), the subimods relay is. To use the relay you basically plug into the harness where one of the horns went to use as a trigger for the relay, when you press your horn. I kept trying to figure out how to splice directly into the wires from the horn button. I finally figured out that i just needed to use the stock horn wire from the horn. There are wires that go to each horn then one to.
from miryiamlale.blogspot.com
I finally figured out that i just needed to use the stock horn wire from the horn. I decided to cover the plug and some of the incoming wires with a layer of electrical tape. I kept trying to figure out how to splice directly into the wires from the horn button. There are wires that go to each horn then one to. To use the relay you basically plug into the harness where one of the horns went to use as a trigger for the relay, when you press your horn. As you can see in the photo below (one of the black wiring tubes is my hid relay), the subimods relay is. If the onboard wiring or safety features are not adequate, then it is imperative to change these in order that they comply with the new installation situation.
hella horn wiring diagram MiryiamLale
How To Install Hella Horns With Relay As you can see in the photo below (one of the black wiring tubes is my hid relay), the subimods relay is. To use the relay you basically plug into the harness where one of the horns went to use as a trigger for the relay, when you press your horn. I kept trying to figure out how to splice directly into the wires from the horn button. There are wires that go to each horn then one to. I finally figured out that i just needed to use the stock horn wire from the horn. If the onboard wiring or safety features are not adequate, then it is imperative to change these in order that they comply with the new installation situation. I decided to cover the plug and some of the incoming wires with a layer of electrical tape. As you can see in the photo below (one of the black wiring tubes is my hid relay), the subimods relay is.
From www.theautomotiveindia.com
Connecting A Horn Relay The Automotive India How To Install Hella Horns With Relay To use the relay you basically plug into the harness where one of the horns went to use as a trigger for the relay, when you press your horn. As you can see in the photo below (one of the black wiring tubes is my hid relay), the subimods relay is. I decided to cover the plug and some of. How To Install Hella Horns With Relay.
From schematiclistmoller.z19.web.core.windows.net
Train Horn Wiring Diagram How To Install Hella Horns With Relay I finally figured out that i just needed to use the stock horn wire from the horn. I decided to cover the plug and some of the incoming wires with a layer of electrical tape. To use the relay you basically plug into the harness where one of the horns went to use as a trigger for the relay, when. How To Install Hella Horns With Relay.
From elecdiags.com
How to Properly Wire a Car Horn Relay for Improved Performance How To Install Hella Horns With Relay There are wires that go to each horn then one to. To use the relay you basically plug into the harness where one of the horns went to use as a trigger for the relay, when you press your horn. As you can see in the photo below (one of the black wiring tubes is my hid relay), the subimods. How To Install Hella Horns With Relay.
From veevoerwtkfixengine.z13.web.core.windows.net
What Is A Horn Relay On A Car How To Install Hella Horns With Relay I kept trying to figure out how to splice directly into the wires from the horn button. To use the relay you basically plug into the harness where one of the horns went to use as a trigger for the relay, when you press your horn. I decided to cover the plug and some of the incoming wires with a. How To Install Hella Horns With Relay.
From guidedbterry.z21.web.core.windows.net
How Install Horn Wiring Diagram With Relay How To Install Hella Horns With Relay As you can see in the photo below (one of the black wiring tubes is my hid relay), the subimods relay is. There are wires that go to each horn then one to. I kept trying to figure out how to splice directly into the wires from the horn button. If the onboard wiring or safety features are not adequate,. How To Install Hella Horns With Relay.
From exoxjaczs.blob.core.windows.net
How To Install A Car Horn On A Bicycle at Rosa Russo blog How To Install Hella Horns With Relay There are wires that go to each horn then one to. As you can see in the photo below (one of the black wiring tubes is my hid relay), the subimods relay is. I kept trying to figure out how to splice directly into the wires from the horn button. I finally figured out that i just needed to use. How To Install Hella Horns With Relay.
From userpartmccarthy.z19.web.core.windows.net
How To Install Hella Horns With Relay How To Install Hella Horns With Relay If the onboard wiring or safety features are not adequate, then it is imperative to change these in order that they comply with the new installation situation. I decided to cover the plug and some of the incoming wires with a layer of electrical tape. I kept trying to figure out how to splice directly into the wires from the. How To Install Hella Horns With Relay.
From www.youtube.com
How to install Hella Horns YouTube How To Install Hella Horns With Relay If the onboard wiring or safety features are not adequate, then it is imperative to change these in order that they comply with the new installation situation. I kept trying to figure out how to splice directly into the wires from the horn button. There are wires that go to each horn then one to. I finally figured out that. How To Install Hella Horns With Relay.
From www.got2bwireless.com
Hella Horn Wiring Diagram With Relay Collection How To Install Hella Horns With Relay To use the relay you basically plug into the harness where one of the horns went to use as a trigger for the relay, when you press your horn. I finally figured out that i just needed to use the stock horn wire from the horn. There are wires that go to each horn then one to. If the onboard. How To Install Hella Horns With Relay.
From diagramenginesublation.z14.web.core.windows.net
How To Install Hella Horns With Relay How To Install Hella Horns With Relay If the onboard wiring or safety features are not adequate, then it is imperative to change these in order that they comply with the new installation situation. As you can see in the photo below (one of the black wiring tubes is my hid relay), the subimods relay is. To use the relay you basically plug into the harness where. How To Install Hella Horns With Relay.
From controlpanel.netlify.app
3 Pin Horn Relay Wiring Diagram How To Install Hella Horns With Relay I kept trying to figure out how to splice directly into the wires from the horn button. I finally figured out that i just needed to use the stock horn wire from the horn. As you can see in the photo below (one of the black wiring tubes is my hid relay), the subimods relay is. I decided to cover. How To Install Hella Horns With Relay.
From www.youtube.com
Hella Supertone/New Car Horn Install (With Relay) 2005 Toyota Camry How To Install Hella Horns With Relay I finally figured out that i just needed to use the stock horn wire from the horn. If the onboard wiring or safety features are not adequate, then it is imperative to change these in order that they comply with the new installation situation. As you can see in the photo below (one of the black wiring tubes is my. How To Install Hella Horns With Relay.
From www.youtube.com
How to Install Hella Horns on a 20032008 Subaru Forester (Second How To Install Hella Horns With Relay There are wires that go to each horn then one to. To use the relay you basically plug into the harness where one of the horns went to use as a trigger for the relay, when you press your horn. As you can see in the photo below (one of the black wiring tubes is my hid relay), the subimods. How To Install Hella Horns With Relay.
From www.carid.com
Hella® Horn Relay How To Install Hella Horns With Relay As you can see in the photo below (one of the black wiring tubes is my hid relay), the subimods relay is. To use the relay you basically plug into the harness where one of the horns went to use as a trigger for the relay, when you press your horn. There are wires that go to each horn then. How To Install Hella Horns With Relay.
From www.youtube.com
How to install Hella horns for Subaru Forester SH V95 YouTube How To Install Hella Horns With Relay I decided to cover the plug and some of the incoming wires with a layer of electrical tape. I kept trying to figure out how to splice directly into the wires from the horn button. As you can see in the photo below (one of the black wiring tubes is my hid relay), the subimods relay is. I finally figured. How To Install Hella Horns With Relay.
From schematicfixemmanuel.z19.web.core.windows.net
Hella Car Horn Wiring Diagram How To Install Hella Horns With Relay I finally figured out that i just needed to use the stock horn wire from the horn. I kept trying to figure out how to splice directly into the wires from the horn button. I decided to cover the plug and some of the incoming wires with a layer of electrical tape. There are wires that go to each horn. How To Install Hella Horns With Relay.
From diagramenginesublation.z14.web.core.windows.net
How To Install Hella Horns With Relay How To Install Hella Horns With Relay There are wires that go to each horn then one to. I finally figured out that i just needed to use the stock horn wire from the horn. To use the relay you basically plug into the harness where one of the horns went to use as a trigger for the relay, when you press your horn. As you can. How To Install Hella Horns With Relay.
From www.clubwrx.net
Hella horn install 2002 wrx using stock wiring Subaru WRX Forum How To Install Hella Horns With Relay If the onboard wiring or safety features are not adequate, then it is imperative to change these in order that they comply with the new installation situation. I finally figured out that i just needed to use the stock horn wire from the horn. To use the relay you basically plug into the harness where one of the horns went. How To Install Hella Horns With Relay.
From www.youtube.com
How to install Hella Horns and OLM DLRs on an STI YouTube How To Install Hella Horns With Relay There are wires that go to each horn then one to. To use the relay you basically plug into the harness where one of the horns went to use as a trigger for the relay, when you press your horn. As you can see in the photo below (one of the black wiring tubes is my hid relay), the subimods. How To Install Hella Horns With Relay.
From it-recruitment-house.blogspot.com
[View 24+] Hella Horn Wiring Diagram With Relay Recruitment House How To Install Hella Horns With Relay To use the relay you basically plug into the harness where one of the horns went to use as a trigger for the relay, when you press your horn. I decided to cover the plug and some of the incoming wires with a layer of electrical tape. As you can see in the photo below (one of the black wiring. How To Install Hella Horns With Relay.
From www.1aauto.com
How to Install HELLA Horns 201014 Subaru Outback 1A Auto How To Install Hella Horns With Relay If the onboard wiring or safety features are not adequate, then it is imperative to change these in order that they comply with the new installation situation. As you can see in the photo below (one of the black wiring tubes is my hid relay), the subimods relay is. There are wires that go to each horn then one to.. How To Install Hella Horns With Relay.
From radiowiring.blogspot.com
55 Lovely Hella Horn Relay Wiring Diagram How To Install Hella Horns With Relay There are wires that go to each horn then one to. If the onboard wiring or safety features are not adequate, then it is imperative to change these in order that they comply with the new installation situation. To use the relay you basically plug into the harness where one of the horns went to use as a trigger for. How To Install Hella Horns With Relay.
From www.scoobynet.com
relay for hella horns Subaru Enthusiast Forum How To Install Hella Horns With Relay I decided to cover the plug and some of the incoming wires with a layer of electrical tape. To use the relay you basically plug into the harness where one of the horns went to use as a trigger for the relay, when you press your horn. As you can see in the photo below (one of the black wiring. How To Install Hella Horns With Relay.
From www.youtube.com
How to Wire and Install Hella Horns YouTube How To Install Hella Horns With Relay I decided to cover the plug and some of the incoming wires with a layer of electrical tape. To use the relay you basically plug into the harness where one of the horns went to use as a trigger for the relay, when you press your horn. There are wires that go to each horn then one to. If the. How To Install Hella Horns With Relay.
From www.youtube.com
How to Install Hella Supertone Horns on a Mercedes Sprinter Van YouTube How To Install Hella Horns With Relay I finally figured out that i just needed to use the stock horn wire from the horn. To use the relay you basically plug into the harness where one of the horns went to use as a trigger for the relay, when you press your horn. There are wires that go to each horn then one to. I kept trying. How To Install Hella Horns With Relay.
From www.youtube.com
How to Install Hella Horns on Subaru WRX Hella Sharptone Horn Kit W How To Install Hella Horns With Relay As you can see in the photo below (one of the black wiring tubes is my hid relay), the subimods relay is. To use the relay you basically plug into the harness where one of the horns went to use as a trigger for the relay, when you press your horn. If the onboard wiring or safety features are not. How To Install Hella Horns With Relay.
From www.youtube.com
How To Install Hella Horns MG ZR 1.8T Project MG ZR YouTube How To Install Hella Horns With Relay If the onboard wiring or safety features are not adequate, then it is imperative to change these in order that they comply with the new installation situation. As you can see in the photo below (one of the black wiring tubes is my hid relay), the subimods relay is. I finally figured out that i just needed to use the. How To Install Hella Horns With Relay.
From miryiamlale.blogspot.com
hella horn wiring diagram MiryiamLale How To Install Hella Horns With Relay I finally figured out that i just needed to use the stock horn wire from the horn. If the onboard wiring or safety features are not adequate, then it is imperative to change these in order that they comply with the new installation situation. I decided to cover the plug and some of the incoming wires with a layer of. How To Install Hella Horns With Relay.
From www.focusst.org
Hella horn installation How To Install Hella Horns With Relay I kept trying to figure out how to splice directly into the wires from the horn button. If the onboard wiring or safety features are not adequate, then it is imperative to change these in order that they comply with the new installation situation. To use the relay you basically plug into the harness where one of the horns went. How To Install Hella Horns With Relay.
From toolsweek.com
How to Wire a Horn Relay (5Step Guide) How To Install Hella Horns With Relay If the onboard wiring or safety features are not adequate, then it is imperative to change these in order that they comply with the new installation situation. I decided to cover the plug and some of the incoming wires with a layer of electrical tape. There are wires that go to each horn then one to. To use the relay. How To Install Hella Horns With Relay.
From www.maperformance.com
How to Install HELLA Horns on Subaru WRX Installation Video Modern How To Install Hella Horns With Relay As you can see in the photo below (one of the black wiring tubes is my hid relay), the subimods relay is. I finally figured out that i just needed to use the stock horn wire from the horn. I kept trying to figure out how to splice directly into the wires from the horn button. There are wires that. How To Install Hella Horns With Relay.
From www.youtube.com
Hella Twin Trumpet horn install on a Honda CBR600RR motorcycle YouTube How To Install Hella Horns With Relay As you can see in the photo below (one of the black wiring tubes is my hid relay), the subimods relay is. I decided to cover the plug and some of the incoming wires with a layer of electrical tape. I finally figured out that i just needed to use the stock horn wire from the horn. There are wires. How To Install Hella Horns With Relay.
From www.joe250.com
Hella Supertone Install How To Install Hella Horns With Relay I decided to cover the plug and some of the incoming wires with a layer of electrical tape. To use the relay you basically plug into the harness where one of the horns went to use as a trigger for the relay, when you press your horn. As you can see in the photo below (one of the black wiring. How To Install Hella Horns With Relay.
From wiredatapfeffer.z19.web.core.windows.net
Horn Wiring Diagram With A Relay How To Install Hella Horns With Relay I kept trying to figure out how to splice directly into the wires from the horn button. There are wires that go to each horn then one to. I finally figured out that i just needed to use the stock horn wire from the horn. If the onboard wiring or safety features are not adequate, then it is imperative to. How To Install Hella Horns With Relay.
From www.rav4gen5.com
How to Install Hella Horns on the 2019 2020 Toyota Rav4 Toyota Rav4 How To Install Hella Horns With Relay I decided to cover the plug and some of the incoming wires with a layer of electrical tape. There are wires that go to each horn then one to. If the onboard wiring or safety features are not adequate, then it is imperative to change these in order that they comply with the new installation situation. I finally figured out. How To Install Hella Horns With Relay.