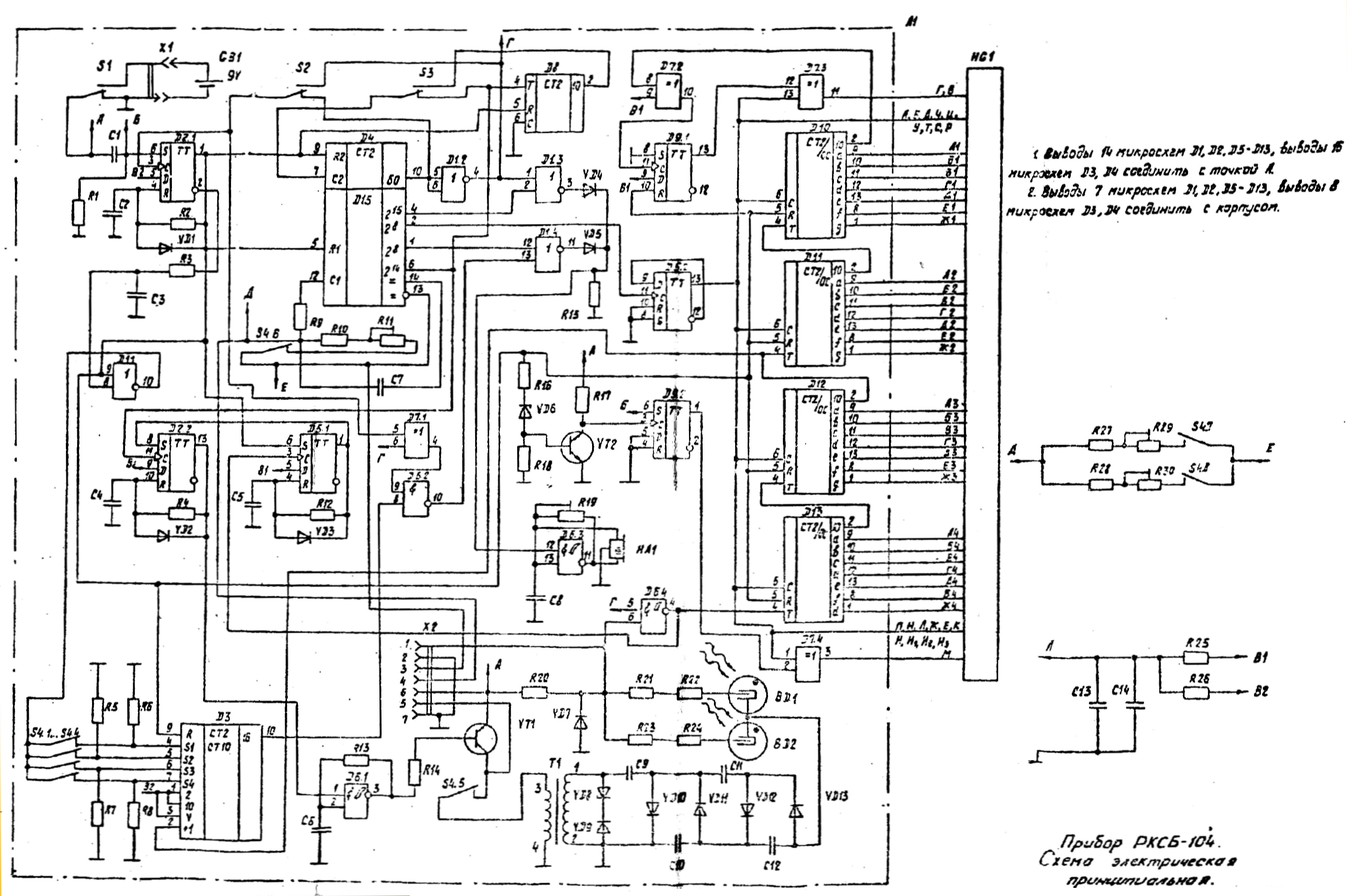
Geiger Counter Diagram . a block diagram for the gm counter you will be building is given above. The parts needed are shown in figure 7 and parts lists broken down by subassembly are. during lab periods, students build their own geiger counter, and then characterize their counter, the background radiation in the. The purposes of these blocks are as follows: the circuit diagram is shown in figure 6.
from userlistfinkel.z19.web.core.windows.net
the circuit diagram is shown in figure 6. during lab periods, students build their own geiger counter, and then characterize their counter, the background radiation in the. a block diagram for the gm counter you will be building is given above. The parts needed are shown in figure 7 and parts lists broken down by subassembly are. The purposes of these blocks are as follows:
Geiger Counter Circuit Diagram
Geiger Counter Diagram the circuit diagram is shown in figure 6. the circuit diagram is shown in figure 6. The purposes of these blocks are as follows: a block diagram for the gm counter you will be building is given above. during lab periods, students build their own geiger counter, and then characterize their counter, the background radiation in the. The parts needed are shown in figure 7 and parts lists broken down by subassembly are.
From byjus.com
Geiger Counter Principle, Units and Types of Geiger Counter Physics Geiger Counter Diagram The parts needed are shown in figure 7 and parts lists broken down by subassembly are. a block diagram for the gm counter you will be building is given above. The purposes of these blocks are as follows: during lab periods, students build their own geiger counter, and then characterize their counter, the background radiation in the. . Geiger Counter Diagram.
From proper-cooking.info
Geiger Counter Diagram Geiger Counter Diagram during lab periods, students build their own geiger counter, and then characterize their counter, the background radiation in the. a block diagram for the gm counter you will be building is given above. The purposes of these blocks are as follows: The parts needed are shown in figure 7 and parts lists broken down by subassembly are. . Geiger Counter Diagram.
From www.bristolwatch.com
Introduction to GeigerMueller Tubes and Electronics Geiger Counter Diagram a block diagram for the gm counter you will be building is given above. the circuit diagram is shown in figure 6. The purposes of these blocks are as follows: The parts needed are shown in figure 7 and parts lists broken down by subassembly are. during lab periods, students build their own geiger counter, and then. Geiger Counter Diagram.
From www.seekic.com
Basic Geiger counters Basic_Circuit Circuit Diagram Geiger Counter Diagram The purposes of these blocks are as follows: a block diagram for the gm counter you will be building is given above. The parts needed are shown in figure 7 and parts lists broken down by subassembly are. during lab periods, students build their own geiger counter, and then characterize their counter, the background radiation in the. . Geiger Counter Diagram.
From diy-laboratory.blogspot.com
DIY Electronics Arduino DIY Geiger Counter Kit by BroHogan Geiger Counter Diagram a block diagram for the gm counter you will be building is given above. during lab periods, students build their own geiger counter, and then characterize their counter, the background radiation in the. The parts needed are shown in figure 7 and parts lists broken down by subassembly are. the circuit diagram is shown in figure 6.. Geiger Counter Diagram.
From www.youtube.com
Geiger Muller (GM) Counter Construction and working YouTube Geiger Counter Diagram The parts needed are shown in figure 7 and parts lists broken down by subassembly are. during lab periods, students build their own geiger counter, and then characterize their counter, the background radiation in the. a block diagram for the gm counter you will be building is given above. the circuit diagram is shown in figure 6.. Geiger Counter Diagram.
From hforsten.com
I made a Geiger counter Henrik's Blog Geiger Counter Diagram a block diagram for the gm counter you will be building is given above. the circuit diagram is shown in figure 6. The purposes of these blocks are as follows: during lab periods, students build their own geiger counter, and then characterize their counter, the background radiation in the. The parts needed are shown in figure 7. Geiger Counter Diagram.
From www.electronics-lab.com
Geiger counter with SBM20 tube ElectronicsLab Geiger Counter Diagram a block diagram for the gm counter you will be building is given above. the circuit diagram is shown in figure 6. The purposes of these blocks are as follows: during lab periods, students build their own geiger counter, and then characterize their counter, the background radiation in the. The parts needed are shown in figure 7. Geiger Counter Diagram.
From manualdatawolf.z19.web.core.windows.net
Geiger Counter Circuit Diagram Geiger Counter Diagram The purposes of these blocks are as follows: a block diagram for the gm counter you will be building is given above. during lab periods, students build their own geiger counter, and then characterize their counter, the background radiation in the. The parts needed are shown in figure 7 and parts lists broken down by subassembly are. . Geiger Counter Diagram.
From www.next.gr
Geiger counter under Repositorycircuits 40008 Next.gr Geiger Counter Diagram a block diagram for the gm counter you will be building is given above. the circuit diagram is shown in figure 6. The purposes of these blocks are as follows: during lab periods, students build their own geiger counter, and then characterize their counter, the background radiation in the. The parts needed are shown in figure 7. Geiger Counter Diagram.
From www.seekic.com
GEIGER_COUNTER_I Control_Circuit Circuit Diagram Geiger Counter Diagram a block diagram for the gm counter you will be building is given above. The parts needed are shown in figure 7 and parts lists broken down by subassembly are. the circuit diagram is shown in figure 6. The purposes of these blocks are as follows: during lab periods, students build their own geiger counter, and then. Geiger Counter Diagram.
From techlib.com
Geiger Counter Circuits Geiger Counter Diagram during lab periods, students build their own geiger counter, and then characterize their counter, the background radiation in the. the circuit diagram is shown in figure 6. a block diagram for the gm counter you will be building is given above. The parts needed are shown in figure 7 and parts lists broken down by subassembly are.. Geiger Counter Diagram.
From fixwiringtom88.z13.web.core.windows.net
Circuit Diagram Of Gm Counter Geiger Counter Diagram the circuit diagram is shown in figure 6. The parts needed are shown in figure 7 and parts lists broken down by subassembly are. during lab periods, students build their own geiger counter, and then characterize their counter, the background radiation in the. The purposes of these blocks are as follows: a block diagram for the gm. Geiger Counter Diagram.
From chem.libretexts.org
17.3 Detecting Radioactivity Chemistry LibreTexts Geiger Counter Diagram The purposes of these blocks are as follows: The parts needed are shown in figure 7 and parts lists broken down by subassembly are. during lab periods, students build their own geiger counter, and then characterize their counter, the background radiation in the. a block diagram for the gm counter you will be building is given above. . Geiger Counter Diagram.
From robhosking.com
13+ Geiger Counter Schematic Robhosking Diagram Geiger Counter Diagram the circuit diagram is shown in figure 6. The purposes of these blocks are as follows: a block diagram for the gm counter you will be building is given above. during lab periods, students build their own geiger counter, and then characterize their counter, the background radiation in the. The parts needed are shown in figure 7. Geiger Counter Diagram.
From www.circuitdiagram.co
Geiger Counter Circuit Diagram Circuit Diagram Geiger Counter Diagram the circuit diagram is shown in figure 6. a block diagram for the gm counter you will be building is given above. The purposes of these blocks are as follows: The parts needed are shown in figure 7 and parts lists broken down by subassembly are. during lab periods, students build their own geiger counter, and then. Geiger Counter Diagram.
From pigeonsnest.co.uk
Geiger Counter Geiger Counter Diagram The purposes of these blocks are as follows: during lab periods, students build their own geiger counter, and then characterize their counter, the background radiation in the. the circuit diagram is shown in figure 6. a block diagram for the gm counter you will be building is given above. The parts needed are shown in figure 7. Geiger Counter Diagram.
From www.pinterest.com
Geigermuller counter Radiation detectors, Beta particle, Radiation Geiger Counter Diagram during lab periods, students build their own geiger counter, and then characterize their counter, the background radiation in the. a block diagram for the gm counter you will be building is given above. the circuit diagram is shown in figure 6. The parts needed are shown in figure 7 and parts lists broken down by subassembly are.. Geiger Counter Diagram.
From www.rhunt.f9.co.uk
Index of /Electronics/Geiger Geiger Counter Diagram The parts needed are shown in figure 7 and parts lists broken down by subassembly are. a block diagram for the gm counter you will be building is given above. The purposes of these blocks are as follows: the circuit diagram is shown in figure 6. during lab periods, students build their own geiger counter, and then. Geiger Counter Diagram.
From www.radiolocman.com
How to build a Geiger counter (radiation detector) with USB capable Geiger Counter Diagram during lab periods, students build their own geiger counter, and then characterize their counter, the background radiation in the. The purposes of these blocks are as follows: a block diagram for the gm counter you will be building is given above. The parts needed are shown in figure 7 and parts lists broken down by subassembly are. . Geiger Counter Diagram.
From userlistfinkel.z19.web.core.windows.net
Geiger Counter Circuit Diagram Geiger Counter Diagram a block diagram for the gm counter you will be building is given above. during lab periods, students build their own geiger counter, and then characterize their counter, the background radiation in the. the circuit diagram is shown in figure 6. The parts needed are shown in figure 7 and parts lists broken down by subassembly are.. Geiger Counter Diagram.
From robhosking.com
13+ Geiger Counter Schematic Robhosking Diagram Geiger Counter Diagram the circuit diagram is shown in figure 6. during lab periods, students build their own geiger counter, and then characterize their counter, the background radiation in the. a block diagram for the gm counter you will be building is given above. The purposes of these blocks are as follows: The parts needed are shown in figure 7. Geiger Counter Diagram.
From www.fullyinstrumented.com
How Does A Geiger Counter Work? FullyInstrumented Geiger Counter Diagram a block diagram for the gm counter you will be building is given above. The parts needed are shown in figure 7 and parts lists broken down by subassembly are. the circuit diagram is shown in figure 6. The purposes of these blocks are as follows: during lab periods, students build their own geiger counter, and then. Geiger Counter Diagram.
From ar.inspiredpencil.com
Geiger Counter Diagram Geiger Counter Diagram The purposes of these blocks are as follows: The parts needed are shown in figure 7 and parts lists broken down by subassembly are. the circuit diagram is shown in figure 6. during lab periods, students build their own geiger counter, and then characterize their counter, the background radiation in the. a block diagram for the gm. Geiger Counter Diagram.
From www.imagesco.com
Geiger Counter Schematics DIY Geiger Counter Page 4 Geiger Counter Diagram a block diagram for the gm counter you will be building is given above. The purposes of these blocks are as follows: The parts needed are shown in figure 7 and parts lists broken down by subassembly are. during lab periods, students build their own geiger counter, and then characterize their counter, the background radiation in the. . Geiger Counter Diagram.
From ar.inspiredpencil.com
Geiger Counter Diagram Geiger Counter Diagram The parts needed are shown in figure 7 and parts lists broken down by subassembly are. The purposes of these blocks are as follows: during lab periods, students build their own geiger counter, and then characterize their counter, the background radiation in the. the circuit diagram is shown in figure 6. a block diagram for the gm. Geiger Counter Diagram.
From ar.inspiredpencil.com
Geiger Counter Diagram Geiger Counter Diagram a block diagram for the gm counter you will be building is given above. The purposes of these blocks are as follows: The parts needed are shown in figure 7 and parts lists broken down by subassembly are. during lab periods, students build their own geiger counter, and then characterize their counter, the background radiation in the. . Geiger Counter Diagram.
From mightyohm.com
Improved Geiger Counter Assembly Instructions MightyOhm Geiger Counter Diagram during lab periods, students build their own geiger counter, and then characterize their counter, the background radiation in the. a block diagram for the gm counter you will be building is given above. The purposes of these blocks are as follows: The parts needed are shown in figure 7 and parts lists broken down by subassembly are. . Geiger Counter Diagram.
From www.electronics-lab.com
€15 IoT Geiger Counter using ESP8266 Geiger Counter Diagram the circuit diagram is shown in figure 6. The purposes of these blocks are as follows: a block diagram for the gm counter you will be building is given above. during lab periods, students build their own geiger counter, and then characterize their counter, the background radiation in the. The parts needed are shown in figure 7. Geiger Counter Diagram.
From www.instructables.com
Simplest Geiger Counter 7 Steps (with Pictures) Instructables Geiger Counter Diagram a block diagram for the gm counter you will be building is given above. The purposes of these blocks are as follows: the circuit diagram is shown in figure 6. The parts needed are shown in figure 7 and parts lists broken down by subassembly are. during lab periods, students build their own geiger counter, and then. Geiger Counter Diagram.
From schematicsnapback.z13.web.core.windows.net
Geiger Muller Counter Diagram Geiger Counter Diagram The parts needed are shown in figure 7 and parts lists broken down by subassembly are. during lab periods, students build their own geiger counter, and then characterize their counter, the background radiation in the. the circuit diagram is shown in figure 6. The purposes of these blocks are as follows: a block diagram for the gm. Geiger Counter Diagram.
From www.imagesco.com
How Geiger Counters Work Geiger Counter Diagram the circuit diagram is shown in figure 6. The parts needed are shown in figure 7 and parts lists broken down by subassembly are. The purposes of these blocks are as follows: during lab periods, students build their own geiger counter, and then characterize their counter, the background radiation in the. a block diagram for the gm. Geiger Counter Diagram.
From kidstalkradiomathematics.wordpress.com
What Is A Geiger Counter And How Does It Work? Kids Talk Radio Space Geiger Counter Diagram The purposes of these blocks are as follows: The parts needed are shown in figure 7 and parts lists broken down by subassembly are. during lab periods, students build their own geiger counter, and then characterize their counter, the background radiation in the. the circuit diagram is shown in figure 6. a block diagram for the gm. Geiger Counter Diagram.
From pocketmagic.net
DIY/Homemade Geiger Muller Digital Counter V3 PocketMagic Geiger Counter Diagram the circuit diagram is shown in figure 6. during lab periods, students build their own geiger counter, and then characterize their counter, the background radiation in the. The purposes of these blocks are as follows: a block diagram for the gm counter you will be building is given above. The parts needed are shown in figure 7. Geiger Counter Diagram.
From colinjs.com
Build a Geiger Counter and Ratemeter Geiger Counter Diagram during lab periods, students build their own geiger counter, and then characterize their counter, the background radiation in the. the circuit diagram is shown in figure 6. The purposes of these blocks are as follows: a block diagram for the gm counter you will be building is given above. The parts needed are shown in figure 7. Geiger Counter Diagram.