What Does A Flashing Battery Light Mean . what does it mean when the battery light comes on? the infamous red battery light flashing on your dashboard primarily indicates potential issues with your. a blinking battery light can indicate that it’s time to replace your car battery with a new one. if your battery light is on but your car still runs, you may have loose or corroded battery cables, or there are issues with the alternator or voltage. what’s the first thing to do when the battery light comes on? It’s the battery light, and. It means there’s an issue with the vehicle’s charging system, which includes the. as you’re driving down the highway, you notice a faint blinking light on your dashboard.
from www.slideserve.com
what does it mean when the battery light comes on? if your battery light is on but your car still runs, you may have loose or corroded battery cables, or there are issues with the alternator or voltage. as you’re driving down the highway, you notice a faint blinking light on your dashboard. what’s the first thing to do when the battery light comes on? the infamous red battery light flashing on your dashboard primarily indicates potential issues with your. It’s the battery light, and. It means there’s an issue with the vehicle’s charging system, which includes the. a blinking battery light can indicate that it’s time to replace your car battery with a new one.
PPT What Does The Battery Light Mean On Your BMW & What To Do When It
What Does A Flashing Battery Light Mean what’s the first thing to do when the battery light comes on? if your battery light is on but your car still runs, you may have loose or corroded battery cables, or there are issues with the alternator or voltage. what’s the first thing to do when the battery light comes on? It means there’s an issue with the vehicle’s charging system, which includes the. a blinking battery light can indicate that it’s time to replace your car battery with a new one. what does it mean when the battery light comes on? the infamous red battery light flashing on your dashboard primarily indicates potential issues with your. It’s the battery light, and. as you’re driving down the highway, you notice a faint blinking light on your dashboard.
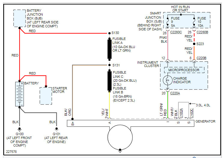
From www.2carpros.com
Flashing Battery Light Battery Light Flashing Going Down Road. What Does A Flashing Battery Light Mean as you’re driving down the highway, you notice a faint blinking light on your dashboard. what does it mean when the battery light comes on? if your battery light is on but your car still runs, you may have loose or corroded battery cables, or there are issues with the alternator or voltage. It’s the battery light,. What Does A Flashing Battery Light Mean.
From cedxlwqk.blob.core.windows.net
What Does A Flashing Red Light Mean On A Carbon Monoxide Detector at What Does A Flashing Battery Light Mean as you’re driving down the highway, you notice a faint blinking light on your dashboard. the infamous red battery light flashing on your dashboard primarily indicates potential issues with your. a blinking battery light can indicate that it’s time to replace your car battery with a new one. It’s the battery light, and. what does it. What Does A Flashing Battery Light Mean.
From homeminimalisite.com
Why Do I See A Flashing Of Light When Blink Cameras On The Wall What Does A Flashing Battery Light Mean as you’re driving down the highway, you notice a faint blinking light on your dashboard. a blinking battery light can indicate that it’s time to replace your car battery with a new one. It means there’s an issue with the vehicle’s charging system, which includes the. what’s the first thing to do when the battery light comes. What Does A Flashing Battery Light Mean.
From www.legacybidder.com
Flashing battery lights Legacy Auction Company What Does A Flashing Battery Light Mean It’s the battery light, and. as you’re driving down the highway, you notice a faint blinking light on your dashboard. the infamous red battery light flashing on your dashboard primarily indicates potential issues with your. It means there’s an issue with the vehicle’s charging system, which includes the. what’s the first thing to do when the battery. What Does A Flashing Battery Light Mean.
From homeminimalisite.com
What Does A Flickering Battery Light Mean What Does A Flashing Battery Light Mean what’s the first thing to do when the battery light comes on? if your battery light is on but your car still runs, you may have loose or corroded battery cables, or there are issues with the alternator or voltage. what does it mean when the battery light comes on? It means there’s an issue with the. What Does A Flashing Battery Light Mean.
From garagebananowo6xy.z13.web.core.windows.net
Why Is My Battery Light Flashing What Does A Flashing Battery Light Mean It’s the battery light, and. the infamous red battery light flashing on your dashboard primarily indicates potential issues with your. a blinking battery light can indicate that it’s time to replace your car battery with a new one. if your battery light is on but your car still runs, you may have loose or corroded battery cables,. What Does A Flashing Battery Light Mean.
From hxemvcwmj.blob.core.windows.net
A Flashing Yellow Light Means Stop And Proceed With Caution at Earl What Does A Flashing Battery Light Mean as you’re driving down the highway, you notice a faint blinking light on your dashboard. what does it mean when the battery light comes on? the infamous red battery light flashing on your dashboard primarily indicates potential issues with your. It’s the battery light, and. if your battery light is on but your car still runs,. What Does A Flashing Battery Light Mean.
From homeminimalisite.com
What Does It Mean When The Battery Light Comes On Then Goes Off What Does A Flashing Battery Light Mean It’s the battery light, and. as you’re driving down the highway, you notice a faint blinking light on your dashboard. It means there’s an issue with the vehicle’s charging system, which includes the. the infamous red battery light flashing on your dashboard primarily indicates potential issues with your. if your battery light is on but your car. What Does A Flashing Battery Light Mean.
From www.youtube.com
Red Battery Light On? 5 Common Causes & How To Fix It YouTube What Does A Flashing Battery Light Mean a blinking battery light can indicate that it’s time to replace your car battery with a new one. what does it mean when the battery light comes on? what’s the first thing to do when the battery light comes on? as you’re driving down the highway, you notice a faint blinking light on your dashboard. . What Does A Flashing Battery Light Mean.
From americanwarmoms.org
A Flashing Red Light At An Intersection Means Quizlet What Does A Flashing Battery Light Mean It means there’s an issue with the vehicle’s charging system, which includes the. what’s the first thing to do when the battery light comes on? a blinking battery light can indicate that it’s time to replace your car battery with a new one. It’s the battery light, and. if your battery light is on but your car. What Does A Flashing Battery Light Mean.
From dxogwmksk.blob.core.windows.net
Milwaukee Battery Charger Flashing Green Light at Owen Burke blog What Does A Flashing Battery Light Mean what does it mean when the battery light comes on? as you’re driving down the highway, you notice a faint blinking light on your dashboard. if your battery light is on but your car still runs, you may have loose or corroded battery cables, or there are issues with the alternator or voltage. It’s the battery light,. What Does A Flashing Battery Light Mean.
From cedxlwqk.blob.core.windows.net
What Does A Flashing Red Light Mean On A Carbon Monoxide Detector at What Does A Flashing Battery Light Mean as you’re driving down the highway, you notice a faint blinking light on your dashboard. It’s the battery light, and. if your battery light is on but your car still runs, you may have loose or corroded battery cables, or there are issues with the alternator or voltage. what’s the first thing to do when the battery. What Does A Flashing Battery Light Mean.
From workshopddrfordinneru3x.z19.web.core.windows.net
Why Is My Battery Light Flashing What Does A Flashing Battery Light Mean a blinking battery light can indicate that it’s time to replace your car battery with a new one. It means there’s an issue with the vehicle’s charging system, which includes the. as you’re driving down the highway, you notice a faint blinking light on your dashboard. what does it mean when the battery light comes on? It’s. What Does A Flashing Battery Light Mean.
From cedxlwqk.blob.core.windows.net
What Does A Flashing Red Light Mean On A Carbon Monoxide Detector at What Does A Flashing Battery Light Mean It means there’s an issue with the vehicle’s charging system, which includes the. if your battery light is on but your car still runs, you may have loose or corroded battery cables, or there are issues with the alternator or voltage. what’s the first thing to do when the battery light comes on? the infamous red battery. What Does A Flashing Battery Light Mean.
From cedxlwqk.blob.core.windows.net
What Does A Flashing Red Light Mean On A Carbon Monoxide Detector at What Does A Flashing Battery Light Mean the infamous red battery light flashing on your dashboard primarily indicates potential issues with your. if your battery light is on but your car still runs, you may have loose or corroded battery cables, or there are issues with the alternator or voltage. a blinking battery light can indicate that it’s time to replace your car battery. What Does A Flashing Battery Light Mean.
From mechanicwadloper2l5.z21.web.core.windows.net
Why Is My Battery Light Flashing What Does A Flashing Battery Light Mean what does it mean when the battery light comes on? the infamous red battery light flashing on your dashboard primarily indicates potential issues with your. It means there’s an issue with the vehicle’s charging system, which includes the. It’s the battery light, and. a blinking battery light can indicate that it’s time to replace your car battery. What Does A Flashing Battery Light Mean.
From exouvidyk.blob.core.windows.net
What Does A Flashing Light On A Smoke Alarm Mean at Corazon Lovette blog What Does A Flashing Battery Light Mean if your battery light is on but your car still runs, you may have loose or corroded battery cables, or there are issues with the alternator or voltage. a blinking battery light can indicate that it’s time to replace your car battery with a new one. It means there’s an issue with the vehicle’s charging system, which includes. What Does A Flashing Battery Light Mean.
From homeminimalisite.com
What Does Flashing Orange Light Mean On Hp Printer What Does A Flashing Battery Light Mean as you’re driving down the highway, you notice a faint blinking light on your dashboard. if your battery light is on but your car still runs, you may have loose or corroded battery cables, or there are issues with the alternator or voltage. It’s the battery light, and. what does it mean when the battery light comes. What Does A Flashing Battery Light Mean.
From www.slideserve.com
PPT What Does The Battery Light Mean On Your BMW & What To Do When It What Does A Flashing Battery Light Mean what’s the first thing to do when the battery light comes on? if your battery light is on but your car still runs, you may have loose or corroded battery cables, or there are issues with the alternator or voltage. It means there’s an issue with the vehicle’s charging system, which includes the. what does it mean. What Does A Flashing Battery Light Mean.
From homeminimalisite.com
Why Is My Battery Light On Iphone Blinking What Does A Flashing Battery Light Mean what does it mean when the battery light comes on? the infamous red battery light flashing on your dashboard primarily indicates potential issues with your. if your battery light is on but your car still runs, you may have loose or corroded battery cables, or there are issues with the alternator or voltage. a blinking battery. What Does A Flashing Battery Light Mean.
From exouvidyk.blob.core.windows.net
What Does A Flashing Light On A Smoke Alarm Mean at Corazon Lovette blog What Does A Flashing Battery Light Mean what does it mean when the battery light comes on? It means there’s an issue with the vehicle’s charging system, which includes the. what’s the first thing to do when the battery light comes on? the infamous red battery light flashing on your dashboard primarily indicates potential issues with your. It’s the battery light, and. a. What Does A Flashing Battery Light Mean.
From removeandreplace.com
Dyson Cordless Vacuum Has Flashing Lights What Does It Mean? What Does A Flashing Battery Light Mean the infamous red battery light flashing on your dashboard primarily indicates potential issues with your. what’s the first thing to do when the battery light comes on? It means there’s an issue with the vehicle’s charging system, which includes the. if your battery light is on but your car still runs, you may have loose or corroded. What Does A Flashing Battery Light Mean.
From exodnkboa.blob.core.windows.net
Does Battery Light Mean Alternator at Willie Duncan blog What Does A Flashing Battery Light Mean It’s the battery light, and. the infamous red battery light flashing on your dashboard primarily indicates potential issues with your. if your battery light is on but your car still runs, you may have loose or corroded battery cables, or there are issues with the alternator or voltage. It means there’s an issue with the vehicle’s charging system,. What Does A Flashing Battery Light Mean.
From exorwjwrt.blob.core.windows.net
What Does It Mean When Your Battery Charger Is Blinking Red at William What Does A Flashing Battery Light Mean as you’re driving down the highway, you notice a faint blinking light on your dashboard. if your battery light is on but your car still runs, you may have loose or corroded battery cables, or there are issues with the alternator or voltage. what’s the first thing to do when the battery light comes on? what. What Does A Flashing Battery Light Mean.
From fyoyzmzfn.blob.core.windows.net
Flashing Battery Light Peugeot 207 at Christina Dias blog What Does A Flashing Battery Light Mean the infamous red battery light flashing on your dashboard primarily indicates potential issues with your. what does it mean when the battery light comes on? as you’re driving down the highway, you notice a faint blinking light on your dashboard. It means there’s an issue with the vehicle’s charging system, which includes the. what’s the first. What Does A Flashing Battery Light Mean.
From www.slideserve.com
PPT What Does The Battery Light Mean On Your BMW & What To Do When It What Does A Flashing Battery Light Mean as you’re driving down the highway, you notice a faint blinking light on your dashboard. It means there’s an issue with the vehicle’s charging system, which includes the. the infamous red battery light flashing on your dashboard primarily indicates potential issues with your. if your battery light is on but your car still runs, you may have. What Does A Flashing Battery Light Mean.
From exynflkwp.blob.core.windows.net
What Does Flashing Lights But No Sirens Mean Police at David Hunley blog What Does A Flashing Battery Light Mean a blinking battery light can indicate that it’s time to replace your car battery with a new one. the infamous red battery light flashing on your dashboard primarily indicates potential issues with your. It means there’s an issue with the vehicle’s charging system, which includes the. what’s the first thing to do when the battery light comes. What Does A Flashing Battery Light Mean.
From www.2carpros.com
Rough Idle and Flashing Battery Light My Car Recently Started What Does A Flashing Battery Light Mean what does it mean when the battery light comes on? as you’re driving down the highway, you notice a faint blinking light on your dashboard. a blinking battery light can indicate that it’s time to replace your car battery with a new one. It means there’s an issue with the vehicle’s charging system, which includes the. . What Does A Flashing Battery Light Mean.
From exyzgtnbn.blob.core.windows.net
Why Is The Red Light Flashing On My Dyson at Justin Tapia blog What Does A Flashing Battery Light Mean if your battery light is on but your car still runs, you may have loose or corroded battery cables, or there are issues with the alternator or voltage. It means there’s an issue with the vehicle’s charging system, which includes the. as you’re driving down the highway, you notice a faint blinking light on your dashboard. It’s the. What Does A Flashing Battery Light Mean.
From www.slideserve.com
PPT What Does The Battery Light Mean On Your BMW & What To Do When It What Does A Flashing Battery Light Mean what does it mean when the battery light comes on? what’s the first thing to do when the battery light comes on? the infamous red battery light flashing on your dashboard primarily indicates potential issues with your. if your battery light is on but your car still runs, you may have loose or corroded battery cables,. What Does A Flashing Battery Light Mean.
From lystugg6ggaragerepair.z14.web.core.windows.net
Why Is My Battery Light Blinking What Does A Flashing Battery Light Mean as you’re driving down the highway, you notice a faint blinking light on your dashboard. the infamous red battery light flashing on your dashboard primarily indicates potential issues with your. if your battery light is on but your car still runs, you may have loose or corroded battery cables, or there are issues with the alternator or. What Does A Flashing Battery Light Mean.
From exovbubzr.blob.core.windows.net
What Does It Mean When Your Camera Is Flashing Red at Henry Guinn blog What Does A Flashing Battery Light Mean as you’re driving down the highway, you notice a faint blinking light on your dashboard. a blinking battery light can indicate that it’s time to replace your car battery with a new one. if your battery light is on but your car still runs, you may have loose or corroded battery cables, or there are issues with. What Does A Flashing Battery Light Mean.
From homeminimalisite.com
What Does Flashing Battery Light Mean On Laptop What Does A Flashing Battery Light Mean as you’re driving down the highway, you notice a faint blinking light on your dashboard. if your battery light is on but your car still runs, you may have loose or corroded battery cables, or there are issues with the alternator or voltage. the infamous red battery light flashing on your dashboard primarily indicates potential issues with. What Does A Flashing Battery Light Mean.
From www.2carpros.com
Rough Idle and Flashing Battery Light My Car Recently Started What Does A Flashing Battery Light Mean the infamous red battery light flashing on your dashboard primarily indicates potential issues with your. a blinking battery light can indicate that it’s time to replace your car battery with a new one. what does it mean when the battery light comes on? It’s the battery light, and. if your battery light is on but your. What Does A Flashing Battery Light Mean.
From fyoxifjii.blob.core.windows.net
Car Light Dash Meanings at Scott Driver blog What Does A Flashing Battery Light Mean a blinking battery light can indicate that it’s time to replace your car battery with a new one. if your battery light is on but your car still runs, you may have loose or corroded battery cables, or there are issues with the alternator or voltage. the infamous red battery light flashing on your dashboard primarily indicates. What Does A Flashing Battery Light Mean.