John Deere Combine Rotor Parts . Find parts & diagrams for your john deere equipment. Contact web order services at: View our john deere products. Variable stream rotor rear feed flight. Search our parts catalog, order parts online or contact your john deere dealer. Combineparts.com is your one stop for new combine and head parts. Worthington ag parts is an independent distributor of non. Red or green, old or new, we strive every day to have the best selection. All of these results mean more. Please take a look around and visit. Ah130570 aftermarket shaft, upper & lower tailings. For over 50 years, we've been providing customers with quality parts, including combine header parts, at the right price. Welcome to precision farm parts, inc. That means there’s less grain loss over the rotor and a cleaner sample in the hopper with less broken kernels. Ah169362 aftermarket radiator john deere combine.
from www.bigiron.com
Combineparts.com is your one stop for new combine and head parts. 10k+ visitors in the past month Contact web order services at: All of these results mean more. Red or green, old or new, we strive every day to have the best selection. For over 50 years, we've been providing customers with quality parts, including combine header parts, at the right price. Worthington ag parts is an independent distributor of non. Find parts & diagrams for your john deere equipment. Ah169362 aftermarket radiator john deere combine. Serrated blades knife kit, 8 quantity.
John Deere Combine Rotor Parts BigIron Auctions
John Deere Combine Rotor Parts Find parts & diagrams for your john deere equipment. Variable stream rotor rear feed flight. Ah130570 aftermarket shaft, upper & lower tailings. 10k+ visitors in the past month View our john deere products. Combineparts.com is your one stop for new combine and head parts. For over 50 years, we've been providing customers with quality parts, including combine header parts, at the right price. Red or green, old or new, we strive every day to have the best selection. Please take a look around and visit. Find parts & diagrams for your john deere equipment. Contact web order services at: Serrated blades knife kit, 8 quantity. Search our parts catalog, order parts online or contact your john deere dealer. Worthington ag parts is an independent distributor of non. Ah169362 aftermarket radiator john deere combine. All of these results mean more.
From 777parts.net
STRAW CHOPPER ROTOR AND SHEAVE [07C07] COMBINE John Deere 9500 John Deere Combine Rotor Parts Red or green, old or new, we strive every day to have the best selection. Find parts & diagrams for your john deere equipment. Search our parts catalog, order parts online or contact your john deere dealer. Combineparts.com is your one stop for new combine and head parts. Welcome to precision farm parts, inc. 10k+ visitors in the past month. John Deere Combine Rotor Parts.
From www.bigiron.com
John Deere Combine Rotor Parts BigIron Auctions John Deere Combine Rotor Parts Welcome to precision farm parts, inc. Please take a look around and visit. View our john deere products. Search our parts catalog, order parts online or contact your john deere dealer. Combineparts.com is your one stop for new combine and head parts. Serrated blades knife kit, 8 quantity. For over 50 years, we've been providing customers with quality parts, including. John Deere Combine Rotor Parts.
From farmpartsstore.com
John Deere Combine Rotor Rear Flight Repair Kit AH216569 Farm Parts Store John Deere Combine Rotor Parts Serrated blades knife kit, 8 quantity. That means there’s less grain loss over the rotor and a cleaner sample in the hopper with less broken kernels. Variable stream rotor rear feed flight. 10k+ visitors in the past month Ah169362 aftermarket radiator john deere combine. Red or green, old or new, we strive every day to have the best selection. Search. John Deere Combine Rotor Parts.
From www.slideshare.net
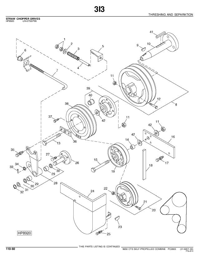
John deere 9650 cts selfpropelled combine parts catalog John Deere Combine Rotor Parts 10k+ visitors in the past month Search our parts catalog, order parts online or contact your john deere dealer. Find parts & diagrams for your john deere equipment. Ah130570 aftermarket shaft, upper & lower tailings. For over 50 years, we've been providing customers with quality parts, including combine header parts, at the right price. View our john deere products. Worthington. John Deere Combine Rotor Parts.
From agro-plough.en.made-in-china.com
John Deere Combine Rotor Flight Blades Agro Spare Parts China Farm John Deere Combine Rotor Parts Ah130570 aftermarket shaft, upper & lower tailings. View our john deere products. Search our parts catalog, order parts online or contact your john deere dealer. That means there’s less grain loss over the rotor and a cleaner sample in the hopper with less broken kernels. Combineparts.com is your one stop for new combine and head parts. Worthington ag parts is. John Deere Combine Rotor Parts.
From www.auctiontime.com
2014 JOHN DEERE Variable Stream Rotor & Accessories John Deere Combine Rotor Parts Please take a look around and visit. For over 50 years, we've been providing customers with quality parts, including combine header parts, at the right price. Combineparts.com is your one stop for new combine and head parts. That means there’s less grain loss over the rotor and a cleaner sample in the hopper with less broken kernels. Ah130570 aftermarket shaft,. John Deere Combine Rotor Parts.
From www.bigiron.com
John Deere Combine Rotor Parts BigIron Auctions John Deere Combine Rotor Parts Contact web order services at: Find parts & diagrams for your john deere equipment. All of these results mean more. Welcome to precision farm parts, inc. View our john deere products. Ah169362 aftermarket radiator john deere combine. 10k+ visitors in the past month Variable stream rotor rear feed flight. Combineparts.com is your one stop for new combine and head parts. John Deere Combine Rotor Parts.
From www.combineparts.com
John Deere Distributor, Rotor NEW Combine Parts John Deere Combine Rotor Parts All of these results mean more. Variable stream rotor rear feed flight. Ah130570 aftermarket shaft, upper & lower tailings. Find parts & diagrams for your john deere equipment. Red or green, old or new, we strive every day to have the best selection. For over 50 years, we've been providing customers with quality parts, including combine header parts, at the. John Deere Combine Rotor Parts.
From www.bigiron.com
John Deere Combine Rotor Parts BigIron Auctions John Deere Combine Rotor Parts Search our parts catalog, order parts online or contact your john deere dealer. Please take a look around and visit. All of these results mean more. For over 50 years, we've been providing customers with quality parts, including combine header parts, at the right price. View our john deere products. Serrated blades knife kit, 8 quantity. Contact web order services. John Deere Combine Rotor Parts.
From www.youtube.com
John Deere S700 The Automated Combine Part 8 The Single Rotor John Deere Combine Rotor Parts View our john deere products. Ah169362 aftermarket radiator john deere combine. Combineparts.com is your one stop for new combine and head parts. Ah130570 aftermarket shaft, upper & lower tailings. All of these results mean more. Contact web order services at: Search our parts catalog, order parts online or contact your john deere dealer. Find parts & diagrams for your john. John Deere Combine Rotor Parts.
From 777parts.net
Rotor Assembly Extreme (High Wear) (Grain) COMBINE John Deere S680 John Deere Combine Rotor Parts Red or green, old or new, we strive every day to have the best selection. That means there’s less grain loss over the rotor and a cleaner sample in the hopper with less broken kernels. Search our parts catalog, order parts online or contact your john deere dealer. Contact web order services at: Welcome to precision farm parts, inc. For. John Deere Combine Rotor Parts.
From www.bigiron.com
John Deere Combine Rotor Parts BigIron Auctions John Deere Combine Rotor Parts View our john deere products. Combineparts.com is your one stop for new combine and head parts. Please take a look around and visit. Contact web order services at: For over 50 years, we've been providing customers with quality parts, including combine header parts, at the right price. Welcome to precision farm parts, inc. Worthington ag parts is an independent distributor. John Deere Combine Rotor Parts.
From www.auctiontime.com
2014 JOHN DEERE Variable Stream Rotor & Accessories John Deere Combine Rotor Parts Serrated blades knife kit, 8 quantity. That means there’s less grain loss over the rotor and a cleaner sample in the hopper with less broken kernels. Find parts & diagrams for your john deere equipment. Ah130570 aftermarket shaft, upper & lower tailings. Combineparts.com is your one stop for new combine and head parts. Red or green, old or new, we. John Deere Combine Rotor Parts.
From www.bigiron.com
John Deere Combine Rotor Parts BigIron Auctions John Deere Combine Rotor Parts Please take a look around and visit. Combineparts.com is your one stop for new combine and head parts. Serrated blades knife kit, 8 quantity. 10k+ visitors in the past month Ah169362 aftermarket radiator john deere combine. All of these results mean more. Red or green, old or new, we strive every day to have the best selection. Search our parts. John Deere Combine Rotor Parts.
From www.bigiron.com
John Deere Combine Rotor Parts BigIron Auctions John Deere Combine Rotor Parts Contact web order services at: Welcome to precision farm parts, inc. Please take a look around and visit. Combineparts.com is your one stop for new combine and head parts. 10k+ visitors in the past month That means there’s less grain loss over the rotor and a cleaner sample in the hopper with less broken kernels. Worthington ag parts is an. John Deere Combine Rotor Parts.
From www.bigiron.com
John Deere Combine Rotor Parts BigIron Auctions John Deere Combine Rotor Parts That means there’s less grain loss over the rotor and a cleaner sample in the hopper with less broken kernels. Search our parts catalog, order parts online or contact your john deere dealer. Combineparts.com is your one stop for new combine and head parts. Serrated blades knife kit, 8 quantity. View our john deere products. Variable stream rotor rear feed. John Deere Combine Rotor Parts.
From www.bigiron.com
John Deere Combine Rotor Parts BigIron Auctions John Deere Combine Rotor Parts Combineparts.com is your one stop for new combine and head parts. Please take a look around and visit. Ah130570 aftermarket shaft, upper & lower tailings. Contact web order services at: Ah169362 aftermarket radiator john deere combine. Variable stream rotor rear feed flight. View our john deere products. All of these results mean more. 10k+ visitors in the past month John Deere Combine Rotor Parts.
From www.deere.com
Combine Harvesters SSeries John Deere US John Deere Combine Rotor Parts Serrated blades knife kit, 8 quantity. Welcome to precision farm parts, inc. Worthington ag parts is an independent distributor of non. Combineparts.com is your one stop for new combine and head parts. Find parts & diagrams for your john deere equipment. 10k+ visitors in the past month For over 50 years, we've been providing customers with quality parts, including combine. John Deere Combine Rotor Parts.
From www.bigiron.com
John Deere Combine Rotor Parts BigIron Auctions John Deere Combine Rotor Parts Serrated blades knife kit, 8 quantity. View our john deere products. 10k+ visitors in the past month For over 50 years, we've been providing customers with quality parts, including combine header parts, at the right price. Contact web order services at: All of these results mean more. Variable stream rotor rear feed flight. Search our parts catalog, order parts online. John Deere Combine Rotor Parts.
From www.deere.ca
Combine Harvesters S Series John Deere CA John Deere Combine Rotor Parts Ah169362 aftermarket radiator john deere combine. Search our parts catalog, order parts online or contact your john deere dealer. View our john deere products. Combineparts.com is your one stop for new combine and head parts. Find parts & diagrams for your john deere equipment. Ah130570 aftermarket shaft, upper & lower tailings. Contact web order services at: Red or green, old. John Deere Combine Rotor Parts.
From 777parts.net
TRI ROTOR STRAW CHOPPER (655301 ) [07J07] COMBINE John Deere 9600 John Deere Combine Rotor Parts Ah169362 aftermarket radiator john deere combine. For over 50 years, we've been providing customers with quality parts, including combine header parts, at the right price. Red or green, old or new, we strive every day to have the best selection. Search our parts catalog, order parts online or contact your john deere dealer. Variable stream rotor rear feed flight. 10k+. John Deere Combine Rotor Parts.
From www.estesperformanceconcaves.com
Brief History of Rotary Combines Estes Performance Concaves John Deere Combine Rotor Parts View our john deere products. Search our parts catalog, order parts online or contact your john deere dealer. Find parts & diagrams for your john deere equipment. Serrated blades knife kit, 8 quantity. Combineparts.com is your one stop for new combine and head parts. Red or green, old or new, we strive every day to have the best selection. Ah169362. John Deere Combine Rotor Parts.
From www.bigiron.com
John Deere Combine Rotor Parts BigIron Auctions John Deere Combine Rotor Parts Search our parts catalog, order parts online or contact your john deere dealer. For over 50 years, we've been providing customers with quality parts, including combine header parts, at the right price. Variable stream rotor rear feed flight. All of these results mean more. That means there’s less grain loss over the rotor and a cleaner sample in the hopper. John Deere Combine Rotor Parts.
From www.farmtrader.co.nz
A detailed look into the 2018 S700 series John Deere combine harvester John Deere Combine Rotor Parts 10k+ visitors in the past month Find parts & diagrams for your john deere equipment. That means there’s less grain loss over the rotor and a cleaner sample in the hopper with less broken kernels. Welcome to precision farm parts, inc. Variable stream rotor rear feed flight. Combineparts.com is your one stop for new combine and head parts. View our. John Deere Combine Rotor Parts.
From www.bigiron.com
John Deere Combine Rotor Parts BigIron Auctions John Deere Combine Rotor Parts All of these results mean more. Red or green, old or new, we strive every day to have the best selection. 10k+ visitors in the past month Ah130570 aftermarket shaft, upper & lower tailings. Worthington ag parts is an independent distributor of non. Ah169362 aftermarket radiator john deere combine. Search our parts catalog, order parts online or contact your john. John Deere Combine Rotor Parts.
From www.jensales.com
John Deere 9670STS Combine Base, Threshing Element; For Row 2 on Bullet John Deere Combine Rotor Parts 10k+ visitors in the past month Ah169362 aftermarket radiator john deere combine. Contact web order services at: Welcome to precision farm parts, inc. Ah130570 aftermarket shaft, upper & lower tailings. Red or green, old or new, we strive every day to have the best selection. Combineparts.com is your one stop for new combine and head parts. Serrated blades knife kit,. John Deere Combine Rotor Parts.
From www.bigiron.com
John Deere Combine Rotor Parts BigIron Auctions John Deere Combine Rotor Parts Red or green, old or new, we strive every day to have the best selection. Worthington ag parts is an independent distributor of non. Contact web order services at: Ah169362 aftermarket radiator john deere combine. Variable stream rotor rear feed flight. Welcome to precision farm parts, inc. Combineparts.com is your one stop for new combine and head parts. For over. John Deere Combine Rotor Parts.
From 777parts.net
ROTOR BEARING AND CHANNEL COMBINE John Deere 9870STS COMBINE 9870 John Deere Combine Rotor Parts That means there’s less grain loss over the rotor and a cleaner sample in the hopper with less broken kernels. Welcome to precision farm parts, inc. Ah169362 aftermarket radiator john deere combine. Please take a look around and visit. Contact web order services at: 10k+ visitors in the past month Combineparts.com is your one stop for new combine and head. John Deere Combine Rotor Parts.
From johndeereconcaves.blogspot.com
John Deere Concaves Case Concaves John Deere Combine RPR Thrashing John Deere Combine Rotor Parts Welcome to precision farm parts, inc. All of these results mean more. Combineparts.com is your one stop for new combine and head parts. View our john deere products. Worthington ag parts is an independent distributor of non. Ah130570 aftermarket shaft, upper & lower tailings. Serrated blades knife kit, 8 quantity. Find parts & diagrams for your john deere equipment. Contact. John Deere Combine Rotor Parts.
From www.bigiron.com
John Deere Combine Rotor Parts BigIron Auctions John Deere Combine Rotor Parts For over 50 years, we've been providing customers with quality parts, including combine header parts, at the right price. Welcome to precision farm parts, inc. Find parts & diagrams for your john deere equipment. Ah130570 aftermarket shaft, upper & lower tailings. Combineparts.com is your one stop for new combine and head parts. All of these results mean more. That means. John Deere Combine Rotor Parts.
From www.bigiron.com
John Deere Combine Rotor Parts BigIron Auctions John Deere Combine Rotor Parts Ah130570 aftermarket shaft, upper & lower tailings. 10k+ visitors in the past month Combineparts.com is your one stop for new combine and head parts. Variable stream rotor rear feed flight. Ah169362 aftermarket radiator john deere combine. Welcome to precision farm parts, inc. Contact web order services at: Search our parts catalog, order parts online or contact your john deere dealer.. John Deere Combine Rotor Parts.
From www.bigiron.com
John Deere Combine Rotor Parts BigIron Auctions John Deere Combine Rotor Parts 10k+ visitors in the past month Combineparts.com is your one stop for new combine and head parts. View our john deere products. All of these results mean more. Contact web order services at: Serrated blades knife kit, 8 quantity. Worthington ag parts is an independent distributor of non. Please take a look around and visit. Variable stream rotor rear feed. John Deere Combine Rotor Parts.
From www.jensales.com
John Deere 9660STS Combine Base, Threshing Element; For Row 2 on Bullet John Deere Combine Rotor Parts Combineparts.com is your one stop for new combine and head parts. Search our parts catalog, order parts online or contact your john deere dealer. Contact web order services at: That means there’s less grain loss over the rotor and a cleaner sample in the hopper with less broken kernels. Ah169362 aftermarket radiator john deere combine. All of these results mean. John Deere Combine Rotor Parts.
From www.slideshare.net
John deere 9650 cts selfpropelled combine parts catalog John Deere Combine Rotor Parts Variable stream rotor rear feed flight. Contact web order services at: Red or green, old or new, we strive every day to have the best selection. View our john deere products. For over 50 years, we've been providing customers with quality parts, including combine header parts, at the right price. That means there’s less grain loss over the rotor and. John Deere Combine Rotor Parts.
From 777parts.net
Rotor Assembly Kit, Thick, Rice COMBINE John Deere 9770 STS COMBINE John Deere Combine Rotor Parts Please take a look around and visit. Serrated blades knife kit, 8 quantity. Find parts & diagrams for your john deere equipment. Worthington ag parts is an independent distributor of non. Variable stream rotor rear feed flight. That means there’s less grain loss over the rotor and a cleaner sample in the hopper with less broken kernels. All of these. John Deere Combine Rotor Parts.