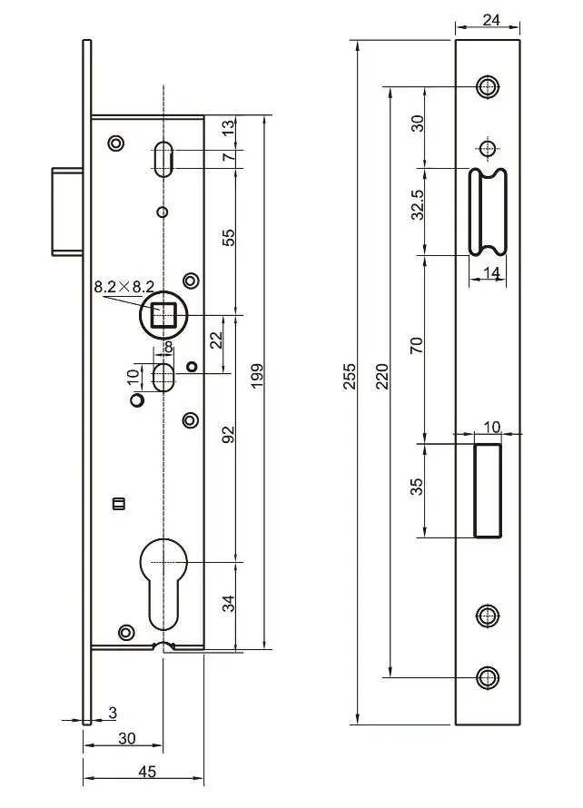
Standard Sash Lock Size . Purchasing the correct mortice lock size relies upon you knowing the precise. There are also extensions for. Halspan® din standard sash locks have been specifically tested by halspan to 200,000 cycles, they offer durability, strength and ease of use. Tubular latches, sashlocks, deadlocks and bathroom locks are available in varying lengths and sizes to suit your requirements or match existing ones already fitted in your doors. What to consider when finding the right size of a mortice lock. Other backsets include 2”, used by national and lori lock, and 5” used by weiser, weslock, kwikset and others. When replacing a lock or specifying new locks, the size is vitally important, this guide shows the methods required to measure a mortice sashlock. When deciding upon the right. The halspan din standard lock. 3 lever locks are generally available in two standard case depth sizes: 2.5 inches (64mm) and 3 inches (76mm).
from www.e-hardware.co.uk
The halspan din standard lock. What to consider when finding the right size of a mortice lock. When replacing a lock or specifying new locks, the size is vitally important, this guide shows the methods required to measure a mortice sashlock. Purchasing the correct mortice lock size relies upon you knowing the precise. Other backsets include 2”, used by national and lori lock, and 5” used by weiser, weslock, kwikset and others. Tubular latches, sashlocks, deadlocks and bathroom locks are available in varying lengths and sizes to suit your requirements or match existing ones already fitted in your doors. When deciding upon the right. 3 lever locks are generally available in two standard case depth sizes: There are also extensions for. Halspan® din standard sash locks have been specifically tested by halspan to 200,000 cycles, they offer durability, strength and ease of use.
British Standard 5 Lever Sash Lock eHardware
Standard Sash Lock Size When replacing a lock or specifying new locks, the size is vitally important, this guide shows the methods required to measure a mortice sashlock. Tubular latches, sashlocks, deadlocks and bathroom locks are available in varying lengths and sizes to suit your requirements or match existing ones already fitted in your doors. The halspan din standard lock. When deciding upon the right. Purchasing the correct mortice lock size relies upon you knowing the precise. 3 lever locks are generally available in two standard case depth sizes: What to consider when finding the right size of a mortice lock. Halspan® din standard sash locks have been specifically tested by halspan to 200,000 cycles, they offer durability, strength and ease of use. There are also extensions for. When replacing a lock or specifying new locks, the size is vitally important, this guide shows the methods required to measure a mortice sashlock. 2.5 inches (64mm) and 3 inches (76mm). Other backsets include 2”, used by national and lori lock, and 5” used by weiser, weslock, kwikset and others.
From www.vaultnw.co.uk
3 Lever ERA Sash Lock Fortress Mortice Lock British Standard Door Lock Standard Sash Lock Size 2.5 inches (64mm) and 3 inches (76mm). Halspan® din standard sash locks have been specifically tested by halspan to 200,000 cycles, they offer durability, strength and ease of use. Other backsets include 2”, used by national and lori lock, and 5” used by weiser, weslock, kwikset and others. When deciding upon the right. There are also extensions for. 3 lever. Standard Sash Lock Size.
From halspan.com
Halspan 60 DIN Standard Sash Lock Halspan Standard Sash Lock Size When replacing a lock or specifying new locks, the size is vitally important, this guide shows the methods required to measure a mortice sashlock. Purchasing the correct mortice lock size relies upon you knowing the precise. There are also extensions for. The halspan din standard lock. 3 lever locks are generally available in two standard case depth sizes: What to. Standard Sash Lock Size.
From www.alibaba.com
German European Standard Sash Lock 2 Turns/special Lock Buy German Standard Sash Lock Size Other backsets include 2”, used by national and lori lock, and 5” used by weiser, weslock, kwikset and others. Purchasing the correct mortice lock size relies upon you knowing the precise. 2.5 inches (64mm) and 3 inches (76mm). Tubular latches, sashlocks, deadlocks and bathroom locks are available in varying lengths and sizes to suit your requirements or match existing ones. Standard Sash Lock Size.
From jcphardware.co.uk
Era 3 Lever Mortice Door Lock Sash Lock JCP Hardware Standard Sash Lock Size 3 lever locks are generally available in two standard case depth sizes: When deciding upon the right. 2.5 inches (64mm) and 3 inches (76mm). Tubular latches, sashlocks, deadlocks and bathroom locks are available in varying lengths and sizes to suit your requirements or match existing ones already fitted in your doors. Other backsets include 2”, used by national and lori. Standard Sash Lock Size.
From phg-uk.com
From the Anvil Euro Profile Sash Lock Period House Group Standard Sash Lock Size Purchasing the correct mortice lock size relies upon you knowing the precise. When deciding upon the right. 3 lever locks are generally available in two standard case depth sizes: Other backsets include 2”, used by national and lori lock, and 5” used by weiser, weslock, kwikset and others. When replacing a lock or specifying new locks, the size is vitally. Standard Sash Lock Size.
From www.doorsuperstore.co.uk
York 5 Lever British Standard Sash Lock SC 64mm Door Superstore® Standard Sash Lock Size 2.5 inches (64mm) and 3 inches (76mm). The halspan din standard lock. 3 lever locks are generally available in two standard case depth sizes: What to consider when finding the right size of a mortice lock. Purchasing the correct mortice lock size relies upon you knowing the precise. There are also extensions for. Other backsets include 2”, used by national. Standard Sash Lock Size.
From www.originalforgery.co.uk
Polished Brass Reversible 5 Lever British Standard Sash Lock 63mm 21/2 Standard Sash Lock Size There are also extensions for. Other backsets include 2”, used by national and lori lock, and 5” used by weiser, weslock, kwikset and others. When replacing a lock or specifying new locks, the size is vitally important, this guide shows the methods required to measure a mortice sashlock. Purchasing the correct mortice lock size relies upon you knowing the precise.. Standard Sash Lock Size.
From www.vaultnw.co.uk
5 Lever ERA Sash Lock Fortress Mortice Lock British Standard Vault Nw Standard Sash Lock Size Other backsets include 2”, used by national and lori lock, and 5” used by weiser, weslock, kwikset and others. When deciding upon the right. The halspan din standard lock. There are also extensions for. 3 lever locks are generally available in two standard case depth sizes: What to consider when finding the right size of a mortice lock. When replacing. Standard Sash Lock Size.
From www.allaboutdoors.com
Truth Home Gard sash lock with pin for tiebar applications Standard Sash Lock Size Tubular latches, sashlocks, deadlocks and bathroom locks are available in varying lengths and sizes to suit your requirements or match existing ones already fitted in your doors. Other backsets include 2”, used by national and lori lock, and 5” used by weiser, weslock, kwikset and others. The halspan din standard lock. Halspan® din standard sash locks have been specifically tested. Standard Sash Lock Size.
From more4doors.com
Matt Black 5 Lever British Standard BS EN 12209 Sash Lock 2.5 Inch Standard Sash Lock Size Tubular latches, sashlocks, deadlocks and bathroom locks are available in varying lengths and sizes to suit your requirements or match existing ones already fitted in your doors. The halspan din standard lock. Other backsets include 2”, used by national and lori lock, and 5” used by weiser, weslock, kwikset and others. Halspan® din standard sash locks have been specifically tested. Standard Sash Lock Size.
From www.castinstyle.co.uk
British Standard 5 Lever Sash Lock ALL PRODUCTS IN HERE Cast in Style Standard Sash Lock Size When replacing a lock or specifying new locks, the size is vitally important, this guide shows the methods required to measure a mortice sashlock. The halspan din standard lock. When deciding upon the right. There are also extensions for. Halspan® din standard sash locks have been specifically tested by halspan to 200,000 cycles, they offer durability, strength and ease of. Standard Sash Lock Size.
From www.keyprint.co.uk
DIN Euro Sash Lock Single Throw 72MM C/C Backset 60MM Square Standard Sash Lock Size When deciding upon the right. Purchasing the correct mortice lock size relies upon you knowing the precise. The halspan din standard lock. When replacing a lock or specifying new locks, the size is vitally important, this guide shows the methods required to measure a mortice sashlock. 2.5 inches (64mm) and 3 inches (76mm). Halspan® din standard sash locks have been. Standard Sash Lock Size.
From www.castinstyle.co.uk
British Standard 5 Lever Heavy Duty Sash Lock ALL PRODUCTS IN HERE Standard Sash Lock Size 2.5 inches (64mm) and 3 inches (76mm). Tubular latches, sashlocks, deadlocks and bathroom locks are available in varying lengths and sizes to suit your requirements or match existing ones already fitted in your doors. Purchasing the correct mortice lock size relies upon you knowing the precise. Halspan® din standard sash locks have been specifically tested by halspan to 200,000 cycles,. Standard Sash Lock Size.
From www.pinterest.com
Heavy Duty Brass Sash Lock Standard Size House of Antique Hardware Standard Sash Lock Size 2.5 inches (64mm) and 3 inches (76mm). There are also extensions for. Other backsets include 2”, used by national and lori lock, and 5” used by weiser, weslock, kwikset and others. Tubular latches, sashlocks, deadlocks and bathroom locks are available in varying lengths and sizes to suit your requirements or match existing ones already fitted in your doors. When replacing. Standard Sash Lock Size.
From www.allaboutdoors.com
Sash Lock 15/8" Hole Center Standard Sash Lock Size What to consider when finding the right size of a mortice lock. Halspan® din standard sash locks have been specifically tested by halspan to 200,000 cycles, they offer durability, strength and ease of use. Purchasing the correct mortice lock size relies upon you knowing the precise. Other backsets include 2”, used by national and lori lock, and 5” used by. Standard Sash Lock Size.
From www.e-hardware.co.uk
British Standard 5 Lever Sash Lock eHardware Standard Sash Lock Size Tubular latches, sashlocks, deadlocks and bathroom locks are available in varying lengths and sizes to suit your requirements or match existing ones already fitted in your doors. Purchasing the correct mortice lock size relies upon you knowing the precise. What to consider when finding the right size of a mortice lock. There are also extensions for. 2.5 inches (64mm) and. Standard Sash Lock Size.
From chinookglass.com
Low profile sash lockle sash lock, white Chinook Glass Standard Sash Lock Size 3 lever locks are generally available in two standard case depth sizes: There are also extensions for. Tubular latches, sashlocks, deadlocks and bathroom locks are available in varying lengths and sizes to suit your requirements or match existing ones already fitted in your doors. 2.5 inches (64mm) and 3 inches (76mm). Halspan® din standard sash locks have been specifically tested. Standard Sash Lock Size.
From www.handforged.co.uk
Black 3" 5 Lever BS Sash Lock KA Door Locks Locks & Latches Standard Sash Lock Size The halspan din standard lock. What to consider when finding the right size of a mortice lock. Tubular latches, sashlocks, deadlocks and bathroom locks are available in varying lengths and sizes to suit your requirements or match existing ones already fitted in your doors. 2.5 inches (64mm) and 3 inches (76mm). Purchasing the correct mortice lock size relies upon you. Standard Sash Lock Size.
From www.cheshirehardware.com
Union 2234 British Standard Insurance Sash Locks SCP from Cheshire Standard Sash Lock Size When deciding upon the right. Halspan® din standard sash locks have been specifically tested by halspan to 200,000 cycles, they offer durability, strength and ease of use. Purchasing the correct mortice lock size relies upon you knowing the precise. The halspan din standard lock. When replacing a lock or specifying new locks, the size is vitally important, this guide shows. Standard Sash Lock Size.
From www.originalforgery.co.uk
Polished Brass Reversible 5 Lever British Standard Sash Lock 63mm 21/2 Standard Sash Lock Size Tubular latches, sashlocks, deadlocks and bathroom locks are available in varying lengths and sizes to suit your requirements or match existing ones already fitted in your doors. Other backsets include 2”, used by national and lori lock, and 5” used by weiser, weslock, kwikset and others. When replacing a lock or specifying new locks, the size is vitally important, this. Standard Sash Lock Size.
From handletrade.co.uk
British Standard 5 Lever Sash Door Lock 76mm Stainless Z Standard Sash Lock Size 2.5 inches (64mm) and 3 inches (76mm). Other backsets include 2”, used by national and lori lock, and 5” used by weiser, weslock, kwikset and others. The halspan din standard lock. When deciding upon the right. 3 lever locks are generally available in two standard case depth sizes: Halspan® din standard sash locks have been specifically tested by halspan to. Standard Sash Lock Size.
From www.vaultnw.co.uk
3 Lever ERA Sash Lock Fortress Mortice Lock British Standard Door Lock Standard Sash Lock Size Purchasing the correct mortice lock size relies upon you knowing the precise. There are also extensions for. Tubular latches, sashlocks, deadlocks and bathroom locks are available in varying lengths and sizes to suit your requirements or match existing ones already fitted in your doors. The halspan din standard lock. 3 lever locks are generally available in two standard case depth. Standard Sash Lock Size.
From www.castinstyle.co.uk
Euro Sash Lock Case Black Finish ALL PRODUCTS IN HERE Cast in Style Standard Sash Lock Size Other backsets include 2”, used by national and lori lock, and 5” used by weiser, weslock, kwikset and others. The halspan din standard lock. There are also extensions for. What to consider when finding the right size of a mortice lock. 2.5 inches (64mm) and 3 inches (76mm). When deciding upon the right. 3 lever locks are generally available in. Standard Sash Lock Size.
From halspan.com
Halspan 60 DIN Standard Forend Escape Sash Lock Radius, Brushed Standard Sash Lock Size When deciding upon the right. Halspan® din standard sash locks have been specifically tested by halspan to 200,000 cycles, they offer durability, strength and ease of use. 2.5 inches (64mm) and 3 inches (76mm). Tubular latches, sashlocks, deadlocks and bathroom locks are available in varying lengths and sizes to suit your requirements or match existing ones already fitted in your. Standard Sash Lock Size.
From ladecorllc.com
Union 2249/L2249 Euro Profile Mortice Sash Lock Suppliers Standard Sash Lock Size When deciding upon the right. Tubular latches, sashlocks, deadlocks and bathroom locks are available in varying lengths and sizes to suit your requirements or match existing ones already fitted in your doors. Other backsets include 2”, used by national and lori lock, and 5” used by weiser, weslock, kwikset and others. When replacing a lock or specifying new locks, the. Standard Sash Lock Size.
From www.cheshirehardware.com
Croft 3465 3465L Sash Window Fastener in Chrome or Nickel from Cheshire Standard Sash Lock Size Purchasing the correct mortice lock size relies upon you knowing the precise. There are also extensions for. When replacing a lock or specifying new locks, the size is vitally important, this guide shows the methods required to measure a mortice sashlock. 3 lever locks are generally available in two standard case depth sizes: When deciding upon the right. What to. Standard Sash Lock Size.
From www.e-hardware.co.uk
Standard 3 Lever Sash Lock eHardware Standard Sash Lock Size Purchasing the correct mortice lock size relies upon you knowing the precise. Other backsets include 2”, used by national and lori lock, and 5” used by weiser, weslock, kwikset and others. Halspan® din standard sash locks have been specifically tested by halspan to 200,000 cycles, they offer durability, strength and ease of use. Tubular latches, sashlocks, deadlocks and bathroom locks. Standard Sash Lock Size.
From www.doorsuperstore.co.uk
What is a sash lock? Door Superstore Help & Advice Standard Sash Lock Size Purchasing the correct mortice lock size relies upon you knowing the precise. 2.5 inches (64mm) and 3 inches (76mm). There are also extensions for. 3 lever locks are generally available in two standard case depth sizes: When replacing a lock or specifying new locks, the size is vitally important, this guide shows the methods required to measure a mortice sashlock.. Standard Sash Lock Size.
From halspan.com
Halspan 30 DIN Standard Forend Escape Sash Lock Radius, Brushed Standard Sash Lock Size When replacing a lock or specifying new locks, the size is vitally important, this guide shows the methods required to measure a mortice sashlock. Purchasing the correct mortice lock size relies upon you knowing the precise. Other backsets include 2”, used by national and lori lock, and 5” used by weiser, weslock, kwikset and others. When deciding upon the right.. Standard Sash Lock Size.
From phg-uk.com
From the Anvil 5 Lever Heavy Duty British Standard Sash Lock Period Standard Sash Lock Size 3 lever locks are generally available in two standard case depth sizes: What to consider when finding the right size of a mortice lock. Halspan® din standard sash locks have been specifically tested by halspan to 200,000 cycles, they offer durability, strength and ease of use. Tubular latches, sashlocks, deadlocks and bathroom locks are available in varying lengths and sizes. Standard Sash Lock Size.
From www.vaultnw.co.uk
3 Lever ERA Sash Lock Fortress Mortice Lock British Standard Door Lock Standard Sash Lock Size When deciding upon the right. When replacing a lock or specifying new locks, the size is vitally important, this guide shows the methods required to measure a mortice sashlock. 2.5 inches (64mm) and 3 inches (76mm). Tubular latches, sashlocks, deadlocks and bathroom locks are available in varying lengths and sizes to suit your requirements or match existing ones already fitted. Standard Sash Lock Size.
From www.locktrader.co.uk
Asec Vital British Standard 5 Lever Sash Lock BS BS3621 www Standard Sash Lock Size The halspan din standard lock. When replacing a lock or specifying new locks, the size is vitally important, this guide shows the methods required to measure a mortice sashlock. 2.5 inches (64mm) and 3 inches (76mm). There are also extensions for. Halspan® din standard sash locks have been specifically tested by halspan to 200,000 cycles, they offer durability, strength and. Standard Sash Lock Size.
From umay2022.en.made-in-china.com
Customized Size Door Lock Security Sash Locks Mortise Door Locks Standard Sash Lock Size The halspan din standard lock. 2.5 inches (64mm) and 3 inches (76mm). When deciding upon the right. Other backsets include 2”, used by national and lori lock, and 5” used by weiser, weslock, kwikset and others. 3 lever locks are generally available in two standard case depth sizes: There are also extensions for. Purchasing the correct mortice lock size relies. Standard Sash Lock Size.
From www.leaderdoors.co.uk
Intelligent Hardware 75mm (3") 3 Lever Mortice Sash Lock, Satin Standard Sash Lock Size There are also extensions for. 2.5 inches (64mm) and 3 inches (76mm). When deciding upon the right. Other backsets include 2”, used by national and lori lock, and 5” used by weiser, weslock, kwikset and others. Tubular latches, sashlocks, deadlocks and bathroom locks are available in varying lengths and sizes to suit your requirements or match existing ones already fitted. Standard Sash Lock Size.
From blog.denleigh.co.uk
Specification advice locks and latches Standard Sash Lock Size There are also extensions for. When replacing a lock or specifying new locks, the size is vitally important, this guide shows the methods required to measure a mortice sashlock. Other backsets include 2”, used by national and lori lock, and 5” used by weiser, weslock, kwikset and others. When deciding upon the right. 2.5 inches (64mm) and 3 inches (76mm).. Standard Sash Lock Size.