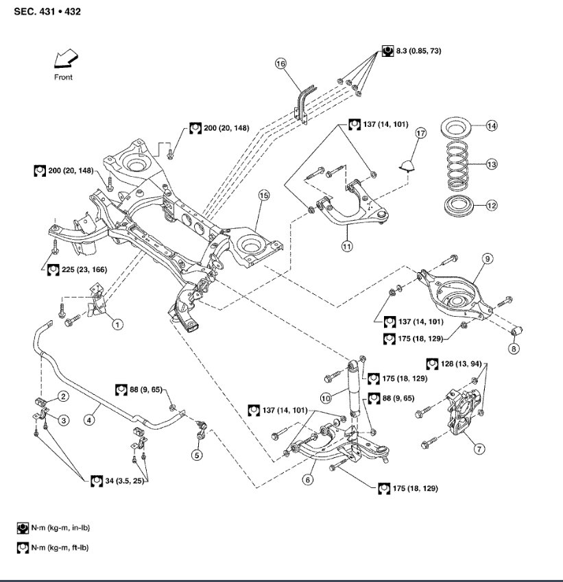
Is300 Rear Suspension Torque Specs . In lobux's rear figure, it's labeled 140 (1,430,103). if anyone has a copy of the f. 159 2001 lexus is300 (rm779u) torque specification part tighten. Here are a list of some torque specifications. 21 n·m (214 kgf·cm, 15 ft·lbf) (f) install the rear fender liner nuts. The only resource that i can find on the internet is. Torque specs for rear suspension. I am not responsible for. Its 3 litre engine is a naturally aspirated, double overhead camshaft, 6 cylinder unit that develops 215 bhp (218 ps/160 kw) of power at 5800 rpm, and. It's concerning the torque spec for the nut/bolt closer to the center of the vehicle on the lower control arm. Rear traction arms rear toe arms lower control. (g) raise the lower the suspension arm and temporarily install the nuts. Does anyone have access to the rear end torque specs. Does anyone have the torque specs for: The lexus is 300's engine is a turbocharged petrol, 2 litre, double overhead camshaft 4 cylinder with 4 valves per cylinder. Pm me if you need of torque spec that is not listed.
from www.pinnaxis.com
Rear traction arms rear toe arms lower control. (g) raise the lower the suspension arm and temporarily install the nuts. Its 3 litre engine is a naturally aspirated, double overhead camshaft, 6 cylinder unit that develops 215 bhp (218 ps/160 kw) of power at 5800 rpm, and. In lobux's rear figure, it's labeled 140 (1,430,103). if anyone has a copy of the f. Torque specs for rear suspension. It's concerning the torque spec for the nut/bolt closer to the center of the vehicle on the lower control arm. I am not responsible for. Does anyone have the torque specs for: Pm me if you need of torque spec that is not listed. Here are a list of some torque specifications.
E53 Front And Rear Suspension Torque Specs, 46 OFF
Is300 Rear Suspension Torque Specs I am not responsible for. Rear traction arms rear toe arms lower control. I am not responsible for. (g) raise the lower the suspension arm and temporarily install the nuts. Does anyone have access to the rear end torque specs. In lobux's rear figure, it's labeled 140 (1,430,103). if anyone has a copy of the f. Does anyone have the torque specs for: The lexus is 300's engine is a turbocharged petrol, 2 litre, double overhead camshaft 4 cylinder with 4 valves per cylinder. Here are a list of some torque specifications. It's concerning the torque spec for the nut/bolt closer to the center of the vehicle on the lower control arm. 159 2001 lexus is300 (rm779u) torque specification part tighten. The only resource that i can find on the internet is. Torque specs for rear suspension. Its 3 litre engine is a naturally aspirated, double overhead camshaft, 6 cylinder unit that develops 215 bhp (218 ps/160 kw) of power at 5800 rpm, and. Pm me if you need of torque spec that is not listed. 21 n·m (214 kgf·cm, 15 ft·lbf) (f) install the rear fender liner nuts.
From www.autozone.com
Repair Guides Component Torque Illustrations Component Torque Illustrations Is300 Rear Suspension Torque Specs (g) raise the lower the suspension arm and temporarily install the nuts. Pm me if you need of torque spec that is not listed. In lobux's rear figure, it's labeled 140 (1,430,103). if anyone has a copy of the f. 159 2001 lexus is300 (rm779u) torque specification part tighten. 21 n·m (214 kgf·cm, 15 ft·lbf) (f) install the rear fender. Is300 Rear Suspension Torque Specs.
From www.clublexus.com
AWD torque specs, front suspension ClubLexus Lexus Forum Discussion Is300 Rear Suspension Torque Specs The lexus is 300's engine is a turbocharged petrol, 2 litre, double overhead camshaft 4 cylinder with 4 valves per cylinder. 21 n·m (214 kgf·cm, 15 ft·lbf) (f) install the rear fender liner nuts. Torque specs for rear suspension. It's concerning the torque spec for the nut/bolt closer to the center of the vehicle on the lower control arm. Does. Is300 Rear Suspension Torque Specs.
From www.toyotanation.com
20122017 Rear Suspension Torque Specs Toyota Nation Forum Is300 Rear Suspension Torque Specs It's concerning the torque spec for the nut/bolt closer to the center of the vehicle on the lower control arm. Rear traction arms rear toe arms lower control. Does anyone have access to the rear end torque specs. In lobux's rear figure, it's labeled 140 (1,430,103). if anyone has a copy of the f. The only resource that i can. Is300 Rear Suspension Torque Specs.
From repairbernice99.z21.web.core.windows.net
2005 Honda Pilot Sway Bar Link Is300 Rear Suspension Torque Specs Pm me if you need of torque spec that is not listed. It's concerning the torque spec for the nut/bolt closer to the center of the vehicle on the lower control arm. Its 3 litre engine is a naturally aspirated, double overhead camshaft, 6 cylinder unit that develops 215 bhp (218 ps/160 kw) of power at 5800 rpm, and. Does. Is300 Rear Suspension Torque Specs.
From www.toyotanation.com
20122017 Rear Suspension Torque Specs Toyota Nation Forum Is300 Rear Suspension Torque Specs Does anyone have the torque specs for: 21 n·m (214 kgf·cm, 15 ft·lbf) (f) install the rear fender liner nuts. Its 3 litre engine is a naturally aspirated, double overhead camshaft, 6 cylinder unit that develops 215 bhp (218 ps/160 kw) of power at 5800 rpm, and. I am not responsible for. 159 2001 lexus is300 (rm779u) torque specification part. Is300 Rear Suspension Torque Specs.
From www.clublexus.com
Rear Suspension torque specs. ClubLexus Lexus Forum Discussion Is300 Rear Suspension Torque Specs 21 n·m (214 kgf·cm, 15 ft·lbf) (f) install the rear fender liner nuts. Rear traction arms rear toe arms lower control. Pm me if you need of torque spec that is not listed. It's concerning the torque spec for the nut/bolt closer to the center of the vehicle on the lower control arm. Here are a list of some torque. Is300 Rear Suspension Torque Specs.
From www.reddit.com
Torque specs (Front Suspension) r/IS300 Is300 Rear Suspension Torque Specs (g) raise the lower the suspension arm and temporarily install the nuts. Here are a list of some torque specifications. Does anyone have the torque specs for: I am not responsible for. 21 n·m (214 kgf·cm, 15 ft·lbf) (f) install the rear fender liner nuts. It's concerning the torque spec for the nut/bolt closer to the center of the vehicle. Is300 Rear Suspension Torque Specs.
From www.toyotanation.com
20122017 Rear Suspension Torque Specs Toyota Nation Forum Is300 Rear Suspension Torque Specs The lexus is 300's engine is a turbocharged petrol, 2 litre, double overhead camshaft 4 cylinder with 4 valves per cylinder. It's concerning the torque spec for the nut/bolt closer to the center of the vehicle on the lower control arm. Torque specs for rear suspension. Does anyone have the torque specs for: Rear traction arms rear toe arms lower. Is300 Rear Suspension Torque Specs.
From www.2carpros.com
Torque Specs for Rear and Front Suspension? Is300 Rear Suspension Torque Specs (g) raise the lower the suspension arm and temporarily install the nuts. Here are a list of some torque specifications. In lobux's rear figure, it's labeled 140 (1,430,103). if anyone has a copy of the f. 159 2001 lexus is300 (rm779u) torque specification part tighten. The lexus is 300's engine is a turbocharged petrol, 2 litre, double overhead camshaft 4. Is300 Rear Suspension Torque Specs.
From www.toyotanation.com
20122017 Rear Suspension Torque Specs Toyota Nation Forum Is300 Rear Suspension Torque Specs Its 3 litre engine is a naturally aspirated, double overhead camshaft, 6 cylinder unit that develops 215 bhp (218 ps/160 kw) of power at 5800 rpm, and. In lobux's rear figure, it's labeled 140 (1,430,103). if anyone has a copy of the f. Does anyone have access to the rear end torque specs. The only resource that i can find. Is300 Rear Suspension Torque Specs.
From garagefixpettisanix5.z21.web.core.windows.net
2012 Honda Civic Suspension Kits Is300 Rear Suspension Torque Specs Its 3 litre engine is a naturally aspirated, double overhead camshaft, 6 cylinder unit that develops 215 bhp (218 ps/160 kw) of power at 5800 rpm, and. I am not responsible for. Does anyone have access to the rear end torque specs. The only resource that i can find on the internet is. It's concerning the torque spec for the. Is300 Rear Suspension Torque Specs.
From www.toyotanation.com
20122017 Rear Suspension Torque Specs Toyota Nation Forum Is300 Rear Suspension Torque Specs The lexus is 300's engine is a turbocharged petrol, 2 litre, double overhead camshaft 4 cylinder with 4 valves per cylinder. Here are a list of some torque specifications. Does anyone have access to the rear end torque specs. Does anyone have the torque specs for: It's concerning the torque spec for the nut/bolt closer to the center of the. Is300 Rear Suspension Torque Specs.
From coiloverdepot.com
0105 Lexus IS300 Truhart Adjustable Rear Upper Control Arms Is300 Rear Suspension Torque Specs The only resource that i can find on the internet is. 159 2001 lexus is300 (rm779u) torque specification part tighten. Does anyone have the torque specs for: Rear traction arms rear toe arms lower control. I am not responsible for. 21 n·m (214 kgf·cm, 15 ft·lbf) (f) install the rear fender liner nuts. In lobux's rear figure, it's labeled 140. Is300 Rear Suspension Torque Specs.
From www.clublexus.com
Rear Suspension torque specs. ClubLexus Lexus Forum Discussion Is300 Rear Suspension Torque Specs 159 2001 lexus is300 (rm779u) torque specification part tighten. Does anyone have the torque specs for: It's concerning the torque spec for the nut/bolt closer to the center of the vehicle on the lower control arm. I am not responsible for. The only resource that i can find on the internet is. In lobux's rear figure, it's labeled 140 (1,430,103).. Is300 Rear Suspension Torque Specs.
From www.clublexus.com
Suspension Torque Specs Bushing Reset Info **LOOK HERE FIRST** Page 3 ClubLexus Lexus Is300 Rear Suspension Torque Specs Does anyone have the torque specs for: It's concerning the torque spec for the nut/bolt closer to the center of the vehicle on the lower control arm. (g) raise the lower the suspension arm and temporarily install the nuts. Here are a list of some torque specifications. Its 3 litre engine is a naturally aspirated, double overhead camshaft, 6 cylinder. Is300 Rear Suspension Torque Specs.
From www.clublexus.com
Front Suspension Torque Specs Rear Lower Control Arm/Tie Rods ??? ClubLexus Lexus Forum Is300 Rear Suspension Torque Specs In lobux's rear figure, it's labeled 140 (1,430,103). if anyone has a copy of the f. Does anyone have the torque specs for: It's concerning the torque spec for the nut/bolt closer to the center of the vehicle on the lower control arm. Pm me if you need of torque spec that is not listed. Its 3 litre engine is. Is300 Rear Suspension Torque Specs.
From www.tf-works.com
SuperPro Rear Upper Control Arm / Camber Adjustable Bushings IS300 / GS300 TF Works / Touge Is300 Rear Suspension Torque Specs The lexus is 300's engine is a turbocharged petrol, 2 litre, double overhead camshaft 4 cylinder with 4 valves per cylinder. Torque specs for rear suspension. Does anyone have access to the rear end torque specs. Does anyone have the torque specs for: Here are a list of some torque specifications. (g) raise the lower the suspension arm and temporarily. Is300 Rear Suspension Torque Specs.
From www.toyotanation.com
20122017 Rear Suspension Torque Specs Toyota Nation Forum Is300 Rear Suspension Torque Specs 159 2001 lexus is300 (rm779u) torque specification part tighten. Pm me if you need of torque spec that is not listed. Torque specs for rear suspension. Does anyone have the torque specs for: The lexus is 300's engine is a turbocharged petrol, 2 litre, double overhead camshaft 4 cylinder with 4 valves per cylinder. 21 n·m (214 kgf·cm, 15 ft·lbf). Is300 Rear Suspension Torque Specs.
From mavink.com
Lexus Is300 Engine Bolt Torque Chart Is300 Rear Suspension Torque Specs It's concerning the torque spec for the nut/bolt closer to the center of the vehicle on the lower control arm. In lobux's rear figure, it's labeled 140 (1,430,103). if anyone has a copy of the f. Pm me if you need of torque spec that is not listed. 159 2001 lexus is300 (rm779u) torque specification part tighten. Its 3 litre. Is300 Rear Suspension Torque Specs.
From www.2carpros.com
Rear Suspension Arms Torque Specs Needed? Thank You, Guys, in Is300 Rear Suspension Torque Specs The lexus is 300's engine is a turbocharged petrol, 2 litre, double overhead camshaft 4 cylinder with 4 valves per cylinder. The only resource that i can find on the internet is. Rear traction arms rear toe arms lower control. Here are a list of some torque specifications. 159 2001 lexus is300 (rm779u) torque specification part tighten. 21 n·m (214. Is300 Rear Suspension Torque Specs.
From forum.ih8mud.com
Torque specs for rear suspension? IH8MUD Forum Is300 Rear Suspension Torque Specs Rear traction arms rear toe arms lower control. Does anyone have the torque specs for: The lexus is 300's engine is a turbocharged petrol, 2 litre, double overhead camshaft 4 cylinder with 4 valves per cylinder. Does anyone have access to the rear end torque specs. In lobux's rear figure, it's labeled 140 (1,430,103). if anyone has a copy of. Is300 Rear Suspension Torque Specs.
From www.my.is
Confirmation for Axle Hub Lock Nut torque needed! 2005 Lexus IS300 SportCross Lexus IS Forum Is300 Rear Suspension Torque Specs I am not responsible for. The only resource that i can find on the internet is. 159 2001 lexus is300 (rm779u) torque specification part tighten. Rear traction arms rear toe arms lower control. Its 3 litre engine is a naturally aspirated, double overhead camshaft, 6 cylinder unit that develops 215 bhp (218 ps/160 kw) of power at 5800 rpm, and.. Is300 Rear Suspension Torque Specs.
From exouqkatk.blob.core.windows.net
Rear Suspension Torque Specs at Robert Blanchard blog Is300 Rear Suspension Torque Specs I am not responsible for. Torque specs for rear suspension. Its 3 litre engine is a naturally aspirated, double overhead camshaft, 6 cylinder unit that develops 215 bhp (218 ps/160 kw) of power at 5800 rpm, and. Pm me if you need of torque spec that is not listed. Does anyone have access to the rear end torque specs. (g). Is300 Rear Suspension Torque Specs.
From www.pinnaxis.com
E53 Front And Rear Suspension Torque Specs, 46 OFF Is300 Rear Suspension Torque Specs 159 2001 lexus is300 (rm779u) torque specification part tighten. The lexus is 300's engine is a turbocharged petrol, 2 litre, double overhead camshaft 4 cylinder with 4 valves per cylinder. Does anyone have access to the rear end torque specs. Rear traction arms rear toe arms lower control. Here are a list of some torque specifications. It's concerning the torque. Is300 Rear Suspension Torque Specs.
From www.justanswer.com
Changing front wheel bearings on 2009 lexus rx350. Need torque spec drawings for the front Is300 Rear Suspension Torque Specs It's concerning the torque spec for the nut/bolt closer to the center of the vehicle on the lower control arm. Its 3 litre engine is a naturally aspirated, double overhead camshaft, 6 cylinder unit that develops 215 bhp (218 ps/160 kw) of power at 5800 rpm, and. The lexus is 300's engine is a turbocharged petrol, 2 litre, double overhead. Is300 Rear Suspension Torque Specs.
From www.tacomaworld.com
The Torque Spec. Guide World Is300 Rear Suspension Torque Specs Rear traction arms rear toe arms lower control. The lexus is 300's engine is a turbocharged petrol, 2 litre, double overhead camshaft 4 cylinder with 4 valves per cylinder. 159 2001 lexus is300 (rm779u) torque specification part tighten. Here are a list of some torque specifications. I am not responsible for. 21 n·m (214 kgf·cm, 15 ft·lbf) (f) install the. Is300 Rear Suspension Torque Specs.
From www.challengertalk.com
Front & Rear Suspension Torque Specs Dodge Challenger Forum Is300 Rear Suspension Torque Specs Does anyone have access to the rear end torque specs. (g) raise the lower the suspension arm and temporarily install the nuts. Here are a list of some torque specifications. Its 3 litre engine is a naturally aspirated, double overhead camshaft, 6 cylinder unit that develops 215 bhp (218 ps/160 kw) of power at 5800 rpm, and. It's concerning the. Is300 Rear Suspension Torque Specs.
From www.2carpros.com
Torque Specs for Rear and Front Suspension? Is300 Rear Suspension Torque Specs Pm me if you need of torque spec that is not listed. I am not responsible for. In lobux's rear figure, it's labeled 140 (1,430,103). if anyone has a copy of the f. Its 3 litre engine is a naturally aspirated, double overhead camshaft, 6 cylinder unit that develops 215 bhp (218 ps/160 kw) of power at 5800 rpm, and.. Is300 Rear Suspension Torque Specs.
From www.toyotanation.com
Rear strut torque specs Toyota Nation Forum Is300 Rear Suspension Torque Specs (g) raise the lower the suspension arm and temporarily install the nuts. Pm me if you need of torque spec that is not listed. Rear traction arms rear toe arms lower control. 159 2001 lexus is300 (rm779u) torque specification part tighten. It's concerning the torque spec for the nut/bolt closer to the center of the vehicle on the lower control. Is300 Rear Suspension Torque Specs.
From www.clublexus.com
Rear Suspension torque specs. ClubLexus Lexus Forum Discussion Is300 Rear Suspension Torque Specs (g) raise the lower the suspension arm and temporarily install the nuts. 159 2001 lexus is300 (rm779u) torque specification part tighten. Does anyone have the torque specs for: The lexus is 300's engine is a turbocharged petrol, 2 litre, double overhead camshaft 4 cylinder with 4 valves per cylinder. In lobux's rear figure, it's labeled 140 (1,430,103). if anyone has. Is300 Rear Suspension Torque Specs.
From automotorpad.com
Chrysler 300 rear suspension diagram Is300 Rear Suspension Torque Specs In lobux's rear figure, it's labeled 140 (1,430,103). if anyone has a copy of the f. Does anyone have the torque specs for: 21 n·m (214 kgf·cm, 15 ft·lbf) (f) install the rear fender liner nuts. Here are a list of some torque specifications. Rear traction arms rear toe arms lower control. Torque specs for rear suspension. 159 2001 lexus. Is300 Rear Suspension Torque Specs.
From www.reddit.com
Torque specs (Front Suspension) r/IS300 Is300 Rear Suspension Torque Specs I am not responsible for. 159 2001 lexus is300 (rm779u) torque specification part tighten. 21 n·m (214 kgf·cm, 15 ft·lbf) (f) install the rear fender liner nuts. Pm me if you need of torque spec that is not listed. The lexus is 300's engine is a turbocharged petrol, 2 litre, double overhead camshaft 4 cylinder with 4 valves per cylinder.. Is300 Rear Suspension Torque Specs.
From www.reddit.com
Torque specs (Front Suspension) r/IS300 Is300 Rear Suspension Torque Specs It's concerning the torque spec for the nut/bolt closer to the center of the vehicle on the lower control arm. The only resource that i can find on the internet is. 159 2001 lexus is300 (rm779u) torque specification part tighten. Pm me if you need of torque spec that is not listed. (g) raise the lower the suspension arm and. Is300 Rear Suspension Torque Specs.
From www.tacomaworld.com
Torque specs? World Is300 Rear Suspension Torque Specs Here are a list of some torque specifications. Rear traction arms rear toe arms lower control. In lobux's rear figure, it's labeled 140 (1,430,103). if anyone has a copy of the f. Torque specs for rear suspension. The only resource that i can find on the internet is. The lexus is 300's engine is a turbocharged petrol, 2 litre, double. Is300 Rear Suspension Torque Specs.
From diagramdataakins.z19.web.core.windows.net
Lexus Is300 Parts Diagram Is300 Rear Suspension Torque Specs Pm me if you need of torque spec that is not listed. Does anyone have access to the rear end torque specs. 159 2001 lexus is300 (rm779u) torque specification part tighten. It's concerning the torque spec for the nut/bolt closer to the center of the vehicle on the lower control arm. The lexus is 300's engine is a turbocharged petrol,. Is300 Rear Suspension Torque Specs.