Ariens Snowblower Drive Belt Slipping . ariens 11528le drive belt slips off. If the friction ring is. I picked up this blower used. how to adjust drive belt on ariens snowblowerdisclaimer. i have an ariens snowblower, model # 926038, and the drive belt keeps falling off of the pulleys when i release the. if the snowblower drive belt is slipping, the best solution is to check for damage to the belt and then tighten it. The auger wouldn't spin so i replaced auger belt and drive belt they were both. the friction ring (also called the friction wheel) has a rubber outer layer that grips and turns the drive plate.
from www.lowes.com
the friction ring (also called the friction wheel) has a rubber outer layer that grips and turns the drive plate. I picked up this blower used. If the friction ring is. ariens 11528le drive belt slips off. if the snowblower drive belt is slipping, the best solution is to check for damage to the belt and then tighten it. i have an ariens snowblower, model # 926038, and the drive belt keeps falling off of the pulleys when i release the. The auger wouldn't spin so i replaced auger belt and drive belt they were both. how to adjust drive belt on ariens snowblowerdisclaimer.
Ariens Drive Belt for Snow Blower at
Ariens Snowblower Drive Belt Slipping if the snowblower drive belt is slipping, the best solution is to check for damage to the belt and then tighten it. the friction ring (also called the friction wheel) has a rubber outer layer that grips and turns the drive plate. The auger wouldn't spin so i replaced auger belt and drive belt they were both. If the friction ring is. I picked up this blower used. if the snowblower drive belt is slipping, the best solution is to check for damage to the belt and then tighten it. i have an ariens snowblower, model # 926038, and the drive belt keeps falling off of the pulleys when i release the. ariens 11528le drive belt slips off. how to adjust drive belt on ariens snowblowerdisclaimer.
From www.snowblowerforum.com
Ariens 724 drive belt idler spring Snowblower Forum Snow Blower Forums Ariens Snowblower Drive Belt Slipping i have an ariens snowblower, model # 926038, and the drive belt keeps falling off of the pulleys when i release the. If the friction ring is. I picked up this blower used. how to adjust drive belt on ariens snowblowerdisclaimer. if the snowblower drive belt is slipping, the best solution is to check for damage to. Ariens Snowblower Drive Belt Slipping.
From www.snowblowerforum.com
ARIENS st724 DRIVE ISSUE Snowblower Forum Ariens Snowblower Drive Belt Slipping the friction ring (also called the friction wheel) has a rubber outer layer that grips and turns the drive plate. how to adjust drive belt on ariens snowblowerdisclaimer. If the friction ring is. i have an ariens snowblower, model # 926038, and the drive belt keeps falling off of the pulleys when i release the. ariens. Ariens Snowblower Drive Belt Slipping.
From www.snowblowerforum.com
Ariens moves too fast Snowblower Forum Ariens Snowblower Drive Belt Slipping If the friction ring is. i have an ariens snowblower, model # 926038, and the drive belt keeps falling off of the pulleys when i release the. the friction ring (also called the friction wheel) has a rubber outer layer that grips and turns the drive plate. how to adjust drive belt on ariens snowblowerdisclaimer. ariens. Ariens Snowblower Drive Belt Slipping.
From www.mfgsupply.com
Drive Belt for Ariens (set of 2 belts) Snowblower Parts MFG Supply Ariens Snowblower Drive Belt Slipping the friction ring (also called the friction wheel) has a rubber outer layer that grips and turns the drive plate. I picked up this blower used. ariens 11528le drive belt slips off. if the snowblower drive belt is slipping, the best solution is to check for damage to the belt and then tighten it. The auger wouldn't. Ariens Snowblower Drive Belt Slipping.
From www.youtube.com
Ariens snowblower direction chute slipping (slips) YouTube Ariens Snowblower Drive Belt Slipping ariens 11528le drive belt slips off. if the snowblower drive belt is slipping, the best solution is to check for damage to the belt and then tighten it. If the friction ring is. I picked up this blower used. the friction ring (also called the friction wheel) has a rubber outer layer that grips and turns the. Ariens Snowblower Drive Belt Slipping.
From www.partstree.com
Ariens 920001 (ST 624 E) Ariens 24" Snow Blower, 6hp Tecumseh (SN Ariens Snowblower Drive Belt Slipping ariens 11528le drive belt slips off. how to adjust drive belt on ariens snowblowerdisclaimer. If the friction ring is. I picked up this blower used. i have an ariens snowblower, model # 926038, and the drive belt keeps falling off of the pulleys when i release the. The auger wouldn't spin so i replaced auger belt and. Ariens Snowblower Drive Belt Slipping.
From www.snowblowerforum.com
St824 auger belt slipping off Snowblower Forum Snow Blower Forums Ariens Snowblower Drive Belt Slipping If the friction ring is. how to adjust drive belt on ariens snowblowerdisclaimer. if the snowblower drive belt is slipping, the best solution is to check for damage to the belt and then tighten it. i have an ariens snowblower, model # 926038, and the drive belt keeps falling off of the pulleys when i release the.. Ariens Snowblower Drive Belt Slipping.
From www.reddit.com
Ariens Deluxe SHO 28 (921048) keeps shredding drive belts, any ideas Ariens Snowblower Drive Belt Slipping the friction ring (also called the friction wheel) has a rubber outer layer that grips and turns the drive plate. The auger wouldn't spin so i replaced auger belt and drive belt they were both. If the friction ring is. I picked up this blower used. ariens 11528le drive belt slips off. how to adjust drive belt. Ariens Snowblower Drive Belt Slipping.
From www.snowblowerforum.com
Ariens 11528LE Drive Belt Slips Off Page 3 Snowblower Forum Snow Ariens Snowblower Drive Belt Slipping how to adjust drive belt on ariens snowblowerdisclaimer. If the friction ring is. ariens 11528le drive belt slips off. i have an ariens snowblower, model # 926038, and the drive belt keeps falling off of the pulleys when i release the. I picked up this blower used. the friction ring (also called the friction wheel) has. Ariens Snowblower Drive Belt Slipping.
From www.youtube.com
Ariens GT Snowblower belt swap YouTube Ariens Snowblower Drive Belt Slipping The auger wouldn't spin so i replaced auger belt and drive belt they were both. ariens 11528le drive belt slips off. if the snowblower drive belt is slipping, the best solution is to check for damage to the belt and then tighten it. i have an ariens snowblower, model # 926038, and the drive belt keeps falling. Ariens Snowblower Drive Belt Slipping.
From www.pinterest.com
How to Replace A Friction Disk on Ariens 926LE (926001) Friction Ariens Snowblower Drive Belt Slipping ariens 11528le drive belt slips off. The auger wouldn't spin so i replaced auger belt and drive belt they were both. the friction ring (also called the friction wheel) has a rubber outer layer that grips and turns the drive plate. how to adjust drive belt on ariens snowblowerdisclaimer. i have an ariens snowblower, model #. Ariens Snowblower Drive Belt Slipping.
From www.lawnmowerpartstore.com
Drive Belt for Ariens ST524, ST724, ST824, ST832, 07210800, 72108 Ariens Snowblower Drive Belt Slipping i have an ariens snowblower, model # 926038, and the drive belt keeps falling off of the pulleys when i release the. the friction ring (also called the friction wheel) has a rubber outer layer that grips and turns the drive plate. If the friction ring is. if the snowblower drive belt is slipping, the best solution. Ariens Snowblower Drive Belt Slipping.
From www.homedepot.com
Ariens Replacement Auger Belt for SnoTek Compact SelfPropelled Snow Ariens Snowblower Drive Belt Slipping i have an ariens snowblower, model # 926038, and the drive belt keeps falling off of the pulleys when i release the. I picked up this blower used. ariens 11528le drive belt slips off. how to adjust drive belt on ariens snowblowerdisclaimer. The auger wouldn't spin so i replaced auger belt and drive belt they were both.. Ariens Snowblower Drive Belt Slipping.
From www.youtube.com
Ariens Snowblower Belt Replacement YouTube Ariens Snowblower Drive Belt Slipping the friction ring (also called the friction wheel) has a rubber outer layer that grips and turns the drive plate. I picked up this blower used. i have an ariens snowblower, model # 926038, and the drive belt keeps falling off of the pulleys when i release the. ariens 11528le drive belt slips off. how to. Ariens Snowblower Drive Belt Slipping.
From www.lawnmowerpartstore.com
Drive Belt for Ariens ST524, ST724, ST824, ST832, 07210800, 72108 Ariens Snowblower Drive Belt Slipping if the snowblower drive belt is slipping, the best solution is to check for damage to the belt and then tighten it. I picked up this blower used. The auger wouldn't spin so i replaced auger belt and drive belt they were both. how to adjust drive belt on ariens snowblowerdisclaimer. i have an ariens snowblower, model. Ariens Snowblower Drive Belt Slipping.
From www.snowblowerforum.com
Ariens ST724 Not shifting to Forward Drive Snowblower Forum Ariens Snowblower Drive Belt Slipping If the friction ring is. the friction ring (also called the friction wheel) has a rubber outer layer that grips and turns the drive plate. The auger wouldn't spin so i replaced auger belt and drive belt they were both. I picked up this blower used. how to adjust drive belt on ariens snowblowerdisclaimer. if the snowblower. Ariens Snowblower Drive Belt Slipping.
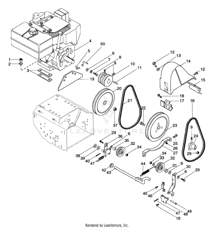
From diagramlibvmetat31l.z13.web.core.windows.net
Belt Replacement Ariens Drive Belt Diagram Ariens Snowblower Drive Belt Slipping if the snowblower drive belt is slipping, the best solution is to check for damage to the belt and then tighten it. how to adjust drive belt on ariens snowblowerdisclaimer. The auger wouldn't spin so i replaced auger belt and drive belt they were both. If the friction ring is. i have an ariens snowblower, model #. Ariens Snowblower Drive Belt Slipping.
From circuitasincronoai.z14.web.core.windows.net
Ariens 46 Inch 20 Hp Riding Mower Manual Ariens Snowblower Drive Belt Slipping The auger wouldn't spin so i replaced auger belt and drive belt they were both. how to adjust drive belt on ariens snowblowerdisclaimer. if the snowblower drive belt is slipping, the best solution is to check for damage to the belt and then tighten it. If the friction ring is. the friction ring (also called the friction. Ariens Snowblower Drive Belt Slipping.
From www.youtube.com
Ariens Snowblower repair, DRIVE DISC REPLACEMENT. Snowblower won,t move Ariens Snowblower Drive Belt Slipping the friction ring (also called the friction wheel) has a rubber outer layer that grips and turns the drive plate. The auger wouldn't spin so i replaced auger belt and drive belt they were both. how to adjust drive belt on ariens snowblowerdisclaimer. I picked up this blower used. If the friction ring is. if the snowblower. Ariens Snowblower Drive Belt Slipping.
From www.youtube.com
How to Change Snow Blower Belts AriensĀ® YouTube Ariens Snowblower Drive Belt Slipping i have an ariens snowblower, model # 926038, and the drive belt keeps falling off of the pulleys when i release the. ariens 11528le drive belt slips off. if the snowblower drive belt is slipping, the best solution is to check for damage to the belt and then tighten it. how to adjust drive belt on. Ariens Snowblower Drive Belt Slipping.
From www.youtube.com
Ariens Snowblower Locking Differential Demo YouTube Ariens Snowblower Drive Belt Slipping the friction ring (also called the friction wheel) has a rubber outer layer that grips and turns the drive plate. ariens 11528le drive belt slips off. if the snowblower drive belt is slipping, the best solution is to check for damage to the belt and then tighten it. The auger wouldn't spin so i replaced auger belt. Ariens Snowblower Drive Belt Slipping.
From www.fleetfarm.com
Ariens Deluxe Drive Belt for 2Stage Snow Blower by Ariens at Fleet Farm Ariens Snowblower Drive Belt Slipping If the friction ring is. The auger wouldn't spin so i replaced auger belt and drive belt they were both. ariens 11528le drive belt slips off. how to adjust drive belt on ariens snowblowerdisclaimer. if the snowblower drive belt is slipping, the best solution is to check for damage to the belt and then tighten it. . Ariens Snowblower Drive Belt Slipping.
From www.youtube.com
Ariens snowblower direction chute slipping (slips) YouTube Ariens Snowblower Drive Belt Slipping if the snowblower drive belt is slipping, the best solution is to check for damage to the belt and then tighten it. The auger wouldn't spin so i replaced auger belt and drive belt they were both. I picked up this blower used. i have an ariens snowblower, model # 926038, and the drive belt keeps falling off. Ariens Snowblower Drive Belt Slipping.
From www.youtube.com
ariens snowblower drive repair YouTube Ariens Snowblower Drive Belt Slipping how to adjust drive belt on ariens snowblowerdisclaimer. The auger wouldn't spin so i replaced auger belt and drive belt they were both. i have an ariens snowblower, model # 926038, and the drive belt keeps falling off of the pulleys when i release the. if the snowblower drive belt is slipping, the best solution is to. Ariens Snowblower Drive Belt Slipping.
From www.drmower.ca
07210600 Ariens OEM Cogged Auger Snowblower Belt DR Mower Parts Ariens Snowblower Drive Belt Slipping if the snowblower drive belt is slipping, the best solution is to check for damage to the belt and then tighten it. the friction ring (also called the friction wheel) has a rubber outer layer that grips and turns the drive plate. If the friction ring is. how to adjust drive belt on ariens snowblowerdisclaimer. The auger. Ariens Snowblower Drive Belt Slipping.
From www.youtube.com
How to adjust drive lever on Ariens snowblower YouTube Ariens Snowblower Drive Belt Slipping The auger wouldn't spin so i replaced auger belt and drive belt they were both. i have an ariens snowblower, model # 926038, and the drive belt keeps falling off of the pulleys when i release the. ariens 11528le drive belt slips off. I picked up this blower used. If the friction ring is. the friction ring. Ariens Snowblower Drive Belt Slipping.
From www.repairclinic.com
Ariens Snowblower Drive Belt Kit Replacement 07200514 Repair Clinic Ariens Snowblower Drive Belt Slipping The auger wouldn't spin so i replaced auger belt and drive belt they were both. if the snowblower drive belt is slipping, the best solution is to check for damage to the belt and then tighten it. i have an ariens snowblower, model # 926038, and the drive belt keeps falling off of the pulleys when i release. Ariens Snowblower Drive Belt Slipping.
From www.lowes.com
Ariens Drive Belt for Snow Blower at Ariens Snowblower Drive Belt Slipping how to adjust drive belt on ariens snowblowerdisclaimer. the friction ring (also called the friction wheel) has a rubber outer layer that grips and turns the drive plate. ariens 11528le drive belt slips off. I picked up this blower used. If the friction ring is. The auger wouldn't spin so i replaced auger belt and drive belt. Ariens Snowblower Drive Belt Slipping.
From www.snowblowerforum.com
Ariens 921005 (927LE) vbelt slipping off / not aligned properly Ariens Snowblower Drive Belt Slipping ariens 11528le drive belt slips off. I picked up this blower used. The auger wouldn't spin so i replaced auger belt and drive belt they were both. how to adjust drive belt on ariens snowblowerdisclaimer. i have an ariens snowblower, model # 926038, and the drive belt keeps falling off of the pulleys when i release the.. Ariens Snowblower Drive Belt Slipping.
From www.bonanza.com
Ariens 932105, 932506 snowblower drive belt 7200007 / 265905 Snow Ariens Snowblower Drive Belt Slipping the friction ring (also called the friction wheel) has a rubber outer layer that grips and turns the drive plate. ariens 11528le drive belt slips off. i have an ariens snowblower, model # 926038, and the drive belt keeps falling off of the pulleys when i release the. The auger wouldn't spin so i replaced auger belt. Ariens Snowblower Drive Belt Slipping.
From www.ariens.com
How to Tell if a Mower Belt is Worn Ariens Ariens Snowblower Drive Belt Slipping If the friction ring is. the friction ring (also called the friction wheel) has a rubber outer layer that grips and turns the drive plate. i have an ariens snowblower, model # 926038, and the drive belt keeps falling off of the pulleys when i release the. if the snowblower drive belt is slipping, the best solution. Ariens Snowblower Drive Belt Slipping.
From www.repairclinic.com
Ariens Snowblower Drive Belt Replacement 07200111 Repair Clinic Ariens Snowblower Drive Belt Slipping ariens 11528le drive belt slips off. the friction ring (also called the friction wheel) has a rubber outer layer that grips and turns the drive plate. I picked up this blower used. if the snowblower drive belt is slipping, the best solution is to check for damage to the belt and then tighten it. how to. Ariens Snowblower Drive Belt Slipping.
From backyardclub.org
How to Change a Snowblower Belt It's Easier Than You Thought! Ariens Snowblower Drive Belt Slipping i have an ariens snowblower, model # 926038, and the drive belt keeps falling off of the pulleys when i release the. the friction ring (also called the friction wheel) has a rubber outer layer that grips and turns the drive plate. how to adjust drive belt on ariens snowblowerdisclaimer. if the snowblower drive belt is. Ariens Snowblower Drive Belt Slipping.
From refreshoutdoors.com
Ariens Snowblower Drive Slipping (Fixed) Refresh Outdoors Ariens Snowblower Drive Belt Slipping how to adjust drive belt on ariens snowblowerdisclaimer. if the snowblower drive belt is slipping, the best solution is to check for damage to the belt and then tighten it. ariens 11528le drive belt slips off. i have an ariens snowblower, model # 926038, and the drive belt keeps falling off of the pulleys when i. Ariens Snowblower Drive Belt Slipping.