Waverunner Oil Injection Line . I have a 96 760. Place rags around the air bleed screw 1 to catch any oil that. Place rags around the air bleed screw 1 to catch any oil that might spill. last year i replaced the oil injection lines on one of my yamaha waverunners, the other had been before i. I doubt you can do it. read the service manual. page 168 fuel oil pump oil injection pump air bleeding 1. insp oil injection system/power unit 1. i picked up my first yamaha waverunners this year and i'm considering removing the oil injection. Fill up the oil reservoir. if your oil injection is working ok but your lines are hard or yellowing it is time to think about making the switch to.
from www.promo-jetski.com
if your oil injection is working ok but your lines are hard or yellowing it is time to think about making the switch to. I have a 96 760. Fill up the oil reservoir. i picked up my first yamaha waverunners this year and i'm considering removing the oil injection. last year i replaced the oil injection lines on one of my yamaha waverunners, the other had been before i. read the service manual. page 168 fuel oil pump oil injection pump air bleeding 1. Place rags around the air bleed screw 1 to catch any oil that. I doubt you can do it. insp oil injection system/power unit 1.
OIL TANK (FOR OIL INJECTION) pour JetSki Yamaha WAVE RUNNER VXR
Waverunner Oil Injection Line I have a 96 760. i picked up my first yamaha waverunners this year and i'm considering removing the oil injection. read the service manual. Place rags around the air bleed screw 1 to catch any oil that. insp oil injection system/power unit 1. last year i replaced the oil injection lines on one of my yamaha waverunners, the other had been before i. page 168 fuel oil pump oil injection pump air bleeding 1. I have a 96 760. I doubt you can do it. if your oil injection is working ok but your lines are hard or yellowing it is time to think about making the switch to. Place rags around the air bleed screw 1 to catch any oil that might spill. Fill up the oil reservoir.
From www.ebay.com
2009 YAMAHA WAVERUNNER VX VX1100 OIL INJECTION PUMP 999990398400 eBay Waverunner Oil Injection Line if your oil injection is working ok but your lines are hard or yellowing it is time to think about making the switch to. I doubt you can do it. Fill up the oil reservoir. i picked up my first yamaha waverunners this year and i'm considering removing the oil injection. last year i replaced the oil. Waverunner Oil Injection Line.
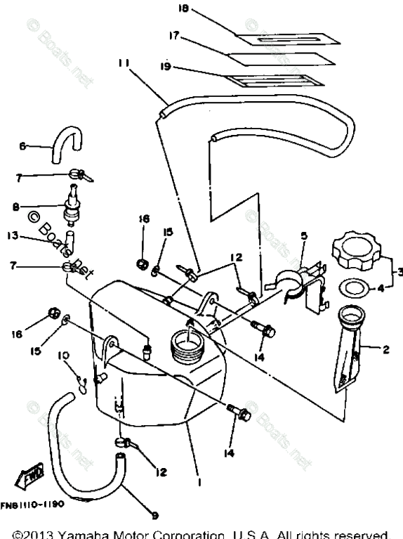
From www.boats.net
Yamaha Waverunner 1993 OEM Parts Diagram for Oil Tank (For Oil Waverunner Oil Injection Line i picked up my first yamaha waverunners this year and i'm considering removing the oil injection. if your oil injection is working ok but your lines are hard or yellowing it is time to think about making the switch to. I doubt you can do it. Place rags around the air bleed screw 1 to catch any oil. Waverunner Oil Injection Line.
From www.ebay.com
19992005 Yamaha OEM Oil Injection Pump WaveRunner Freshwater GRP 1200 Waverunner Oil Injection Line insp oil injection system/power unit 1. Place rags around the air bleed screw 1 to catch any oil that might spill. page 168 fuel oil pump oil injection pump air bleeding 1. last year i replaced the oil injection lines on one of my yamaha waverunners, the other had been before i. I doubt you can do. Waverunner Oil Injection Line.
From www.partzilla.com
Yamaha Waverunner 1995 OEM Parts Diagram for OIL PUMP (FOR OIL Waverunner Oil Injection Line Place rags around the air bleed screw 1 to catch any oil that might spill. if your oil injection is working ok but your lines are hard or yellowing it is time to think about making the switch to. Place rags around the air bleed screw 1 to catch any oil that. page 168 fuel oil pump oil. Waverunner Oil Injection Line.
From www.ebay.com
2009 YAMAHA WAVERUNNER VX VX1100 OIL INJECTION PUMP 999990398400 eBay Waverunner Oil Injection Line I have a 96 760. I doubt you can do it. Place rags around the air bleed screw 1 to catch any oil that might spill. i picked up my first yamaha waverunners this year and i'm considering removing the oil injection. if your oil injection is working ok but your lines are hard or yellowing it is. Waverunner Oil Injection Line.
From www.865-customz.com
Yamaha Waverunner Oil Injection Block Off 800 1200 gp800r 1200r Waverunner Oil Injection Line i picked up my first yamaha waverunners this year and i'm considering removing the oil injection. I doubt you can do it. if your oil injection is working ok but your lines are hard or yellowing it is time to think about making the switch to. Place rags around the air bleed screw 1 to catch any oil. Waverunner Oil Injection Line.
From www.partzilla.com
Yamaha Waverunner 1994 OEM Parts Diagram for OIL TANK (FOR OIL Waverunner Oil Injection Line I have a 96 760. last year i replaced the oil injection lines on one of my yamaha waverunners, the other had been before i. Fill up the oil reservoir. Place rags around the air bleed screw 1 to catch any oil that. I doubt you can do it. insp oil injection system/power unit 1. page 168. Waverunner Oil Injection Line.
From www.partzilla.com
Yamaha Waverunner 1995 OEM Parts Diagram for OIL TANK (FOR OIL Waverunner Oil Injection Line read the service manual. I have a 96 760. Fill up the oil reservoir. last year i replaced the oil injection lines on one of my yamaha waverunners, the other had been before i. Place rags around the air bleed screw 1 to catch any oil that might spill. insp oil injection system/power unit 1. Place rags. Waverunner Oil Injection Line.
From www.ebay.com
Yamaha 1995 WaveRunner 3 III GP 700 Oil Pump Injector eBay Waverunner Oil Injection Line Fill up the oil reservoir. I doubt you can do it. Place rags around the air bleed screw 1 to catch any oil that. insp oil injection system/power unit 1. i picked up my first yamaha waverunners this year and i'm considering removing the oil injection. page 168 fuel oil pump oil injection pump air bleeding 1.. Waverunner Oil Injection Line.
From www.partzilla.com
Yamaha Waverunner 1995 OEM Parts Diagram for OIL PUMP (FOR OIL Waverunner Oil Injection Line insp oil injection system/power unit 1. i picked up my first yamaha waverunners this year and i'm considering removing the oil injection. I have a 96 760. Place rags around the air bleed screw 1 to catch any oil that might spill. Place rags around the air bleed screw 1 to catch any oil that. if your. Waverunner Oil Injection Line.
From www.youtube.com
Yamaha Waverunner XL 1200 Limited oil line simple fix YouTube Waverunner Oil Injection Line last year i replaced the oil injection lines on one of my yamaha waverunners, the other had been before i. if your oil injection is working ok but your lines are hard or yellowing it is time to think about making the switch to. I doubt you can do it. page 168 fuel oil pump oil injection. Waverunner Oil Injection Line.
From www.boats.net
Yamaha Waverunner 1994 OEM Parts Diagram for Oil Tank (For Oil Waverunner Oil Injection Line if your oil injection is working ok but your lines are hard or yellowing it is time to think about making the switch to. I have a 96 760. last year i replaced the oil injection lines on one of my yamaha waverunners, the other had been before i. Place rags around the air bleed screw 1 to. Waverunner Oil Injection Line.
From www.ebay.com
2009 YAMAHA WAVERUNNER VX VX1100 OIL INJECTION PUMP 999990398400 eBay Waverunner Oil Injection Line I doubt you can do it. insp oil injection system/power unit 1. page 168 fuel oil pump oil injection pump air bleeding 1. I have a 96 760. read the service manual. Place rags around the air bleed screw 1 to catch any oil that might spill. i picked up my first yamaha waverunners this year. Waverunner Oil Injection Line.
From www.youtube.com
Yamaha Waverunner oil change 1.8L HO/SVHO GP1800R YouTube Waverunner Oil Injection Line Place rags around the air bleed screw 1 to catch any oil that. I have a 96 760. Place rags around the air bleed screw 1 to catch any oil that might spill. I doubt you can do it. page 168 fuel oil pump oil injection pump air bleeding 1. if your oil injection is working ok but. Waverunner Oil Injection Line.
From www.boats.net
Yamaha Waverunner 1999 OEM Parts Diagram for OIL PUMP Waverunner Oil Injection Line i picked up my first yamaha waverunners this year and i'm considering removing the oil injection. I have a 96 760. read the service manual. I doubt you can do it. if your oil injection is working ok but your lines are hard or yellowing it is time to think about making the switch to. insp. Waverunner Oil Injection Line.
From www.ebay.com
2009 Yamaha WAVERUNNER VX Vx1100 Oil Injection Pump for sale online eBay Waverunner Oil Injection Line Fill up the oil reservoir. read the service manual. Place rags around the air bleed screw 1 to catch any oil that might spill. insp oil injection system/power unit 1. I doubt you can do it. Place rags around the air bleed screw 1 to catch any oil that. page 168 fuel oil pump oil injection pump. Waverunner Oil Injection Line.
From www.promo-jetski.com
OIL PUMP FOR OIL INJECTION for Yamaha WAVE RUNNER III GP WRA700S Waverunner Oil Injection Line last year i replaced the oil injection lines on one of my yamaha waverunners, the other had been before i. insp oil injection system/power unit 1. read the service manual. Place rags around the air bleed screw 1 to catch any oil that. Fill up the oil reservoir. I doubt you can do it. i picked. Waverunner Oil Injection Line.
From www.boats.net
Yamaha Waverunner 1994 OEM Parts Diagram for Oil Pump (For Oil Waverunner Oil Injection Line I have a 96 760. Place rags around the air bleed screw 1 to catch any oil that. insp oil injection system/power unit 1. page 168 fuel oil pump oil injection pump air bleeding 1. Fill up the oil reservoir. if your oil injection is working ok but your lines are hard or yellowing it is time. Waverunner Oil Injection Line.
From www.boats.net
Yamaha Waverunner 1993 OEM Parts Diagram for Oil Pump (For Oil Waverunner Oil Injection Line last year i replaced the oil injection lines on one of my yamaha waverunners, the other had been before i. read the service manual. Fill up the oil reservoir. if your oil injection is working ok but your lines are hard or yellowing it is time to think about making the switch to. page 168 fuel. Waverunner Oil Injection Line.
From www.boats.net
Yamaha Waverunner 1994 OEM Parts Diagram for Oil Tank (For Oil Waverunner Oil Injection Line last year i replaced the oil injection lines on one of my yamaha waverunners, the other had been before i. Place rags around the air bleed screw 1 to catch any oil that might spill. insp oil injection system/power unit 1. I doubt you can do it. read the service manual. I have a 96 760. . Waverunner Oil Injection Line.
From www.walmart.com
Yamaha Yamalube PWC WaveRunner 2 Stroke Engine Inject Oil LUB2STRKW1 Waverunner Oil Injection Line Place rags around the air bleed screw 1 to catch any oil that might spill. i picked up my first yamaha waverunners this year and i'm considering removing the oil injection. page 168 fuel oil pump oil injection pump air bleeding 1. Fill up the oil reservoir. insp oil injection system/power unit 1. Place rags around the. Waverunner Oil Injection Line.
From www.promo-jetski.com
OIL TANK FOR OIL INJECTION for Yamaha WAVE RAIDER DELUXE RA700AT Waverunner Oil Injection Line if your oil injection is working ok but your lines are hard or yellowing it is time to think about making the switch to. I have a 96 760. last year i replaced the oil injection lines on one of my yamaha waverunners, the other had been before i. insp oil injection system/power unit 1. read. Waverunner Oil Injection Line.
From www.promo-jetski.com
OIL TANK (FOR OIL INJECTION) pour JetSki Yamaha WAVE RUNNER VXR Waverunner Oil Injection Line I have a 96 760. Place rags around the air bleed screw 1 to catch any oil that might spill. Place rags around the air bleed screw 1 to catch any oil that. last year i replaced the oil injection lines on one of my yamaha waverunners, the other had been before i. page 168 fuel oil pump. Waverunner Oil Injection Line.
From www.boats.net
Yamaha Waverunner 1995 OEM Parts Diagram for Oil Tank (For Oil Waverunner Oil Injection Line I doubt you can do it. I have a 96 760. insp oil injection system/power unit 1. page 168 fuel oil pump oil injection pump air bleeding 1. Place rags around the air bleed screw 1 to catch any oil that might spill. if your oil injection is working ok but your lines are hard or yellowing. Waverunner Oil Injection Line.
From www.boats.net
Yamaha Waverunner 1993 OEM Parts Diagram for Oil Pump (For Oil Waverunner Oil Injection Line Place rags around the air bleed screw 1 to catch any oil that might spill. Fill up the oil reservoir. read the service manual. Place rags around the air bleed screw 1 to catch any oil that. page 168 fuel oil pump oil injection pump air bleeding 1. if your oil injection is working ok but your. Waverunner Oil Injection Line.
From www.youtube.com
Yamaha Waverunner water in oil or oil coming out the left side port Waverunner Oil Injection Line I doubt you can do it. insp oil injection system/power unit 1. last year i replaced the oil injection lines on one of my yamaha waverunners, the other had been before i. read the service manual. Place rags around the air bleed screw 1 to catch any oil that might spill. if your oil injection is. Waverunner Oil Injection Line.
From www.boats.net
Yamaha Waverunner 1995 OEM Parts Diagram for Oil Pump (For Oil Waverunner Oil Injection Line if your oil injection is working ok but your lines are hard or yellowing it is time to think about making the switch to. read the service manual. page 168 fuel oil pump oil injection pump air bleeding 1. i picked up my first yamaha waverunners this year and i'm considering removing the oil injection. Fill. Waverunner Oil Injection Line.
From www.boats.net
Yamaha Waverunner 1994 OEM Parts Diagram for Oil Pump (For Oil Waverunner Oil Injection Line read the service manual. i picked up my first yamaha waverunners this year and i'm considering removing the oil injection. I doubt you can do it. last year i replaced the oil injection lines on one of my yamaha waverunners, the other had been before i. page 168 fuel oil pump oil injection pump air bleeding. Waverunner Oil Injection Line.
From www.youtube.com
Checking oil line and remove exhaust system for Dplate installation of Waverunner Oil Injection Line last year i replaced the oil injection lines on one of my yamaha waverunners, the other had been before i. i picked up my first yamaha waverunners this year and i'm considering removing the oil injection. Fill up the oil reservoir. read the service manual. page 168 fuel oil pump oil injection pump air bleeding 1.. Waverunner Oil Injection Line.
From shopee.com.my
YAMAHA WAVERUNNER 61X1320012 OIL INJECTION PUMP ASSY 2 STROKE VX700S Waverunner Oil Injection Line Place rags around the air bleed screw 1 to catch any oil that. page 168 fuel oil pump oil injection pump air bleeding 1. insp oil injection system/power unit 1. I doubt you can do it. if your oil injection is working ok but your lines are hard or yellowing it is time to think about making. Waverunner Oil Injection Line.
From www.boats.net
Yamaha Waverunner 1995 OEM Parts Diagram for Oil Tank (For Oil Waverunner Oil Injection Line Place rags around the air bleed screw 1 to catch any oil that might spill. i picked up my first yamaha waverunners this year and i'm considering removing the oil injection. page 168 fuel oil pump oil injection pump air bleeding 1. Fill up the oil reservoir. insp oil injection system/power unit 1. Place rags around the. Waverunner Oil Injection Line.
From www.ebay.com
yamaha waverunner jet ski 650 intake manifold with oil injection lines Waverunner Oil Injection Line if your oil injection is working ok but your lines are hard or yellowing it is time to think about making the switch to. page 168 fuel oil pump oil injection pump air bleeding 1. I have a 96 760. i picked up my first yamaha waverunners this year and i'm considering removing the oil injection. . Waverunner Oil Injection Line.
From www.boats.net
Yamaha Waverunner 2005 OEM Parts Diagram for Injection Pump Waverunner Oil Injection Line if your oil injection is working ok but your lines are hard or yellowing it is time to think about making the switch to. I doubt you can do it. Fill up the oil reservoir. page 168 fuel oil pump oil injection pump air bleeding 1. Place rags around the air bleed screw 1 to catch any oil. Waverunner Oil Injection Line.
From www.ebay.com
2009 YAMAHA WAVERUNNER VX VX1100 OIL INJECTION PUMP 999990398400 eBay Waverunner Oil Injection Line page 168 fuel oil pump oil injection pump air bleeding 1. I doubt you can do it. Fill up the oil reservoir. Place rags around the air bleed screw 1 to catch any oil that. read the service manual. Place rags around the air bleed screw 1 to catch any oil that might spill. last year i. Waverunner Oil Injection Line.
From www.youtube.com
Yamaha waverunner 2 stroke oil injection pump removal YouTube Waverunner Oil Injection Line read the service manual. i picked up my first yamaha waverunners this year and i'm considering removing the oil injection. I have a 96 760. I doubt you can do it. insp oil injection system/power unit 1. page 168 fuel oil pump oil injection pump air bleeding 1. if your oil injection is working ok. Waverunner Oil Injection Line.