Are Sae And Jic Fittings Interchangeable . Conform to joint industry council (jic) standards. No, sae orb and jic fittings are not interchangeable due to differences in their sealing mechanisms and thread designs. Difference between jic vs sae flare. Both jic and sae fittings are compatible with a variety of hydraulic systems. While both fittings serve similar purposes, they differ in thread design and sealing mechanism. Sae 45° flare connectors are identical to jic 37° flare connectors, except for the angles of the seats. The names an fittings, jic fittings, sae/iso fittings are often used interchangeably, despite that these cover three vastly different fitting types. Are jic and sae fittings interchangeable? Here are some key differences between jic and sae flare fittings: However, in some cases, a direct fit may not be feasible due to differences in design or thread size. While jic and an fittings share some similarities, several key differences set them apart: These are used extensively in agricultural equipment,. In such cases, adapters with different threads can be used to bridge this gap and ensure a safe and reliable connection.
from www.fav.net.in
Difference between jic vs sae flare. Are jic and sae fittings interchangeable? In such cases, adapters with different threads can be used to bridge this gap and ensure a safe and reliable connection. These are used extensively in agricultural equipment,. Conform to joint industry council (jic) standards. Both jic and sae fittings are compatible with a variety of hydraulic systems. However, in some cases, a direct fit may not be feasible due to differences in design or thread size. While both fittings serve similar purposes, they differ in thread design and sealing mechanism. While jic and an fittings share some similarities, several key differences set them apart: No, sae orb and jic fittings are not interchangeable due to differences in their sealing mechanisms and thread designs.
JIC Fittings Flare Fittings 37 degree,SAE Flare Fittings
Are Sae And Jic Fittings Interchangeable While both fittings serve similar purposes, they differ in thread design and sealing mechanism. However, in some cases, a direct fit may not be feasible due to differences in design or thread size. The names an fittings, jic fittings, sae/iso fittings are often used interchangeably, despite that these cover three vastly different fitting types. Sae 45° flare connectors are identical to jic 37° flare connectors, except for the angles of the seats. While jic and an fittings share some similarities, several key differences set them apart: Both jic and sae fittings are compatible with a variety of hydraulic systems. In such cases, adapters with different threads can be used to bridge this gap and ensure a safe and reliable connection. While both fittings serve similar purposes, they differ in thread design and sealing mechanism. Are jic and sae fittings interchangeable? No, sae orb and jic fittings are not interchangeable due to differences in their sealing mechanisms and thread designs. Difference between jic vs sae flare. Here are some key differences between jic and sae flare fittings: Conform to joint industry council (jic) standards. These are used extensively in agricultural equipment,.
From opkfitting.en.made-in-china.com
Male Jic/SAE 37 Degree Rigid Straight Fitting (MJ) China One Piece Are Sae And Jic Fittings Interchangeable The names an fittings, jic fittings, sae/iso fittings are often used interchangeably, despite that these cover three vastly different fitting types. Conform to joint industry council (jic) standards. In such cases, adapters with different threads can be used to bridge this gap and ensure a safe and reliable connection. While both fittings serve similar purposes, they differ in thread design. Are Sae And Jic Fittings Interchangeable.
From www.surpluscenter.com
JIC 20 Male x SAE 20 Male Straight 64002020 Adapter JIC Male to SAE Are Sae And Jic Fittings Interchangeable Sae 45° flare connectors are identical to jic 37° flare connectors, except for the angles of the seats. While both fittings serve similar purposes, they differ in thread design and sealing mechanism. Here are some key differences between jic and sae flare fittings: Difference between jic vs sae flare. Both jic and sae fittings are compatible with a variety of. Are Sae And Jic Fittings Interchangeable.
From www.fittingcoupling.com
2406 SAE 070123 SAE 37° Flare (JIC) JIC Tube Reducer/Enlarger Are Sae And Jic Fittings Interchangeable In such cases, adapters with different threads can be used to bridge this gap and ensure a safe and reliable connection. Sae 45° flare connectors are identical to jic 37° flare connectors, except for the angles of the seats. These are used extensively in agricultural equipment,. Are jic and sae fittings interchangeable? Both jic and sae fittings are compatible with. Are Sae And Jic Fittings Interchangeable.
From www.anmotorsport.co.uk
JIC Hose Fittings AN Motorsport Are Sae And Jic Fittings Interchangeable In such cases, adapters with different threads can be used to bridge this gap and ensure a safe and reliable connection. However, in some cases, a direct fit may not be feasible due to differences in design or thread size. Here are some key differences between jic and sae flare fittings: While both fittings serve similar purposes, they differ in. Are Sae And Jic Fittings Interchangeable.
From www.surpluscenter.com
JIC 6 Male x SAE 6 Male Straight 64000606 Adapter JIC Male to SAE Are Sae And Jic Fittings Interchangeable While jic and an fittings share some similarities, several key differences set them apart: While both fittings serve similar purposes, they differ in thread design and sealing mechanism. These are used extensively in agricultural equipment,. The names an fittings, jic fittings, sae/iso fittings are often used interchangeably, despite that these cover three vastly different fitting types. Are jic and sae. Are Sae And Jic Fittings Interchangeable.
From www.cntopa.com
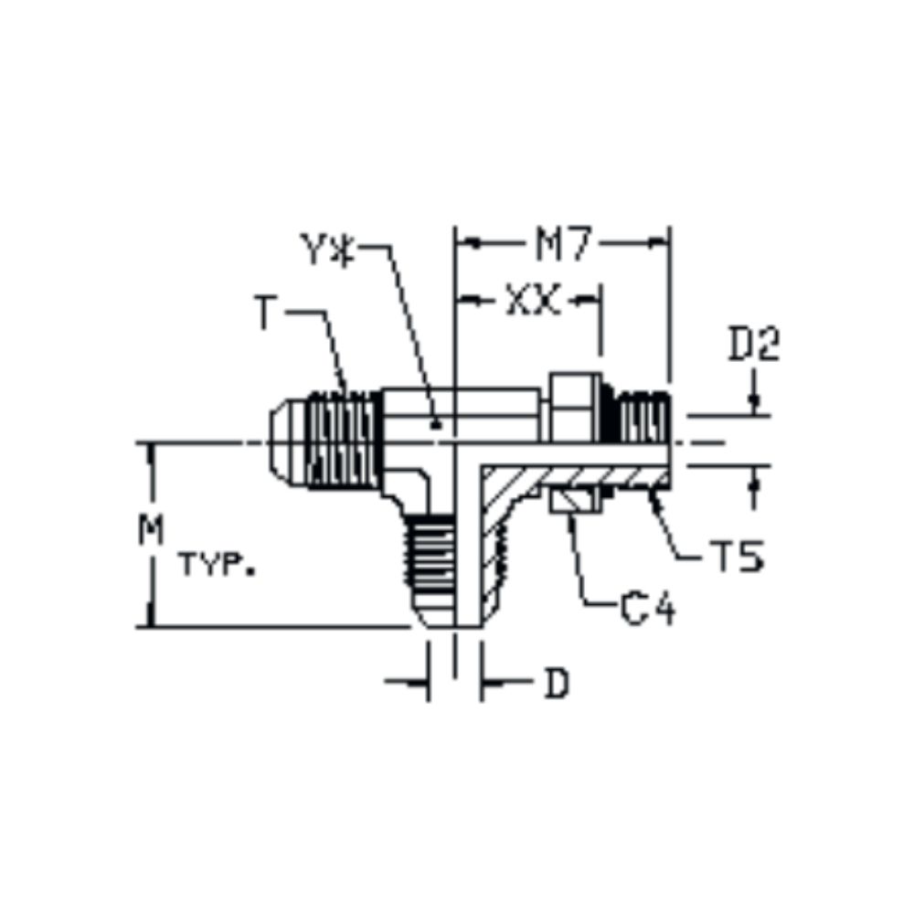
6804 SAE JIC FittingsMale Run Tee Fitting SupplierTopa Are Sae And Jic Fittings Interchangeable In such cases, adapters with different threads can be used to bridge this gap and ensure a safe and reliable connection. While jic and an fittings share some similarities, several key differences set them apart: These are used extensively in agricultural equipment,. Sae 45° flare connectors are identical to jic 37° flare connectors, except for the angles of the seats.. Are Sae And Jic Fittings Interchangeable.
From hydraulicfitting.cn
JIC vs SAE Flare Fittings Which is Better? Sinopulse hydraulic Are Sae And Jic Fittings Interchangeable While jic and an fittings share some similarities, several key differences set them apart: Sae 45° flare connectors are identical to jic 37° flare connectors, except for the angles of the seats. While both fittings serve similar purposes, they differ in thread design and sealing mechanism. No, sae orb and jic fittings are not interchangeable due to differences in their. Are Sae And Jic Fittings Interchangeable.
From www.fitsch.cn
JIC SAE ORB Stud Fitting Buy JIC SAE ORB Fittings Dimensions, JIC SAE Are Sae And Jic Fittings Interchangeable In such cases, adapters with different threads can be used to bridge this gap and ensure a safe and reliable connection. Difference between jic vs sae flare. No, sae orb and jic fittings are not interchangeable due to differences in their sealing mechanisms and thread designs. Are jic and sae fittings interchangeable? However, in some cases, a direct fit may. Are Sae And Jic Fittings Interchangeable.
From gemflex.en.made-in-china.com
NPT Jic SAE Bsp Metric Carbon Steel Hydraulic Fittings China Two Are Sae And Jic Fittings Interchangeable Are jic and sae fittings interchangeable? The names an fittings, jic fittings, sae/iso fittings are often used interchangeably, despite that these cover three vastly different fitting types. Both jic and sae fittings are compatible with a variety of hydraulic systems. While both fittings serve similar purposes, they differ in thread design and sealing mechanism. These are used extensively in agricultural. Are Sae And Jic Fittings Interchangeable.
From www.fitsch.cn
JIC SAE ORB Stud Fitting Buy JIC SAE ORB Fittings Dimensions, JIC SAE Are Sae And Jic Fittings Interchangeable Sae 45° flare connectors are identical to jic 37° flare connectors, except for the angles of the seats. However, in some cases, a direct fit may not be feasible due to differences in design or thread size. These are used extensively in agricultural equipment,. Both jic and sae fittings are compatible with a variety of hydraulic systems. While jic and. Are Sae And Jic Fittings Interchangeable.
From www.surpluscenter.com
JIC 8M x SAE 6M Connector with Viton Oring JIC Male to SAE Male Are Sae And Jic Fittings Interchangeable Here are some key differences between jic and sae flare fittings: No, sae orb and jic fittings are not interchangeable due to differences in their sealing mechanisms and thread designs. While both fittings serve similar purposes, they differ in thread design and sealing mechanism. In such cases, adapters with different threads can be used to bridge this gap and ensure. Are Sae And Jic Fittings Interchangeable.
From fluidpowerjournal.com
Screwed on Right The Pros and Cons of JIC Hydraulic Fittings Fluid Are Sae And Jic Fittings Interchangeable While both fittings serve similar purposes, they differ in thread design and sealing mechanism. These are used extensively in agricultural equipment,. Are jic and sae fittings interchangeable? The names an fittings, jic fittings, sae/iso fittings are often used interchangeably, despite that these cover three vastly different fitting types. While jic and an fittings share some similarities, several key differences set. Are Sae And Jic Fittings Interchangeable.
From www.pmchydraulics.com
Adapters and tube fittingsSAEJIC PMC Hydraulics Are Sae And Jic Fittings Interchangeable In such cases, adapters with different threads can be used to bridge this gap and ensure a safe and reliable connection. Conform to joint industry council (jic) standards. Difference between jic vs sae flare. These are used extensively in agricultural equipment,. However, in some cases, a direct fit may not be feasible due to differences in design or thread size.. Are Sae And Jic Fittings Interchangeable.
From www.sbmar.com
Stainless Steel Hydraulic Fitting JIC/SAE 8 to JIC/SAE 8 90 Degree Are Sae And Jic Fittings Interchangeable No, sae orb and jic fittings are not interchangeable due to differences in their sealing mechanisms and thread designs. These are used extensively in agricultural equipment,. The names an fittings, jic fittings, sae/iso fittings are often used interchangeably, despite that these cover three vastly different fitting types. Here are some key differences between jic and sae flare fittings: Are jic. Are Sae And Jic Fittings Interchangeable.
From setdsignreclame.nl
1/2 NPT Male x 1/2 JIC Male Pack of 4 Adapter Eaton Weatherhead Are Sae And Jic Fittings Interchangeable Difference between jic vs sae flare. However, in some cases, a direct fit may not be feasible due to differences in design or thread size. Are jic and sae fittings interchangeable? While jic and an fittings share some similarities, several key differences set them apart: While both fittings serve similar purposes, they differ in thread design and sealing mechanism. Here. Are Sae And Jic Fittings Interchangeable.
From www.myssp.com
JIC Fittings 37° SAE Fittings SSP Are Sae And Jic Fittings Interchangeable However, in some cases, a direct fit may not be feasible due to differences in design or thread size. No, sae orb and jic fittings are not interchangeable due to differences in their sealing mechanisms and thread designs. While both fittings serve similar purposes, they differ in thread design and sealing mechanism. Conform to joint industry council (jic) standards. Both. Are Sae And Jic Fittings Interchangeable.
From www.amazon.com
Eaton Weatherhead C5506X4 Carbon Steel SAE 37Degree (JIC) FlareTwin Are Sae And Jic Fittings Interchangeable Difference between jic vs sae flare. The names an fittings, jic fittings, sae/iso fittings are often used interchangeably, despite that these cover three vastly different fitting types. No, sae orb and jic fittings are not interchangeable due to differences in their sealing mechanisms and thread designs. While jic and an fittings share some similarities, several key differences set them apart:. Are Sae And Jic Fittings Interchangeable.
From summit-hydraulics.com
45 Elbow, JIC Male x SAE/ORB Male Are Sae And Jic Fittings Interchangeable Are jic and sae fittings interchangeable? While both fittings serve similar purposes, they differ in thread design and sealing mechanism. Here are some key differences between jic and sae flare fittings: In such cases, adapters with different threads can be used to bridge this gap and ensure a safe and reliable connection. These are used extensively in agricultural equipment,. Both. Are Sae And Jic Fittings Interchangeable.
From summit-hydraulics.com
6801 90° Elbow Adapter Fitting JIC Male to SAE/ORB Male Are Sae And Jic Fittings Interchangeable Difference between jic vs sae flare. Sae 45° flare connectors are identical to jic 37° flare connectors, except for the angles of the seats. These are used extensively in agricultural equipment,. Conform to joint industry council (jic) standards. No, sae orb and jic fittings are not interchangeable due to differences in their sealing mechanisms and thread designs. However, in some. Are Sae And Jic Fittings Interchangeable.
From cp-dubai.com
straight JIC 37 cone SAE J514 hydraulic fitting Archives Centre Point Are Sae And Jic Fittings Interchangeable These are used extensively in agricultural equipment,. Are jic and sae fittings interchangeable? Here are some key differences between jic and sae flare fittings: In such cases, adapters with different threads can be used to bridge this gap and ensure a safe and reliable connection. Conform to joint industry council (jic) standards. Both jic and sae fittings are compatible with. Are Sae And Jic Fittings Interchangeable.
From solasmarine.com
(SAE) JIC 37 Flare Fittings Solas Marine Services Are Sae And Jic Fittings Interchangeable In such cases, adapters with different threads can be used to bridge this gap and ensure a safe and reliable connection. Both jic and sae fittings are compatible with a variety of hydraulic systems. While jic and an fittings share some similarities, several key differences set them apart: These are used extensively in agricultural equipment,. However, in some cases, a. Are Sae And Jic Fittings Interchangeable.
From www.fav.net.in
JIC Fittings Flare Fittings 37 degree,SAE Flare Fittings Are Sae And Jic Fittings Interchangeable The names an fittings, jic fittings, sae/iso fittings are often used interchangeably, despite that these cover three vastly different fitting types. While both fittings serve similar purposes, they differ in thread design and sealing mechanism. Are jic and sae fittings interchangeable? In such cases, adapters with different threads can be used to bridge this gap and ensure a safe and. Are Sae And Jic Fittings Interchangeable.
From www.laikehydraulics.com
JIC vs SAE What's the Difference Are Sae And Jic Fittings Interchangeable In such cases, adapters with different threads can be used to bridge this gap and ensure a safe and reliable connection. Are jic and sae fittings interchangeable? These are used extensively in agricultural equipment,. Here are some key differences between jic and sae flare fittings: The names an fittings, jic fittings, sae/iso fittings are often used interchangeably, despite that these. Are Sae And Jic Fittings Interchangeable.
From www.kimballmidwest.com
5/8" SAE JIC 37° Plug with ORing Seal Kimball Midwest Are Sae And Jic Fittings Interchangeable Both jic and sae fittings are compatible with a variety of hydraulic systems. Here are some key differences between jic and sae flare fittings: While jic and an fittings share some similarities, several key differences set them apart: The names an fittings, jic fittings, sae/iso fittings are often used interchangeably, despite that these cover three vastly different fitting types. Conform. Are Sae And Jic Fittings Interchangeable.
From www.surpluscenter.com
JIC 20M To SAE 24M Connector Fitting JIC Male to SAE Male Straight Are Sae And Jic Fittings Interchangeable Difference between jic vs sae flare. In such cases, adapters with different threads can be used to bridge this gap and ensure a safe and reliable connection. Sae 45° flare connectors are identical to jic 37° flare connectors, except for the angles of the seats. While both fittings serve similar purposes, they differ in thread design and sealing mechanism. Here. Are Sae And Jic Fittings Interchangeable.
From www.fittingcoupling.com
2706LN SAE 37° Flare (JIC) Male Pipe x JIC Bulkhead Locknut Hydraulic Are Sae And Jic Fittings Interchangeable The names an fittings, jic fittings, sae/iso fittings are often used interchangeably, despite that these cover three vastly different fitting types. While both fittings serve similar purposes, they differ in thread design and sealing mechanism. Are jic and sae fittings interchangeable? Sae 45° flare connectors are identical to jic 37° flare connectors, except for the angles of the seats. Difference. Are Sae And Jic Fittings Interchangeable.
From www.cntopa.com
JIC 37Degree Cone to SAE ORing Boss Hydraulic Hose Fitting Are Sae And Jic Fittings Interchangeable No, sae orb and jic fittings are not interchangeable due to differences in their sealing mechanisms and thread designs. The names an fittings, jic fittings, sae/iso fittings are often used interchangeably, despite that these cover three vastly different fitting types. Both jic and sae fittings are compatible with a variety of hydraulic systems. While both fittings serve similar purposes, they. Are Sae And Jic Fittings Interchangeable.
From www.kimballmidwest.com
3/4" SAE JIC 37° Plug with ORing Seal Kimball Midwest Are Sae And Jic Fittings Interchangeable However, in some cases, a direct fit may not be feasible due to differences in design or thread size. While both fittings serve similar purposes, they differ in thread design and sealing mechanism. In such cases, adapters with different threads can be used to bridge this gap and ensure a safe and reliable connection. No, sae orb and jic fittings. Are Sae And Jic Fittings Interchangeable.
From www.sannke.com
Wholesale JIC Male 74° Cone Hydraulic Fitting SAE J514 Thread Are Sae And Jic Fittings Interchangeable Are jic and sae fittings interchangeable? Both jic and sae fittings are compatible with a variety of hydraulic systems. While both fittings serve similar purposes, they differ in thread design and sealing mechanism. Here are some key differences between jic and sae flare fittings: No, sae orb and jic fittings are not interchangeable due to differences in their sealing mechanisms. Are Sae And Jic Fittings Interchangeable.
From www.besteflon.com
News What's the Difference Between AN and JIC Fittings? Are Sae And Jic Fittings Interchangeable No, sae orb and jic fittings are not interchangeable due to differences in their sealing mechanisms and thread designs. These are used extensively in agricultural equipment,. While both fittings serve similar purposes, they differ in thread design and sealing mechanism. Sae 45° flare connectors are identical to jic 37° flare connectors, except for the angles of the seats. Both jic. Are Sae And Jic Fittings Interchangeable.
From www.fittingcoupling.com
6502 SAE 070321 SAE 37° Flare (JIC) JIC Swivel Nut 45° Elbow Hydraulic Are Sae And Jic Fittings Interchangeable Difference between jic vs sae flare. Are jic and sae fittings interchangeable? However, in some cases, a direct fit may not be feasible due to differences in design or thread size. These are used extensively in agricultural equipment,. Sae 45° flare connectors are identical to jic 37° flare connectors, except for the angles of the seats. While both fittings serve. Are Sae And Jic Fittings Interchangeable.
From www.surpluscenter.com
JIC 6M x SAE 8M 90 Elbow JIC Male to SAE Male Right Angle JIC to Are Sae And Jic Fittings Interchangeable In such cases, adapters with different threads can be used to bridge this gap and ensure a safe and reliable connection. However, in some cases, a direct fit may not be feasible due to differences in design or thread size. No, sae orb and jic fittings are not interchangeable due to differences in their sealing mechanisms and thread designs. Sae. Are Sae And Jic Fittings Interchangeable.
From www.fittingcoupling.com
6602 SAE 070432 SAE 37° Flare (JIC) JIC Swivel Nut Run Tee Hydraulic Are Sae And Jic Fittings Interchangeable The names an fittings, jic fittings, sae/iso fittings are often used interchangeably, despite that these cover three vastly different fitting types. Here are some key differences between jic and sae flare fittings: While jic and an fittings share some similarities, several key differences set them apart: Are jic and sae fittings interchangeable? Sae 45° flare connectors are identical to jic. Are Sae And Jic Fittings Interchangeable.
From fluiddrivecoupling.com
JIS vs JIC fitting standards Knowledge EVERPOWER GROUP CO., LTD. Are Sae And Jic Fittings Interchangeable Conform to joint industry council (jic) standards. In such cases, adapters with different threads can be used to bridge this gap and ensure a safe and reliable connection. Both jic and sae fittings are compatible with a variety of hydraulic systems. Difference between jic vs sae flare. However, in some cases, a direct fit may not be feasible due to. Are Sae And Jic Fittings Interchangeable.
From www.cntopa.com
6804 SAE JIC FittingsMale Run Tee Fitting SupplierTopa Are Sae And Jic Fittings Interchangeable While jic and an fittings share some similarities, several key differences set them apart: However, in some cases, a direct fit may not be feasible due to differences in design or thread size. Both jic and sae fittings are compatible with a variety of hydraulic systems. In such cases, adapters with different threads can be used to bridge this gap. Are Sae And Jic Fittings Interchangeable.