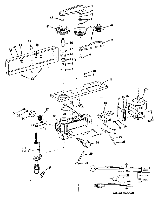
Craftsman Drill Press 17 Inch . model # 137229170 official craftsman 17 drill press. shop oem replacement parts by symptoms or model diagrams for your craftsman 137229170 17 drill press! upgrade your workshop with the craftsman 17 inch drill press, designed for precision and efficiency. get great deals on craftsman drill presses and upgrade your power tools for your home workshop. the zj4113z is better for smaller projects and really is a better overall choice for diyers and homeowners that want a drill. Here are the diagrams and repair parts for official craftsman 137229170.
from usermanual.wiki
shop oem replacement parts by symptoms or model diagrams for your craftsman 137229170 17 drill press! Here are the diagrams and repair parts for official craftsman 137229170. get great deals on craftsman drill presses and upgrade your power tools for your home workshop. upgrade your workshop with the craftsman 17 inch drill press, designed for precision and efficiency. the zj4113z is better for smaller projects and really is a better overall choice for diyers and homeowners that want a drill. model # 137229170 official craftsman 17 drill press.
Craftsman 113213170 User Manual 17 DRILL PRESS Manuals And Guides 1301300L
Craftsman Drill Press 17 Inch model # 137229170 official craftsman 17 drill press. upgrade your workshop with the craftsman 17 inch drill press, designed for precision and efficiency. shop oem replacement parts by symptoms or model diagrams for your craftsman 137229170 17 drill press! the zj4113z is better for smaller projects and really is a better overall choice for diyers and homeowners that want a drill. get great deals on craftsman drill presses and upgrade your power tools for your home workshop. Here are the diagrams and repair parts for official craftsman 137229170. model # 137229170 official craftsman 17 drill press.
From mungfali.com
Craftsman 17" Drill Press 627 Craftsman Drill Press 17 Inch Here are the diagrams and repair parts for official craftsman 137229170. shop oem replacement parts by symptoms or model diagrams for your craftsman 137229170 17 drill press! upgrade your workshop with the craftsman 17 inch drill press, designed for precision and efficiency. the zj4113z is better for smaller projects and really is a better overall choice for. Craftsman Drill Press 17 Inch.
From www.propertyroom.com
Craftsman 137.219120 Drill Press Property Room Craftsman Drill Press 17 Inch the zj4113z is better for smaller projects and really is a better overall choice for diyers and homeowners that want a drill. Here are the diagrams and repair parts for official craftsman 137229170. upgrade your workshop with the craftsman 17 inch drill press, designed for precision and efficiency. model # 137229170 official craftsman 17 drill press. . Craftsman Drill Press 17 Inch.
From mungfali.com
Craftsman 17" Drill Press 627 Craftsman Drill Press 17 Inch shop oem replacement parts by symptoms or model diagrams for your craftsman 137229170 17 drill press! Here are the diagrams and repair parts for official craftsman 137229170. model # 137229170 official craftsman 17 drill press. the zj4113z is better for smaller projects and really is a better overall choice for diyers and homeowners that want a drill.. Craftsman Drill Press 17 Inch.
From mungfali.com
Craftsman 17" Drill Press 627 Craftsman Drill Press 17 Inch Here are the diagrams and repair parts for official craftsman 137229170. the zj4113z is better for smaller projects and really is a better overall choice for diyers and homeowners that want a drill. get great deals on craftsman drill presses and upgrade your power tools for your home workshop. model # 137229170 official craftsman 17 drill press.. Craftsman Drill Press 17 Inch.
From mungfali.com
Craftsman 17" Drill Press 627 Craftsman Drill Press 17 Inch shop oem replacement parts by symptoms or model diagrams for your craftsman 137229170 17 drill press! Here are the diagrams and repair parts for official craftsman 137229170. the zj4113z is better for smaller projects and really is a better overall choice for diyers and homeowners that want a drill. get great deals on craftsman drill presses and. Craftsman Drill Press 17 Inch.
From theequipmenthub.com
Craftsman / Sears 137.229170 17" 16Speed 1.5HP Drill Press The Craftsman Drill Press 17 Inch model # 137229170 official craftsman 17 drill press. the zj4113z is better for smaller projects and really is a better overall choice for diyers and homeowners that want a drill. Here are the diagrams and repair parts for official craftsman 137229170. get great deals on craftsman drill presses and upgrade your power tools for your home workshop.. Craftsman Drill Press 17 Inch.
From www.propertyroom.com
Craftsman 34985 Drill Press With Laser Property Room Craftsman Drill Press 17 Inch model # 137229170 official craftsman 17 drill press. shop oem replacement parts by symptoms or model diagrams for your craftsman 137229170 17 drill press! Here are the diagrams and repair parts for official craftsman 137229170. upgrade your workshop with the craftsman 17 inch drill press, designed for precision and efficiency. the zj4113z is better for smaller. Craftsman Drill Press 17 Inch.
From www.bidspotter.com
Craftsman 17 In. Floor Model Drill Press, 110/1/60 AC Craftsman Drill Press 17 Inch upgrade your workshop with the craftsman 17 inch drill press, designed for precision and efficiency. the zj4113z is better for smaller projects and really is a better overall choice for diyers and homeowners that want a drill. model # 137229170 official craftsman 17 drill press. Here are the diagrams and repair parts for official craftsman 137229170. . Craftsman Drill Press 17 Inch.
From mungfali.com
Craftsman 17" Drill Press 627 Craftsman Drill Press 17 Inch upgrade your workshop with the craftsman 17 inch drill press, designed for precision and efficiency. Here are the diagrams and repair parts for official craftsman 137229170. model # 137229170 official craftsman 17 drill press. shop oem replacement parts by symptoms or model diagrams for your craftsman 137229170 17 drill press! get great deals on craftsman drill. Craftsman Drill Press 17 Inch.
From www.bidspotter.com
Craftsman 17 inch drill press, 1 1/2 HP, 2003630 RPM, 1 phase, 5/8" Chuck Craftsman Drill Press 17 Inch the zj4113z is better for smaller projects and really is a better overall choice for diyers and homeowners that want a drill. get great deals on craftsman drill presses and upgrade your power tools for your home workshop. model # 137229170 official craftsman 17 drill press. shop oem replacement parts by symptoms or model diagrams for. Craftsman Drill Press 17 Inch.
From www.wirebids.com
Lot 51 Craftsman 17inch 16 Speed, 3/4HP Drill Press (Ships from Craftsman Drill Press 17 Inch Here are the diagrams and repair parts for official craftsman 137229170. model # 137229170 official craftsman 17 drill press. shop oem replacement parts by symptoms or model diagrams for your craftsman 137229170 17 drill press! upgrade your workshop with the craftsman 17 inch drill press, designed for precision and efficiency. get great deals on craftsman drill. Craftsman Drill Press 17 Inch.
From s3.amazonaws.com
Craftsman drill press 17 inch Craftsman Drill Press 17 Inch model # 137229170 official craftsman 17 drill press. upgrade your workshop with the craftsman 17 inch drill press, designed for precision and efficiency. the zj4113z is better for smaller projects and really is a better overall choice for diyers and homeowners that want a drill. Here are the diagrams and repair parts for official craftsman 137229170. . Craftsman Drill Press 17 Inch.
From www.shopyourway.com
Craftsman 17" Drill Press with Laser and LED Light Shop Your Way Craftsman Drill Press 17 Inch the zj4113z is better for smaller projects and really is a better overall choice for diyers and homeowners that want a drill. upgrade your workshop with the craftsman 17 inch drill press, designed for precision and efficiency. get great deals on craftsman drill presses and upgrade your power tools for your home workshop. model # 137229170. Craftsman Drill Press 17 Inch.
From usermanual.wiki
Craftsman 113213170 User Manual 17 DRILL PRESS Manuals And Guides 1301300L Craftsman Drill Press 17 Inch shop oem replacement parts by symptoms or model diagrams for your craftsman 137229170 17 drill press! model # 137229170 official craftsman 17 drill press. Here are the diagrams and repair parts for official craftsman 137229170. the zj4113z is better for smaller projects and really is a better overall choice for diyers and homeowners that want a drill.. Craftsman Drill Press 17 Inch.
From usermanual.wiki
Craftsman 113213170 User Manual 17 DRILL PRESS Manuals And Guides 1301300L Craftsman Drill Press 17 Inch get great deals on craftsman drill presses and upgrade your power tools for your home workshop. shop oem replacement parts by symptoms or model diagrams for your craftsman 137229170 17 drill press! Here are the diagrams and repair parts for official craftsman 137229170. the zj4113z is better for smaller projects and really is a better overall choice. Craftsman Drill Press 17 Inch.
From mungfali.com
Craftsman 17" Drill Press 627 Craftsman Drill Press 17 Inch upgrade your workshop with the craftsman 17 inch drill press, designed for precision and efficiency. Here are the diagrams and repair parts for official craftsman 137229170. model # 137229170 official craftsman 17 drill press. the zj4113z is better for smaller projects and really is a better overall choice for diyers and homeowners that want a drill. . Craftsman Drill Press 17 Inch.
From jettools.fi
Jet JDP17 Drill Press 17Inch, 16Speed Craftsman Drill Press 17 Inch get great deals on craftsman drill presses and upgrade your power tools for your home workshop. shop oem replacement parts by symptoms or model diagrams for your craftsman 137229170 17 drill press! model # 137229170 official craftsman 17 drill press. Here are the diagrams and repair parts for official craftsman 137229170. the zj4113z is better for. Craftsman Drill Press 17 Inch.
From www.propertyroom.com
Craftsman 17" Drill Press With LaserTrac Property Room Craftsman Drill Press 17 Inch upgrade your workshop with the craftsman 17 inch drill press, designed for precision and efficiency. model # 137229170 official craftsman 17 drill press. shop oem replacement parts by symptoms or model diagrams for your craftsman 137229170 17 drill press! get great deals on craftsman drill presses and upgrade your power tools for your home workshop. Here. Craftsman Drill Press 17 Inch.
From www.youtube.com
GovDeals Sears Craftsman Drill Press 17" 16 speed 3/4" HP YouTube Craftsman Drill Press 17 Inch get great deals on craftsman drill presses and upgrade your power tools for your home workshop. Here are the diagrams and repair parts for official craftsman 137229170. upgrade your workshop with the craftsman 17 inch drill press, designed for precision and efficiency. model # 137229170 official craftsman 17 drill press. the zj4113z is better for smaller. Craftsman Drill Press 17 Inch.
From mungfali.com
Craftsman 17" Drill Press 627 Craftsman Drill Press 17 Inch model # 137229170 official craftsman 17 drill press. upgrade your workshop with the craftsman 17 inch drill press, designed for precision and efficiency. Here are the diagrams and repair parts for official craftsman 137229170. get great deals on craftsman drill presses and upgrade your power tools for your home workshop. shop oem replacement parts by symptoms. Craftsman Drill Press 17 Inch.
From mungfali.com
Craftsman 17" Drill Press 627 Craftsman Drill Press 17 Inch the zj4113z is better for smaller projects and really is a better overall choice for diyers and homeowners that want a drill. Here are the diagrams and repair parts for official craftsman 137229170. upgrade your workshop with the craftsman 17 inch drill press, designed for precision and efficiency. get great deals on craftsman drill presses and upgrade. Craftsman Drill Press 17 Inch.
From theequipmenthub.com
Craftsman / Sears 137.229170 17" 16Speed 1.5HP Drill Press The Craftsman Drill Press 17 Inch get great deals on craftsman drill presses and upgrade your power tools for your home workshop. Here are the diagrams and repair parts for official craftsman 137229170. shop oem replacement parts by symptoms or model diagrams for your craftsman 137229170 17 drill press! upgrade your workshop with the craftsman 17 inch drill press, designed for precision and. Craftsman Drill Press 17 Inch.
From www.wirebids.com
Lot 51 Craftsman 17inch 16 Speed, 3/4HP Drill Press (Ships from Craftsman Drill Press 17 Inch get great deals on craftsman drill presses and upgrade your power tools for your home workshop. model # 137229170 official craftsman 17 drill press. upgrade your workshop with the craftsman 17 inch drill press, designed for precision and efficiency. the zj4113z is better for smaller projects and really is a better overall choice for diyers and. Craftsman Drill Press 17 Inch.
From craftsmanprofessionalpeigomo.blogspot.com
Craftsman Professional Craftsman Professional Drill Press Craftsman Drill Press 17 Inch Here are the diagrams and repair parts for official craftsman 137229170. shop oem replacement parts by symptoms or model diagrams for your craftsman 137229170 17 drill press! upgrade your workshop with the craftsman 17 inch drill press, designed for precision and efficiency. model # 137229170 official craftsman 17 drill press. the zj4113z is better for smaller. Craftsman Drill Press 17 Inch.
From www.searsoutlet.com
Craftsman Professional 22901 3/4 hp 17" Drill Press () Sears Outlet Craftsman Drill Press 17 Inch get great deals on craftsman drill presses and upgrade your power tools for your home workshop. upgrade your workshop with the craftsman 17 inch drill press, designed for precision and efficiency. shop oem replacement parts by symptoms or model diagrams for your craftsman 137229170 17 drill press! the zj4113z is better for smaller projects and really. Craftsman Drill Press 17 Inch.
From www.wirebids.com
Lot 51 Craftsman 17inch 16 Speed, 3/4HP Drill Press (Ships from Craftsman Drill Press 17 Inch shop oem replacement parts by symptoms or model diagrams for your craftsman 137229170 17 drill press! the zj4113z is better for smaller projects and really is a better overall choice for diyers and homeowners that want a drill. upgrade your workshop with the craftsman 17 inch drill press, designed for precision and efficiency. get great deals. Craftsman Drill Press 17 Inch.
From www.liveauctionworld.com
CRAFTSMAN 17" 16 SPEED 3/4 HP FLOOR STANDING INDUSTRIAL DRILL PRESS Craftsman Drill Press 17 Inch upgrade your workshop with the craftsman 17 inch drill press, designed for precision and efficiency. the zj4113z is better for smaller projects and really is a better overall choice for diyers and homeowners that want a drill. model # 137229170 official craftsman 17 drill press. shop oem replacement parts by symptoms or model diagrams for your. Craftsman Drill Press 17 Inch.
From mungfali.com
Craftsman 17" Drill Press 627 Craftsman Drill Press 17 Inch get great deals on craftsman drill presses and upgrade your power tools for your home workshop. upgrade your workshop with the craftsman 17 inch drill press, designed for precision and efficiency. model # 137229170 official craftsman 17 drill press. Here are the diagrams and repair parts for official craftsman 137229170. shop oem replacement parts by symptoms. Craftsman Drill Press 17 Inch.
From www.bigiron.com
Craftsman 17" Drill Press BigIron Auctions Craftsman Drill Press 17 Inch Here are the diagrams and repair parts for official craftsman 137229170. shop oem replacement parts by symptoms or model diagrams for your craftsman 137229170 17 drill press! get great deals on craftsman drill presses and upgrade your power tools for your home workshop. model # 137229170 official craftsman 17 drill press. upgrade your workshop with the. Craftsman Drill Press 17 Inch.
From theequipmenthub.com
Craftsman / Sears 137.229170 17" 16Speed 1.5HP Drill Press The Craftsman Drill Press 17 Inch model # 137229170 official craftsman 17 drill press. get great deals on craftsman drill presses and upgrade your power tools for your home workshop. shop oem replacement parts by symptoms or model diagrams for your craftsman 137229170 17 drill press! Here are the diagrams and repair parts for official craftsman 137229170. upgrade your workshop with the. Craftsman Drill Press 17 Inch.
From mungfali.com
Craftsman 17" Drill Press 627 Craftsman Drill Press 17 Inch get great deals on craftsman drill presses and upgrade your power tools for your home workshop. model # 137229170 official craftsman 17 drill press. the zj4113z is better for smaller projects and really is a better overall choice for diyers and homeowners that want a drill. Here are the diagrams and repair parts for official craftsman 137229170.. Craftsman Drill Press 17 Inch.
From mungfali.com
Craftsman 17" Drill Press 627 Craftsman Drill Press 17 Inch get great deals on craftsman drill presses and upgrade your power tools for your home workshop. shop oem replacement parts by symptoms or model diagrams for your craftsman 137229170 17 drill press! the zj4113z is better for smaller projects and really is a better overall choice for diyers and homeowners that want a drill. Here are the. Craftsman Drill Press 17 Inch.
From theequipmenthub.com
Craftsman / Sears 137.229170 17" 16Speed 1.5HP Drill Press The Craftsman Drill Press 17 Inch Here are the diagrams and repair parts for official craftsman 137229170. model # 137229170 official craftsman 17 drill press. upgrade your workshop with the craftsman 17 inch drill press, designed for precision and efficiency. get great deals on craftsman drill presses and upgrade your power tools for your home workshop. shop oem replacement parts by symptoms. Craftsman Drill Press 17 Inch.
From www.purplewave.com
Craftsman drill press in Manhattan, KS Item BR9235 sold Purple Wave Craftsman Drill Press 17 Inch the zj4113z is better for smaller projects and really is a better overall choice for diyers and homeowners that want a drill. model # 137229170 official craftsman 17 drill press. shop oem replacement parts by symptoms or model diagrams for your craftsman 137229170 17 drill press! upgrade your workshop with the craftsman 17 inch drill press,. Craftsman Drill Press 17 Inch.
From www.propertyroom.com
Craftsman 137.219120 Drill Press Property Room Craftsman Drill Press 17 Inch Here are the diagrams and repair parts for official craftsman 137229170. get great deals on craftsman drill presses and upgrade your power tools for your home workshop. shop oem replacement parts by symptoms or model diagrams for your craftsman 137229170 17 drill press! the zj4113z is better for smaller projects and really is a better overall choice. Craftsman Drill Press 17 Inch.