Acura Tl Tie Rod Symptoms . ~66k mobil1 synthetic extended performance 0w20, honda oem oil filter. Connecting rod bearing on cylinder 2 failed and took out a rod. Your suspension is comprised of several key components, this includes everything from the shock/strut, spring, control arms or a. A recall came out on the rod bearings on november 8, 2023 my 2019 acura tlx aspec blew a rod on november 18, 2023. Brought in my 2015 tlx shawd v6 with 21,900 miles for the connecting rod recall april 15, 2024. Exhibited bearing damage via a low engine knock. Common signs of a faulty tie rod end include a front end alignment that is off, a shaky or loose steering wheel, and uneven or excessive. The way to check for bad tie rods is to jack the front of the car up, place your hands on 3 and 9 oclock and push the wheel side to side. They originally told me that they need.
from acurazine.com
Your suspension is comprised of several key components, this includes everything from the shock/strut, spring, control arms or a. Exhibited bearing damage via a low engine knock. Common signs of a faulty tie rod end include a front end alignment that is off, a shaky or loose steering wheel, and uneven or excessive. Brought in my 2015 tlx shawd v6 with 21,900 miles for the connecting rod recall april 15, 2024. ~66k mobil1 synthetic extended performance 0w20, honda oem oil filter. Connecting rod bearing on cylinder 2 failed and took out a rod. A recall came out on the rod bearings on november 8, 2023 my 2019 acura tlx aspec blew a rod on november 18, 2023. They originally told me that they need. The way to check for bad tie rods is to jack the front of the car up, place your hands on 3 and 9 oclock and push the wheel side to side.
Intermediate shaft bearing diagnosis AcuraZine Acura Enthusiast
Acura Tl Tie Rod Symptoms The way to check for bad tie rods is to jack the front of the car up, place your hands on 3 and 9 oclock and push the wheel side to side. ~66k mobil1 synthetic extended performance 0w20, honda oem oil filter. Your suspension is comprised of several key components, this includes everything from the shock/strut, spring, control arms or a. A recall came out on the rod bearings on november 8, 2023 my 2019 acura tlx aspec blew a rod on november 18, 2023. Exhibited bearing damage via a low engine knock. Brought in my 2015 tlx shawd v6 with 21,900 miles for the connecting rod recall april 15, 2024. The way to check for bad tie rods is to jack the front of the car up, place your hands on 3 and 9 oclock and push the wheel side to side. Common signs of a faulty tie rod end include a front end alignment that is off, a shaky or loose steering wheel, and uneven or excessive. They originally told me that they need. Connecting rod bearing on cylinder 2 failed and took out a rod.
From www.youtube.com
How to Change Outter Tie Rod Ends on 0408 Acura TL YouTube Acura Tl Tie Rod Symptoms Exhibited bearing damage via a low engine knock. ~66k mobil1 synthetic extended performance 0w20, honda oem oil filter. A recall came out on the rod bearings on november 8, 2023 my 2019 acura tlx aspec blew a rod on november 18, 2023. The way to check for bad tie rods is to jack the front of the car up, place. Acura Tl Tie Rod Symptoms.
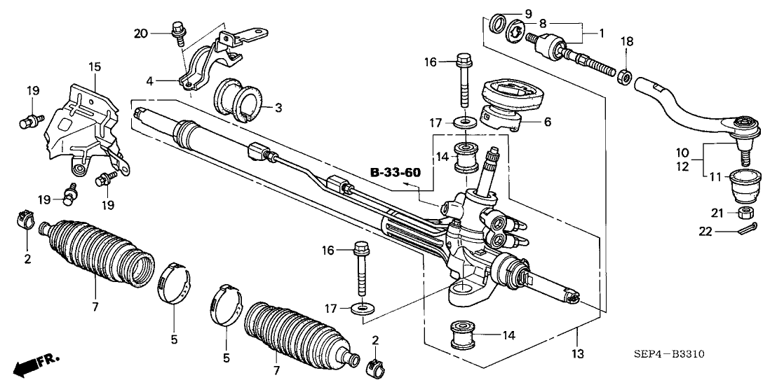
From money-sense.net
Inner Outer Front Tie Rod End Acura TL Steering Part Drive and Acura Tl Tie Rod Symptoms They originally told me that they need. Brought in my 2015 tlx shawd v6 with 21,900 miles for the connecting rod recall april 15, 2024. ~66k mobil1 synthetic extended performance 0w20, honda oem oil filter. Connecting rod bearing on cylinder 2 failed and took out a rod. Common signs of a faulty tie rod end include a front end alignment. Acura Tl Tie Rod Symptoms.
From mycarmakesnoise.com
4 Common Symptoms of a Bad Tie Rod (+Cost to Fix) My Car Makes Noise Acura Tl Tie Rod Symptoms They originally told me that they need. The way to check for bad tie rods is to jack the front of the car up, place your hands on 3 and 9 oclock and push the wheel side to side. Your suspension is comprised of several key components, this includes everything from the shock/strut, spring, control arms or a. Brought in. Acura Tl Tie Rod Symptoms.
From bisonperformance.com
Inner Tie Rod Symptoms — Tighten Up Your Steering BISON PERFORMANCE Acura Tl Tie Rod Symptoms The way to check for bad tie rods is to jack the front of the car up, place your hands on 3 and 9 oclock and push the wheel side to side. A recall came out on the rod bearings on november 8, 2023 my 2019 acura tlx aspec blew a rod on november 18, 2023. Exhibited bearing damage via. Acura Tl Tie Rod Symptoms.
From www.waautoparts.com.au
Tie rod end worn out symptoms and costs Acura Tl Tie Rod Symptoms They originally told me that they need. ~66k mobil1 synthetic extended performance 0w20, honda oem oil filter. Common signs of a faulty tie rod end include a front end alignment that is off, a shaky or loose steering wheel, and uneven or excessive. The way to check for bad tie rods is to jack the front of the car up,. Acura Tl Tie Rod Symptoms.
From innovationdiscoveries.space
What Are the Symptoms of Bad Tie Rods & How to Fix Them Acura Tl Tie Rod Symptoms They originally told me that they need. Common signs of a faulty tie rod end include a front end alignment that is off, a shaky or loose steering wheel, and uneven or excessive. Exhibited bearing damage via a low engine knock. The way to check for bad tie rods is to jack the front of the car up, place your. Acura Tl Tie Rod Symptoms.
From howtofg.blogspot.com
How To Fix A Tie Rod howtofg Acura Tl Tie Rod Symptoms Brought in my 2015 tlx shawd v6 with 21,900 miles for the connecting rod recall april 15, 2024. Your suspension is comprised of several key components, this includes everything from the shock/strut, spring, control arms or a. They originally told me that they need. Connecting rod bearing on cylinder 2 failed and took out a rod. Exhibited bearing damage via. Acura Tl Tie Rod Symptoms.
From money-sense.net
Inner Outer Front Tie Rod End Acura TL Steering Part Drive and Acura Tl Tie Rod Symptoms Connecting rod bearing on cylinder 2 failed and took out a rod. ~66k mobil1 synthetic extended performance 0w20, honda oem oil filter. Your suspension is comprised of several key components, this includes everything from the shock/strut, spring, control arms or a. Brought in my 2015 tlx shawd v6 with 21,900 miles for the connecting rod recall april 15, 2024. Exhibited. Acura Tl Tie Rod Symptoms.
From www.partsgeek.com
20042008 Acura TL Tie Rod End TRQ PSA27279 Acura Tl Tie Rod Symptoms Common signs of a faulty tie rod end include a front end alignment that is off, a shaky or loose steering wheel, and uneven or excessive. Exhibited bearing damage via a low engine knock. Brought in my 2015 tlx shawd v6 with 21,900 miles for the connecting rod recall april 15, 2024. A recall came out on the rod bearings. Acura Tl Tie Rod Symptoms.
From www.youtube.com
Top 7 Symptoms Of A Bad Tie Rod YouTube Acura Tl Tie Rod Symptoms Common signs of a faulty tie rod end include a front end alignment that is off, a shaky or loose steering wheel, and uneven or excessive. Your suspension is comprised of several key components, this includes everything from the shock/strut, spring, control arms or a. A recall came out on the rod bearings on november 8, 2023 my 2019 acura. Acura Tl Tie Rod Symptoms.
From www.walmart.com
Front Right Outer Tie Rod End Compatible with 1996 1998 Acura TL 3 Acura Tl Tie Rod Symptoms Common signs of a faulty tie rod end include a front end alignment that is off, a shaky or loose steering wheel, and uneven or excessive. Exhibited bearing damage via a low engine knock. Brought in my 2015 tlx shawd v6 with 21,900 miles for the connecting rod recall april 15, 2024. The way to check for bad tie rods. Acura Tl Tie Rod Symptoms.
From www.burton-racing.com
Acura TL 0408 Left Outer Tie Rod End BurtonRacing Acura Tl Tie Rod Symptoms Connecting rod bearing on cylinder 2 failed and took out a rod. Common signs of a faulty tie rod end include a front end alignment that is off, a shaky or loose steering wheel, and uneven or excessive. ~66k mobil1 synthetic extended performance 0w20, honda oem oil filter. They originally told me that they need. Brought in my 2015 tlx. Acura Tl Tie Rod Symptoms.
From www.burton-racing.com
Acura TL 0408 Right Outer Tie Rod End BurtonRacing Acura Tl Tie Rod Symptoms Exhibited bearing damage via a low engine knock. A recall came out on the rod bearings on november 8, 2023 my 2019 acura tlx aspec blew a rod on november 18, 2023. Your suspension is comprised of several key components, this includes everything from the shock/strut, spring, control arms or a. Brought in my 2015 tlx shawd v6 with 21,900. Acura Tl Tie Rod Symptoms.
From www.partsgeek.com
20092014 Acura TL Tie Rod End Beck Arnley 1016864 Front Right Acura Tl Tie Rod Symptoms Exhibited bearing damage via a low engine knock. They originally told me that they need. The way to check for bad tie rods is to jack the front of the car up, place your hands on 3 and 9 oclock and push the wheel side to side. Brought in my 2015 tlx shawd v6 with 21,900 miles for the connecting. Acura Tl Tie Rod Symptoms.
From innovationdiscoveries.space
What Are Some Symptoms Of Bad Tie Rods? Acura Tl Tie Rod Symptoms A recall came out on the rod bearings on november 8, 2023 my 2019 acura tlx aspec blew a rod on november 18, 2023. Your suspension is comprised of several key components, this includes everything from the shock/strut, spring, control arms or a. The way to check for bad tie rods is to jack the front of the car up,. Acura Tl Tie Rod Symptoms.
From innovationdiscoveries.space
What Are Some Symptoms Of Bad Tie Rods? Acura Tl Tie Rod Symptoms Your suspension is comprised of several key components, this includes everything from the shock/strut, spring, control arms or a. Exhibited bearing damage via a low engine knock. ~66k mobil1 synthetic extended performance 0w20, honda oem oil filter. They originally told me that they need. The way to check for bad tie rods is to jack the front of the car. Acura Tl Tie Rod Symptoms.
From studentlesson.com
Everything You Need To Know About A Tie Rod Student Lesson Acura Tl Tie Rod Symptoms A recall came out on the rod bearings on november 8, 2023 my 2019 acura tlx aspec blew a rod on november 18, 2023. ~66k mobil1 synthetic extended performance 0w20, honda oem oil filter. Your suspension is comprised of several key components, this includes everything from the shock/strut, spring, control arms or a. Connecting rod bearing on cylinder 2 failed. Acura Tl Tie Rod Symptoms.
From www.carid.com
CTR® Acura TL 2004 Front Outer Steering Tie Rod End Acura Tl Tie Rod Symptoms The way to check for bad tie rods is to jack the front of the car up, place your hands on 3 and 9 oclock and push the wheel side to side. Brought in my 2015 tlx shawd v6 with 21,900 miles for the connecting rod recall april 15, 2024. They originally told me that they need. Common signs of. Acura Tl Tie Rod Symptoms.
From loeyhzanq.blob.core.windows.net
How To Know When Your Tie Rod Ends Are Bad at Susan Godfrey blog Acura Tl Tie Rod Symptoms The way to check for bad tie rods is to jack the front of the car up, place your hands on 3 and 9 oclock and push the wheel side to side. ~66k mobil1 synthetic extended performance 0w20, honda oem oil filter. Common signs of a faulty tie rod end include a front end alignment that is off, a shaky. Acura Tl Tie Rod Symptoms.
From www.justanswer.com
Q&A Acura TL Rack and Pinion Replacement Expert Advice Acura Tl Tie Rod Symptoms A recall came out on the rod bearings on november 8, 2023 my 2019 acura tlx aspec blew a rod on november 18, 2023. Brought in my 2015 tlx shawd v6 with 21,900 miles for the connecting rod recall april 15, 2024. ~66k mobil1 synthetic extended performance 0w20, honda oem oil filter. Common signs of a faulty tie rod end. Acura Tl Tie Rod Symptoms.
From acurazine.com
Acura TL 2009 to 2014 How to Replace Shocks and Shocks Review Acurazine Acura Tl Tie Rod Symptoms Brought in my 2015 tlx shawd v6 with 21,900 miles for the connecting rod recall april 15, 2024. ~66k mobil1 synthetic extended performance 0w20, honda oem oil filter. A recall came out on the rod bearings on november 8, 2023 my 2019 acura tlx aspec blew a rod on november 18, 2023. They originally told me that they need. Common. Acura Tl Tie Rod Symptoms.
From acurazine.com
Intermediate shaft bearing diagnosis AcuraZine Acura Enthusiast Acura Tl Tie Rod Symptoms ~66k mobil1 synthetic extended performance 0w20, honda oem oil filter. Brought in my 2015 tlx shawd v6 with 21,900 miles for the connecting rod recall april 15, 2024. Your suspension is comprised of several key components, this includes everything from the shock/strut, spring, control arms or a. Connecting rod bearing on cylinder 2 failed and took out a rod. Common. Acura Tl Tie Rod Symptoms.
From www.gmride.com.my
What Are the Symptoms of a Bad Inner Tie Rod? Guard My Ride Acura Tl Tie Rod Symptoms They originally told me that they need. Common signs of a faulty tie rod end include a front end alignment that is off, a shaky or loose steering wheel, and uneven or excessive. The way to check for bad tie rods is to jack the front of the car up, place your hands on 3 and 9 oclock and push. Acura Tl Tie Rod Symptoms.
From www.youtube.com
WHAT ARE THE SYMPTOMS OF BAD TIE ROD ON A CAR YouTube Acura Tl Tie Rod Symptoms Connecting rod bearing on cylinder 2 failed and took out a rod. Brought in my 2015 tlx shawd v6 with 21,900 miles for the connecting rod recall april 15, 2024. Exhibited bearing damage via a low engine knock. A recall came out on the rod bearings on november 8, 2023 my 2019 acura tlx aspec blew a rod on november. Acura Tl Tie Rod Symptoms.
From www.classicchevy.ca
19971998 Acura TL Tie Rod End 10410943 Classic Chevy Acura Tl Tie Rod Symptoms Your suspension is comprised of several key components, this includes everything from the shock/strut, spring, control arms or a. Exhibited bearing damage via a low engine knock. Connecting rod bearing on cylinder 2 failed and took out a rod. A recall came out on the rod bearings on november 8, 2023 my 2019 acura tlx aspec blew a rod on. Acura Tl Tie Rod Symptoms.
From www.acurapartswarehouse.com
53560SEPA02 Genuine Acura End, L. Tie Rod Acura Tl Tie Rod Symptoms ~66k mobil1 synthetic extended performance 0w20, honda oem oil filter. A recall came out on the rod bearings on november 8, 2023 my 2019 acura tlx aspec blew a rod on november 18, 2023. Your suspension is comprised of several key components, this includes everything from the shock/strut, spring, control arms or a. Brought in my 2015 tlx shawd v6. Acura Tl Tie Rod Symptoms.
From acurazine.com
Acura TL 20092014 How to Replace Ball Joints Acurazine Acura Tl Tie Rod Symptoms They originally told me that they need. Exhibited bearing damage via a low engine knock. ~66k mobil1 synthetic extended performance 0w20, honda oem oil filter. Connecting rod bearing on cylinder 2 failed and took out a rod. Common signs of a faulty tie rod end include a front end alignment that is off, a shaky or loose steering wheel, and. Acura Tl Tie Rod Symptoms.
From bisonperformance.com
Inner Tie Rod Symptoms — Tighten Up Your Steering BISON PERFORMANCE Acura Tl Tie Rod Symptoms A recall came out on the rod bearings on november 8, 2023 my 2019 acura tlx aspec blew a rod on november 18, 2023. Exhibited bearing damage via a low engine knock. Your suspension is comprised of several key components, this includes everything from the shock/strut, spring, control arms or a. The way to check for bad tie rods is. Acura Tl Tie Rod Symptoms.
From www.partzilla.com
Symptoms of Worn Tie Rod Ends Acura Tl Tie Rod Symptoms Exhibited bearing damage via a low engine knock. Common signs of a faulty tie rod end include a front end alignment that is off, a shaky or loose steering wheel, and uneven or excessive. ~66k mobil1 synthetic extended performance 0w20, honda oem oil filter. Your suspension is comprised of several key components, this includes everything from the shock/strut, spring, control. Acura Tl Tie Rod Symptoms.
From www.warnockauto.com
What Are The Bad Tie Rod Symptoms? WarnockAuto Acura Tl Tie Rod Symptoms Brought in my 2015 tlx shawd v6 with 21,900 miles for the connecting rod recall april 15, 2024. They originally told me that they need. ~66k mobil1 synthetic extended performance 0w20, honda oem oil filter. Exhibited bearing damage via a low engine knock. A recall came out on the rod bearings on november 8, 2023 my 2019 acura tlx aspec. Acura Tl Tie Rod Symptoms.
From www.ebay.com
TRQ New Steering Inner Outer Tie Rod End LH RH kit For 20042008 Acura Acura Tl Tie Rod Symptoms A recall came out on the rod bearings on november 8, 2023 my 2019 acura tlx aspec blew a rod on november 18, 2023. The way to check for bad tie rods is to jack the front of the car up, place your hands on 3 and 9 oclock and push the wheel side to side. Common signs of a. Acura Tl Tie Rod Symptoms.
From acurazine.com
Acura TSX 2004 to 2014 Suspension Diagnostic Guide Acurazine Acura Tl Tie Rod Symptoms Brought in my 2015 tlx shawd v6 with 21,900 miles for the connecting rod recall april 15, 2024. Your suspension is comprised of several key components, this includes everything from the shock/strut, spring, control arms or a. Connecting rod bearing on cylinder 2 failed and took out a rod. The way to check for bad tie rods is to jack. Acura Tl Tie Rod Symptoms.
From acurazine.com
Inner and outer Tie Rod DIY (pics) AcuraZine Acura Enthusiast Community Acura Tl Tie Rod Symptoms Brought in my 2015 tlx shawd v6 with 21,900 miles for the connecting rod recall april 15, 2024. ~66k mobil1 synthetic extended performance 0w20, honda oem oil filter. They originally told me that they need. Exhibited bearing damage via a low engine knock. Common signs of a faulty tie rod end include a front end alignment that is off, a. Acura Tl Tie Rod Symptoms.
From mechanicbase.com
6 Signs Of A Bad or Worn Tie Rod Acura Tl Tie Rod Symptoms Brought in my 2015 tlx shawd v6 with 21,900 miles for the connecting rod recall april 15, 2024. Your suspension is comprised of several key components, this includes everything from the shock/strut, spring, control arms or a. The way to check for bad tie rods is to jack the front of the car up, place your hands on 3 and. Acura Tl Tie Rod Symptoms.
From www.youtube.com
How to replace Tie Rods (inner and outer) on a 3rdgen Acura TL YouTube Acura Tl Tie Rod Symptoms ~66k mobil1 synthetic extended performance 0w20, honda oem oil filter. A recall came out on the rod bearings on november 8, 2023 my 2019 acura tlx aspec blew a rod on november 18, 2023. They originally told me that they need. Your suspension is comprised of several key components, this includes everything from the shock/strut, spring, control arms or a.. Acura Tl Tie Rod Symptoms.