Power Locks And Windows Stopped Working . The driver's side works fine. My door locks and windows won’t go down or lock or unlock. Passenger controls do work to roll up/down. Tried the instructions but wasn’t getting results first few times. The power locks stopped working on the driver door, but they. One of the simplest reasons your power windows aren’t working is that the window lock button is enabled. My power windows and locks aren't working via the door panel switches i checked all fuses and tested continuity, and the result was all good, nothing here. Power locks went down when pushing armrest toggle, but popped right back up, even with doors closed, even when driving. The power windows and door locks on my passenger side stopped working. From all i’ve checked, i can’t find a fuse, relay or circuit breaker labeled to control window and door locks. This safety feature disables all passenger windows from working, preventing children from playing with them. All 4 windows don’t work (with. I pulled the fuse and they both stopped, put in a new fuse and only the driver's side. I have tried looking through the hands manual to no avail. Check to see if the lock switch is pushed in on the driver’s door.
from www.justanswer.com
Tried the instructions but wasn’t getting results first few times. Check to see if the lock switch is pushed in on the driver’s door. My power windows and locks aren't working via the door panel switches i checked all fuses and tested continuity, and the result was all good, nothing here. This safety feature disables all passenger windows from working, preventing children from playing with them. All 4 windows don’t work (with. Passenger controls do work to roll up/down. The power windows and door locks on my passenger side stopped working. I pulled the fuse and they both stopped, put in a new fuse and only the driver's side. I have tried looking through the hands manual to no avail. The driver's side works fine.
The power windows and locks stopped working. I can't figure out why, No
Power Locks And Windows Stopped Working I pulled the fuse and they both stopped, put in a new fuse and only the driver's side. I pulled the fuse and they both stopped, put in a new fuse and only the driver's side. One of the simplest reasons your power windows aren’t working is that the window lock button is enabled. Check to see if the lock switch is pushed in on the driver’s door. The power locks stopped working on the driver door, but they. All windows and locks, front back,. I have tried looking through the hands manual to no avail. Tried the instructions but wasn’t getting results first few times. My power windows and locks aren't working via the door panel switches i checked all fuses and tested continuity, and the result was all good, nothing here. Passenger controls do work to roll up/down. From all i’ve checked, i can’t find a fuse, relay or circuit breaker labeled to control window and door locks. The driver's side works fine. My door locks and windows won’t go down or lock or unlock. Power locks went down when pushing armrest toggle, but popped right back up, even with doors closed, even when driving. This safety feature disables all passenger windows from working, preventing children from playing with them. All 4 windows don’t work (with.
From www.automasterx.com
Power Windows And Door Locks Not Working Silverado Causes And Fixes? Power Locks And Windows Stopped Working The driver's side works fine. From all i’ve checked, i can’t find a fuse, relay or circuit breaker labeled to control window and door locks. Check to see if the lock switch is pushed in on the driver’s door. Tried the instructions but wasn’t getting results first few times. The power locks stopped working on the driver door, but they.. Power Locks And Windows Stopped Working.
From www.youtube.com
Windows Explorer has stopped working in Windows 7 / 8/10/11 How To Power Locks And Windows Stopped Working All windows and locks, front back,. The power locks stopped working on the driver door, but they. The power windows and door locks on my passenger side stopped working. I pulled the fuse and they both stopped, put in a new fuse and only the driver's side. From all i’ve checked, i can’t find a fuse, relay or circuit breaker. Power Locks And Windows Stopped Working.
From www.youtube.com
07 Yukon Denali Power Windows, Locks Not working Fix YouTube Power Locks And Windows Stopped Working My door locks and windows won’t go down or lock or unlock. The power locks stopped working on the driver door, but they. I have tried looking through the hands manual to no avail. I pulled the fuse and they both stopped, put in a new fuse and only the driver's side. All windows and locks, front back,. From all. Power Locks And Windows Stopped Working.
From www.youtube.com
2000 Toyota Tundra Power Window, Power Lock Fuse YouTube Power Locks And Windows Stopped Working This safety feature disables all passenger windows from working, preventing children from playing with them. The driver's side works fine. All windows and locks, front back,. The power locks stopped working on the driver door, but they. The power windows and door locks on my passenger side stopped working. I have tried looking through the hands manual to no avail.. Power Locks And Windows Stopped Working.
From www.autoexpro.com
Power Locks Not Working When Car Is Off How To Fix? Power Locks And Windows Stopped Working From all i’ve checked, i can’t find a fuse, relay or circuit breaker labeled to control window and door locks. The driver's side works fine. My power windows and locks aren't working via the door panel switches i checked all fuses and tested continuity, and the result was all good, nothing here. The power windows and door locks on my. Power Locks And Windows Stopped Working.
From www.f150forum.com
Power windows stopped working. Need help!!! Page 2 Ford F150 Forum Power Locks And Windows Stopped Working The power locks stopped working on the driver door, but they. Check to see if the lock switch is pushed in on the driver’s door. The power windows and door locks on my passenger side stopped working. My door locks and windows won’t go down or lock or unlock. I have tried looking through the hands manual to no avail.. Power Locks And Windows Stopped Working.
From www.2carpros.com
Power Windows Stopped Working After Replacing the Window's Power Locks And Windows Stopped Working I have tried looking through the hands manual to no avail. From all i’ve checked, i can’t find a fuse, relay or circuit breaker labeled to control window and door locks. Check to see if the lock switch is pushed in on the driver’s door. One of the simplest reasons your power windows aren’t working is that the window lock. Power Locks And Windows Stopped Working.
From exoipysmt.blob.core.windows.net
What Is Power Door Locks In Car at Justin Kim blog Power Locks And Windows Stopped Working My power windows and locks aren't working via the door panel switches i checked all fuses and tested continuity, and the result was all good, nothing here. I have tried looking through the hands manual to no avail. Passenger controls do work to roll up/down. Check to see if the lock switch is pushed in on the driver’s door. All. Power Locks And Windows Stopped Working.
From www.2carpros.com
Power Locks Not Working Properly Having a Problem with Power Door... Power Locks And Windows Stopped Working I pulled the fuse and they both stopped, put in a new fuse and only the driver's side. Tried the instructions but wasn’t getting results first few times. From all i’ve checked, i can’t find a fuse, relay or circuit breaker labeled to control window and door locks. The power locks stopped working on the driver door, but they. Power. Power Locks And Windows Stopped Working.
From zakruti.com
GMC / Chevy Truck Power Window & Power Lock The Fix Power Locks And Windows Stopped Working The power locks stopped working on the driver door, but they. Power locks went down when pushing armrest toggle, but popped right back up, even with doors closed, even when driving. All windows and locks, front back,. This safety feature disables all passenger windows from working, preventing children from playing with them. All 4 windows don’t work (with. I have. Power Locks And Windows Stopped Working.
From technoresult.com
Fix PowerShell_ise has stopped working error Technoresult Power Locks And Windows Stopped Working One of the simplest reasons your power windows aren’t working is that the window lock button is enabled. The power windows and door locks on my passenger side stopped working. Power locks went down when pushing armrest toggle, but popped right back up, even with doors closed, even when driving. This safety feature disables all passenger windows from working, preventing. Power Locks And Windows Stopped Working.
From www.youtube.com
Windows 11’s lock screen Spotlight not working? Try these fixes! YouTube Power Locks And Windows Stopped Working The power locks stopped working on the driver door, but they. My door locks and windows won’t go down or lock or unlock. All windows and locks, front back,. One of the simplest reasons your power windows aren’t working is that the window lock button is enabled. The driver's side works fine. This safety feature disables all passenger windows from. Power Locks And Windows Stopped Working.
From www.youtube.com
How to Diagnose Broken Power Window/Door Locks/Memory Functions Power Locks And Windows Stopped Working One of the simplest reasons your power windows aren’t working is that the window lock button is enabled. Tried the instructions but wasn’t getting results first few times. All windows and locks, front back,. My power windows and locks aren't working via the door panel switches i checked all fuses and tested continuity, and the result was all good, nothing. Power Locks And Windows Stopped Working.
From exosliyge.blob.core.windows.net
Power Window Not Working Fuse at Betty Sigel blog Power Locks And Windows Stopped Working Passenger controls do work to roll up/down. All windows and locks, front back,. I have tried looking through the hands manual to no avail. My door locks and windows won’t go down or lock or unlock. The power windows and door locks on my passenger side stopped working. My power windows and locks aren't working via the door panel switches. Power Locks And Windows Stopped Working.
From circuitenginehecate.z19.web.core.windows.net
Can You Change Manual Windows To Power Power Locks And Windows Stopped Working From all i’ve checked, i can’t find a fuse, relay or circuit breaker labeled to control window and door locks. Passenger controls do work to roll up/down. This safety feature disables all passenger windows from working, preventing children from playing with them. Tried the instructions but wasn’t getting results first few times. I pulled the fuse and they both stopped,. Power Locks And Windows Stopped Working.
From shizuraviagaragerepair.z13.web.core.windows.net
Door Lock Stopped Working Power Locks And Windows Stopped Working This safety feature disables all passenger windows from working, preventing children from playing with them. I have tried looking through the hands manual to no avail. Tried the instructions but wasn’t getting results first few times. My door locks and windows won’t go down or lock or unlock. The power locks stopped working on the driver door, but they. The. Power Locks And Windows Stopped Working.
From www.2carpros.com
Power Locks and Windows Not Working I Put in a New Driver Side Power Locks And Windows Stopped Working Power locks went down when pushing armrest toggle, but popped right back up, even with doors closed, even when driving. My power windows and locks aren't working via the door panel switches i checked all fuses and tested continuity, and the result was all good, nothing here. My door locks and windows won’t go down or lock or unlock. Check. Power Locks And Windows Stopped Working.
From www.youtube.com
Ford F150 Windows power door locks not working quick fix YouTube Power Locks And Windows Stopped Working I pulled the fuse and they both stopped, put in a new fuse and only the driver's side. The power locks stopped working on the driver door, but they. My power windows and locks aren't working via the door panel switches i checked all fuses and tested continuity, and the result was all good, nothing here. Power locks went down. Power Locks And Windows Stopped Working.
From www.justanswer.com
My power windows stopped working. From what I understand, this Power Locks And Windows Stopped Working The power windows and door locks on my passenger side stopped working. All 4 windows don’t work (with. This safety feature disables all passenger windows from working, preventing children from playing with them. All windows and locks, front back,. Check to see if the lock switch is pushed in on the driver’s door. Power locks went down when pushing armrest. Power Locks And Windows Stopped Working.
From www.piloteers.org
Power windows and locks not working after dead battery. Honda Pilot Power Locks And Windows Stopped Working Tried the instructions but wasn’t getting results first few times. Passenger controls do work to roll up/down. My door locks and windows won’t go down or lock or unlock. The driver's side works fine. The power windows and door locks on my passenger side stopped working. Power locks went down when pushing armrest toggle, but popped right back up, even. Power Locks And Windows Stopped Working.
From www.2carpros.com
Power Locks Not Working Properly the Lock Feature Works for the Power Locks And Windows Stopped Working All windows and locks, front back,. I pulled the fuse and they both stopped, put in a new fuse and only the driver's side. All 4 windows don’t work (with. The power locks stopped working on the driver door, but they. My power windows and locks aren't working via the door panel switches i checked all fuses and tested continuity,. Power Locks And Windows Stopped Working.
From techcult.com
Fix Desktop Window Manager Stopped Working TechCult Power Locks And Windows Stopped Working The power windows and door locks on my passenger side stopped working. This safety feature disables all passenger windows from working, preventing children from playing with them. All 4 windows don’t work (with. The driver's side works fine. Passenger controls do work to roll up/down. Power locks went down when pushing armrest toggle, but popped right back up, even with. Power Locks And Windows Stopped Working.
From www.2carpros.com
Right Front Power Window and Lock Stopped Working Power Locks And Windows Stopped Working One of the simplest reasons your power windows aren’t working is that the window lock button is enabled. All 4 windows don’t work (with. The power windows and door locks on my passenger side stopped working. My power windows and locks aren't working via the door panel switches i checked all fuses and tested continuity, and the result was all. Power Locks And Windows Stopped Working.
From www.youtube.com
Windows & power locks don't work, FIX. Camry secret fuse. Slow windows Power Locks And Windows Stopped Working Passenger controls do work to roll up/down. This safety feature disables all passenger windows from working, preventing children from playing with them. The power windows and door locks on my passenger side stopped working. Check to see if the lock switch is pushed in on the driver’s door. The power locks stopped working on the driver door, but they. All. Power Locks And Windows Stopped Working.
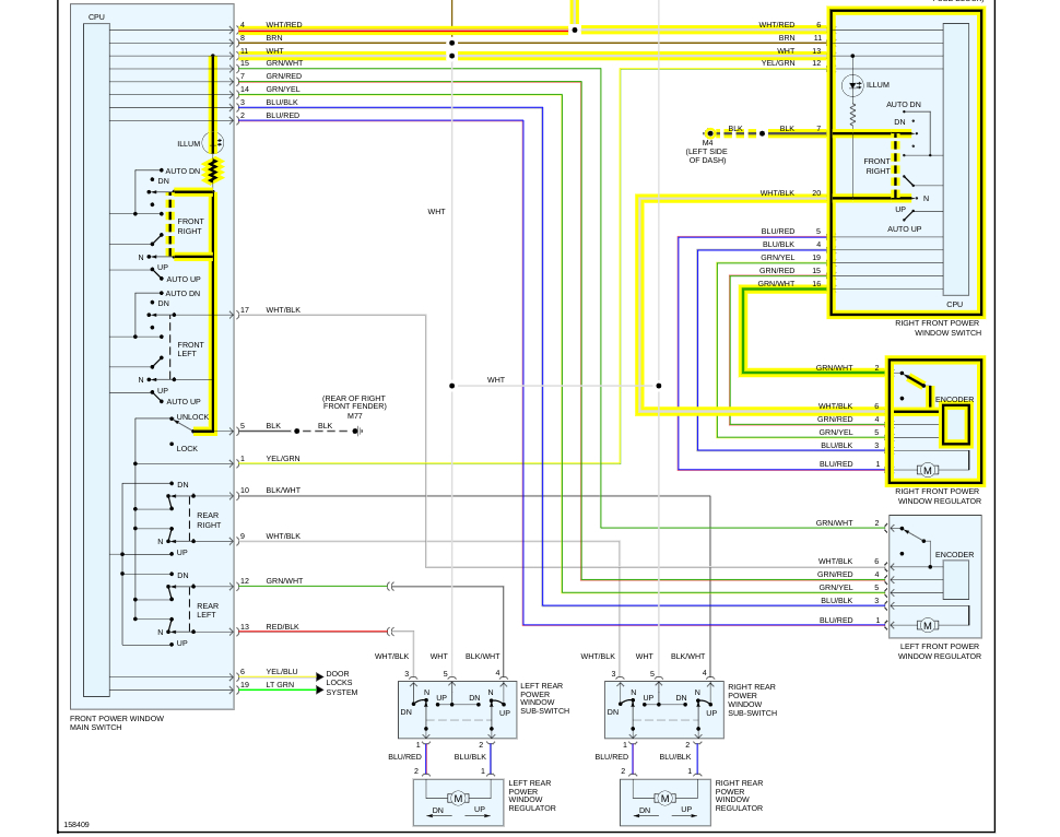
From schematicsdiagram.blogspot.com
schematics and diagrams Power windows,Door locks and Power mirrors all Power Locks And Windows Stopped Working Passenger controls do work to roll up/down. One of the simplest reasons your power windows aren’t working is that the window lock button is enabled. I pulled the fuse and they both stopped, put in a new fuse and only the driver's side. From all i’ve checked, i can’t find a fuse, relay or circuit breaker labeled to control window. Power Locks And Windows Stopped Working.
From www.youtube.com
Ford windows and door locks do not work solved YouTube Power Locks And Windows Stopped Working Tried the instructions but wasn’t getting results first few times. I have tried looking through the hands manual to no avail. The power locks stopped working on the driver door, but they. Passenger controls do work to roll up/down. Power locks went down when pushing armrest toggle, but popped right back up, even with doors closed, even when driving. The. Power Locks And Windows Stopped Working.
From www.justanswer.com
02 tahoe power door locks stopped working. The driver door and the Power Locks And Windows Stopped Working I pulled the fuse and they both stopped, put in a new fuse and only the driver's side. Tried the instructions but wasn’t getting results first few times. This safety feature disables all passenger windows from working, preventing children from playing with them. The power windows and door locks on my passenger side stopped working. The power locks stopped working. Power Locks And Windows Stopped Working.
From ccm.net
How to Fix the "Windows Installer Has Stopped Working" Error on Windows Power Locks And Windows Stopped Working The driver's side works fine. The power locks stopped working on the driver door, but they. My door locks and windows won’t go down or lock or unlock. Tried the instructions but wasn’t getting results first few times. I have tried looking through the hands manual to no avail. Power locks went down when pushing armrest toggle, but popped right. Power Locks And Windows Stopped Working.
From www.2carpros.com
The Power Locks and Windows Are Not Working Power Locks And Windows Stopped Working One of the simplest reasons your power windows aren’t working is that the window lock button is enabled. Power locks went down when pushing armrest toggle, but popped right back up, even with doors closed, even when driving. My door locks and windows won’t go down or lock or unlock. All windows and locks, front back,. My power windows and. Power Locks And Windows Stopped Working.
From www.youtube.com
Power Locks / Power Window not Working on Dodge Ram 2500 How to Repair Power Locks And Windows Stopped Working Passenger controls do work to roll up/down. My power windows and locks aren't working via the door panel switches i checked all fuses and tested continuity, and the result was all good, nothing here. One of the simplest reasons your power windows aren’t working is that the window lock button is enabled. I have tried looking through the hands manual. Power Locks And Windows Stopped Working.
From www.2carpros.com
The Power Locks and Windows Are Not Working Power Locks And Windows Stopped Working All 4 windows don’t work (with. I have tried looking through the hands manual to no avail. My door locks and windows won’t go down or lock or unlock. The driver's side works fine. One of the simplest reasons your power windows aren’t working is that the window lock button is enabled. The power windows and door locks on my. Power Locks And Windows Stopped Working.
From recoverit.wondershare.com
[Solved!] My Computer Stopped Working. How to Fix It? Power Locks And Windows Stopped Working Passenger controls do work to roll up/down. Power locks went down when pushing armrest toggle, but popped right back up, even with doors closed, even when driving. This safety feature disables all passenger windows from working, preventing children from playing with them. The driver's side works fine. My power windows and locks aren't working via the door panel switches i. Power Locks And Windows Stopped Working.
From www.pinterest.com
All four of my windows stopped working and the power lock on the driver Power Locks And Windows Stopped Working I have tried looking through the hands manual to no avail. The power locks stopped working on the driver door, but they. I pulled the fuse and they both stopped, put in a new fuse and only the driver's side. From all i’ve checked, i can’t find a fuse, relay or circuit breaker labeled to control window and door locks.. Power Locks And Windows Stopped Working.
From www.justanswer.com
The power windows and locks stopped working. I can't figure out why, No Power Locks And Windows Stopped Working All windows and locks, front back,. Power locks went down when pushing armrest toggle, but popped right back up, even with doors closed, even when driving. The driver's side works fine. My door locks and windows won’t go down or lock or unlock. One of the simplest reasons your power windows aren’t working is that the window lock button is. Power Locks And Windows Stopped Working.
From www.thetechedvocate.org
How to Fix the "Application Is Not Responding" Error on Windows The Power Locks And Windows Stopped Working From all i’ve checked, i can’t find a fuse, relay or circuit breaker labeled to control window and door locks. I have tried looking through the hands manual to no avail. All 4 windows don’t work (with. Tried the instructions but wasn’t getting results first few times. The power windows and door locks on my passenger side stopped working. All. Power Locks And Windows Stopped Working.