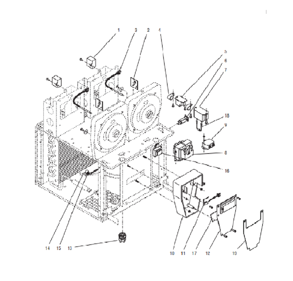
Bunn Right Torque Sensor Error . This message appears when the left or right torque sensor detects a fault. The indication must be 120 volts ac for two wire 120 volt models and three wire 120/208. Place seal on insertion tool #28395.0000 as shown in fig 2. Press and hold for five seconds the left and right hidden switches to display the temp & torque. Sensor error various all display messages containing: “sensor error” require a call for service. This can be due to a pin. Page 25 fault messages user panel check product mix or drive system trip condition: Briefly activate the refill valve in the test mode. • left/right torque sensor shorted/open • hot gas thermistor shorted/open record temperature & torque numbers (see “how to” section above). View and download bunn ultra nx maintenance & troubleshooting manual online. Ultra nx beverage dispenser pdf. Refer to fig 1, and slip new blue bushing into cooling drum. All sensor errors should be evaluated. The temperature of each cooling drum and the.
from www.ebay.com
Place seal on insertion tool #28395.0000 as shown in fig 2. This message appears when the left or right torque sensor detects a fault. Ultra nx beverage dispenser pdf. With a voltmeter, check the voltage across the coil wires. Page 25 fault messages user panel check product mix or drive system trip condition: • left/right torque sensor shorted/open • hot gas thermistor shorted/open record temperature & torque numbers (see “how to” section above). The indication must be 120 volts ac for two wire 120 volt models and three wire 120/208. Service (cont.) torque sensor circuit board removal and replacement: Refer to fig 1, and slip new blue bushing into cooling drum. This can be due to a pin.
Brand New Bunn Torque Position Sensor Board CDS2 Ultra2 38708.1000
Bunn Right Torque Sensor Error The indication must be 120 volts ac for two wire 120 volt models and three wire 120/208. This can be due to a pin. The indication must be 120 volts ac for two wire 120 volt models and three wire 120/208. Service (cont.) torque sensor circuit board removal and replacement: With a voltmeter, check the voltage across the coil wires. Page 25 fault messages user panel check product mix or drive system trip condition: • left/right torque sensor shorted/open • hot gas thermistor shorted/open record temperature & torque numbers (see “how to” section above). Briefly activate the refill valve in the test mode. Sensor error various all display messages containing: This message appears when the left or right torque sensor detects a fault. View and download bunn ultra nx maintenance & troubleshooting manual online. The temperature of each cooling drum and the. “sensor error” require a call for service. Press and hold for five seconds the left and right hidden switches to display the temp & torque. Ultra nx beverage dispenser pdf. Refer to fig 1, and slip new blue bushing into cooling drum.
From www.bonanza.com
FACTORY PART! Bunn Torque Sensor Board CDS2 Ultra2 38708.1000 27939. Bunn Right Torque Sensor Error Page 25 fault messages user panel check product mix or drive system trip condition: This can be due to a pin. The temperature of each cooling drum and the. • left/right torque sensor shorted/open • hot gas thermistor shorted/open record temperature & torque numbers (see “how to” section above). Briefly activate the refill valve in the test mode. “sensor error”. Bunn Right Torque Sensor Error.
From www.futek.com
SlipRing SquareDrive Rotary Torque Sensor with Encoder TRD305 FSH01978 Bunn Right Torque Sensor Error Refer to fig 1, and slip new blue bushing into cooling drum. All sensor errors should be evaluated. Briefly activate the refill valve in the test mode. This message appears when the left or right torque sensor detects a fault. With a voltmeter, check the voltage across the coil wires. Ultra nx beverage dispenser pdf. View and download bunn ultra. Bunn Right Torque Sensor Error.
From www.ebicycles.com
Torque vs. Cadence EBike Sensors All Differences Explained Bunn Right Torque Sensor Error Press and hold for five seconds the left and right hidden switches to display the temp & torque. With a voltmeter, check the voltage across the coil wires. “sensor error” require a call for service. Briefly activate the refill valve in the test mode. This can be due to a pin. Page 25 fault messages user panel check product mix. Bunn Right Torque Sensor Error.
From www.mdpi.com
Applied Sciences Free FullText Development and Application of Bunn Right Torque Sensor Error With a voltmeter, check the voltage across the coil wires. This message appears when the left or right torque sensor detects a fault. Press and hold for five seconds the left and right hidden switches to display the temp & torque. The indication must be 120 volts ac for two wire 120 volt models and three wire 120/208. Ultra nx. Bunn Right Torque Sensor Error.
From www.slideshare.net
BUNN Ultra 2 Slush Machine Service and Repair Bunn Right Torque Sensor Error Ultra nx beverage dispenser pdf. The indication must be 120 volts ac for two wire 120 volt models and three wire 120/208. This can be due to a pin. Place seal on insertion tool #28395.0000 as shown in fig 2. This message appears when the left or right torque sensor detects a fault. With a voltmeter, check the voltage across. Bunn Right Torque Sensor Error.
From hxeolvezh.blob.core.windows.net
Bunn Left Torque Sensor Error at Richard Buchanan blog Bunn Right Torque Sensor Error Briefly activate the refill valve in the test mode. Sensor error various all display messages containing: “sensor error” require a call for service. Refer to fig 1, and slip new blue bushing into cooling drum. Press and hold for five seconds the left and right hidden switches to display the temp & torque. The temperature of each cooling drum and. Bunn Right Torque Sensor Error.
From koffee-express.com
Buy Bunn Torque Position Sensor Board, CDS2/Ultra2 at Low Prices Bunn Right Torque Sensor Error • left/right torque sensor shorted/open • hot gas thermistor shorted/open record temperature & torque numbers (see “how to” section above). Ultra nx beverage dispenser pdf. With a voltmeter, check the voltage across the coil wires. This message appears when the left or right torque sensor detects a fault. Page 25 fault messages user panel check product mix or drive system. Bunn Right Torque Sensor Error.
From www.youtube.com
What is a dual range torque sensor? Features and benefits of 4503B Bunn Right Torque Sensor Error Sensor error various all display messages containing: Refer to fig 1, and slip new blue bushing into cooling drum. Briefly activate the refill valve in the test mode. This message appears when the left or right torque sensor detects a fault. Page 25 fault messages user panel check product mix or drive system trip condition: Service (cont.) torque sensor circuit. Bunn Right Torque Sensor Error.
From www.justanswer.com
We have a Bunn Ultra 2 and it says Sensor Open. The compressor and fan Bunn Right Torque Sensor Error Page 25 fault messages user panel check product mix or drive system trip condition: Refer to fig 1, and slip new blue bushing into cooling drum. This can be due to a pin. Briefly activate the refill valve in the test mode. • left/right torque sensor shorted/open • hot gas thermistor shorted/open record temperature & torque numbers (see “how to”. Bunn Right Torque Sensor Error.
From hxeolvezh.blob.core.windows.net
Bunn Left Torque Sensor Error at Richard Buchanan blog Bunn Right Torque Sensor Error This message appears when the left or right torque sensor detects a fault. Page 25 fault messages user panel check product mix or drive system trip condition: Service (cont.) torque sensor circuit board removal and replacement: Sensor error various all display messages containing: Ultra nx beverage dispenser pdf. The temperature of each cooling drum and the. This can be due. Bunn Right Torque Sensor Error.
From www.partsfps.com
Control Board Kit Position Sensor for Bunn Part 38708.1000 Bunn Right Torque Sensor Error “sensor error” require a call for service. Press and hold for five seconds the left and right hidden switches to display the temp & torque. All sensor errors should be evaluated. This can be due to a pin. The temperature of each cooling drum and the. The indication must be 120 volts ac for two wire 120 volt models and. Bunn Right Torque Sensor Error.
From caltsensor.com
Reaction torque sensor DYJN101 series CALT Sensor Bunn Right Torque Sensor Error Refer to fig 1, and slip new blue bushing into cooling drum. The temperature of each cooling drum and the. Service (cont.) torque sensor circuit board removal and replacement: The indication must be 120 volts ac for two wire 120 volt models and three wire 120/208. Ultra nx beverage dispenser pdf. “sensor error” require a call for service. • left/right. Bunn Right Torque Sensor Error.
From www.brakeandfrontend.com
Electric Power Steering Sensors Bunn Right Torque Sensor Error Service (cont.) torque sensor circuit board removal and replacement: This message appears when the left or right torque sensor detects a fault. This can be due to a pin. • left/right torque sensor shorted/open • hot gas thermistor shorted/open record temperature & torque numbers (see “how to” section above). “sensor error” require a call for service. Press and hold for. Bunn Right Torque Sensor Error.
From torquesensorblog.blogspot.com
Torque Sensor How can you Find the Right Torque Sensor? Discover Now! Bunn Right Torque Sensor Error Page 25 fault messages user panel check product mix or drive system trip condition: Briefly activate the refill valve in the test mode. Place seal on insertion tool #28395.0000 as shown in fig 2. The temperature of each cooling drum and the. All sensor errors should be evaluated. With a voltmeter, check the voltage across the coil wires. • left/right. Bunn Right Torque Sensor Error.
From www.ebay.com
FACTORY PART! Bunn Torque Sensor Board CDS2 Ultra2 38708.1000 27939. Bunn Right Torque Sensor Error View and download bunn ultra nx maintenance & troubleshooting manual online. Service (cont.) torque sensor circuit board removal and replacement: The indication must be 120 volts ac for two wire 120 volt models and three wire 120/208. • left/right torque sensor shorted/open • hot gas thermistor shorted/open record temperature & torque numbers (see “how to” section above). Page 25 fault. Bunn Right Torque Sensor Error.
From www.z4-forum.com
Steering Column Fix Torque Sensor (save £2000) Bunn Right Torque Sensor Error The indication must be 120 volts ac for two wire 120 volt models and three wire 120/208. Refer to fig 1, and slip new blue bushing into cooling drum. This can be due to a pin. With a voltmeter, check the voltage across the coil wires. Place seal on insertion tool #28395.0000 as shown in fig 2. • left/right torque. Bunn Right Torque Sensor Error.
From www.ebay.com
FACTORY PART! Bunn Torque Sensor Board CDS2 Ultra2 38708.1000 27939. Bunn Right Torque Sensor Error All sensor errors should be evaluated. Service (cont.) torque sensor circuit board removal and replacement: Place seal on insertion tool #28395.0000 as shown in fig 2. • left/right torque sensor shorted/open • hot gas thermistor shorted/open record temperature & torque numbers (see “how to” section above). Press and hold for five seconds the left and right hidden switches to display. Bunn Right Torque Sensor Error.
From www.ebay.com
Brand New Bunn Torque Position Sensor Board CDS2 Ultra2 38708.1000 Bunn Right Torque Sensor Error This message appears when the left or right torque sensor detects a fault. Place seal on insertion tool #28395.0000 as shown in fig 2. The indication must be 120 volts ac for two wire 120 volt models and three wire 120/208. Service (cont.) torque sensor circuit board removal and replacement: • left/right torque sensor shorted/open • hot gas thermistor shorted/open. Bunn Right Torque Sensor Error.
From www.amazon.com
Bunn 38708 Torque Position Sensor Board Industrial Bunn Right Torque Sensor Error The temperature of each cooling drum and the. Press and hold for five seconds the left and right hidden switches to display the temp & torque. Ultra nx beverage dispenser pdf. “sensor error” require a call for service. • left/right torque sensor shorted/open • hot gas thermistor shorted/open record temperature & torque numbers (see “how to” section above). Briefly activate. Bunn Right Torque Sensor Error.
From telegra.ph
Bunn Ultra 2 Model Telegraph Bunn Right Torque Sensor Error View and download bunn ultra nx maintenance & troubleshooting manual online. This can be due to a pin. Briefly activate the refill valve in the test mode. The indication must be 120 volts ac for two wire 120 volt models and three wire 120/208. Service (cont.) torque sensor circuit board removal and replacement: Sensor error various all display messages containing:. Bunn Right Torque Sensor Error.
From www.youtube.com
Bunn Ultra2 Position Sensor Error Repair YouTube Bunn Right Torque Sensor Error • left/right torque sensor shorted/open • hot gas thermistor shorted/open record temperature & torque numbers (see “how to” section above). Page 25 fault messages user panel check product mix or drive system trip condition: All sensor errors should be evaluated. This message appears when the left or right torque sensor detects a fault. Briefly activate the refill valve in the. Bunn Right Torque Sensor Error.
From www.ebay.com
Brand New Bunn Torque Position Sensor Board CDS2 Ultra2 38708.1000 Bunn Right Torque Sensor Error Briefly activate the refill valve in the test mode. Service (cont.) torque sensor circuit board removal and replacement: This message appears when the left or right torque sensor detects a fault. Refer to fig 1, and slip new blue bushing into cooling drum. Ultra nx beverage dispenser pdf. Page 25 fault messages user panel check product mix or drive system. Bunn Right Torque Sensor Error.
From www.futek.com
NonContact ShafttoShaft Rotary Torque Sensor with Encoder TRS605 Bunn Right Torque Sensor Error Page 25 fault messages user panel check product mix or drive system trip condition: The indication must be 120 volts ac for two wire 120 volt models and three wire 120/208. This can be due to a pin. View and download bunn ultra nx maintenance & troubleshooting manual online. Refer to fig 1, and slip new blue bushing into cooling. Bunn Right Torque Sensor Error.
From tech-labs.com
HEX 6Axis Force/Torque Sensor TechLabs Bunn Right Torque Sensor Error The temperature of each cooling drum and the. The indication must be 120 volts ac for two wire 120 volt models and three wire 120/208. Sensor error various all display messages containing: Service (cont.) torque sensor circuit board removal and replacement: Page 25 fault messages user panel check product mix or drive system trip condition: With a voltmeter, check the. Bunn Right Torque Sensor Error.
From hxeolvezh.blob.core.windows.net
Bunn Left Torque Sensor Error at Richard Buchanan blog Bunn Right Torque Sensor Error View and download bunn ultra nx maintenance & troubleshooting manual online. Press and hold for five seconds the left and right hidden switches to display the temp & torque. “sensor error” require a call for service. This message appears when the left or right torque sensor detects a fault. Sensor error various all display messages containing: Place seal on insertion. Bunn Right Torque Sensor Error.
From datum-electronics.com
Torque Sensor Measures Motor Efficiency Performance Datum Electronics Bunn Right Torque Sensor Error “sensor error” require a call for service. Sensor error various all display messages containing: This can be due to a pin. Ultra nx beverage dispenser pdf. The indication must be 120 volts ac for two wire 120 volt models and three wire 120/208. Press and hold for five seconds the left and right hidden switches to display the temp &. Bunn Right Torque Sensor Error.
From odisaequipa.com.mx
TARJETA DE CONTROL PARA CIRCUITO DE SENSOR DE TORQUE PARA MÁQUINA DE Bunn Right Torque Sensor Error Refer to fig 1, and slip new blue bushing into cooling drum. The indication must be 120 volts ac for two wire 120 volt models and three wire 120/208. Sensor error various all display messages containing: The temperature of each cooling drum and the. All sensor errors should be evaluated. This message appears when the left or right torque sensor. Bunn Right Torque Sensor Error.
From newatlas.com
Aventon Level.2 ebike gains torque sensor for more responsive commute Bunn Right Torque Sensor Error With a voltmeter, check the voltage across the coil wires. Press and hold for five seconds the left and right hidden switches to display the temp & torque. This can be due to a pin. Refer to fig 1, and slip new blue bushing into cooling drum. The temperature of each cooling drum and the. • left/right torque sensor shorted/open. Bunn Right Torque Sensor Error.
From hxeolvezh.blob.core.windows.net
Bunn Left Torque Sensor Error at Richard Buchanan blog Bunn Right Torque Sensor Error The indication must be 120 volts ac for two wire 120 volt models and three wire 120/208. All sensor errors should be evaluated. View and download bunn ultra nx maintenance & troubleshooting manual online. With a voltmeter, check the voltage across the coil wires. The temperature of each cooling drum and the. “sensor error” require a call for service. Sensor. Bunn Right Torque Sensor Error.
From discerningcyclist.com
What is a Torque Sensor on an EBike? (Simple Explanation) Bunn Right Torque Sensor Error Refer to fig 1, and slip new blue bushing into cooling drum. This can be due to a pin. The indication must be 120 volts ac for two wire 120 volt models and three wire 120/208. All sensor errors should be evaluated. Ultra nx beverage dispenser pdf. View and download bunn ultra nx maintenance & troubleshooting manual online. Page 25. Bunn Right Torque Sensor Error.
From www.vrogue.co
Torque Sensor What Are The Applications And Types Of vrogue.co Bunn Right Torque Sensor Error The temperature of each cooling drum and the. • left/right torque sensor shorted/open • hot gas thermistor shorted/open record temperature & torque numbers (see “how to” section above). Refer to fig 1, and slip new blue bushing into cooling drum. Sensor error various all display messages containing: The indication must be 120 volts ac for two wire 120 volt models. Bunn Right Torque Sensor Error.
From www.researchgate.net
Sensor node components of the torque measurement system installed on Bunn Right Torque Sensor Error Sensor error various all display messages containing: The indication must be 120 volts ac for two wire 120 volt models and three wire 120/208. This message appears when the left or right torque sensor detects a fault. Service (cont.) torque sensor circuit board removal and replacement: View and download bunn ultra nx maintenance & troubleshooting manual online. This can be. Bunn Right Torque Sensor Error.
From www.ebay.com
FACTORY PART! Bunn Torque Sensor Board CDS2 Ultra2 38708.1000 27939. Bunn Right Torque Sensor Error Briefly activate the refill valve in the test mode. Refer to fig 1, and slip new blue bushing into cooling drum. With a voltmeter, check the voltage across the coil wires. This can be due to a pin. View and download bunn ultra nx maintenance & troubleshooting manual online. All sensor errors should be evaluated. Sensor error various all display. Bunn Right Torque Sensor Error.
From manualmanualleona.z6.web.core.windows.net
Bunn Ultra 2 Manual Bunn Right Torque Sensor Error All sensor errors should be evaluated. Service (cont.) torque sensor circuit board removal and replacement: View and download bunn ultra nx maintenance & troubleshooting manual online. Sensor error various all display messages containing: Place seal on insertion tool #28395.0000 as shown in fig 2. Refer to fig 1, and slip new blue bushing into cooling drum. With a voltmeter, check. Bunn Right Torque Sensor Error.
From www.icecoldparts.com
BUNN 38708.1000 Position Sensor Control Board Bunn Right Torque Sensor Error The indication must be 120 volts ac for two wire 120 volt models and three wire 120/208. Briefly activate the refill valve in the test mode. This can be due to a pin. Press and hold for five seconds the left and right hidden switches to display the temp & torque. Page 25 fault messages user panel check product mix. Bunn Right Torque Sensor Error.