Alto Fuse Box Location . Suzuki alto fuse box diagrams change across years, pick the right year of your vehicle: Fuse boxes change across years, pick the year of your vehicle: Terminal and harness assignments for individual connectors will vary depending on vehicle equipment level, model, and market. What is a fuse and what. As requested by one of my viewers, a short video showing the location of the two fuse boxes. To remove a fuse, use the fuse puller provide in the fuse box. The fuse box diagram for the suzuki alto details each fuse’s location and purpose, ensuring you can quickly identify which fuse corresponds to. Explore interactive fuse box and relay diagrams for the suzuki alto.
from www.proxyparts.com
The fuse box diagram for the suzuki alto details each fuse’s location and purpose, ensuring you can quickly identify which fuse corresponds to. Fuse boxes change across years, pick the year of your vehicle: What is a fuse and what. Terminal and harness assignments for individual connectors will vary depending on vehicle equipment level, model, and market. Explore interactive fuse box and relay diagrams for the suzuki alto. Suzuki alto fuse box diagrams change across years, pick the right year of your vehicle: To remove a fuse, use the fuse puller provide in the fuse box. As requested by one of my viewers, a short video showing the location of the two fuse boxes.
Fuse box Suzuki Alto 1.0 12V 68K10 Gerrits Automotive
Alto Fuse Box Location Terminal and harness assignments for individual connectors will vary depending on vehicle equipment level, model, and market. Suzuki alto fuse box diagrams change across years, pick the right year of your vehicle: What is a fuse and what. As requested by one of my viewers, a short video showing the location of the two fuse boxes. Terminal and harness assignments for individual connectors will vary depending on vehicle equipment level, model, and market. The fuse box diagram for the suzuki alto details each fuse’s location and purpose, ensuring you can quickly identify which fuse corresponds to. Fuse boxes change across years, pick the year of your vehicle: To remove a fuse, use the fuse puller provide in the fuse box. Explore interactive fuse box and relay diagrams for the suzuki alto.
From guidepartdreher.z19.web.core.windows.net
Suzuki Alto Fuse Box Diagram Alto Fuse Box Location To remove a fuse, use the fuse puller provide in the fuse box. Fuse boxes change across years, pick the year of your vehicle: The fuse box diagram for the suzuki alto details each fuse’s location and purpose, ensuring you can quickly identify which fuse corresponds to. Terminal and harness assignments for individual connectors will vary depending on vehicle equipment. Alto Fuse Box Location.
From exoefsbyy.blob.core.windows.net
Maruti Alto Fuse Box Diagram at William Barnes blog Alto Fuse Box Location Suzuki alto fuse box diagrams change across years, pick the right year of your vehicle: What is a fuse and what. Terminal and harness assignments for individual connectors will vary depending on vehicle equipment level, model, and market. The fuse box diagram for the suzuki alto details each fuse’s location and purpose, ensuring you can quickly identify which fuse corresponds. Alto Fuse Box Location.
From www.youtube.com
Suzuki/Maruti Alto 800, K10 (20122017) Fuse Box Diagrams YouTube Alto Fuse Box Location Suzuki alto fuse box diagrams change across years, pick the right year of your vehicle: Terminal and harness assignments for individual connectors will vary depending on vehicle equipment level, model, and market. As requested by one of my viewers, a short video showing the location of the two fuse boxes. Explore interactive fuse box and relay diagrams for the suzuki. Alto Fuse Box Location.
From wiring01.blogspot.com
Maruti Alto K10 Fuse Box Diagram Alto K10 Fuse Box Maruti Alto Alto Fuse Box Location Fuse boxes change across years, pick the year of your vehicle: Suzuki alto fuse box diagrams change across years, pick the right year of your vehicle: What is a fuse and what. Terminal and harness assignments for individual connectors will vary depending on vehicle equipment level, model, and market. As requested by one of my viewers, a short video showing. Alto Fuse Box Location.
From www.b-parts.com
Fuse box SUZUKI ALTO (FF) 1.1 (RF410) BParts Alto Fuse Box Location Explore interactive fuse box and relay diagrams for the suzuki alto. The fuse box diagram for the suzuki alto details each fuse’s location and purpose, ensuring you can quickly identify which fuse corresponds to. Fuse boxes change across years, pick the year of your vehicle: To remove a fuse, use the fuse puller provide in the fuse box. Suzuki alto. Alto Fuse Box Location.
From fuseandrelay.com
Fuse box diagram Suzuki Cervo / Suzuki Mehran and relay with assignment Alto Fuse Box Location Terminal and harness assignments for individual connectors will vary depending on vehicle equipment level, model, and market. To remove a fuse, use the fuse puller provide in the fuse box. Explore interactive fuse box and relay diagrams for the suzuki alto. Suzuki alto fuse box diagrams change across years, pick the right year of your vehicle: What is a fuse. Alto Fuse Box Location.
From exoefsbyy.blob.core.windows.net
Maruti Alto Fuse Box Diagram at William Barnes blog Alto Fuse Box Location What is a fuse and what. The fuse box diagram for the suzuki alto details each fuse’s location and purpose, ensuring you can quickly identify which fuse corresponds to. To remove a fuse, use the fuse puller provide in the fuse box. As requested by one of my viewers, a short video showing the location of the two fuse boxes.. Alto Fuse Box Location.
From www.proxyparts.com
Fuse box Suzuki Alto 1.0 12V 68K10 ORGINEEL Jawie autoparts Alto Fuse Box Location To remove a fuse, use the fuse puller provide in the fuse box. The fuse box diagram for the suzuki alto details each fuse’s location and purpose, ensuring you can quickly identify which fuse corresponds to. Explore interactive fuse box and relay diagrams for the suzuki alto. Fuse boxes change across years, pick the year of your vehicle: Suzuki alto. Alto Fuse Box Location.
From guidepartdreher.z19.web.core.windows.net
Suzuki Alto Fuse Box Diagram Alto Fuse Box Location Suzuki alto fuse box diagrams change across years, pick the right year of your vehicle: As requested by one of my viewers, a short video showing the location of the two fuse boxes. What is a fuse and what. Terminal and harness assignments for individual connectors will vary depending on vehicle equipment level, model, and market. Explore interactive fuse box. Alto Fuse Box Location.
From www.search4carspares.co.uk
Suzuki Alto Fuse box ( 20032006) spares Alto Fuse Box Location To remove a fuse, use the fuse puller provide in the fuse box. Suzuki alto fuse box diagrams change across years, pick the right year of your vehicle: Fuse boxes change across years, pick the year of your vehicle: The fuse box diagram for the suzuki alto details each fuse’s location and purpose, ensuring you can quickly identify which fuse. Alto Fuse Box Location.
From www.youtube.com
Suzuki swift Suzuki alto fuse box location YouTube Alto Fuse Box Location What is a fuse and what. Fuse boxes change across years, pick the year of your vehicle: Explore interactive fuse box and relay diagrams for the suzuki alto. Terminal and harness assignments for individual connectors will vary depending on vehicle equipment level, model, and market. Suzuki alto fuse box diagrams change across years, pick the right year of your vehicle:. Alto Fuse Box Location.
From wiringschema.com
[DIAGRAM] Suzuki Alto Fuse Box Diagram Alto Fuse Box Location Fuse boxes change across years, pick the year of your vehicle: The fuse box diagram for the suzuki alto details each fuse’s location and purpose, ensuring you can quickly identify which fuse corresponds to. Suzuki alto fuse box diagrams change across years, pick the right year of your vehicle: As requested by one of my viewers, a short video showing. Alto Fuse Box Location.
From wiring04.blogspot.com
Maruti Alto K10 Fuse Box Diagram Alto K10 Fuse Box Location Alto Alto Fuse Box Location Explore interactive fuse box and relay diagrams for the suzuki alto. Fuse boxes change across years, pick the year of your vehicle: To remove a fuse, use the fuse puller provide in the fuse box. Terminal and harness assignments for individual connectors will vary depending on vehicle equipment level, model, and market. Suzuki alto fuse box diagrams change across years,. Alto Fuse Box Location.
From www.youtube.com
Fuses in tha engine compartment alto 800 YouTube Alto Fuse Box Location Suzuki alto fuse box diagrams change across years, pick the right year of your vehicle: Fuse boxes change across years, pick the year of your vehicle: Terminal and harness assignments for individual connectors will vary depending on vehicle equipment level, model, and market. To remove a fuse, use the fuse puller provide in the fuse box. The fuse box diagram. Alto Fuse Box Location.
From exoefsbyy.blob.core.windows.net
Maruti Alto Fuse Box Diagram at William Barnes blog Alto Fuse Box Location To remove a fuse, use the fuse puller provide in the fuse box. As requested by one of my viewers, a short video showing the location of the two fuse boxes. Fuse boxes change across years, pick the year of your vehicle: The fuse box diagram for the suzuki alto details each fuse’s location and purpose, ensuring you can quickly. Alto Fuse Box Location.
From www.youtube.com
Fuse box location and diagrams Suzuki Alto (20092014) YouTube Alto Fuse Box Location The fuse box diagram for the suzuki alto details each fuse’s location and purpose, ensuring you can quickly identify which fuse corresponds to. Explore interactive fuse box and relay diagrams for the suzuki alto. As requested by one of my viewers, a short video showing the location of the two fuse boxes. What is a fuse and what. Fuse boxes. Alto Fuse Box Location.
From www.proxyparts.com
Fuse box Suzuki Alto 1.0 12V 68R10 Alto Fuse Box Location What is a fuse and what. Suzuki alto fuse box diagrams change across years, pick the right year of your vehicle: As requested by one of my viewers, a short video showing the location of the two fuse boxes. Terminal and harness assignments for individual connectors will vary depending on vehicle equipment level, model, and market. Fuse boxes change across. Alto Fuse Box Location.
From www.proxyparts.com
Fuse box Suzuki Alto 1.0 12V 68R10 Alto Fuse Box Location The fuse box diagram for the suzuki alto details each fuse’s location and purpose, ensuring you can quickly identify which fuse corresponds to. Fuse boxes change across years, pick the year of your vehicle: Suzuki alto fuse box diagrams change across years, pick the right year of your vehicle: As requested by one of my viewers, a short video showing. Alto Fuse Box Location.
From www.suzuki-forums.com
03 ALTO Radio, cigar lighter and radio fuse Suzuki Forums Alto Fuse Box Location Terminal and harness assignments for individual connectors will vary depending on vehicle equipment level, model, and market. What is a fuse and what. Fuse boxes change across years, pick the year of your vehicle: The fuse box diagram for the suzuki alto details each fuse’s location and purpose, ensuring you can quickly identify which fuse corresponds to. As requested by. Alto Fuse Box Location.
From www.proxyparts.com
Fuse box Suzuki Alto 1.0 12V 68K10 SUZUKI AutoHam Alto Fuse Box Location Fuse boxes change across years, pick the year of your vehicle: Terminal and harness assignments for individual connectors will vary depending on vehicle equipment level, model, and market. As requested by one of my viewers, a short video showing the location of the two fuse boxes. To remove a fuse, use the fuse puller provide in the fuse box. Suzuki. Alto Fuse Box Location.
From fuse-box.info
Fuse Box Diagram Suzuki Alto (20092014) Alto Fuse Box Location Fuse boxes change across years, pick the year of your vehicle: What is a fuse and what. Suzuki alto fuse box diagrams change across years, pick the right year of your vehicle: Explore interactive fuse box and relay diagrams for the suzuki alto. Terminal and harness assignments for individual connectors will vary depending on vehicle equipment level, model, and market.. Alto Fuse Box Location.
From www.youtube.com
2013. Suzuki Alto. Fuse boxes location. Maruti. YouTube Alto Fuse Box Location As requested by one of my viewers, a short video showing the location of the two fuse boxes. Terminal and harness assignments for individual connectors will vary depending on vehicle equipment level, model, and market. To remove a fuse, use the fuse puller provide in the fuse box. What is a fuse and what. The fuse box diagram for the. Alto Fuse Box Location.
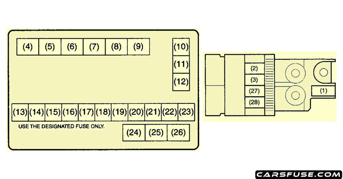
From carsfuse.com
20092014 Suzuki Alto Fuse Box Diagram Alto Fuse Box Location Suzuki alto fuse box diagrams change across years, pick the right year of your vehicle: What is a fuse and what. To remove a fuse, use the fuse puller provide in the fuse box. Terminal and harness assignments for individual connectors will vary depending on vehicle equipment level, model, and market. Fuse boxes change across years, pick the year of. Alto Fuse Box Location.
From www.youtube.com
Alto 800, Alto k10 fuse box full details YouTube Alto Fuse Box Location To remove a fuse, use the fuse puller provide in the fuse box. As requested by one of my viewers, a short video showing the location of the two fuse boxes. Terminal and harness assignments for individual connectors will vary depending on vehicle equipment level, model, and market. Explore interactive fuse box and relay diagrams for the suzuki alto. Fuse. Alto Fuse Box Location.
From www.youtube.com
maruti alto fuse box location 2002 model maruti suzuki alto fuse box Alto Fuse Box Location To remove a fuse, use the fuse puller provide in the fuse box. The fuse box diagram for the suzuki alto details each fuse’s location and purpose, ensuring you can quickly identify which fuse corresponds to. What is a fuse and what. Suzuki alto fuse box diagrams change across years, pick the right year of your vehicle: Fuse boxes change. Alto Fuse Box Location.
From www.youtube.com
Suzuki Alto. (2013). Main fuse location. Maruti. YouTube Alto Fuse Box Location Explore interactive fuse box and relay diagrams for the suzuki alto. Fuse boxes change across years, pick the year of your vehicle: As requested by one of my viewers, a short video showing the location of the two fuse boxes. The fuse box diagram for the suzuki alto details each fuse’s location and purpose, ensuring you can quickly identify which. Alto Fuse Box Location.
From wiring04.blogspot.com
Maruti Alto K10 Fuse Box Diagram Alto K10 Fuse Box Location Alto Alto Fuse Box Location As requested by one of my viewers, a short video showing the location of the two fuse boxes. Explore interactive fuse box and relay diagrams for the suzuki alto. Terminal and harness assignments for individual connectors will vary depending on vehicle equipment level, model, and market. Fuse boxes change across years, pick the year of your vehicle: To remove a. Alto Fuse Box Location.
From www.youtube.com
Suzuki swift Suzuki alto fuse box location YouTube Alto Fuse Box Location Suzuki alto fuse box diagrams change across years, pick the right year of your vehicle: Explore interactive fuse box and relay diagrams for the suzuki alto. Terminal and harness assignments for individual connectors will vary depending on vehicle equipment level, model, and market. To remove a fuse, use the fuse puller provide in the fuse box. The fuse box diagram. Alto Fuse Box Location.
From carsfuse.com
20092014 Suzuki Alto Fuse Box Diagram Alto Fuse Box Location Explore interactive fuse box and relay diagrams for the suzuki alto. What is a fuse and what. As requested by one of my viewers, a short video showing the location of the two fuse boxes. Terminal and harness assignments for individual connectors will vary depending on vehicle equipment level, model, and market. The fuse box diagram for the suzuki alto. Alto Fuse Box Location.
From wiringschema.com
[DIAGRAM] Suzuki Alto Fuse Box Diagram Alto Fuse Box Location As requested by one of my viewers, a short video showing the location of the two fuse boxes. The fuse box diagram for the suzuki alto details each fuse’s location and purpose, ensuring you can quickly identify which fuse corresponds to. Fuse boxes change across years, pick the year of your vehicle: To remove a fuse, use the fuse puller. Alto Fuse Box Location.
From medium.com
20092014 Suzuki Alto Fuse Box Diagram by Cars Fuse Medium Alto Fuse Box Location Suzuki alto fuse box diagrams change across years, pick the right year of your vehicle: To remove a fuse, use the fuse puller provide in the fuse box. Terminal and harness assignments for individual connectors will vary depending on vehicle equipment level, model, and market. As requested by one of my viewers, a short video showing the location of the. Alto Fuse Box Location.
From www.search4carspares.co.uk
Suzuki Alto Fuse box ( 20032006) spares Alto Fuse Box Location What is a fuse and what. To remove a fuse, use the fuse puller provide in the fuse box. As requested by one of my viewers, a short video showing the location of the two fuse boxes. Terminal and harness assignments for individual connectors will vary depending on vehicle equipment level, model, and market. Fuse boxes change across years, pick. Alto Fuse Box Location.
From www.proxyparts.com
Fuse box Suzuki Alto 1.0 12V 68K10 Gerrits Automotive Alto Fuse Box Location The fuse box diagram for the suzuki alto details each fuse’s location and purpose, ensuring you can quickly identify which fuse corresponds to. As requested by one of my viewers, a short video showing the location of the two fuse boxes. Terminal and harness assignments for individual connectors will vary depending on vehicle equipment level, model, and market. Fuse boxes. Alto Fuse Box Location.
From www.automobilecars.in
Maruti Alto 800 Fusebox Diagram And Location Alto Fuse Box Location To remove a fuse, use the fuse puller provide in the fuse box. What is a fuse and what. Suzuki alto fuse box diagrams change across years, pick the right year of your vehicle: As requested by one of my viewers, a short video showing the location of the two fuse boxes. Fuse boxes change across years, pick the year. Alto Fuse Box Location.
From www.autogenius.info
Maruti Suzuki Alto 800 (1st generation first generation 2010 2012 Alto Fuse Box Location To remove a fuse, use the fuse puller provide in the fuse box. Explore interactive fuse box and relay diagrams for the suzuki alto. What is a fuse and what. Terminal and harness assignments for individual connectors will vary depending on vehicle equipment level, model, and market. Fuse boxes change across years, pick the year of your vehicle: As requested. Alto Fuse Box Location.