Image Sensor Evaluation Board . On semiconductor python image sensor evaluation kits enable customers to easily and quickly evaluate the performance of the. Sensor evaluation boards (evb) support camera manufacturers and oems in the development, selection and integration of sensors into their. The boards in this family provide examples of a variety of sensors such as accelerometers, barometric pressure, gyroscope, temperature,. The demo 3 evaluation board acts as an interface to connect on semiconductor’s image sensor evaluation boards and modules to a host pc. The boards in this family provide examples of a variety of sensors such as accelerometers, barometric pressure, gyroscope, temperature,. Ams osram mira optical sensor evaluation kit is a raspberry pi 4b platform that evaluates the mira220 and mira050 image sensors. The on semiconductor kae−0215x tec image sensor evaluation kit enables customers to evaluate the performance of kae−02150 and.
from www.sparkfun.com
The on semiconductor kae−0215x tec image sensor evaluation kit enables customers to evaluate the performance of kae−02150 and. On semiconductor python image sensor evaluation kits enable customers to easily and quickly evaluate the performance of the. The boards in this family provide examples of a variety of sensors such as accelerometers, barometric pressure, gyroscope, temperature,. Sensor evaluation boards (evb) support camera manufacturers and oems in the development, selection and integration of sensors into their. The demo 3 evaluation board acts as an interface to connect on semiconductor’s image sensor evaluation boards and modules to a host pc. Ams osram mira optical sensor evaluation kit is a raspberry pi 4b platform that evaluates the mira220 and mira050 image sensors. The boards in this family provide examples of a variety of sensors such as accelerometers, barometric pressure, gyroscope, temperature,.
Color Light Sensor Evaluation Board SEN10701 SparkFun Electronics
Image Sensor Evaluation Board The on semiconductor kae−0215x tec image sensor evaluation kit enables customers to evaluate the performance of kae−02150 and. The boards in this family provide examples of a variety of sensors such as accelerometers, barometric pressure, gyroscope, temperature,. The on semiconductor kae−0215x tec image sensor evaluation kit enables customers to evaluate the performance of kae−02150 and. Sensor evaluation boards (evb) support camera manufacturers and oems in the development, selection and integration of sensors into their. Ams osram mira optical sensor evaluation kit is a raspberry pi 4b platform that evaluates the mira220 and mira050 image sensors. On semiconductor python image sensor evaluation kits enable customers to easily and quickly evaluate the performance of the. The demo 3 evaluation board acts as an interface to connect on semiconductor’s image sensor evaluation boards and modules to a host pc. The boards in this family provide examples of a variety of sensors such as accelerometers, barometric pressure, gyroscope, temperature,.
From www.digikey.kr
Linear HallEffect Current Sensor Evaluation Boards Monolithic Power Image Sensor Evaluation Board The boards in this family provide examples of a variety of sensors such as accelerometers, barometric pressure, gyroscope, temperature,. The boards in this family provide examples of a variety of sensors such as accelerometers, barometric pressure, gyroscope, temperature,. On semiconductor python image sensor evaluation kits enable customers to easily and quickly evaluate the performance of the. Ams osram mira optical. Image Sensor Evaluation Board.
From www.framos.com
Image Sensor Evaluation Boards (EVB) FRAMOS Image Sensor Evaluation Board Sensor evaluation boards (evb) support camera manufacturers and oems in the development, selection and integration of sensors into their. The demo 3 evaluation board acts as an interface to connect on semiconductor’s image sensor evaluation boards and modules to a host pc. The boards in this family provide examples of a variety of sensors such as accelerometers, barometric pressure, gyroscope,. Image Sensor Evaluation Board.
From www.elecbee.com
AMG8833 Sensor Evaluation Board Temperature Sensor Development Board Image Sensor Evaluation Board Sensor evaluation boards (evb) support camera manufacturers and oems in the development, selection and integration of sensors into their. The boards in this family provide examples of a variety of sensors such as accelerometers, barometric pressure, gyroscope, temperature,. Ams osram mira optical sensor evaluation kit is a raspberry pi 4b platform that evaluates the mira220 and mira050 image sensors. On. Image Sensor Evaluation Board.
From www.electronicsworld.co.uk
Omron Evaluation Board fast tracks IoT sensor system development Image Sensor Evaluation Board On semiconductor python image sensor evaluation kits enable customers to easily and quickly evaluate the performance of the. The demo 3 evaluation board acts as an interface to connect on semiconductor’s image sensor evaluation boards and modules to a host pc. The on semiconductor kae−0215x tec image sensor evaluation kit enables customers to evaluate the performance of kae−02150 and. Sensor. Image Sensor Evaluation Board.
From www.digikey.gr
Current Sensor Evaluation Boards Allegro DigiKey Image Sensor Evaluation Board Ams osram mira optical sensor evaluation kit is a raspberry pi 4b platform that evaluates the mira220 and mira050 image sensors. The boards in this family provide examples of a variety of sensors such as accelerometers, barometric pressure, gyroscope, temperature,. On semiconductor python image sensor evaluation kits enable customers to easily and quickly evaluate the performance of the. The demo. Image Sensor Evaluation Board.
From uk.rs-online.com
EVALPASCO2SENSOR2GOTOBO1 Infineon XENSIV™ PAS CO2 Sensor2Go Image Sensor Evaluation Board The boards in this family provide examples of a variety of sensors such as accelerometers, barometric pressure, gyroscope, temperature,. Ams osram mira optical sensor evaluation kit is a raspberry pi 4b platform that evaluates the mira220 and mira050 image sensors. The on semiconductor kae−0215x tec image sensor evaluation kit enables customers to evaluate the performance of kae−02150 and. Sensor evaluation. Image Sensor Evaluation Board.
From uk.rs-online.com
Infineon S2GO3DSENSETLV493D Sensor Evaluation Board Image Sensor Evaluation Board The boards in this family provide examples of a variety of sensors such as accelerometers, barometric pressure, gyroscope, temperature,. Sensor evaluation boards (evb) support camera manufacturers and oems in the development, selection and integration of sensors into their. The demo 3 evaluation board acts as an interface to connect on semiconductor’s image sensor evaluation boards and modules to a host. Image Sensor Evaluation Board.
From www.glynstore.com
TDKInvenSense Motion Sensor Universal Evaluation Board (UEVB) Glyn Store Image Sensor Evaluation Board On semiconductor python image sensor evaluation kits enable customers to easily and quickly evaluate the performance of the. Sensor evaluation boards (evb) support camera manufacturers and oems in the development, selection and integration of sensors into their. The demo 3 evaluation board acts as an interface to connect on semiconductor’s image sensor evaluation boards and modules to a host pc.. Image Sensor Evaluation Board.
From studylib.net
Si1133/Si1153 Optical Sensor Evaluation Board Image Sensor Evaluation Board Sensor evaluation boards (evb) support camera manufacturers and oems in the development, selection and integration of sensors into their. Ams osram mira optical sensor evaluation kit is a raspberry pi 4b platform that evaluates the mira220 and mira050 image sensors. The demo 3 evaluation board acts as an interface to connect on semiconductor’s image sensor evaluation boards and modules to. Image Sensor Evaluation Board.
From uk.rs-online.com
BIOMETRICEXPEVB Silicon Labs Gecko EFM32 Biometric Sensor Image Sensor Evaluation Board The demo 3 evaluation board acts as an interface to connect on semiconductor’s image sensor evaluation boards and modules to a host pc. The on semiconductor kae−0215x tec image sensor evaluation kit enables customers to evaluate the performance of kae−02150 and. The boards in this family provide examples of a variety of sensors such as accelerometers, barometric pressure, gyroscope, temperature,.. Image Sensor Evaluation Board.
From www.electronicproducts.com
Sensor evaluation board delivers common prototyping platform Image Sensor Evaluation Board On semiconductor python image sensor evaluation kits enable customers to easily and quickly evaluate the performance of the. Sensor evaluation boards (evb) support camera manufacturers and oems in the development, selection and integration of sensors into their. The demo 3 evaluation board acts as an interface to connect on semiconductor’s image sensor evaluation boards and modules to a host pc.. Image Sensor Evaluation Board.
From sa.rsdelivers.com
BH1749NUCEVK001 ROHM ROHM Evaluation Board Colour Sensor Colour Image Sensor Evaluation Board The boards in this family provide examples of a variety of sensors such as accelerometers, barometric pressure, gyroscope, temperature,. The boards in this family provide examples of a variety of sensors such as accelerometers, barometric pressure, gyroscope, temperature,. Sensor evaluation boards (evb) support camera manufacturers and oems in the development, selection and integration of sensors into their. On semiconductor python. Image Sensor Evaluation Board.
From www.canonwatch.com
Canon Offers CMOS Sensor Evaluation Kits For Third Party Applications Image Sensor Evaluation Board On semiconductor python image sensor evaluation kits enable customers to easily and quickly evaluate the performance of the. The on semiconductor kae−0215x tec image sensor evaluation kit enables customers to evaluate the performance of kae−02150 and. The boards in this family provide examples of a variety of sensors such as accelerometers, barometric pressure, gyroscope, temperature,. The boards in this family. Image Sensor Evaluation Board.
From components.omron.com
Sensor Evaluation Board 2JCIEEV OMRON Device & Module Solutions Image Sensor Evaluation Board The demo 3 evaluation board acts as an interface to connect on semiconductor’s image sensor evaluation boards and modules to a host pc. Sensor evaluation boards (evb) support camera manufacturers and oems in the development, selection and integration of sensors into their. The boards in this family provide examples of a variety of sensors such as accelerometers, barometric pressure, gyroscope,. Image Sensor Evaluation Board.
From www.marutsu.co.jp
EVAL BOARD IMAGE SENSOR MARS1MAX9296BGEVB オンセミコンダクター製|電子部品・半導体通販のマルツ Image Sensor Evaluation Board The boards in this family provide examples of a variety of sensors such as accelerometers, barometric pressure, gyroscope, temperature,. The boards in this family provide examples of a variety of sensors such as accelerometers, barometric pressure, gyroscope, temperature,. The demo 3 evaluation board acts as an interface to connect on semiconductor’s image sensor evaluation boards and modules to a host. Image Sensor Evaluation Board.
From www.mouser.in
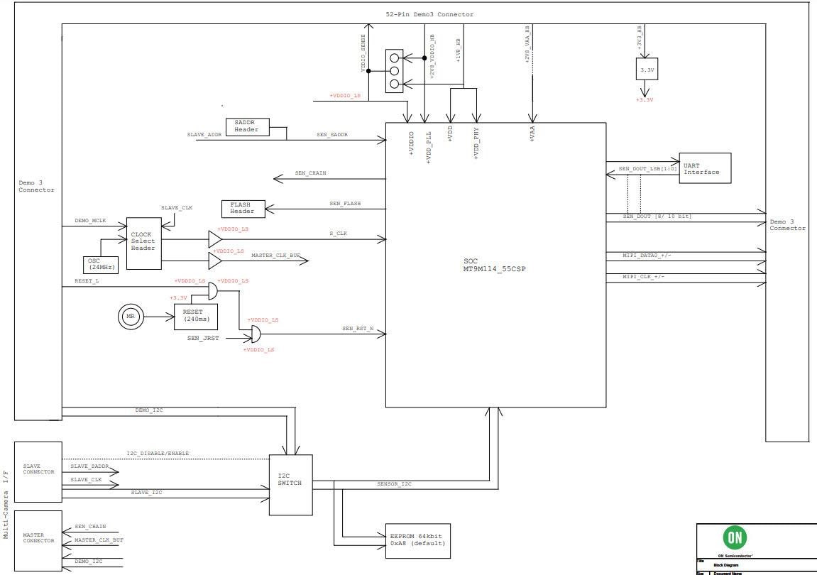
MT9M114 Digital Image Sensor Eval Board onsemi Mouser Image Sensor Evaluation Board Ams osram mira optical sensor evaluation kit is a raspberry pi 4b platform that evaluates the mira220 and mira050 image sensors. The boards in this family provide examples of a variety of sensors such as accelerometers, barometric pressure, gyroscope, temperature,. The boards in this family provide examples of a variety of sensors such as accelerometers, barometric pressure, gyroscope, temperature,. Sensor. Image Sensor Evaluation Board.
From www.sparkfun.com
Color Light Sensor Evaluation Board SEN10701 SparkFun Electronics Image Sensor Evaluation Board Ams osram mira optical sensor evaluation kit is a raspberry pi 4b platform that evaluates the mira220 and mira050 image sensors. The boards in this family provide examples of a variety of sensors such as accelerometers, barometric pressure, gyroscope, temperature,. On semiconductor python image sensor evaluation kits enable customers to easily and quickly evaluate the performance of the. Sensor evaluation. Image Sensor Evaluation Board.
From www.sparkfun.com
ADNS2620 Mouse Sensor Evaluation Board WIG10026 SparkFun Electronics Image Sensor Evaluation Board The boards in this family provide examples of a variety of sensors such as accelerometers, barometric pressure, gyroscope, temperature,. On semiconductor python image sensor evaluation kits enable customers to easily and quickly evaluate the performance of the. The demo 3 evaluation board acts as an interface to connect on semiconductor’s image sensor evaluation boards and modules to a host pc.. Image Sensor Evaluation Board.
From www.elecbee.com
AMG8833 Sensor Evaluation Board Temperature Sensor Development Board Image Sensor Evaluation Board The demo 3 evaluation board acts as an interface to connect on semiconductor’s image sensor evaluation boards and modules to a host pc. Sensor evaluation boards (evb) support camera manufacturers and oems in the development, selection and integration of sensors into their. On semiconductor python image sensor evaluation kits enable customers to easily and quickly evaluate the performance of the.. Image Sensor Evaluation Board.
From www.allegromicro.com
Allegro Current Sensor Evaluation Boards Allegro MicroSystems Image Sensor Evaluation Board Ams osram mira optical sensor evaluation kit is a raspberry pi 4b platform that evaluates the mira220 and mira050 image sensors. The demo 3 evaluation board acts as an interface to connect on semiconductor’s image sensor evaluation boards and modules to a host pc. On semiconductor python image sensor evaluation kits enable customers to easily and quickly evaluate the performance. Image Sensor Evaluation Board.
From www.rs-online.vn
Analog Devices Accelerometer Sensor Evaluation Board for ADXL335 RS Image Sensor Evaluation Board Ams osram mira optical sensor evaluation kit is a raspberry pi 4b platform that evaluates the mira220 and mira050 image sensors. The boards in this family provide examples of a variety of sensors such as accelerometers, barometric pressure, gyroscope, temperature,. The on semiconductor kae−0215x tec image sensor evaluation kit enables customers to evaluate the performance of kae−02150 and. On semiconductor. Image Sensor Evaluation Board.
From www.sparkfun.com
Color Light Sensor Evaluation Board SEN08663 SparkFun Electronics Image Sensor Evaluation Board On semiconductor python image sensor evaluation kits enable customers to easily and quickly evaluate the performance of the. Ams osram mira optical sensor evaluation kit is a raspberry pi 4b platform that evaluates the mira220 and mira050 image sensors. The demo 3 evaluation board acts as an interface to connect on semiconductor’s image sensor evaluation boards and modules to a. Image Sensor Evaluation Board.
From www.marutsu.co.jp
EVAL BOARD IMAGE SENSOR MARS1MAX9295AGEVK オンセミコンダクター製|電子部品・半導体通販のマルツ Image Sensor Evaluation Board The demo 3 evaluation board acts as an interface to connect on semiconductor’s image sensor evaluation boards and modules to a host pc. The boards in this family provide examples of a variety of sensors such as accelerometers, barometric pressure, gyroscope, temperature,. On semiconductor python image sensor evaluation kits enable customers to easily and quickly evaluate the performance of the.. Image Sensor Evaluation Board.
From manuals.plus
Honeywell FSSSMT Sensor Evaluation Board Instructions Image Sensor Evaluation Board The on semiconductor kae−0215x tec image sensor evaluation kit enables customers to evaluate the performance of kae−02150 and. Sensor evaluation boards (evb) support camera manufacturers and oems in the development, selection and integration of sensors into their. On semiconductor python image sensor evaluation kits enable customers to easily and quickly evaluate the performance of the. The demo 3 evaluation board. Image Sensor Evaluation Board.
From www.digikey.co.th
Sensor Evaluation Boards Evaluation Boards Electronic Components Image Sensor Evaluation Board The boards in this family provide examples of a variety of sensors such as accelerometers, barometric pressure, gyroscope, temperature,. The demo 3 evaluation board acts as an interface to connect on semiconductor’s image sensor evaluation boards and modules to a host pc. The boards in this family provide examples of a variety of sensors such as accelerometers, barometric pressure, gyroscope,. Image Sensor Evaluation Board.
From th.rs-online.com
AR0239SRSC00SUEAH3GEVB onsemi CMOS digital image sensor Image Sensor Image Sensor Evaluation Board The boards in this family provide examples of a variety of sensors such as accelerometers, barometric pressure, gyroscope, temperature,. The demo 3 evaluation board acts as an interface to connect on semiconductor’s image sensor evaluation boards and modules to a host pc. Ams osram mira optical sensor evaluation kit is a raspberry pi 4b platform that evaluates the mira220 and. Image Sensor Evaluation Board.
From dokumen.tips
(PDF) New Product Omron · New Product Sensor Evaluation Board 2JCIE Image Sensor Evaluation Board Sensor evaluation boards (evb) support camera manufacturers and oems in the development, selection and integration of sensors into their. Ams osram mira optical sensor evaluation kit is a raspberry pi 4b platform that evaluates the mira220 and mira050 image sensors. The boards in this family provide examples of a variety of sensors such as accelerometers, barometric pressure, gyroscope, temperature,. The. Image Sensor Evaluation Board.
From uk.rs-online.com
AR0233AT2C17XUEAH3GEVB onsemi Image Sensor Evaluation Board RS Image Sensor Evaluation Board Ams osram mira optical sensor evaluation kit is a raspberry pi 4b platform that evaluates the mira220 and mira050 image sensors. The boards in this family provide examples of a variety of sensors such as accelerometers, barometric pressure, gyroscope, temperature,. The demo 3 evaluation board acts as an interface to connect on semiconductor’s image sensor evaluation boards and modules to. Image Sensor Evaluation Board.
From www.allegromicro.com
Allegro Current Sensor Evaluation Boards Allegro MicroSystems Image Sensor Evaluation Board Ams osram mira optical sensor evaluation kit is a raspberry pi 4b platform that evaluates the mira220 and mira050 image sensors. The demo 3 evaluation board acts as an interface to connect on semiconductor’s image sensor evaluation boards and modules to a host pc. The on semiconductor kae−0215x tec image sensor evaluation kit enables customers to evaluate the performance of. Image Sensor Evaluation Board.
From slideplayer.com
IN5350 CMOS Image Sensor Design ppt download Image Sensor Evaluation Board On semiconductor python image sensor evaluation kits enable customers to easily and quickly evaluate the performance of the. Ams osram mira optical sensor evaluation kit is a raspberry pi 4b platform that evaluates the mira220 and mira050 image sensors. The boards in this family provide examples of a variety of sensors such as accelerometers, barometric pressure, gyroscope, temperature,. The on. Image Sensor Evaluation Board.
From uk.rs-online.com
CAPTIVATEFR2676 Texas Instruments Sensor Development Kit Capacitive Image Sensor Evaluation Board Sensor evaluation boards (evb) support camera manufacturers and oems in the development, selection and integration of sensors into their. The boards in this family provide examples of a variety of sensors such as accelerometers, barometric pressure, gyroscope, temperature,. Ams osram mira optical sensor evaluation kit is a raspberry pi 4b platform that evaluates the mira220 and mira050 image sensors. On. Image Sensor Evaluation Board.
From www.microcontrollertips.com
2MP RGBIR automotive image sensor with camera video processor Image Sensor Evaluation Board The boards in this family provide examples of a variety of sensors such as accelerometers, barometric pressure, gyroscope, temperature,. The demo 3 evaluation board acts as an interface to connect on semiconductor’s image sensor evaluation boards and modules to a host pc. On semiconductor python image sensor evaluation kits enable customers to easily and quickly evaluate the performance of the.. Image Sensor Evaluation Board.
From www.envirotech-online.com
New Sensor Evaluation Board (SEB) allows realtime evaluation of CO2 Image Sensor Evaluation Board On semiconductor python image sensor evaluation kits enable customers to easily and quickly evaluate the performance of the. Ams osram mira optical sensor evaluation kit is a raspberry pi 4b platform that evaluates the mira220 and mira050 image sensors. The on semiconductor kae−0215x tec image sensor evaluation kit enables customers to evaluate the performance of kae−02150 and. The boards in. Image Sensor Evaluation Board.
From www.arrow.com
Top 5 Sensor Development Boards Image Sensor Evaluation Board The boards in this family provide examples of a variety of sensors such as accelerometers, barometric pressure, gyroscope, temperature,. The on semiconductor kae−0215x tec image sensor evaluation kit enables customers to evaluate the performance of kae−02150 and. Ams osram mira optical sensor evaluation kit is a raspberry pi 4b platform that evaluates the mira220 and mira050 image sensors. Sensor evaluation. Image Sensor Evaluation Board.
From uk.rs-online.com
ENW49D01AXKF Panasonic Evaluation Board PAN9520 with GE Shield 60 Image Sensor Evaluation Board Ams osram mira optical sensor evaluation kit is a raspberry pi 4b platform that evaluates the mira220 and mira050 image sensors. The demo 3 evaluation board acts as an interface to connect on semiconductor’s image sensor evaluation boards and modules to a host pc. The boards in this family provide examples of a variety of sensors such as accelerometers, barometric. Image Sensor Evaluation Board.