Jeep Xj Rear Wiper Not Working . Make sure all fuses are good. Most of the time the actual gears and the shaft that turns the actual wiper gets clogged up with junk. In the beginning, the rear wiper may start moving slower and eventually seizes completely. Eh those wires in the boot are prone to break or split open. An easy fix with crap you probably have layin around the garage. This link provides alot of useful information on repairing. The sleeve where the shaft. You've likely got two parts to replace. If you've got power at the wiper motor, and at the pump, but neither work. Try lubricating the wiper arm shaft with penetrating lubricant to unseize it. If you have an old cherokee it's likely the rear washer bezel nipple is broken and this is a quick easy way.
from www.youtube.com
Try lubricating the wiper arm shaft with penetrating lubricant to unseize it. In the beginning, the rear wiper may start moving slower and eventually seizes completely. Most of the time the actual gears and the shaft that turns the actual wiper gets clogged up with junk. If you've got power at the wiper motor, and at the pump, but neither work. Eh those wires in the boot are prone to break or split open. You've likely got two parts to replace. An easy fix with crap you probably have layin around the garage. The sleeve where the shaft. If you have an old cherokee it's likely the rear washer bezel nipple is broken and this is a quick easy way. Make sure all fuses are good.
HOW TO replace rear windshield wiper JEEP Grand Cherokee YouTube
Jeep Xj Rear Wiper Not Working In the beginning, the rear wiper may start moving slower and eventually seizes completely. If you've got power at the wiper motor, and at the pump, but neither work. Make sure all fuses are good. The sleeve where the shaft. This link provides alot of useful information on repairing. You've likely got two parts to replace. In the beginning, the rear wiper may start moving slower and eventually seizes completely. An easy fix with crap you probably have layin around the garage. Try lubricating the wiper arm shaft with penetrating lubricant to unseize it. Eh those wires in the boot are prone to break or split open. Most of the time the actual gears and the shaft that turns the actual wiper gets clogged up with junk. If you have an old cherokee it's likely the rear washer bezel nipple is broken and this is a quick easy way.
From infinitecarsinsight.com
Jeep Grand Cherokee Windshield Wipers Installation, Maintenance, and Jeep Xj Rear Wiper Not Working The sleeve where the shaft. If you have an old cherokee it's likely the rear washer bezel nipple is broken and this is a quick easy way. You've likely got two parts to replace. An easy fix with crap you probably have layin around the garage. This link provides alot of useful information on repairing. If you've got power at. Jeep Xj Rear Wiper Not Working.
From www.cherokeeforum.com
Rear wiper no fluid 01 xj Jeep Cherokee Forum Jeep Xj Rear Wiper Not Working You've likely got two parts to replace. Make sure all fuses are good. If you've got power at the wiper motor, and at the pump, but neither work. Try lubricating the wiper arm shaft with penetrating lubricant to unseize it. Most of the time the actual gears and the shaft that turns the actual wiper gets clogged up with junk.. Jeep Xj Rear Wiper Not Working.
From userwiringceremonies.z14.web.core.windows.net
How To Remove Rear Wiper Jeep Cherokee Jeep Xj Rear Wiper Not Working An easy fix with crap you probably have layin around the garage. Most of the time the actual gears and the shaft that turns the actual wiper gets clogged up with junk. Eh those wires in the boot are prone to break or split open. In the beginning, the rear wiper may start moving slower and eventually seizes completely. This. Jeep Xj Rear Wiper Not Working.
From www.cherokeeforum.com
Windshield Wipers stopped working, again.. Jeep Cherokee Forum Jeep Xj Rear Wiper Not Working The sleeve where the shaft. Most of the time the actual gears and the shaft that turns the actual wiper gets clogged up with junk. You've likely got two parts to replace. This link provides alot of useful information on repairing. Try lubricating the wiper arm shaft with penetrating lubricant to unseize it. Make sure all fuses are good. An. Jeep Xj Rear Wiper Not Working.
From www.toyotanation.com
Rear wiper not working Toyota Nation Forum Jeep Xj Rear Wiper Not Working Most of the time the actual gears and the shaft that turns the actual wiper gets clogged up with junk. If you have an old cherokee it's likely the rear washer bezel nipple is broken and this is a quick easy way. Make sure all fuses are good. The sleeve where the shaft. In the beginning, the rear wiper may. Jeep Xj Rear Wiper Not Working.
From wirelibrarycompose.z13.web.core.windows.net
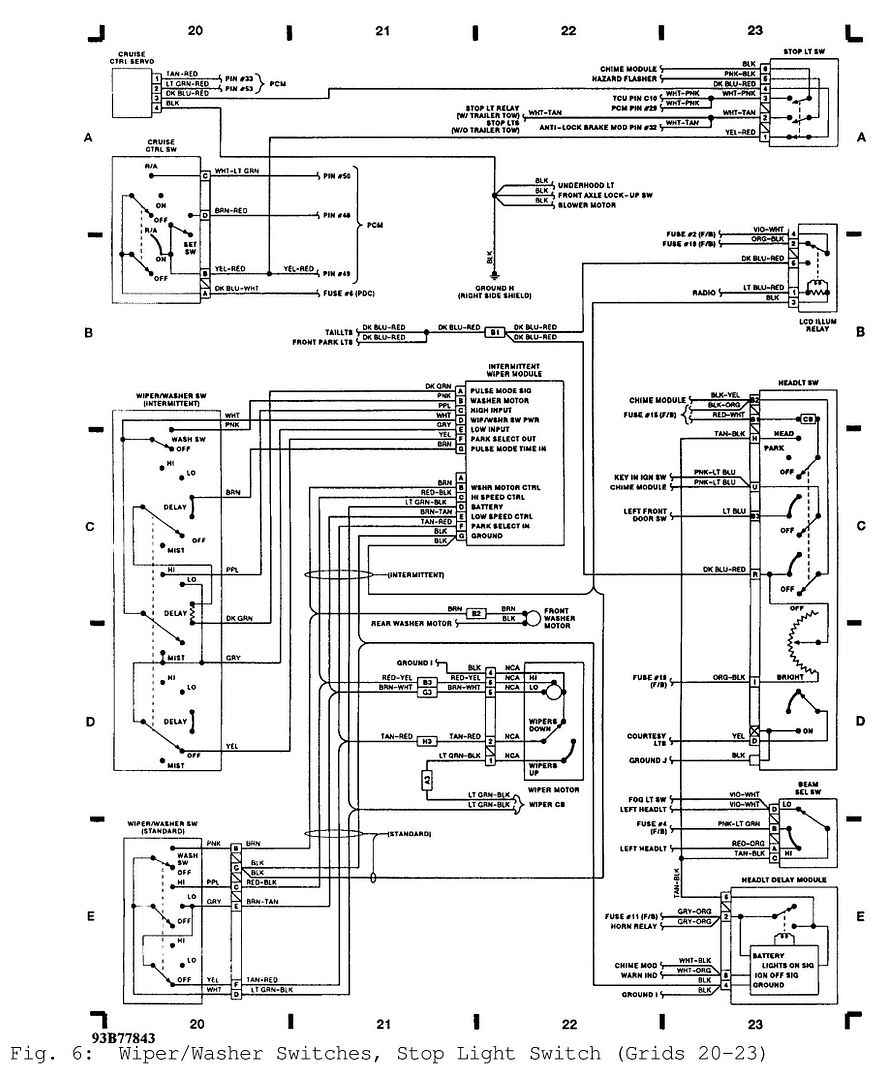
Jeep Wiper Switch Wiring Diagram 1985 Jeep Xj Rear Wiper Not Working You've likely got two parts to replace. Make sure all fuses are good. Try lubricating the wiper arm shaft with penetrating lubricant to unseize it. An easy fix with crap you probably have layin around the garage. Eh those wires in the boot are prone to break or split open. Most of the time the actual gears and the shaft. Jeep Xj Rear Wiper Not Working.
From automotorpad.com
How to replace rear wiper motor jeep cherokee Jeep Xj Rear Wiper Not Working Eh those wires in the boot are prone to break or split open. You've likely got two parts to replace. An easy fix with crap you probably have layin around the garage. The sleeve where the shaft. In the beginning, the rear wiper may start moving slower and eventually seizes completely. Try lubricating the wiper arm shaft with penetrating lubricant. Jeep Xj Rear Wiper Not Working.
From automotorpad.com
Jeep grand cherokee rear wiper not working Jeep Xj Rear Wiper Not Working Most of the time the actual gears and the shaft that turns the actual wiper gets clogged up with junk. If you've got power at the wiper motor, and at the pump, but neither work. This link provides alot of useful information on repairing. In the beginning, the rear wiper may start moving slower and eventually seizes completely. Try lubricating. Jeep Xj Rear Wiper Not Working.
From www.youtube.com
1999 Jeep Cherokee XJ Rear Wiper Arm Install YouTube Jeep Xj Rear Wiper Not Working If you've got power at the wiper motor, and at the pump, but neither work. This link provides alot of useful information on repairing. Most of the time the actual gears and the shaft that turns the actual wiper gets clogged up with junk. In the beginning, the rear wiper may start moving slower and eventually seizes completely. Make sure. Jeep Xj Rear Wiper Not Working.
From automotorpad.com
Jeep wrangler rear wiper not working Jeep Xj Rear Wiper Not Working In the beginning, the rear wiper may start moving slower and eventually seizes completely. You've likely got two parts to replace. An easy fix with crap you probably have layin around the garage. This link provides alot of useful information on repairing. Most of the time the actual gears and the shaft that turns the actual wiper gets clogged up. Jeep Xj Rear Wiper Not Working.
From manuallibvolsci.z19.web.core.windows.net
Replace Rear Wiper On Jeep Wrangler Jeep Xj Rear Wiper Not Working In the beginning, the rear wiper may start moving slower and eventually seizes completely. You've likely got two parts to replace. The sleeve where the shaft. This link provides alot of useful information on repairing. Eh those wires in the boot are prone to break or split open. If you have an old cherokee it's likely the rear washer bezel. Jeep Xj Rear Wiper Not Working.
From schematicwaywiser.z19.web.core.windows.net
Troubleshooting Rear Wiper Motor Jeep Xj Rear Wiper Not Working Make sure all fuses are good. If you've got power at the wiper motor, and at the pump, but neither work. If you have an old cherokee it's likely the rear washer bezel nipple is broken and this is a quick easy way. Try lubricating the wiper arm shaft with penetrating lubricant to unseize it. The sleeve where the shaft.. Jeep Xj Rear Wiper Not Working.
From www.justanswer.com
Rear wiper not working. Not sure what fuse or relay to check. 2010 Jeep Jeep Xj Rear Wiper Not Working The sleeve where the shaft. Eh those wires in the boot are prone to break or split open. In the beginning, the rear wiper may start moving slower and eventually seizes completely. Try lubricating the wiper arm shaft with penetrating lubricant to unseize it. This link provides alot of useful information on repairing. You've likely got two parts to replace.. Jeep Xj Rear Wiper Not Working.
From enginelistyadasyuridae.z14.web.core.windows.net
Jeep Wrangler Wipers Not Working Jeep Xj Rear Wiper Not Working In the beginning, the rear wiper may start moving slower and eventually seizes completely. If you have an old cherokee it's likely the rear washer bezel nipple is broken and this is a quick easy way. This link provides alot of useful information on repairing. Make sure all fuses are good. You've likely got two parts to replace. An easy. Jeep Xj Rear Wiper Not Working.
From diagramlibrarycard.z5.web.core.windows.net
Jeep Cherokee Rear Wiper Assembly Jeep Xj Rear Wiper Not Working Most of the time the actual gears and the shaft that turns the actual wiper gets clogged up with junk. If you've got power at the wiper motor, and at the pump, but neither work. Eh those wires in the boot are prone to break or split open. Make sure all fuses are good. This link provides alot of useful. Jeep Xj Rear Wiper Not Working.
From myjeepcar.com
How To Install A Wipe Boy Jeep YJ My Jeep Car Jeep Xj Rear Wiper Not Working This link provides alot of useful information on repairing. If you have an old cherokee it's likely the rear washer bezel nipple is broken and this is a quick easy way. An easy fix with crap you probably have layin around the garage. If you've got power at the wiper motor, and at the pump, but neither work. Eh those. Jeep Xj Rear Wiper Not Working.
From enginelistyadasyuridae.z14.web.core.windows.net
Jeep Wrangler Wipers Not Working Jeep Xj Rear Wiper Not Working In the beginning, the rear wiper may start moving slower and eventually seizes completely. You've likely got two parts to replace. Try lubricating the wiper arm shaft with penetrating lubricant to unseize it. Make sure all fuses are good. The sleeve where the shaft. If you have an old cherokee it's likely the rear washer bezel nipple is broken and. Jeep Xj Rear Wiper Not Working.
From vehiclechef.com
9 Reasons VW Windshield Wipers Not Working (Fixed!) VehicleChef Jeep Xj Rear Wiper Not Working If you have an old cherokee it's likely the rear washer bezel nipple is broken and this is a quick easy way. If you've got power at the wiper motor, and at the pump, but neither work. You've likely got two parts to replace. Eh those wires in the boot are prone to break or split open. An easy fix. Jeep Xj Rear Wiper Not Working.
From www.cherokeetalk.com
89' cherokee Laredo wipers not working Jeep Cherokee Talk Jeep Xj Rear Wiper Not Working If you've got power at the wiper motor, and at the pump, but neither work. Most of the time the actual gears and the shaft that turns the actual wiper gets clogged up with junk. An easy fix with crap you probably have layin around the garage. You've likely got two parts to replace. This link provides alot of useful. Jeep Xj Rear Wiper Not Working.
From www.vehiclescene.com
Windshield Wipers Not Working Properly Causes & Solutions Jeep Xj Rear Wiper Not Working If you've got power at the wiper motor, and at the pump, but neither work. Most of the time the actual gears and the shaft that turns the actual wiper gets clogged up with junk. If you have an old cherokee it's likely the rear washer bezel nipple is broken and this is a quick easy way. The sleeve where. Jeep Xj Rear Wiper Not Working.
From www.youtube.com
Jeep XJ Rear Wiper Motor YouTube Jeep Xj Rear Wiper Not Working Eh those wires in the boot are prone to break or split open. The sleeve where the shaft. If you have an old cherokee it's likely the rear washer bezel nipple is broken and this is a quick easy way. Make sure all fuses are good. If you've got power at the wiper motor, and at the pump, but neither. Jeep Xj Rear Wiper Not Working.
From mbworld.org
Rear wiper not working Forums Jeep Xj Rear Wiper Not Working Make sure all fuses are good. You've likely got two parts to replace. This link provides alot of useful information on repairing. If you've got power at the wiper motor, and at the pump, but neither work. An easy fix with crap you probably have layin around the garage. If you have an old cherokee it's likely the rear washer. Jeep Xj Rear Wiper Not Working.
From www.youtube.com
HOW TO replace rear windshield wiper JEEP Grand Cherokee YouTube Jeep Xj Rear Wiper Not Working If you've got power at the wiper motor, and at the pump, but neither work. This link provides alot of useful information on repairing. Eh those wires in the boot are prone to break or split open. Most of the time the actual gears and the shaft that turns the actual wiper gets clogged up with junk. Make sure all. Jeep Xj Rear Wiper Not Working.
From www.2carpros.com
Windshield Wiper Not Working Properly Wipers Work on Both Hi and Jeep Xj Rear Wiper Not Working Most of the time the actual gears and the shaft that turns the actual wiper gets clogged up with junk. Try lubricating the wiper arm shaft with penetrating lubricant to unseize it. If you have an old cherokee it's likely the rear washer bezel nipple is broken and this is a quick easy way. The sleeve where the shaft. An. Jeep Xj Rear Wiper Not Working.
From www.youtube.com
08 Jeep Compass rear wiper not working YouTube Jeep Xj Rear Wiper Not Working If you have an old cherokee it's likely the rear washer bezel nipple is broken and this is a quick easy way. This link provides alot of useful information on repairing. An easy fix with crap you probably have layin around the garage. In the beginning, the rear wiper may start moving slower and eventually seizes completely. If you've got. Jeep Xj Rear Wiper Not Working.
From www.reddit.com
Rear wiper not working? r/MINI Jeep Xj Rear Wiper Not Working You've likely got two parts to replace. In the beginning, the rear wiper may start moving slower and eventually seizes completely. The sleeve where the shaft. An easy fix with crap you probably have layin around the garage. If you have an old cherokee it's likely the rear washer bezel nipple is broken and this is a quick easy way.. Jeep Xj Rear Wiper Not Working.
From gioqitxwd.blob.core.windows.net
What To Do If Windshield Wiper Doesn't Work at Stacy Johnston blog Jeep Xj Rear Wiper Not Working Try lubricating the wiper arm shaft with penetrating lubricant to unseize it. Most of the time the actual gears and the shaft that turns the actual wiper gets clogged up with junk. The sleeve where the shaft. If you have an old cherokee it's likely the rear washer bezel nipple is broken and this is a quick easy way. This. Jeep Xj Rear Wiper Not Working.
From www.youtube.com
Jeep Cherokee XJ Rear Wiper Arm YouTube Jeep Xj Rear Wiper Not Working Try lubricating the wiper arm shaft with penetrating lubricant to unseize it. In the beginning, the rear wiper may start moving slower and eventually seizes completely. If you've got power at the wiper motor, and at the pump, but neither work. The sleeve where the shaft. If you have an old cherokee it's likely the rear washer bezel nipple is. Jeep Xj Rear Wiper Not Working.
From fixmachineutredergl1.z14.web.core.windows.net
Windshield Wipers Not Working Fix Jeep Xj Rear Wiper Not Working Make sure all fuses are good. Try lubricating the wiper arm shaft with penetrating lubricant to unseize it. In the beginning, the rear wiper may start moving slower and eventually seizes completely. You've likely got two parts to replace. The sleeve where the shaft. An easy fix with crap you probably have layin around the garage. Most of the time. Jeep Xj Rear Wiper Not Working.
From partonews.ir
Why does the car wiper not work? / Guide to solving the wiper problem Jeep Xj Rear Wiper Not Working An easy fix with crap you probably have layin around the garage. In the beginning, the rear wiper may start moving slower and eventually seizes completely. If you've got power at the wiper motor, and at the pump, but neither work. Make sure all fuses are good. Most of the time the actual gears and the shaft that turns the. Jeep Xj Rear Wiper Not Working.
From www.youtube.com
Jeep Cherokee XJ Rear Wiper Arm Replacement YouTube Jeep Xj Rear Wiper Not Working Eh those wires in the boot are prone to break or split open. You've likely got two parts to replace. Most of the time the actual gears and the shaft that turns the actual wiper gets clogged up with junk. In the beginning, the rear wiper may start moving slower and eventually seizes completely. If you've got power at the. Jeep Xj Rear Wiper Not Working.
From wiringdiagram.2bitboer.com
Jeep Wrangler Rear Wiper Wiring Diagram Wiring Diagram Jeep Xj Rear Wiper Not Working Eh those wires in the boot are prone to break or split open. You've likely got two parts to replace. If you've got power at the wiper motor, and at the pump, but neither work. Try lubricating the wiper arm shaft with penetrating lubricant to unseize it. If you have an old cherokee it's likely the rear washer bezel nipple. Jeep Xj Rear Wiper Not Working.
From automotorpad.com
Rear windshield wiper not working jeep Jeep Xj Rear Wiper Not Working In the beginning, the rear wiper may start moving slower and eventually seizes completely. Most of the time the actual gears and the shaft that turns the actual wiper gets clogged up with junk. An easy fix with crap you probably have layin around the garage. Make sure all fuses are good. If you've got power at the wiper motor,. Jeep Xj Rear Wiper Not Working.
From www.youtube.com
Jeep Cherokee XJ Rear Wiper/Washer Repair YouTube Jeep Xj Rear Wiper Not Working Most of the time the actual gears and the shaft that turns the actual wiper gets clogged up with junk. If you have an old cherokee it's likely the rear washer bezel nipple is broken and this is a quick easy way. In the beginning, the rear wiper may start moving slower and eventually seizes completely. An easy fix with. Jeep Xj Rear Wiper Not Working.
From wirelistferneries.z14.web.core.windows.net
Jeep Windshield Wipers Not Working Jeep Xj Rear Wiper Not Working You've likely got two parts to replace. Eh those wires in the boot are prone to break or split open. Make sure all fuses are good. This link provides alot of useful information on repairing. Try lubricating the wiper arm shaft with penetrating lubricant to unseize it. In the beginning, the rear wiper may start moving slower and eventually seizes. Jeep Xj Rear Wiper Not Working.