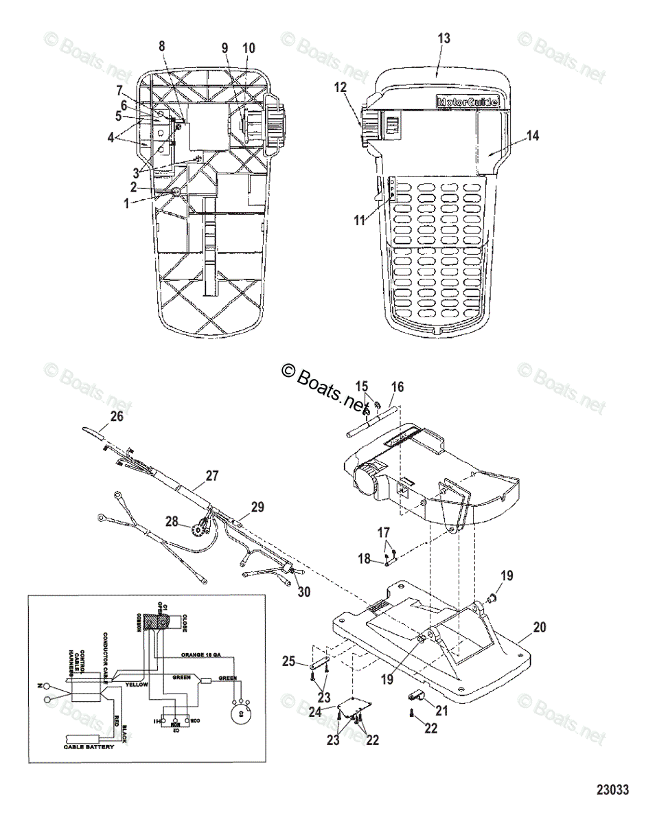
Motorguide Brute 50 . 36 rows trolling motor > motorguide brute series. View parts diagrams and shop online for complete trolling motor(brute 50/70 wireless) (12/24 volt) parts, 2007 electric. What makes a motor a motorguide. 03 transom (black)(without quik stow). Find your complete trolling motor (brute 50/70 wireless) (12/24 volt) diagrams at ppt. From pedal to prop, a motorguide is thoughtfully engineered for easy use and unmatched durability. A three wire system means it's a 12/24 volt motor. Buy oem parts for motorguide trolling motor motorguide brute series complete trolling motor (brute 50/70 wireless) (12/24 volt) diagram.
from www.crappie.com
Buy oem parts for motorguide trolling motor motorguide brute series complete trolling motor (brute 50/70 wireless) (12/24 volt) diagram. Find your complete trolling motor (brute 50/70 wireless) (12/24 volt) diagrams at ppt. 03 transom (black)(without quik stow). What makes a motor a motorguide. View parts diagrams and shop online for complete trolling motor(brute 50/70 wireless) (12/24 volt) parts, 2007 electric. A three wire system means it's a 12/24 volt motor. 36 rows trolling motor > motorguide brute series. From pedal to prop, a motorguide is thoughtfully engineered for easy use and unmatched durability.
767 Brute 67 lb thrust foot control trolling motor
Motorguide Brute 50 03 transom (black)(without quik stow). A three wire system means it's a 12/24 volt motor. From pedal to prop, a motorguide is thoughtfully engineered for easy use and unmatched durability. What makes a motor a motorguide. View parts diagrams and shop online for complete trolling motor(brute 50/70 wireless) (12/24 volt) parts, 2007 electric. Find your complete trolling motor (brute 50/70 wireless) (12/24 volt) diagrams at ppt. Buy oem parts for motorguide trolling motor motorguide brute series complete trolling motor (brute 50/70 wireless) (12/24 volt) diagram. 03 transom (black)(without quik stow). 36 rows trolling motor > motorguide brute series.
From www.sportsmansguide.com
Brute Wireless Digital Series Electric Steer, Bow Mount Motorguide Brute 50 Buy oem parts for motorguide trolling motor motorguide brute series complete trolling motor (brute 50/70 wireless) (12/24 volt) diagram. View parts diagrams and shop online for complete trolling motor(brute 50/70 wireless) (12/24 volt) parts, 2007 electric. What makes a motor a motorguide. 36 rows trolling motor > motorguide brute series. 03 transom (black)(without quik stow). From pedal to prop, a. Motorguide Brute 50.
From www.crappie.com
767 Brute 67 lb thrust foot control trolling motor Motorguide Brute 50 A three wire system means it's a 12/24 volt motor. View parts diagrams and shop online for complete trolling motor(brute 50/70 wireless) (12/24 volt) parts, 2007 electric. 03 transom (black)(without quik stow). Buy oem parts for motorguide trolling motor motorguide brute series complete trolling motor (brute 50/70 wireless) (12/24 volt) diagram. Find your complete trolling motor (brute 50/70 wireless) (12/24. Motorguide Brute 50.
From www.fishin.com
WTS Brute 750 Trolling Motor Motorguide Brute 50 Buy oem parts for motorguide trolling motor motorguide brute series complete trolling motor (brute 50/70 wireless) (12/24 volt) diagram. What makes a motor a motorguide. A three wire system means it's a 12/24 volt motor. Find your complete trolling motor (brute 50/70 wireless) (12/24 volt) diagrams at ppt. From pedal to prop, a motorguide is thoughtfully engineered for easy use. Motorguide Brute 50.
From www.boats.net
Trolling Motor Transom And Bow Mounts OEM Parts Motorguide Brute 50 A three wire system means it's a 12/24 volt motor. Find your complete trolling motor (brute 50/70 wireless) (12/24 volt) diagrams at ppt. 36 rows trolling motor > motorguide brute series. 03 transom (black)(without quik stow). View parts diagrams and shop online for complete trolling motor(brute 50/70 wireless) (12/24 volt) parts, 2007 electric. Buy oem parts for motorguide trolling motor. Motorguide Brute 50.
From www.boats.net
Trolling Motor Brute Series OEM Parts Diagram for Motorguide Brute 50 Find your complete trolling motor (brute 50/70 wireless) (12/24 volt) diagrams at ppt. View parts diagrams and shop online for complete trolling motor(brute 50/70 wireless) (12/24 volt) parts, 2007 electric. 36 rows trolling motor > motorguide brute series. What makes a motor a motorguide. A three wire system means it's a 12/24 volt motor. Buy oem parts for motorguide trolling. Motorguide Brute 50.
From www.vansoutboardparts.com
Mercury TROLLING MOTOR Brute Series 9B000001 & Up Motorguide Brute 50 Buy oem parts for motorguide trolling motor motorguide brute series complete trolling motor (brute 50/70 wireless) (12/24 volt) diagram. Find your complete trolling motor (brute 50/70 wireless) (12/24 volt) diagrams at ppt. View parts diagrams and shop online for complete trolling motor(brute 50/70 wireless) (12/24 volt) parts, 2007 electric. 03 transom (black)(without quik stow). A three wire system means it's. Motorguide Brute 50.
From www.ebay.com
Brute Competition Trolling Motor 50 LBS Thrust eBay Motorguide Brute 50 Find your complete trolling motor (brute 50/70 wireless) (12/24 volt) diagrams at ppt. What makes a motor a motorguide. View parts diagrams and shop online for complete trolling motor(brute 50/70 wireless) (12/24 volt) parts, 2007 electric. 03 transom (black)(without quik stow). 36 rows trolling motor > motorguide brute series. A three wire system means it's a 12/24 volt motor. From. Motorguide Brute 50.
From www.buya.com
Brute 756 Trolling Motor 12/24 volt 56lb Thrust 48" Shaft Motorguide Brute 50 From pedal to prop, a motorguide is thoughtfully engineered for easy use and unmatched durability. Find your complete trolling motor (brute 50/70 wireless) (12/24 volt) diagrams at ppt. 03 transom (black)(without quik stow). 36 rows trolling motor > motorguide brute series. What makes a motor a motorguide. Buy oem parts for motorguide trolling motor motorguide brute series complete trolling motor. Motorguide Brute 50.
From www.ebay.com
Brute Competition 765 24V 45lb DualAmp2 Trolling Motor with Motorguide Brute 50 36 rows trolling motor > motorguide brute series. Buy oem parts for motorguide trolling motor motorguide brute series complete trolling motor (brute 50/70 wireless) (12/24 volt) diagram. What makes a motor a motorguide. 03 transom (black)(without quik stow). Find your complete trolling motor (brute 50/70 wireless) (12/24 volt) diagrams at ppt. A three wire system means it's a 12/24 volt. Motorguide Brute 50.
From www.crappie.com
767 Brute 67 lb thrust foot control trolling motor Motorguide Brute 50 03 transom (black)(without quik stow). A three wire system means it's a 12/24 volt motor. View parts diagrams and shop online for complete trolling motor(brute 50/70 wireless) (12/24 volt) parts, 2007 electric. Buy oem parts for motorguide trolling motor motorguide brute series complete trolling motor (brute 50/70 wireless) (12/24 volt) diagram. From pedal to prop, a motorguide is thoughtfully engineered. Motorguide Brute 50.
From www.crappie.com
767 Brute 67 lb thrust foot control trolling motor Motorguide Brute 50 What makes a motor a motorguide. Buy oem parts for motorguide trolling motor motorguide brute series complete trolling motor (brute 50/70 wireless) (12/24 volt) diagram. View parts diagrams and shop online for complete trolling motor(brute 50/70 wireless) (12/24 volt) parts, 2007 electric. Find your complete trolling motor (brute 50/70 wireless) (12/24 volt) diagrams at ppt. 36 rows trolling motor >. Motorguide Brute 50.
From www.boats.net
Trolling Motor Brute Series OEM Parts Diagram for Motorguide Brute 50 36 rows trolling motor > motorguide brute series. A three wire system means it's a 12/24 volt motor. 03 transom (black)(without quik stow). Buy oem parts for motorguide trolling motor motorguide brute series complete trolling motor (brute 50/70 wireless) (12/24 volt) diagram. What makes a motor a motorguide. Find your complete trolling motor (brute 50/70 wireless) (12/24 volt) diagrams at. Motorguide Brute 50.
From www.facebook.com
Brute 50 lb thrust Fishing Battle Creek, Nebraska Motorguide Brute 50 What makes a motor a motorguide. Find your complete trolling motor (brute 50/70 wireless) (12/24 volt) diagrams at ppt. Buy oem parts for motorguide trolling motor motorguide brute series complete trolling motor (brute 50/70 wireless) (12/24 volt) diagram. From pedal to prop, a motorguide is thoughtfully engineered for easy use and unmatched durability. A three wire system means it's a. Motorguide Brute 50.
From forums.ozarkanglers.com
Brute Trolling Motot Buy Sell Trade Motorguide Brute 50 A three wire system means it's a 12/24 volt motor. View parts diagrams and shop online for complete trolling motor(brute 50/70 wireless) (12/24 volt) parts, 2007 electric. 03 transom (black)(without quik stow). Buy oem parts for motorguide trolling motor motorguide brute series complete trolling motor (brute 50/70 wireless) (12/24 volt) diagram. From pedal to prop, a motorguide is thoughtfully engineered. Motorguide Brute 50.
From www.walmart.com
940500010 X5 55FW Bow Mount Trolling Motor with VRS, 55 lbs Motorguide Brute 50 Find your complete trolling motor (brute 50/70 wireless) (12/24 volt) diagrams at ppt. From pedal to prop, a motorguide is thoughtfully engineered for easy use and unmatched durability. 03 transom (black)(without quik stow). What makes a motor a motorguide. Buy oem parts for motorguide trolling motor motorguide brute series complete trolling motor (brute 50/70 wireless) (12/24 volt) diagram. 36 rows. Motorguide Brute 50.
From www.crappie.com
767 Brute 67 lb thrust foot control trolling motor Motorguide Brute 50 Buy oem parts for motorguide trolling motor motorguide brute series complete trolling motor (brute 50/70 wireless) (12/24 volt) diagram. A three wire system means it's a 12/24 volt motor. What makes a motor a motorguide. View parts diagrams and shop online for complete trolling motor(brute 50/70 wireless) (12/24 volt) parts, 2007 electric. 03 transom (black)(without quik stow). 36 rows trolling. Motorguide Brute 50.
From www.crappie.com
767 Brute 67 lb thrust foot control trolling motor Motorguide Brute 50 What makes a motor a motorguide. Buy oem parts for motorguide trolling motor motorguide brute series complete trolling motor (brute 50/70 wireless) (12/24 volt) diagram. 03 transom (black)(without quik stow). Find your complete trolling motor (brute 50/70 wireless) (12/24 volt) diagrams at ppt. View parts diagrams and shop online for complete trolling motor(brute 50/70 wireless) (12/24 volt) parts, 2007 electric.. Motorguide Brute 50.
From www.boats.net
Trolling Motor Brute Series OEM Parts Diagram for Motorguide Brute 50 Find your complete trolling motor (brute 50/70 wireless) (12/24 volt) diagrams at ppt. What makes a motor a motorguide. Buy oem parts for motorguide trolling motor motorguide brute series complete trolling motor (brute 50/70 wireless) (12/24 volt) diagram. 03 transom (black)(without quik stow). 36 rows trolling motor > motorguide brute series. A three wire system means it's a 12/24 volt. Motorguide Brute 50.
From www.buya.com
Brute 756 Trolling Motor 12/24 volt 56lb Thrust 48" Shaft Motorguide Brute 50 36 rows trolling motor > motorguide brute series. A three wire system means it's a 12/24 volt motor. Buy oem parts for motorguide trolling motor motorguide brute series complete trolling motor (brute 50/70 wireless) (12/24 volt) diagram. From pedal to prop, a motorguide is thoughtfully engineered for easy use and unmatched durability. Find your complete trolling motor (brute 50/70 wireless). Motorguide Brute 50.
From www.ebay.com
Brute 750 12/24 Volt 41lb Thrust Trolling Motor with Bow Motorguide Brute 50 Buy oem parts for motorguide trolling motor motorguide brute series complete trolling motor (brute 50/70 wireless) (12/24 volt) diagram. A three wire system means it's a 12/24 volt motor. Find your complete trolling motor (brute 50/70 wireless) (12/24 volt) diagrams at ppt. 36 rows trolling motor > motorguide brute series. What makes a motor a motorguide. From pedal to prop,. Motorguide Brute 50.
From www.k-bid.com
Brute 756 Trolling Motor, 56 thrust, 45", 12 or 24v, Used Motorguide Brute 50 Buy oem parts for motorguide trolling motor motorguide brute series complete trolling motor (brute 50/70 wireless) (12/24 volt) diagram. 36 rows trolling motor > motorguide brute series. 03 transom (black)(without quik stow). A three wire system means it's a 12/24 volt motor. Find your complete trolling motor (brute 50/70 wireless) (12/24 volt) diagrams at ppt. View parts diagrams and shop. Motorguide Brute 50.
From second-wind.net
Brute 750 12/24 Volt 41lb Thrust Trolling Motor with Bow Mo Motorguide Brute 50 What makes a motor a motorguide. A three wire system means it's a 12/24 volt motor. Find your complete trolling motor (brute 50/70 wireless) (12/24 volt) diagrams at ppt. 36 rows trolling motor > motorguide brute series. From pedal to prop, a motorguide is thoughtfully engineered for easy use and unmatched durability. 03 transom (black)(without quik stow). Buy oem parts. Motorguide Brute 50.
From greenal44.blogspot.com
Brute Wiring Diagram Greenal Motorguide Brute 50 View parts diagrams and shop online for complete trolling motor(brute 50/70 wireless) (12/24 volt) parts, 2007 electric. From pedal to prop, a motorguide is thoughtfully engineered for easy use and unmatched durability. A three wire system means it's a 12/24 volt motor. Find your complete trolling motor (brute 50/70 wireless) (12/24 volt) diagrams at ppt. What makes a motor a. Motorguide Brute 50.
From www.crappie.com
767 Brute 67 lb thrust foot control trolling motor Motorguide Brute 50 03 transom (black)(without quik stow). A three wire system means it's a 12/24 volt motor. Find your complete trolling motor (brute 50/70 wireless) (12/24 volt) diagrams at ppt. What makes a motor a motorguide. From pedal to prop, a motorguide is thoughtfully engineered for easy use and unmatched durability. View parts diagrams and shop online for complete trolling motor(brute 50/70. Motorguide Brute 50.
From www.ebay.com
Brute Competition Trolling Motor 50 LBS Thrust eBay Motorguide Brute 50 A three wire system means it's a 12/24 volt motor. 03 transom (black)(without quik stow). Buy oem parts for motorguide trolling motor motorguide brute series complete trolling motor (brute 50/70 wireless) (12/24 volt) diagram. From pedal to prop, a motorguide is thoughtfully engineered for easy use and unmatched durability. Find your complete trolling motor (brute 50/70 wireless) (12/24 volt) diagrams. Motorguide Brute 50.
From www.k-bid.com
Brute 756 Trolling Motor, 56 thrust, 45", 12 or 24v, Used Motorguide Brute 50 A three wire system means it's a 12/24 volt motor. View parts diagrams and shop online for complete trolling motor(brute 50/70 wireless) (12/24 volt) parts, 2007 electric. 03 transom (black)(without quik stow). Find your complete trolling motor (brute 50/70 wireless) (12/24 volt) diagrams at ppt. Buy oem parts for motorguide trolling motor motorguide brute series complete trolling motor (brute 50/70. Motorguide Brute 50.
From zanguchiri.tistory.com
Brute 67 Manual Motorguide Brute 50 A three wire system means it's a 12/24 volt motor. What makes a motor a motorguide. Buy oem parts for motorguide trolling motor motorguide brute series complete trolling motor (brute 50/70 wireless) (12/24 volt) diagram. View parts diagrams and shop online for complete trolling motor(brute 50/70 wireless) (12/24 volt) parts, 2007 electric. Find your complete trolling motor (brute 50/70 wireless). Motorguide Brute 50.
From www.ebay.com
Brute Competition 765 24V 45lb DualAmp2 Trolling Motor with Motorguide Brute 50 03 transom (black)(without quik stow). View parts diagrams and shop online for complete trolling motor(brute 50/70 wireless) (12/24 volt) parts, 2007 electric. Find your complete trolling motor (brute 50/70 wireless) (12/24 volt) diagrams at ppt. Buy oem parts for motorguide trolling motor motorguide brute series complete trolling motor (brute 50/70 wireless) (12/24 volt) diagram. 36 rows trolling motor > motorguide. Motorguide Brute 50.
From www.boats.net
Trolling Motor Brute Series OEM Parts Diagram for Motorguide Brute 50 Find your complete trolling motor (brute 50/70 wireless) (12/24 volt) diagrams at ppt. View parts diagrams and shop online for complete trolling motor(brute 50/70 wireless) (12/24 volt) parts, 2007 electric. What makes a motor a motorguide. From pedal to prop, a motorguide is thoughtfully engineered for easy use and unmatched durability. 36 rows trolling motor > motorguide brute series. Buy. Motorguide Brute 50.
From wiringdiagram.2bitboer.com
Brute 765 Wiring Diagram Wiring Diagram Motorguide Brute 50 Find your complete trolling motor (brute 50/70 wireless) (12/24 volt) diagrams at ppt. From pedal to prop, a motorguide is thoughtfully engineered for easy use and unmatched durability. 36 rows trolling motor > motorguide brute series. View parts diagrams and shop online for complete trolling motor(brute 50/70 wireless) (12/24 volt) parts, 2007 electric. 03 transom (black)(without quik stow). A three. Motorguide Brute 50.
From www.boats.net
Trolling Motor Brute Series OEM Parts Diagram for Motorguide Brute 50 36 rows trolling motor > motorguide brute series. View parts diagrams and shop online for complete trolling motor(brute 50/70 wireless) (12/24 volt) parts, 2007 electric. Buy oem parts for motorguide trolling motor motorguide brute series complete trolling motor (brute 50/70 wireless) (12/24 volt) diagram. Find your complete trolling motor (brute 50/70 wireless) (12/24 volt) diagrams at ppt. A three wire. Motorguide Brute 50.
From www.boats.net
Trolling Motor Brute Series OEM Parts Diagram for Motorguide Brute 50 What makes a motor a motorguide. 03 transom (black)(without quik stow). From pedal to prop, a motorguide is thoughtfully engineered for easy use and unmatched durability. Buy oem parts for motorguide trolling motor motorguide brute series complete trolling motor (brute 50/70 wireless) (12/24 volt) diagram. 36 rows trolling motor > motorguide brute series. View parts diagrams and shop online for. Motorguide Brute 50.
From greenal44.blogspot.com
Brute Wiring Diagram Greenal Motorguide Brute 50 What makes a motor a motorguide. Find your complete trolling motor (brute 50/70 wireless) (12/24 volt) diagrams at ppt. From pedal to prop, a motorguide is thoughtfully engineered for easy use and unmatched durability. Buy oem parts for motorguide trolling motor motorguide brute series complete trolling motor (brute 50/70 wireless) (12/24 volt) diagram. View parts diagrams and shop online for. Motorguide Brute 50.
From www.crappie.com
767 Brute 67 lb thrust foot control trolling motor Motorguide Brute 50 What makes a motor a motorguide. View parts diagrams and shop online for complete trolling motor(brute 50/70 wireless) (12/24 volt) parts, 2007 electric. 36 rows trolling motor > motorguide brute series. Find your complete trolling motor (brute 50/70 wireless) (12/24 volt) diagrams at ppt. A three wire system means it's a 12/24 volt motor. Buy oem parts for motorguide trolling. Motorguide Brute 50.
From www.sportsmansguide.com
X355FW HB Pontoon Hand BowMount Trolling Motor, 12V, 50 Motorguide Brute 50 Buy oem parts for motorguide trolling motor motorguide brute series complete trolling motor (brute 50/70 wireless) (12/24 volt) diagram. From pedal to prop, a motorguide is thoughtfully engineered for easy use and unmatched durability. 03 transom (black)(without quik stow). 36 rows trolling motor > motorguide brute series. What makes a motor a motorguide. A three wire system means it's a. Motorguide Brute 50.