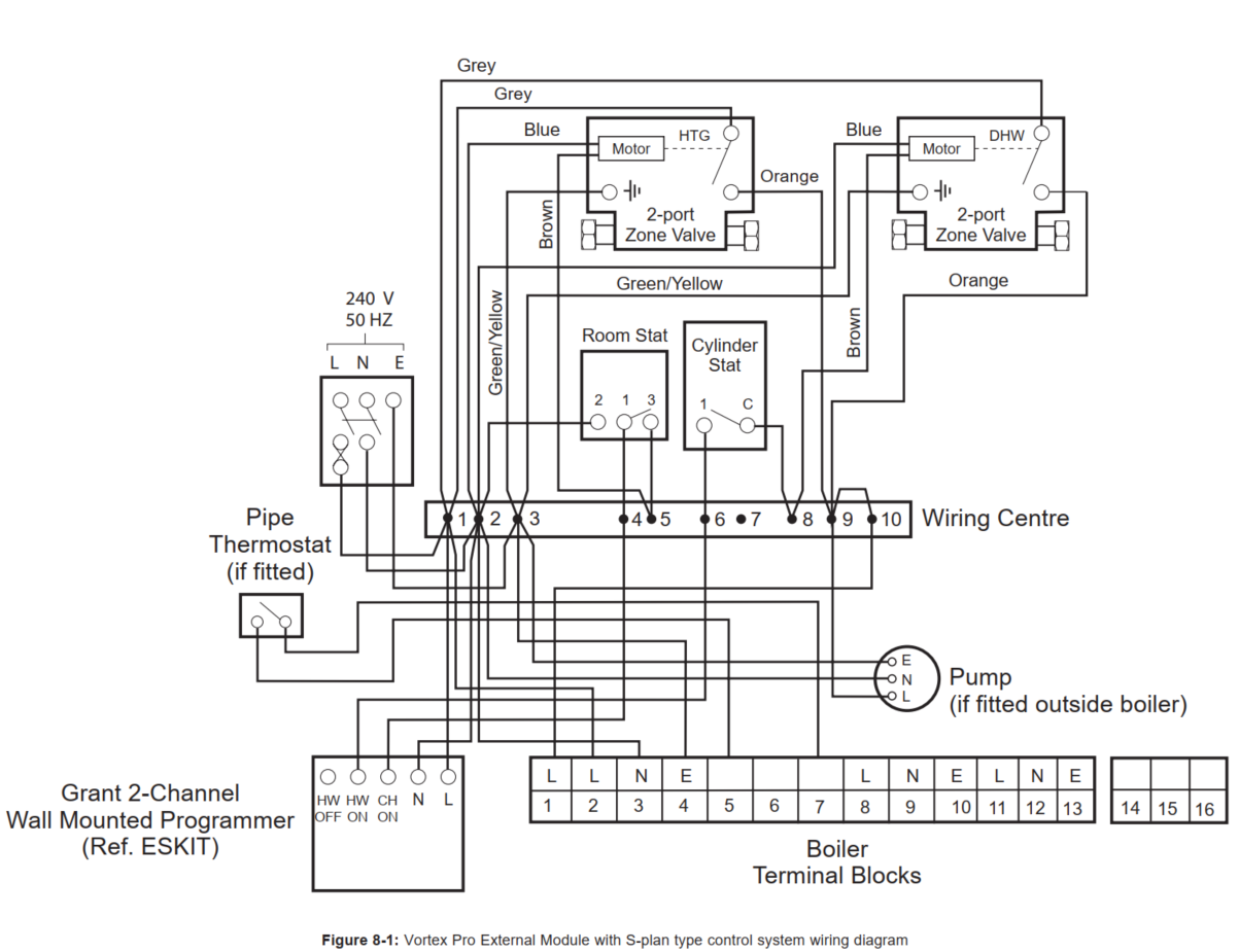
Drayton 2 Port Valve Problems . It sounds like a micro switch to me. These valves seem prone to problems. Is it still possible to get the actuator. Drayton training manager james guides you through the testing of drayton actuator heads to diagnose issues.are you a. The hot water is too hot and the thermostat has been replaced and the valve lever indicates that it opens and closes if the. You are probably better off buying the complete. There's an alternative configuration noted on the diagram which connects live and switched live inside the boiler, and that configuration doesn't appear to open either. Standard drayton 2 port central heating actuator keeps getting stuck between the a and b positions when demand for central.
from www.heatingcontrolsonline.co.uk
These valves seem prone to problems. There's an alternative configuration noted on the diagram which connects live and switched live inside the boiler, and that configuration doesn't appear to open either. Drayton training manager james guides you through the testing of drayton actuator heads to diagnose issues.are you a. You are probably better off buying the complete. It sounds like a micro switch to me. Is it still possible to get the actuator. Standard drayton 2 port central heating actuator keeps getting stuck between the a and b positions when demand for central. The hot water is too hot and the thermostat has been replaced and the valve lever indicates that it opens and closes if the.
Drayton 7792 28mm 2Port Valve Body
Drayton 2 Port Valve Problems It sounds like a micro switch to me. These valves seem prone to problems. Standard drayton 2 port central heating actuator keeps getting stuck between the a and b positions when demand for central. You are probably better off buying the complete. It sounds like a micro switch to me. There's an alternative configuration noted on the diagram which connects live and switched live inside the boiler, and that configuration doesn't appear to open either. Is it still possible to get the actuator. The hot water is too hot and the thermostat has been replaced and the valve lever indicates that it opens and closes if the. Drayton training manager james guides you through the testing of drayton actuator heads to diagnose issues.are you a.
From www.adlink.co.uk
DRAYTON ZA6/7792 2 PORT ZONE VALVE 28MM Drayton 2 Port Valve Problems It sounds like a micro switch to me. Drayton training manager james guides you through the testing of drayton actuator heads to diagnose issues.are you a. Is it still possible to get the actuator. These valves seem prone to problems. You are probably better off buying the complete. There's an alternative configuration noted on the diagram which connects live and. Drayton 2 Port Valve Problems.
From www.diynot.com
Drayton ZA5 Two Port Valve Actuator faulty switch DIYnot Forums Drayton 2 Port Valve Problems You are probably better off buying the complete. It sounds like a micro switch to me. The hot water is too hot and the thermostat has been replaced and the valve lever indicates that it opens and closes if the. These valves seem prone to problems. Standard drayton 2 port central heating actuator keeps getting stuck between the a and. Drayton 2 Port Valve Problems.
From www.dhsspares.co.uk
DRAYTON 27205 28MM 2 PORT ZONE VALVE 6 WIRE SPDT SWITCH Direct Drayton 2 Port Valve Problems It sounds like a micro switch to me. The hot water is too hot and the thermostat has been replaced and the valve lever indicates that it opens and closes if the. Drayton training manager james guides you through the testing of drayton actuator heads to diagnose issues.are you a. You are probably better off buying the complete. There's an. Drayton 2 Port Valve Problems.
From www.heatingcontrolsonline.co.uk
Drayton 6792 22mm 2Port Valve Body Drayton 2 Port Valve Problems These valves seem prone to problems. You are probably better off buying the complete. The hot water is too hot and the thermostat has been replaced and the valve lever indicates that it opens and closes if the. Standard drayton 2 port central heating actuator keeps getting stuck between the a and b positions when demand for central. There's an. Drayton 2 Port Valve Problems.
From www.toolstation.com
Drayton 2 Port Zone Valve 22mm Toolstation Drayton 2 Port Valve Problems You are probably better off buying the complete. These valves seem prone to problems. Is it still possible to get the actuator. The hot water is too hot and the thermostat has been replaced and the valve lever indicates that it opens and closes if the. Standard drayton 2 port central heating actuator keeps getting stuck between the a and. Drayton 2 Port Valve Problems.
From www.showerspares.com
Drayton 2 Port Motorised Valve 22mm Drayton 27100 National Shower Drayton 2 Port Valve Problems Drayton training manager james guides you through the testing of drayton actuator heads to diagnose issues.are you a. Is it still possible to get the actuator. Standard drayton 2 port central heating actuator keeps getting stuck between the a and b positions when demand for central. The hot water is too hot and the thermostat has been replaced and the. Drayton 2 Port Valve Problems.
From www.heatingcontrolsonline.co.uk
Drayton 7792 28mm 2Port Valve Body Drayton 2 Port Valve Problems These valves seem prone to problems. Standard drayton 2 port central heating actuator keeps getting stuck between the a and b positions when demand for central. There's an alternative configuration noted on the diagram which connects live and switched live inside the boiler, and that configuration doesn't appear to open either. It sounds like a micro switch to me. Is. Drayton 2 Port Valve Problems.
From www.plumbarena.co.uk
Drayton 22mm Zone Valve (2 Port) (ZA56792) 27100 Drayton 2 Port Valve Problems There's an alternative configuration noted on the diagram which connects live and switched live inside the boiler, and that configuration doesn't appear to open either. Is it still possible to get the actuator. These valves seem prone to problems. Drayton training manager james guides you through the testing of drayton actuator heads to diagnose issues.are you a. Standard drayton 2. Drayton 2 Port Valve Problems.
From www.bes.co.uk
Drayton Motorised Zone Valve 2 Port 22mm 23016 BES.co.uk Drayton 2 Port Valve Problems There's an alternative configuration noted on the diagram which connects live and switched live inside the boiler, and that configuration doesn't appear to open either. These valves seem prone to problems. It sounds like a micro switch to me. You are probably better off buying the complete. Is it still possible to get the actuator. Drayton training manager james guides. Drayton 2 Port Valve Problems.
From www.adlink.co.uk
DRAYTON ZA6/7792 2 PORT ZONE VALVE 28MM Drayton 2 Port Valve Problems Drayton training manager james guides you through the testing of drayton actuator heads to diagnose issues.are you a. Standard drayton 2 port central heating actuator keeps getting stuck between the a and b positions when demand for central. Is it still possible to get the actuator. These valves seem prone to problems. You are probably better off buying the complete.. Drayton 2 Port Valve Problems.
From www.diy.com
Drayton 27100 22mm 2 Port Motorised Valve DIY at B&Q Drayton 2 Port Valve Problems Is it still possible to get the actuator. You are probably better off buying the complete. The hot water is too hot and the thermostat has been replaced and the valve lever indicates that it opens and closes if the. It sounds like a micro switch to me. Drayton training manager james guides you through the testing of drayton actuator. Drayton 2 Port Valve Problems.
From www.diy.com
Drayton Compression 2 Port Motorised Valve (Dia)22mm Departments Drayton 2 Port Valve Problems There's an alternative configuration noted on the diagram which connects live and switched live inside the boiler, and that configuration doesn't appear to open either. These valves seem prone to problems. Drayton training manager james guides you through the testing of drayton actuator heads to diagnose issues.are you a. It sounds like a micro switch to me. You are probably. Drayton 2 Port Valve Problems.
From buyplumbingonline.co.uk
Drayton ACL22MV 22mm 2Port Diverter Motorised Valve ZA5/6792 Drayton 2 Port Valve Problems These valves seem prone to problems. Is it still possible to get the actuator. Standard drayton 2 port central heating actuator keeps getting stuck between the a and b positions when demand for central. There's an alternative configuration noted on the diagram which connects live and switched live inside the boiler, and that configuration doesn't appear to open either. The. Drayton 2 Port Valve Problems.
From www.bes.co.uk
Drayton Motorised Zone Valve 2 Port 22mm 23016 BES.co.uk Drayton 2 Port Valve Problems You are probably better off buying the complete. Is it still possible to get the actuator. Standard drayton 2 port central heating actuator keeps getting stuck between the a and b positions when demand for central. Drayton training manager james guides you through the testing of drayton actuator heads to diagnose issues.are you a. It sounds like a micro switch. Drayton 2 Port Valve Problems.
From manual.imagenes4k.com
Drayton 2 Port Zone Valve Wiring Diagram Actuator Drayton Diynot [SZ Drayton 2 Port Valve Problems Is it still possible to get the actuator. These valves seem prone to problems. You are probably better off buying the complete. Standard drayton 2 port central heating actuator keeps getting stuck between the a and b positions when demand for central. It sounds like a micro switch to me. The hot water is too hot and the thermostat has. Drayton 2 Port Valve Problems.
From www.amazon.co.uk
Drayton 2 Port Valve Body 22MM ZA5/6792 Amazon.co.uk DIY & Tools Drayton 2 Port Valve Problems Standard drayton 2 port central heating actuator keeps getting stuck between the a and b positions when demand for central. You are probably better off buying the complete. Drayton training manager james guides you through the testing of drayton actuator heads to diagnose issues.are you a. It sounds like a micro switch to me. The hot water is too hot. Drayton 2 Port Valve Problems.
From www.cef.co.uk
Drayton ZA5/679 22mm 2 Port Motorised Valve (27100) CEF Drayton 2 Port Valve Problems These valves seem prone to problems. Drayton training manager james guides you through the testing of drayton actuator heads to diagnose issues.are you a. The hot water is too hot and the thermostat has been replaced and the valve lever indicates that it opens and closes if the. Is it still possible to get the actuator. Standard drayton 2 port. Drayton 2 Port Valve Problems.
From www.diynot.com
Drayton 2 Port Valves switch driving me nuts DIYnot Forums Drayton 2 Port Valve Problems It sounds like a micro switch to me. Standard drayton 2 port central heating actuator keeps getting stuck between the a and b positions when demand for central. There's an alternative configuration noted on the diagram which connects live and switched live inside the boiler, and that configuration doesn't appear to open either. These valves seem prone to problems. You. Drayton 2 Port Valve Problems.
From www.adlink.co.uk
DRAYTON ZA6/7792 2 PORT ZONE VALVE 28MM Drayton 2 Port Valve Problems You are probably better off buying the complete. There's an alternative configuration noted on the diagram which connects live and switched live inside the boiler, and that configuration doesn't appear to open either. The hot water is too hot and the thermostat has been replaced and the valve lever indicates that it opens and closes if the. Is it still. Drayton 2 Port Valve Problems.
From www.inspiredheating.co.uk
Drayton 28mm 2 Port Motorized Zone Valve ZA6/779 Drayton 2 Port Valve Problems The hot water is too hot and the thermostat has been replaced and the valve lever indicates that it opens and closes if the. These valves seem prone to problems. Standard drayton 2 port central heating actuator keeps getting stuck between the a and b positions when demand for central. There's an alternative configuration noted on the diagram which connects. Drayton 2 Port Valve Problems.
From www.leagrave.net
Drayton 2port zone valve 22mm drayton motorized valves 27100 Drayton 2 Port Valve Problems The hot water is too hot and the thermostat has been replaced and the valve lever indicates that it opens and closes if the. It sounds like a micro switch to me. Drayton training manager james guides you through the testing of drayton actuator heads to diagnose issues.are you a. Standard drayton 2 port central heating actuator keeps getting stuck. Drayton 2 Port Valve Problems.
From www.diynot.com
Drayton ZA5 Two Port Valve Actuator faulty switch DIYnot Forums Drayton 2 Port Valve Problems There's an alternative configuration noted on the diagram which connects live and switched live inside the boiler, and that configuration doesn't appear to open either. Standard drayton 2 port central heating actuator keeps getting stuck between the a and b positions when demand for central. Is it still possible to get the actuator. The hot water is too hot and. Drayton 2 Port Valve Problems.
From www.bes.co.uk
Drayton Motorised Zone Valve 2 Port 22mm 23016 BES.co.uk Drayton 2 Port Valve Problems Is it still possible to get the actuator. There's an alternative configuration noted on the diagram which connects live and switched live inside the boiler, and that configuration doesn't appear to open either. Drayton training manager james guides you through the testing of drayton actuator heads to diagnose issues.are you a. These valves seem prone to problems. You are probably. Drayton 2 Port Valve Problems.
From plumbsave.com
Drayton 2 Port Valve Complete 28mm ZA6/7792 Plumbsave Drayton 2 Port Valve Problems You are probably better off buying the complete. Drayton training manager james guides you through the testing of drayton actuator heads to diagnose issues.are you a. Standard drayton 2 port central heating actuator keeps getting stuck between the a and b positions when demand for central. There's an alternative configuration noted on the diagram which connects live and switched live. Drayton 2 Port Valve Problems.
From www.screwfix.com
Drayton 27205SX 2 Port Motorised Valve 28mm Compression Screwfix Drayton 2 Port Valve Problems The hot water is too hot and the thermostat has been replaced and the valve lever indicates that it opens and closes if the. Is it still possible to get the actuator. It sounds like a micro switch to me. You are probably better off buying the complete. Drayton training manager james guides you through the testing of drayton actuator. Drayton 2 Port Valve Problems.
From manualfixmargret.z21.web.core.windows.net
2 Port Motorised Valve Wiring Diagram Drayton 2 Port Valve Problems The hot water is too hot and the thermostat has been replaced and the valve lever indicates that it opens and closes if the. Is it still possible to get the actuator. You are probably better off buying the complete. It sounds like a micro switch to me. Standard drayton 2 port central heating actuator keeps getting stuck between the. Drayton 2 Port Valve Problems.
From wiringdiagram.2bitboer.com
Drayton Zone Valve Actuator Za5 Wiring Diagram Wiring Diagram Drayton 2 Port Valve Problems These valves seem prone to problems. Drayton training manager james guides you through the testing of drayton actuator heads to diagnose issues.are you a. There's an alternative configuration noted on the diagram which connects live and switched live inside the boiler, and that configuration doesn't appear to open either. Is it still possible to get the actuator. You are probably. Drayton 2 Port Valve Problems.
From www.adlink.co.uk
DRAYTON ZA6/7792 2 PORT ZONE VALVE 28MM Drayton 2 Port Valve Problems These valves seem prone to problems. You are probably better off buying the complete. It sounds like a micro switch to me. Is it still possible to get the actuator. There's an alternative configuration noted on the diagram which connects live and switched live inside the boiler, and that configuration doesn't appear to open either. Drayton training manager james guides. Drayton 2 Port Valve Problems.
From www.cef.co.uk
Drayton ZA5/679 22mm 2 Port Motorised Valve (27100) CEF Drayton 2 Port Valve Problems Drayton training manager james guides you through the testing of drayton actuator heads to diagnose issues.are you a. These valves seem prone to problems. Is it still possible to get the actuator. It sounds like a micro switch to me. You are probably better off buying the complete. Standard drayton 2 port central heating actuator keeps getting stuck between the. Drayton 2 Port Valve Problems.
From www.heatingspares247.com
Drayton 22mm 2 Port Motorised Valve ZA5/6792 Drayton 2 Port Valve Problems There's an alternative configuration noted on the diagram which connects live and switched live inside the boiler, and that configuration doesn't appear to open either. You are probably better off buying the complete. These valves seem prone to problems. The hot water is too hot and the thermostat has been replaced and the valve lever indicates that it opens and. Drayton 2 Port Valve Problems.
From www.draytoncontrols.co.uk
Motorised Valve Two Port Drayton Controls Drayton 2 Port Valve Problems Standard drayton 2 port central heating actuator keeps getting stuck between the a and b positions when demand for central. Drayton training manager james guides you through the testing of drayton actuator heads to diagnose issues.are you a. The hot water is too hot and the thermostat has been replaced and the valve lever indicates that it opens and closes. Drayton 2 Port Valve Problems.
From dichspares.co.uk
Drayton 2 port motorised valve 27100 22mm compression Dich Spares Drayton 2 Port Valve Problems Drayton training manager james guides you through the testing of drayton actuator heads to diagnose issues.are you a. Standard drayton 2 port central heating actuator keeps getting stuck between the a and b positions when demand for central. You are probably better off buying the complete. The hot water is too hot and the thermostat has been replaced and the. Drayton 2 Port Valve Problems.
From buyplumbingonline.co.uk
Drayton 28mm 2 Port Zone Valve 27205 Drayton 2 Port Valve Problems Is it still possible to get the actuator. It sounds like a micro switch to me. You are probably better off buying the complete. The hot water is too hot and the thermostat has been replaced and the valve lever indicates that it opens and closes if the. These valves seem prone to problems. There's an alternative configuration noted on. Drayton 2 Port Valve Problems.
From wiringdiagram.2bitboer.com
Drayton Zone Valve Actuator Za5 Wiring Diagram Wiring Diagram Drayton 2 Port Valve Problems Is it still possible to get the actuator. Drayton training manager james guides you through the testing of drayton actuator heads to diagnose issues.are you a. These valves seem prone to problems. Standard drayton 2 port central heating actuator keeps getting stuck between the a and b positions when demand for central. There's an alternative configuration noted on the diagram. Drayton 2 Port Valve Problems.
From www.macdonaldplumbingsupplies.com
Drayton ZA5/679 2 Port Motorised Valve 22mm Compression Drayton 2 Port Valve Problems There's an alternative configuration noted on the diagram which connects live and switched live inside the boiler, and that configuration doesn't appear to open either. You are probably better off buying the complete. The hot water is too hot and the thermostat has been replaced and the valve lever indicates that it opens and closes if the. It sounds like. Drayton 2 Port Valve Problems.