What Is Centralised Cooling System . District cooling is an environmental friendly, energy saving and economical cooling method. Ccs uses chilled water that is generated from highly. What is a centralized air conditioning system? The cooling is centrally produced and distributed as cold water to each building through. The centralised cooling system (ccs) is a smart and highly efficient cooling technology. A centralised air conditioning system is a cooling system that uses a single unit to cool an entire building or a large area and is usually located in the central location of the premises. In a centralized system, air is heated or cooled at a central location and then is distributed across numerous rooms or zones via. Ccs uses chilled water that is. Centralised cooling or district cooling refers to the centralized production and distribution of cooling energy to multiple buildings and user. The centralised cooling system (ccs) is a smart and highly efficient cooling technology.
from www.thisoldhouse.com
The cooling is centrally produced and distributed as cold water to each building through. District cooling is an environmental friendly, energy saving and economical cooling method. Centralised cooling or district cooling refers to the centralized production and distribution of cooling energy to multiple buildings and user. Ccs uses chilled water that is. The centralised cooling system (ccs) is a smart and highly efficient cooling technology. The centralised cooling system (ccs) is a smart and highly efficient cooling technology. Ccs uses chilled water that is generated from highly. In a centralized system, air is heated or cooled at a central location and then is distributed across numerous rooms or zones via. A centralised air conditioning system is a cooling system that uses a single unit to cool an entire building or a large area and is usually located in the central location of the premises. What is a centralized air conditioning system?
Installing Central Air Conditioning A Comprehensive Guide This Old House
What Is Centralised Cooling System The centralised cooling system (ccs) is a smart and highly efficient cooling technology. A centralised air conditioning system is a cooling system that uses a single unit to cool an entire building or a large area and is usually located in the central location of the premises. District cooling is an environmental friendly, energy saving and economical cooling method. What is a centralized air conditioning system? In a centralized system, air is heated or cooled at a central location and then is distributed across numerous rooms or zones via. The centralised cooling system (ccs) is a smart and highly efficient cooling technology. The centralised cooling system (ccs) is a smart and highly efficient cooling technology. Ccs uses chilled water that is. The cooling is centrally produced and distributed as cold water to each building through. Ccs uses chilled water that is generated from highly. Centralised cooling or district cooling refers to the centralized production and distribution of cooling energy to multiple buildings and user.
From mothership.sg
New centralised cooling system at Tengah HDB estate draws mixed What Is Centralised Cooling System Ccs uses chilled water that is generated from highly. The centralised cooling system (ccs) is a smart and highly efficient cooling technology. The centralised cooling system (ccs) is a smart and highly efficient cooling technology. Centralised cooling or district cooling refers to the centralized production and distribution of cooling energy to multiple buildings and user. In a centralized system, air. What Is Centralised Cooling System.
From mothership.sg
New centralised cooling system at Tengah HDB estate draws mixed What Is Centralised Cooling System A centralised air conditioning system is a cooling system that uses a single unit to cool an entire building or a large area and is usually located in the central location of the premises. Centralised cooling or district cooling refers to the centralized production and distribution of cooling energy to multiple buildings and user. The cooling is centrally produced and. What Is Centralised Cooling System.
From www.renesas.com
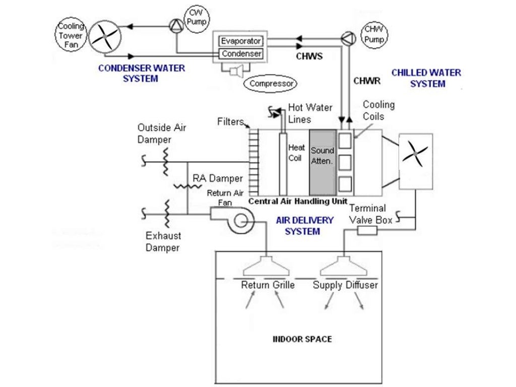
HVAC Systems Renesas What Is Centralised Cooling System Ccs uses chilled water that is. A centralised air conditioning system is a cooling system that uses a single unit to cool an entire building or a large area and is usually located in the central location of the premises. The cooling is centrally produced and distributed as cold water to each building through. Centralised cooling or district cooling refers. What Is Centralised Cooling System.
From www.thisoldhouse.com
Installing Central Air Conditioning A Comprehensive Guide This Old House What Is Centralised Cooling System The cooling is centrally produced and distributed as cold water to each building through. The centralised cooling system (ccs) is a smart and highly efficient cooling technology. Ccs uses chilled water that is. A centralised air conditioning system is a cooling system that uses a single unit to cool an entire building or a large area and is usually located. What Is Centralised Cooling System.
From cos.sg
Centralised cooling system in Tengah runs into teething issues for What Is Centralised Cooling System The centralised cooling system (ccs) is a smart and highly efficient cooling technology. Ccs uses chilled water that is. A centralised air conditioning system is a cooling system that uses a single unit to cool an entire building or a large area and is usually located in the central location of the premises. Centralised cooling or district cooling refers to. What Is Centralised Cooling System.
From www.marineinsight.com
General Overview of Central Cooling System on Ships What Is Centralised Cooling System District cooling is an environmental friendly, energy saving and economical cooling method. The cooling is centrally produced and distributed as cold water to each building through. The centralised cooling system (ccs) is a smart and highly efficient cooling technology. Ccs uses chilled water that is. Centralised cooling or district cooling refers to the centralized production and distribution of cooling energy. What Is Centralised Cooling System.
From joiztqiei.blob.core.windows.net
What Are The Parts Of A Cooling System at Lourdes Murphy blog What Is Centralised Cooling System In a centralized system, air is heated or cooled at a central location and then is distributed across numerous rooms or zones via. What is a centralized air conditioning system? The centralised cooling system (ccs) is a smart and highly efficient cooling technology. Centralised cooling or district cooling refers to the centralized production and distribution of cooling energy to multiple. What Is Centralised Cooling System.
From www.mytengah.sg
Tengah Centralised Cooling How Does Centralised Cooling Work? What Is Centralised Cooling System Ccs uses chilled water that is generated from highly. The centralised cooling system (ccs) is a smart and highly efficient cooling technology. The centralised cooling system (ccs) is a smart and highly efficient cooling technology. Centralised cooling or district cooling refers to the centralized production and distribution of cooling energy to multiple buildings and user. What is a centralized air. What Is Centralised Cooling System.
From www.researchgate.net
Schematic of the proposed cooling system with secondary loop and ice What Is Centralised Cooling System Centralised cooling or district cooling refers to the centralized production and distribution of cooling energy to multiple buildings and user. A centralised air conditioning system is a cooling system that uses a single unit to cool an entire building or a large area and is usually located in the central location of the premises. The centralised cooling system (ccs) is. What Is Centralised Cooling System.
From ibcplastic.ru
Centralized cooling systems IBC Plastic What Is Centralised Cooling System What is a centralized air conditioning system? In a centralized system, air is heated or cooled at a central location and then is distributed across numerous rooms or zones via. Ccs uses chilled water that is. The cooling is centrally produced and distributed as cold water to each building through. The centralised cooling system (ccs) is a smart and highly. What Is Centralised Cooling System.
From www.nachi.org
High Rise Building Heating and Cooling Inspection Gallery InterNACHI® What Is Centralised Cooling System Ccs uses chilled water that is generated from highly. What is a centralized air conditioning system? A centralised air conditioning system is a cooling system that uses a single unit to cool an entire building or a large area and is usually located in the central location of the premises. In a centralized system, air is heated or cooled at. What Is Centralised Cooling System.
From atap.co
Centralised Air Conditioning is Literally the Coolest Way to Chill at What Is Centralised Cooling System A centralised air conditioning system is a cooling system that uses a single unit to cool an entire building or a large area and is usually located in the central location of the premises. In a centralized system, air is heated or cooled at a central location and then is distributed across numerous rooms or zones via. The cooling is. What Is Centralised Cooling System.
From www.straitstimes.com
Nearly 1,000 households in Tengah sign up for centralised cooling What Is Centralised Cooling System Ccs uses chilled water that is. In a centralized system, air is heated or cooled at a central location and then is distributed across numerous rooms or zones via. What is a centralized air conditioning system? Ccs uses chilled water that is generated from highly. The cooling is centrally produced and distributed as cold water to each building through. Centralised. What Is Centralised Cooling System.
From www.youtube.com
Understanding Centralised Cooling’s efficient system and technology What Is Centralised Cooling System In a centralized system, air is heated or cooled at a central location and then is distributed across numerous rooms or zones via. Centralised cooling or district cooling refers to the centralized production and distribution of cooling energy to multiple buildings and user. The cooling is centrally produced and distributed as cold water to each building through. Ccs uses chilled. What Is Centralised Cooling System.
From resolutionsforyou.com
Diagram of central ac system What Is Centralised Cooling System Ccs uses chilled water that is generated from highly. A centralised air conditioning system is a cooling system that uses a single unit to cool an entire building or a large area and is usually located in the central location of the premises. In a centralized system, air is heated or cooled at a central location and then is distributed. What Is Centralised Cooling System.
From arronco.com
How Central Air Conditioners Work The Refrigeration Cycle What Is Centralised Cooling System Centralised cooling or district cooling refers to the centralized production and distribution of cooling energy to multiple buildings and user. Ccs uses chilled water that is. In a centralized system, air is heated or cooled at a central location and then is distributed across numerous rooms or zones via. What is a centralized air conditioning system? District cooling is an. What Is Centralised Cooling System.
From www.youtube.com
Central AC & Unitary AC Working Principle Explained Air Conditioner What Is Centralised Cooling System District cooling is an environmental friendly, energy saving and economical cooling method. The cooling is centrally produced and distributed as cold water to each building through. The centralised cooling system (ccs) is a smart and highly efficient cooling technology. Ccs uses chilled water that is. Ccs uses chilled water that is generated from highly. The centralised cooling system (ccs) is. What Is Centralised Cooling System.
From www.familyhandyman.com
5 Best Central Air Conditioner Brands and Units for Your Home What Is Centralised Cooling System Ccs uses chilled water that is generated from highly. The centralised cooling system (ccs) is a smart and highly efficient cooling technology. What is a centralized air conditioning system? The centralised cooling system (ccs) is a smart and highly efficient cooling technology. In a centralized system, air is heated or cooled at a central location and then is distributed across. What Is Centralised Cooling System.
From swastikaircon.in
Centralized Air Conditioning System Swastik AirCon What Is Centralised Cooling System District cooling is an environmental friendly, energy saving and economical cooling method. Ccs uses chilled water that is. In a centralized system, air is heated or cooled at a central location and then is distributed across numerous rooms or zones via. The centralised cooling system (ccs) is a smart and highly efficient cooling technology. What is a centralized air conditioning. What Is Centralised Cooling System.
From www.mytengah.sg
Centralised Cooling System for Home What is it like? What Is Centralised Cooling System Ccs uses chilled water that is. The centralised cooling system (ccs) is a smart and highly efficient cooling technology. Centralised cooling or district cooling refers to the centralized production and distribution of cooling energy to multiple buildings and user. What is a centralized air conditioning system? Ccs uses chilled water that is generated from highly. The cooling is centrally produced. What Is Centralised Cooling System.
From www.careco.co.in
Careco Services (P) Ltd. Cooling Central Air Conditioning System What Is Centralised Cooling System A centralised air conditioning system is a cooling system that uses a single unit to cool an entire building or a large area and is usually located in the central location of the premises. Ccs uses chilled water that is. What is a centralized air conditioning system? The cooling is centrally produced and distributed as cold water to each building. What Is Centralised Cooling System.
From www.bestaircon.com.sg
Centralised Cooling System in Singapore, What Does This Mean For The What Is Centralised Cooling System The cooling is centrally produced and distributed as cold water to each building through. The centralised cooling system (ccs) is a smart and highly efficient cooling technology. Centralised cooling or district cooling refers to the centralized production and distribution of cooling energy to multiple buildings and user. Ccs uses chilled water that is. In a centralized system, air is heated. What Is Centralised Cooling System.
From www.youtube.com
[Hindi] Working principle of centralized Air conditioning System./ How What Is Centralised Cooling System District cooling is an environmental friendly, energy saving and economical cooling method. In a centralized system, air is heated or cooled at a central location and then is distributed across numerous rooms or zones via. The centralised cooling system (ccs) is a smart and highly efficient cooling technology. What is a centralized air conditioning system? Ccs uses chilled water that. What Is Centralised Cooling System.
From www.gdhengju.com
Centralized Cooling System What Is Centralised Cooling System Ccs uses chilled water that is. The centralised cooling system (ccs) is a smart and highly efficient cooling technology. The centralised cooling system (ccs) is a smart and highly efficient cooling technology. District cooling is an environmental friendly, energy saving and economical cooling method. Ccs uses chilled water that is generated from highly. The cooling is centrally produced and distributed. What Is Centralised Cooling System.
From wiringschema.com
[DIAGRAM] Industrial Cooling System Diagram What Is Centralised Cooling System District cooling is an environmental friendly, energy saving and economical cooling method. The centralised cooling system (ccs) is a smart and highly efficient cooling technology. In a centralized system, air is heated or cooled at a central location and then is distributed across numerous rooms or zones via. The centralised cooling system (ccs) is a smart and highly efficient cooling. What Is Centralised Cooling System.
From www.straitstimes.com
Centralised cooling system in Tengah runs into teething issues for What Is Centralised Cooling System In a centralized system, air is heated or cooled at a central location and then is distributed across numerous rooms or zones via. A centralised air conditioning system is a cooling system that uses a single unit to cool an entire building or a large area and is usually located in the central location of the premises. District cooling is. What Is Centralised Cooling System.
From www.slideshare.net
Centralized ac system What Is Centralised Cooling System District cooling is an environmental friendly, energy saving and economical cooling method. In a centralized system, air is heated or cooled at a central location and then is distributed across numerous rooms or zones via. The centralised cooling system (ccs) is a smart and highly efficient cooling technology. The centralised cooling system (ccs) is a smart and highly efficient cooling. What Is Centralised Cooling System.
From mothership.sg
New centralised cooling system at Tengah HDB estate draws mixed What Is Centralised Cooling System A centralised air conditioning system is a cooling system that uses a single unit to cool an entire building or a large area and is usually located in the central location of the premises. The centralised cooling system (ccs) is a smart and highly efficient cooling technology. The cooling is centrally produced and distributed as cold water to each building. What Is Centralised Cooling System.
From www.thisoldhouse.com
Central Air Conditioning Systems A Guide to Costs & Types This Old House What Is Centralised Cooling System Ccs uses chilled water that is. District cooling is an environmental friendly, energy saving and economical cooling method. The centralised cooling system (ccs) is a smart and highly efficient cooling technology. A centralised air conditioning system is a cooling system that uses a single unit to cool an entire building or a large area and is usually located in the. What Is Centralised Cooling System.
From www.mytengah.sg
Tengah Centralised Cooling How Does Centralised Cooling Work? What Is Centralised Cooling System The cooling is centrally produced and distributed as cold water to each building through. A centralised air conditioning system is a cooling system that uses a single unit to cool an entire building or a large area and is usually located in the central location of the premises. Centralised cooling or district cooling refers to the centralized production and distribution. What Is Centralised Cooling System.
From www.researchgate.net
Schematic diagram of "a central" cooling system with a surface What Is Centralised Cooling System District cooling is an environmental friendly, energy saving and economical cooling method. Ccs uses chilled water that is. In a centralized system, air is heated or cooled at a central location and then is distributed across numerous rooms or zones via. A centralised air conditioning system is a cooling system that uses a single unit to cool an entire building. What Is Centralised Cooling System.
From www.growyourbusiness.org
New Centralized Cooling System in Tampines Grow Your Business What Is Centralised Cooling System District cooling is an environmental friendly, energy saving and economical cooling method. The centralised cooling system (ccs) is a smart and highly efficient cooling technology. In a centralized system, air is heated or cooled at a central location and then is distributed across numerous rooms or zones via. Centralised cooling or district cooling refers to the centralized production and distribution. What Is Centralised Cooling System.
From hisaka-asia.com
District Cooling System (DCS) A Climate Solution What Is Centralised Cooling System The centralised cooling system (ccs) is a smart and highly efficient cooling technology. Centralised cooling or district cooling refers to the centralized production and distribution of cooling energy to multiple buildings and user. In a centralized system, air is heated or cooled at a central location and then is distributed across numerous rooms or zones via. The centralised cooling system. What Is Centralised Cooling System.
From gbu-presnenskij.ru
What Is A VRF HVAC System And How Does It Work? Cooper, 41 OFF What Is Centralised Cooling System District cooling is an environmental friendly, energy saving and economical cooling method. What is a centralized air conditioning system? A centralised air conditioning system is a cooling system that uses a single unit to cool an entire building or a large area and is usually located in the central location of the premises. Ccs uses chilled water that is generated. What Is Centralised Cooling System.
From www.straitstimes.com
Nearly 1,000 households in Tengah sign up for centralised cooling What Is Centralised Cooling System A centralised air conditioning system is a cooling system that uses a single unit to cool an entire building or a large area and is usually located in the central location of the premises. What is a centralized air conditioning system? District cooling is an environmental friendly, energy saving and economical cooling method. Centralised cooling or district cooling refers to. What Is Centralised Cooling System.