Abs No Communication . It’s best to let a professional resolve this code instead of trying to repair it yourself. i’m trying to diagnose why my abs module is not communicating with the ecu in my car, nor will it communicate with my diagnostic tool. Check battery voltage to ensure proper power supply. how to fix u0121 code: i have a customer that came into the work shop and complained about warning lights on dash and steering is. some common causes of communication problems between the abs and scan tool include a failing battery, faulty ecu, and a loose. It started yesterday, in snowy weather, i went to the store then went back to my car and lights start flashing for abs and hybrid system. 2006 toyota highlander hybrid limited. Inspect abs module circuit for loose connections or wiring damage.
from quotlr.com
Inspect abs module circuit for loose connections or wiring damage. how to fix u0121 code: Check battery voltage to ensure proper power supply. 2006 toyota highlander hybrid limited. It started yesterday, in snowy weather, i went to the store then went back to my car and lights start flashing for abs and hybrid system. i’m trying to diagnose why my abs module is not communicating with the ecu in my car, nor will it communicate with my diagnostic tool. i have a customer that came into the work shop and complained about warning lights on dash and steering is. some common causes of communication problems between the abs and scan tool include a failing battery, faulty ecu, and a loose. It’s best to let a professional resolve this code instead of trying to repair it yourself.
45+ Courageous No Communication Quotes That Will Unlock Your True Potential
Abs No Communication some common causes of communication problems between the abs and scan tool include a failing battery, faulty ecu, and a loose. i have a customer that came into the work shop and complained about warning lights on dash and steering is. i’m trying to diagnose why my abs module is not communicating with the ecu in my car, nor will it communicate with my diagnostic tool. It started yesterday, in snowy weather, i went to the store then went back to my car and lights start flashing for abs and hybrid system. how to fix u0121 code: Check battery voltage to ensure proper power supply. Inspect abs module circuit for loose connections or wiring damage. some common causes of communication problems between the abs and scan tool include a failing battery, faulty ecu, and a loose. 2006 toyota highlander hybrid limited. It’s best to let a professional resolve this code instead of trying to repair it yourself.
From ineffableliving.com
Top 19 No Communication Quotes Abs No Communication 2006 toyota highlander hybrid limited. i’m trying to diagnose why my abs module is not communicating with the ecu in my car, nor will it communicate with my diagnostic tool. how to fix u0121 code: some common causes of communication problems between the abs and scan tool include a failing battery, faulty ecu, and a loose. It’s. Abs No Communication.
From www.justanswer.com
ABS module no communication Ford Transit 250, not getting power from Abs No Communication how to fix u0121 code: Inspect abs module circuit for loose connections or wiring damage. It’s best to let a professional resolve this code instead of trying to repair it yourself. i have a customer that came into the work shop and complained about warning lights on dash and steering is. It started yesterday, in snowy weather, i. Abs No Communication.
From www.justanswer.com
2008 G6 3.5l No communication with the pcm/ tcm/ or abs module i can Abs No Communication i have a customer that came into the work shop and complained about warning lights on dash and steering is. Inspect abs module circuit for loose connections or wiring damage. some common causes of communication problems between the abs and scan tool include a failing battery, faulty ecu, and a loose. It started yesterday, in snowy weather, i. Abs No Communication.
From www.audiworld.com
02 C5 Allroad 2.7 ABS NO COMMUNICATION AudiWorld Forums Abs No Communication how to fix u0121 code: 2006 toyota highlander hybrid limited. i have a customer that came into the work shop and complained about warning lights on dash and steering is. i’m trying to diagnose why my abs module is not communicating with the ecu in my car, nor will it communicate with my diagnostic tool. It’s best. Abs No Communication.
From quotlr.com
45+ Courageous No Communication Quotes That Will Unlock Your True Potential Abs No Communication 2006 toyota highlander hybrid limited. how to fix u0121 code: some common causes of communication problems between the abs and scan tool include a failing battery, faulty ecu, and a loose. i have a customer that came into the work shop and complained about warning lights on dash and steering is. Check battery voltage to ensure proper. Abs No Communication.
From fixengineselaetengf9.z4.web.core.windows.net
Dodge Ram No Communication With Pcm Abs No Communication Inspect abs module circuit for loose connections or wiring damage. i’m trying to diagnose why my abs module is not communicating with the ecu in my car, nor will it communicate with my diagnostic tool. how to fix u0121 code: It’s best to let a professional resolve this code instead of trying to repair it yourself. It started. Abs No Communication.
From www.audiworld.com
02 C5 Allroad 2.7 ABS NO COMMUNICATION AudiWorld Forums Abs No Communication i have a customer that came into the work shop and complained about warning lights on dash and steering is. how to fix u0121 code: It started yesterday, in snowy weather, i went to the store then went back to my car and lights start flashing for abs and hybrid system. 2006 toyota highlander hybrid limited. Check battery. Abs No Communication.
From www.k-bikes.com
ABS no communication BMW K1200, K1300, and K1600 Forum Abs No Communication Check battery voltage to ensure proper power supply. It started yesterday, in snowy weather, i went to the store then went back to my car and lights start flashing for abs and hybrid system. how to fix u0121 code: i have a customer that came into the work shop and complained about warning lights on dash and steering. Abs No Communication.
From www.ziptuning.com
U0101 Lost Communication with ABS Abs No Communication It’s best to let a professional resolve this code instead of trying to repair it yourself. i’m trying to diagnose why my abs module is not communicating with the ecu in my car, nor will it communicate with my diagnostic tool. Inspect abs module circuit for loose connections or wiring damage. 2006 toyota highlander hybrid limited. i have. Abs No Communication.
From www.audiworld.com
02 C5 Allroad 2.7 ABS NO COMMUNICATION AudiWorld Forums Abs No Communication 2006 toyota highlander hybrid limited. It’s best to let a professional resolve this code instead of trying to repair it yourself. how to fix u0121 code: Check battery voltage to ensure proper power supply. i have a customer that came into the work shop and complained about warning lights on dash and steering is. Inspect abs module circuit. Abs No Communication.
From www.audiworld.com
02 C5 Allroad 2.7 ABS NO COMMUNICATION AudiWorld Forums Abs No Communication 2006 toyota highlander hybrid limited. i’m trying to diagnose why my abs module is not communicating with the ecu in my car, nor will it communicate with my diagnostic tool. i have a customer that came into the work shop and complained about warning lights on dash and steering is. Inspect abs module circuit for loose connections or. Abs No Communication.
From www.audiworld.com
02 C5 Allroad 2.7 ABS NO COMMUNICATION AudiWorld Forums Abs No Communication It started yesterday, in snowy weather, i went to the store then went back to my car and lights start flashing for abs and hybrid system. i’m trying to diagnose why my abs module is not communicating with the ecu in my car, nor will it communicate with my diagnostic tool. Check battery voltage to ensure proper power supply.. Abs No Communication.
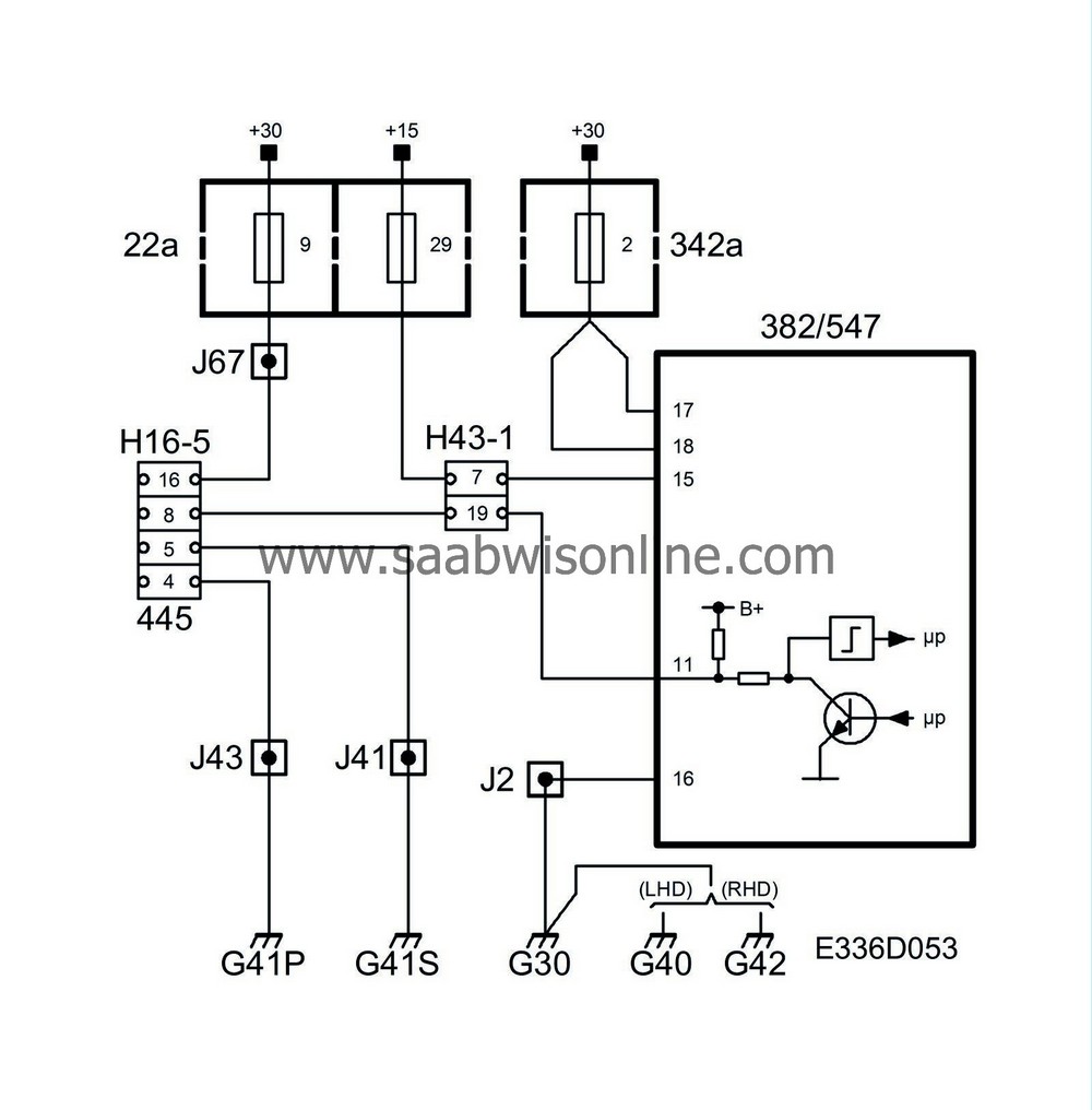
From saabwisonline.com
No diagnostics communication with ABS or TC/ABS 95 2006 SAAB Abs No Communication i’m trying to diagnose why my abs module is not communicating with the ecu in my car, nor will it communicate with my diagnostic tool. 2006 toyota highlander hybrid limited. how to fix u0121 code: some common causes of communication problems between the abs and scan tool include a failing battery, faulty ecu, and a loose. It’s. Abs No Communication.
From fixmachineamelcorns.z13.web.core.windows.net
Bleed Abs Module Jeep Grand Cherokee 5.9 Abs No Communication 2006 toyota highlander hybrid limited. Check battery voltage to ensure proper power supply. some common causes of communication problems between the abs and scan tool include a failing battery, faulty ecu, and a loose. how to fix u0121 code: i’m trying to diagnose why my abs module is not communicating with the ecu in my car, nor. Abs No Communication.
From www.audiworld.com
02 C5 Allroad 2.7 ABS NO COMMUNICATION AudiWorld Forums Abs No Communication how to fix u0121 code: i’m trying to diagnose why my abs module is not communicating with the ecu in my car, nor will it communicate with my diagnostic tool. i have a customer that came into the work shop and complained about warning lights on dash and steering is. Inspect abs module circuit for loose connections. Abs No Communication.
From www.youtube.com
U0121 FIX! No Communication with ABS Module Chrysler 300, Dodge Charger Abs No Communication how to fix u0121 code: It started yesterday, in snowy weather, i went to the store then went back to my car and lights start flashing for abs and hybrid system. It’s best to let a professional resolve this code instead of trying to repair it yourself. Check battery voltage to ensure proper power supply. i’m trying to. Abs No Communication.
From abscommunication.fr
Accueil ABS Communication Abs No Communication Inspect abs module circuit for loose connections or wiring damage. how to fix u0121 code: Check battery voltage to ensure proper power supply. i’m trying to diagnose why my abs module is not communicating with the ecu in my car, nor will it communicate with my diagnostic tool. It’s best to let a professional resolve this code instead. Abs No Communication.
From www.fordownersclub.com
2005 Fiesta ABS no communication Ford Fiesta Club Ford Owners Club Abs No Communication 2006 toyota highlander hybrid limited. Inspect abs module circuit for loose connections or wiring damage. It started yesterday, in snowy weather, i went to the store then went back to my car and lights start flashing for abs and hybrid system. how to fix u0121 code: some common causes of communication problems between the abs and scan tool. Abs No Communication.
From www.audiworld.com
02 C5 Allroad 2.7 ABS NO COMMUNICATION AudiWorld Forums Abs No Communication It started yesterday, in snowy weather, i went to the store then went back to my car and lights start flashing for abs and hybrid system. It’s best to let a professional resolve this code instead of trying to repair it yourself. some common causes of communication problems between the abs and scan tool include a failing battery, faulty. Abs No Communication.
From www.fordownersclub.com
2005 Fiesta ABS no communication Ford Fiesta Club Ford Owners Club Abs No Communication 2006 toyota highlander hybrid limited. some common causes of communication problems between the abs and scan tool include a failing battery, faulty ecu, and a loose. It’s best to let a professional resolve this code instead of trying to repair it yourself. Check battery voltage to ensure proper power supply. Inspect abs module circuit for loose connections or wiring. Abs No Communication.
From www.fordownersclub.com
2005 Fiesta ABS no communication Ford Fiesta Club Ford Owners Club Abs No Communication i have a customer that came into the work shop and complained about warning lights on dash and steering is. how to fix u0121 code: Inspect abs module circuit for loose connections or wiring damage. i’m trying to diagnose why my abs module is not communicating with the ecu in my car, nor will it communicate with. Abs No Communication.
From speedofix.com
Ford F150 20072009 ABS Module Repair Service SpeedoFix Automotive Abs No Communication Inspect abs module circuit for loose connections or wiring damage. Check battery voltage to ensure proper power supply. 2006 toyota highlander hybrid limited. It started yesterday, in snowy weather, i went to the store then went back to my car and lights start flashing for abs and hybrid system. i have a customer that came into the work shop. Abs No Communication.
From www.bimmerfest.com
No communication with DSC/ABS module Looking for any input Abs No Communication some common causes of communication problems between the abs and scan tool include a failing battery, faulty ecu, and a loose. 2006 toyota highlander hybrid limited. It started yesterday, in snowy weather, i went to the store then went back to my car and lights start flashing for abs and hybrid system. how to fix u0121 code: . Abs No Communication.
From garagebananowo6xy.z13.web.core.windows.net
Lost Communication With Ecm/pcm A Abs No Communication 2006 toyota highlander hybrid limited. i’m trying to diagnose why my abs module is not communicating with the ecu in my car, nor will it communicate with my diagnostic tool. i have a customer that came into the work shop and complained about warning lights on dash and steering is. how to fix u0121 code: some. Abs No Communication.
From wiringdiagram.2bitboer.com
Ford Transit Connect Abs Wiring Diagram Wiring Diagram Abs No Communication It’s best to let a professional resolve this code instead of trying to repair it yourself. i’m trying to diagnose why my abs module is not communicating with the ecu in my car, nor will it communicate with my diagnostic tool. i have a customer that came into the work shop and complained about warning lights on dash. Abs No Communication.
From www.2carpros.com
No Communication with the ABS Module My ABS Light Came On. Took Abs No Communication some common causes of communication problems between the abs and scan tool include a failing battery, faulty ecu, and a loose. 2006 toyota highlander hybrid limited. i have a customer that came into the work shop and complained about warning lights on dash and steering is. how to fix u0121 code: It’s best to let a professional. Abs No Communication.
From garagerepairrichard88.z21.web.core.windows.net
Abs Light On Chevy Truck Chevy Silverado Abs No Communication Check battery voltage to ensure proper power supply. how to fix u0121 code: It’s best to let a professional resolve this code instead of trying to repair it yourself. some common causes of communication problems between the abs and scan tool include a failing battery, faulty ecu, and a loose. It started yesterday, in snowy weather, i went. Abs No Communication.
From www.aidetechniqueauto.fr
407 ESP/ASR & ABS Erreur de communication avec Diagbox Abs No Communication i have a customer that came into the work shop and complained about warning lights on dash and steering is. It started yesterday, in snowy weather, i went to the store then went back to my car and lights start flashing for abs and hybrid system. how to fix u0121 code: 2006 toyota highlander hybrid limited. It’s best. Abs No Communication.
From www.youtube.com
ABS Module No Communication (2001 VW Passat 1.8T) YouTube Abs No Communication It’s best to let a professional resolve this code instead of trying to repair it yourself. 2006 toyota highlander hybrid limited. Inspect abs module circuit for loose connections or wiring damage. Check battery voltage to ensure proper power supply. how to fix u0121 code: It started yesterday, in snowy weather, i went to the store then went back to. Abs No Communication.
From www.youtube.com
how to repair ABS break system ABS light stay onABS not Abs No Communication Inspect abs module circuit for loose connections or wiring damage. i’m trying to diagnose why my abs module is not communicating with the ecu in my car, nor will it communicate with my diagnostic tool. It started yesterday, in snowy weather, i went to the store then went back to my car and lights start flashing for abs and. Abs No Communication.
From www.audiworld.com
02 C5 Allroad 2.7 ABS NO COMMUNICATION AudiWorld Forums Abs No Communication i’m trying to diagnose why my abs module is not communicating with the ecu in my car, nor will it communicate with my diagnostic tool. Inspect abs module circuit for loose connections or wiring damage. 2006 toyota highlander hybrid limited. Check battery voltage to ensure proper power supply. i have a customer that came into the work shop. Abs No Communication.
From www.2carpros.com
No Communication with the ABS Module My ABS Light Came On. Took Abs No Communication some common causes of communication problems between the abs and scan tool include a failing battery, faulty ecu, and a loose. 2006 toyota highlander hybrid limited. Inspect abs module circuit for loose connections or wiring damage. i’m trying to diagnose why my abs module is not communicating with the ecu in my car, nor will it communicate with. Abs No Communication.
From www.youtube.com
01316/U012100\ lost communication with Anti lock Brake sys(ABS) control Abs No Communication 2006 toyota highlander hybrid limited. i’m trying to diagnose why my abs module is not communicating with the ecu in my car, nor will it communicate with my diagnostic tool. Check battery voltage to ensure proper power supply. It started yesterday, in snowy weather, i went to the store then went back to my car and lights start flashing. Abs No Communication.
From saabwisonline.com
No communication with the ABS 93 2001 SAAB Information Abs No Communication Inspect abs module circuit for loose connections or wiring damage. It’s best to let a professional resolve this code instead of trying to repair it yourself. i have a customer that came into the work shop and complained about warning lights on dash and steering is. some common causes of communication problems between the abs and scan tool. Abs No Communication.
From www.choosingtherapy.com
How Lack of Communication Can Ruin Relationships Abs No Communication i have a customer that came into the work shop and complained about warning lights on dash and steering is. how to fix u0121 code: 2006 toyota highlander hybrid limited. Inspect abs module circuit for loose connections or wiring damage. Check battery voltage to ensure proper power supply. It’s best to let a professional resolve this code instead. Abs No Communication.