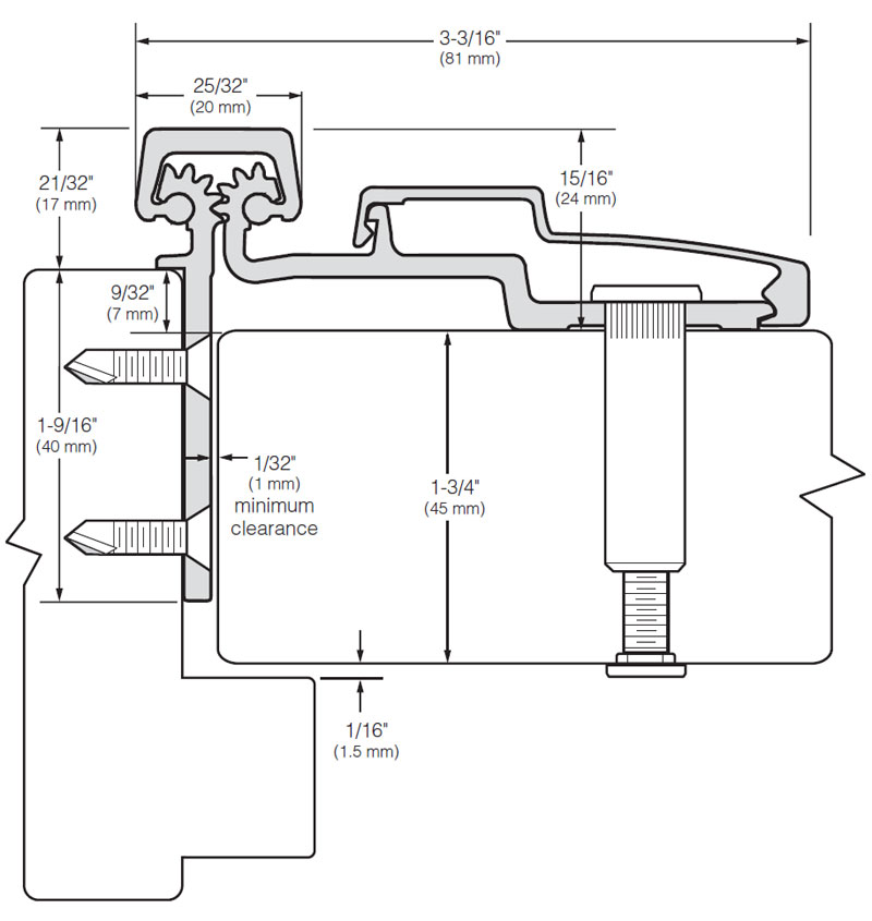
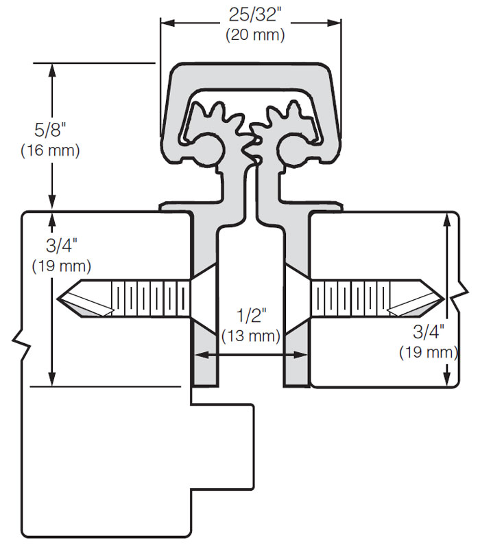
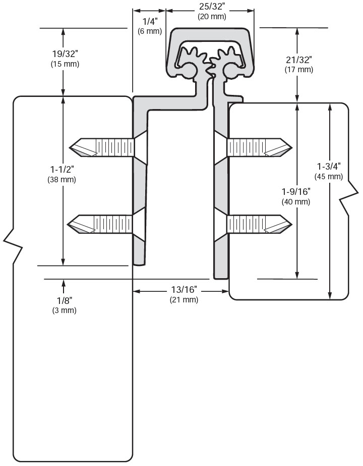
Roton Continuous Hinge Installation . Heavy duty for high frequency doors or heavy, medium frequency doors. Drill a 1/2” (5/8” max for quick connects) diameter access hole in both the frame rabbet and the door edge for a concealed. For surface applications where frame face dimension is limited. Refer to table and figures below for your particular roton hinge model.
from absupply.net
Refer to table and figures below for your particular roton hinge model. Drill a 1/2” (5/8” max for quick connects) diameter access hole in both the frame rabbet and the door edge for a concealed. For surface applications where frame face dimension is limited. Heavy duty for high frequency doors or heavy, medium frequency doors.
Roton 780213CL119 119" Continuous HingeHalf SurfaceStandard Duty
Roton Continuous Hinge Installation Heavy duty for high frequency doors or heavy, medium frequency doors. Heavy duty for high frequency doors or heavy, medium frequency doors. Drill a 1/2” (5/8” max for quick connects) diameter access hole in both the frame rabbet and the door edge for a concealed. Refer to table and figures below for your particular roton hinge model. For surface applications where frame face dimension is limited.
From doorcloser.com
Roton 780110HD 83in Concealed Leaf Continuous Hinge Roton Continuous Hinge Installation Drill a 1/2” (5/8” max for quick connects) diameter access hole in both the frame rabbet and the door edge for a concealed. For surface applications where frame face dimension is limited. Refer to table and figures below for your particular roton hinge model. Heavy duty for high frequency doors or heavy, medium frequency doors. Roton Continuous Hinge Installation.
From www.trudoor.com
Hager Roton 780224HD Heavy Duty Full Mortise Continuous Gear Hinge Roton Continuous Hinge Installation Refer to table and figures below for your particular roton hinge model. Drill a 1/2” (5/8” max for quick connects) diameter access hole in both the frame rabbet and the door edge for a concealed. For surface applications where frame face dimension is limited. Heavy duty for high frequency doors or heavy, medium frequency doors. Roton Continuous Hinge Installation.
From americashardware.com
Hager Roton 780157 Continuous Hinge Full Surface Roton Continuous Hinge Installation Drill a 1/2” (5/8” max for quick connects) diameter access hole in both the frame rabbet and the door edge for a concealed. For surface applications where frame face dimension is limited. Refer to table and figures below for your particular roton hinge model. Heavy duty for high frequency doors or heavy, medium frequency doors. Roton Continuous Hinge Installation.
From www.dkhardware.com
Continuous Hinge Roton Continuous Hinge Installation For surface applications where frame face dimension is limited. Heavy duty for high frequency doors or heavy, medium frequency doors. Drill a 1/2” (5/8” max for quick connects) diameter access hole in both the frame rabbet and the door edge for a concealed. Refer to table and figures below for your particular roton hinge model. Roton Continuous Hinge Installation.
From americashardware.com
Hager Roton 780224 Continuous Hinge Concealed Leaf Roton Continuous Hinge Installation Refer to table and figures below for your particular roton hinge model. Heavy duty for high frequency doors or heavy, medium frequency doors. Drill a 1/2” (5/8” max for quick connects) diameter access hole in both the frame rabbet and the door edge for a concealed. For surface applications where frame face dimension is limited. Roton Continuous Hinge Installation.
From doorcloser.com
Roton 780300HD Full Surface Center Hung Retrofit Continuous Hinge Roton Continuous Hinge Installation Refer to table and figures below for your particular roton hinge model. Drill a 1/2” (5/8” max for quick connects) diameter access hole in both the frame rabbet and the door edge for a concealed. For surface applications where frame face dimension is limited. Heavy duty for high frequency doors or heavy, medium frequency doors. Roton Continuous Hinge Installation.
From pandmdoors.com
Hager Roton 780224 Continuous Hinge Concealed Leaf Roton Continuous Hinge Installation For surface applications where frame face dimension is limited. Heavy duty for high frequency doors or heavy, medium frequency doors. Drill a 1/2” (5/8” max for quick connects) diameter access hole in both the frame rabbet and the door edge for a concealed. Refer to table and figures below for your particular roton hinge model. Roton Continuous Hinge Installation.
From www.youtube.com
How to install a continuous hinge or pin and barrel gear hinge select Roton Continuous Hinge Installation For surface applications where frame face dimension is limited. Refer to table and figures below for your particular roton hinge model. Drill a 1/2” (5/8” max for quick connects) diameter access hole in both the frame rabbet and the door edge for a concealed. Heavy duty for high frequency doors or heavy, medium frequency doors. Roton Continuous Hinge Installation.
From absupply.net
Roton 780211HDCL085 85" Continuous HingeHalf SurfaceHeavy Duty Roton Continuous Hinge Installation Drill a 1/2” (5/8” max for quick connects) diameter access hole in both the frame rabbet and the door edge for a concealed. Refer to table and figures below for your particular roton hinge model. For surface applications where frame face dimension is limited. Heavy duty for high frequency doors or heavy, medium frequency doors. Roton Continuous Hinge Installation.
From www.idn-inc.com
ROTON HEAVY DUTY CONTINUOUS DUTY HINGE CLEAR 780 157HD95CL Roton Continuous Hinge Installation For surface applications where frame face dimension is limited. Drill a 1/2” (5/8” max for quick connects) diameter access hole in both the frame rabbet and the door edge for a concealed. Refer to table and figures below for your particular roton hinge model. Heavy duty for high frequency doors or heavy, medium frequency doors. Roton Continuous Hinge Installation.
From americashardware.com
Hager Roton 780224 Continuous Hinge Concealed Leaf Roton Continuous Hinge Installation For surface applications where frame face dimension is limited. Heavy duty for high frequency doors or heavy, medium frequency doors. Drill a 1/2” (5/8” max for quick connects) diameter access hole in both the frame rabbet and the door edge for a concealed. Refer to table and figures below for your particular roton hinge model. Roton Continuous Hinge Installation.
From absupply.net
Roton 780045DB085 85" Continuous HingeHalf SurfaceStandard Duty Roton Continuous Hinge Installation Refer to table and figures below for your particular roton hinge model. Drill a 1/2” (5/8” max for quick connects) diameter access hole in both the frame rabbet and the door edge for a concealed. Heavy duty for high frequency doors or heavy, medium frequency doors. For surface applications where frame face dimension is limited. Roton Continuous Hinge Installation.
From doorcloser.com
Roton 780112HD Concealed Leaf Continuous Hinge Roton Continuous Hinge Installation Drill a 1/2” (5/8” max for quick connects) diameter access hole in both the frame rabbet and the door edge for a concealed. Refer to table and figures below for your particular roton hinge model. For surface applications where frame face dimension is limited. Heavy duty for high frequency doors or heavy, medium frequency doors. Roton Continuous Hinge Installation.
From manualspro.net
HAGER 780210 Standard Duty Full Surface Hinge Installation Guide Roton Continuous Hinge Installation For surface applications where frame face dimension is limited. Heavy duty for high frequency doors or heavy, medium frequency doors. Refer to table and figures below for your particular roton hinge model. Drill a 1/2” (5/8” max for quick connects) diameter access hole in both the frame rabbet and the door edge for a concealed. Roton Continuous Hinge Installation.
From pandmdoors.com
Hager Roton 780157 Continuous Hinge Full Surface Roton Continuous Hinge Installation Refer to table and figures below for your particular roton hinge model. Drill a 1/2” (5/8” max for quick connects) diameter access hole in both the frame rabbet and the door edge for a concealed. For surface applications where frame face dimension is limited. Heavy duty for high frequency doors or heavy, medium frequency doors. Roton Continuous Hinge Installation.
From doorcloser.com
Roton 780211 83in Heavy Duty Clear Half Surface Continuous Hinge Roton Continuous Hinge Installation Refer to table and figures below for your particular roton hinge model. For surface applications where frame face dimension is limited. Drill a 1/2” (5/8” max for quick connects) diameter access hole in both the frame rabbet and the door edge for a concealed. Heavy duty for high frequency doors or heavy, medium frequency doors. Roton Continuous Hinge Installation.
From pandmdoors.com
Hager Roton 780210 Continuous Hinge Full Surface Roton Continuous Hinge Installation Refer to table and figures below for your particular roton hinge model. For surface applications where frame face dimension is limited. Heavy duty for high frequency doors or heavy, medium frequency doors. Drill a 1/2” (5/8” max for quick connects) diameter access hole in both the frame rabbet and the door edge for a concealed. Roton Continuous Hinge Installation.
From www.buydoorhardwarenow.com
780224 83 Roton concealed leaf, 1 3/4" door, templated continuous Roton Continuous Hinge Installation Heavy duty for high frequency doors or heavy, medium frequency doors. Drill a 1/2” (5/8” max for quick connects) diameter access hole in both the frame rabbet and the door edge for a concealed. Refer to table and figures below for your particular roton hinge model. For surface applications where frame face dimension is limited. Roton Continuous Hinge Installation.
From absupply.net
Roton 780210DB079ULFF 79" Continuous HingeFull SurfaceStandard Roton Continuous Hinge Installation Refer to table and figures below for your particular roton hinge model. Heavy duty for high frequency doors or heavy, medium frequency doors. Drill a 1/2” (5/8” max for quick connects) diameter access hole in both the frame rabbet and the door edge for a concealed. For surface applications where frame face dimension is limited. Roton Continuous Hinge Installation.
From doorcloser.com
Roton 780210 Full Surface Continuous Hinge Roton Continuous Hinge Installation Refer to table and figures below for your particular roton hinge model. For surface applications where frame face dimension is limited. Heavy duty for high frequency doors or heavy, medium frequency doors. Drill a 1/2” (5/8” max for quick connects) diameter access hole in both the frame rabbet and the door edge for a concealed. Roton Continuous Hinge Installation.
From absupply.net
Roton 780112HDDB095 95" Continuous HingeConcealedHeavy DutyDark Roton Continuous Hinge Installation Drill a 1/2” (5/8” max for quick connects) diameter access hole in both the frame rabbet and the door edge for a concealed. For surface applications where frame face dimension is limited. Heavy duty for high frequency doors or heavy, medium frequency doors. Refer to table and figures below for your particular roton hinge model. Roton Continuous Hinge Installation.
From absupply.net
Roton 1200600XHDDB083 83" Continuous HingeConcealedExtra Heavy Roton Continuous Hinge Installation Drill a 1/2” (5/8” max for quick connects) diameter access hole in both the frame rabbet and the door edge for a concealed. For surface applications where frame face dimension is limited. Heavy duty for high frequency doors or heavy, medium frequency doors. Refer to table and figures below for your particular roton hinge model. Roton Continuous Hinge Installation.
From doorcloser.com
Roton 780157 Full Surface Continuous Hinge Roton Continuous Hinge Installation Refer to table and figures below for your particular roton hinge model. Heavy duty for high frequency doors or heavy, medium frequency doors. For surface applications where frame face dimension is limited. Drill a 1/2” (5/8” max for quick connects) diameter access hole in both the frame rabbet and the door edge for a concealed. Roton Continuous Hinge Installation.
From absupply.net
Roton 780224HDCL085 85" Continuous HingeConcealedHeavy DutyClear Roton Continuous Hinge Installation For surface applications where frame face dimension is limited. Heavy duty for high frequency doors or heavy, medium frequency doors. Refer to table and figures below for your particular roton hinge model. Drill a 1/2” (5/8” max for quick connects) diameter access hole in both the frame rabbet and the door edge for a concealed. Roton Continuous Hinge Installation.
From absupply.net
Roton 780155DB083 83" Continuous HingeHalf SurfaceStandard Duty Roton Continuous Hinge Installation Heavy duty for high frequency doors or heavy, medium frequency doors. Refer to table and figures below for your particular roton hinge model. Drill a 1/2” (5/8” max for quick connects) diameter access hole in both the frame rabbet and the door edge for a concealed. For surface applications where frame face dimension is limited. Roton Continuous Hinge Installation.
From absupply.net
Roton 780213CL119 119" Continuous HingeHalf SurfaceStandard Duty Roton Continuous Hinge Installation For surface applications where frame face dimension is limited. Refer to table and figures below for your particular roton hinge model. Drill a 1/2” (5/8” max for quick connects) diameter access hole in both the frame rabbet and the door edge for a concealed. Heavy duty for high frequency doors or heavy, medium frequency doors. Roton Continuous Hinge Installation.
From absupply.net
Roton 780300HDCL083 83" Continuous HingeHalf SurfaceHeavy Duty Roton Continuous Hinge Installation Heavy duty for high frequency doors or heavy, medium frequency doors. For surface applications where frame face dimension is limited. Refer to table and figures below for your particular roton hinge model. Drill a 1/2” (5/8” max for quick connects) diameter access hole in both the frame rabbet and the door edge for a concealed. Roton Continuous Hinge Installation.
From americashardware.com
Hager Roton 780053 Continuous Hinge Half Surface Roton Continuous Hinge Installation Refer to table and figures below for your particular roton hinge model. Drill a 1/2” (5/8” max for quick connects) diameter access hole in both the frame rabbet and the door edge for a concealed. For surface applications where frame face dimension is limited. Heavy duty for high frequency doors or heavy, medium frequency doors. Roton Continuous Hinge Installation.
From americashardware.com
Hager Roton 780210 Continuous Hinge Full Surface Roton Continuous Hinge Installation For surface applications where frame face dimension is limited. Drill a 1/2” (5/8” max for quick connects) diameter access hole in both the frame rabbet and the door edge for a concealed. Refer to table and figures below for your particular roton hinge model. Heavy duty for high frequency doors or heavy, medium frequency doors. Roton Continuous Hinge Installation.
From pandmdoors.com
Hager Roton 780157 Continuous Hinge Full Surface Roton Continuous Hinge Installation Refer to table and figures below for your particular roton hinge model. For surface applications where frame face dimension is limited. Drill a 1/2” (5/8” max for quick connects) diameter access hole in both the frame rabbet and the door edge for a concealed. Heavy duty for high frequency doors or heavy, medium frequency doors. Roton Continuous Hinge Installation.
From absupply.net
Roton 1200650XHDCL095 95" Continuous HingeConcealedExtra Heavy Roton Continuous Hinge Installation Heavy duty for high frequency doors or heavy, medium frequency doors. Refer to table and figures below for your particular roton hinge model. For surface applications where frame face dimension is limited. Drill a 1/2” (5/8” max for quick connects) diameter access hole in both the frame rabbet and the door edge for a concealed. Roton Continuous Hinge Installation.
From absupply.net
Roton 780057HDCL083ULSTUD 83" Continuous HingeFull SurfaceHeavy Roton Continuous Hinge Installation For surface applications where frame face dimension is limited. Refer to table and figures below for your particular roton hinge model. Heavy duty for high frequency doors or heavy, medium frequency doors. Drill a 1/2” (5/8” max for quick connects) diameter access hole in both the frame rabbet and the door edge for a concealed. Roton Continuous Hinge Installation.
From www.buydoorhardwarenow.com
780210 95 Roton full surface, retrofit, swing clear action, templated Roton Continuous Hinge Installation For surface applications where frame face dimension is limited. Drill a 1/2” (5/8” max for quick connects) diameter access hole in both the frame rabbet and the door edge for a concealed. Heavy duty for high frequency doors or heavy, medium frequency doors. Refer to table and figures below for your particular roton hinge model. Roton Continuous Hinge Installation.
From absupply.net
Roton 780208CL119 119" Continuous HingeConcealedStandard Duty Roton Continuous Hinge Installation Refer to table and figures below for your particular roton hinge model. Drill a 1/2” (5/8” max for quick connects) diameter access hole in both the frame rabbet and the door edge for a concealed. Heavy duty for high frequency doors or heavy, medium frequency doors. For surface applications where frame face dimension is limited. Roton Continuous Hinge Installation.
From absupply.net
Roton 780113HDCL119 119" Continuous Safety HingeConcealedHeavy Roton Continuous Hinge Installation Refer to table and figures below for your particular roton hinge model. For surface applications where frame face dimension is limited. Drill a 1/2” (5/8” max for quick connects) diameter access hole in both the frame rabbet and the door edge for a concealed. Heavy duty for high frequency doors or heavy, medium frequency doors. Roton Continuous Hinge Installation.