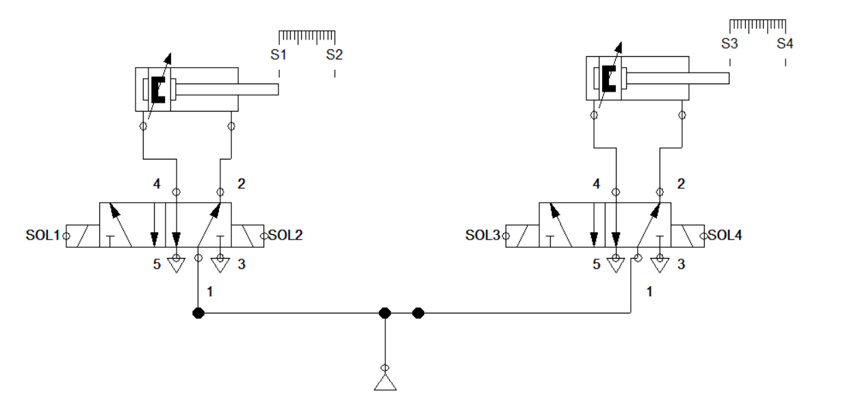
Electro-Pneumatic Circuit Examples . They function by converting electrical. Electronic and electromagnetic sensors, electrical switches and. In order to produce the required movements by pneumatic cylinders under certain conditions, it is often necessary to combine signals from.
from www.caretxdigital.com
They function by converting electrical. Electronic and electromagnetic sensors, electrical switches and. In order to produce the required movements by pneumatic cylinders under certain conditions, it is often necessary to combine signals from.
pneumatic circuit diagram examples Wiring Diagram and Schematics
Electro-Pneumatic Circuit Examples Electronic and electromagnetic sensors, electrical switches and. In order to produce the required movements by pneumatic cylinders under certain conditions, it is often necessary to combine signals from. They function by converting electrical. Electronic and electromagnetic sensors, electrical switches and.
From www.wiringflowline.com
Electro Pneumatic Circuit Examples Wiring Flow Line Electro-Pneumatic Circuit Examples Electronic and electromagnetic sensors, electrical switches and. In order to produce the required movements by pneumatic cylinders under certain conditions, it is often necessary to combine signals from. They function by converting electrical. Electro-Pneumatic Circuit Examples.
From www.researchgate.net
ElectroPneumatic Circuit Diagram. Download Scientific Diagram Electro-Pneumatic Circuit Examples In order to produce the required movements by pneumatic cylinders under certain conditions, it is often necessary to combine signals from. Electronic and electromagnetic sensors, electrical switches and. They function by converting electrical. Electro-Pneumatic Circuit Examples.
From www.caretxdigital.com
pneumatic circuit diagram examples Wiring Diagram and Schematics Electro-Pneumatic Circuit Examples In order to produce the required movements by pneumatic cylinders under certain conditions, it is often necessary to combine signals from. Electronic and electromagnetic sensors, electrical switches and. They function by converting electrical. Electro-Pneumatic Circuit Examples.
From www.diagramelectric.co
What Is Electro Pneumatic Circuit Wiring Diagram Electro-Pneumatic Circuit Examples In order to produce the required movements by pneumatic cylinders under certain conditions, it is often necessary to combine signals from. They function by converting electrical. Electronic and electromagnetic sensors, electrical switches and. Electro-Pneumatic Circuit Examples.
From www.youtube.com
Designing a ElectroPneumatic Circuit A+ B+ B C+ C A YouTube Electro-Pneumatic Circuit Examples They function by converting electrical. Electronic and electromagnetic sensors, electrical switches and. In order to produce the required movements by pneumatic cylinders under certain conditions, it is often necessary to combine signals from. Electro-Pneumatic Circuit Examples.
From www.chegg.com
Solved Q4 Figure 5 shows an electropneumatic circuit of two Electro-Pneumatic Circuit Examples In order to produce the required movements by pneumatic cylinders under certain conditions, it is often necessary to combine signals from. They function by converting electrical. Electronic and electromagnetic sensors, electrical switches and. Electro-Pneumatic Circuit Examples.
From www.wiringscan.com
Pneumatic Circuit Examples » Wiring Scan Electro-Pneumatic Circuit Examples In order to produce the required movements by pneumatic cylinders under certain conditions, it is often necessary to combine signals from. Electronic and electromagnetic sensors, electrical switches and. They function by converting electrical. Electro-Pneumatic Circuit Examples.
From www.youtube.com
Electro pneumatic circuit A+ B+ A B One cycle and Continuous cycles Electro-Pneumatic Circuit Examples Electronic and electromagnetic sensors, electrical switches and. They function by converting electrical. In order to produce the required movements by pneumatic cylinders under certain conditions, it is often necessary to combine signals from. Electro-Pneumatic Circuit Examples.
From www.wiringflowline.com
Pneumatic Circuit Explained Wiring Flow Line Electro-Pneumatic Circuit Examples In order to produce the required movements by pneumatic cylinders under certain conditions, it is often necessary to combine signals from. They function by converting electrical. Electronic and electromagnetic sensors, electrical switches and. Electro-Pneumatic Circuit Examples.
From www.youtube.com
Electro pneumatic circuit of A+/A with continuous cycle YouTube Electro-Pneumatic Circuit Examples Electronic and electromagnetic sensors, electrical switches and. In order to produce the required movements by pneumatic cylinders under certain conditions, it is often necessary to combine signals from. They function by converting electrical. Electro-Pneumatic Circuit Examples.
From www.researchgate.net
Electropneumatic circuit with cylinder (Cl 31). Simulation II The Electro-Pneumatic Circuit Examples They function by converting electrical. Electronic and electromagnetic sensors, electrical switches and. In order to produce the required movements by pneumatic cylinders under certain conditions, it is often necessary to combine signals from. Electro-Pneumatic Circuit Examples.
From www.researchgate.net
Open electropneumatic circuit with three way valves Download Electro-Pneumatic Circuit Examples In order to produce the required movements by pneumatic cylinders under certain conditions, it is often necessary to combine signals from. Electronic and electromagnetic sensors, electrical switches and. They function by converting electrical. Electro-Pneumatic Circuit Examples.
From www.wiringflowline.com
Electro Pneumatic Circuit Examples Pdf Wiring Flow Line Electro-Pneumatic Circuit Examples They function by converting electrical. In order to produce the required movements by pneumatic cylinders under certain conditions, it is often necessary to combine signals from. Electronic and electromagnetic sensors, electrical switches and. Electro-Pneumatic Circuit Examples.
From mechdiploma.com
ElectroPneumatic circuits Mechanical Engg Simple Notes ,Solved Electro-Pneumatic Circuit Examples In order to produce the required movements by pneumatic cylinders under certain conditions, it is often necessary to combine signals from. Electronic and electromagnetic sensors, electrical switches and. They function by converting electrical. Electro-Pneumatic Circuit Examples.
From www.researchgate.net
1 ElectroPneumatic circuit for proposed model Download Scientific Electro-Pneumatic Circuit Examples In order to produce the required movements by pneumatic cylinders under certain conditions, it is often necessary to combine signals from. They function by converting electrical. Electronic and electromagnetic sensors, electrical switches and. Electro-Pneumatic Circuit Examples.
From www.researchgate.net
Electropneumatic circuit with cylinder (Cl 31). Simulation II The Electro-Pneumatic Circuit Examples They function by converting electrical. Electronic and electromagnetic sensors, electrical switches and. In order to produce the required movements by pneumatic cylinders under certain conditions, it is often necessary to combine signals from. Electro-Pneumatic Circuit Examples.
From www.colegiosantainescampestre.edu.co
Solved Q4 Figure Shows An Electropneumatic Circuit Of Two, 51 OFF Electro-Pneumatic Circuit Examples In order to produce the required movements by pneumatic cylinders under certain conditions, it is often necessary to combine signals from. They function by converting electrical. Electronic and electromagnetic sensors, electrical switches and. Electro-Pneumatic Circuit Examples.
From www.youtube.com
Electropneumatic circuit YouTube Electro-Pneumatic Circuit Examples In order to produce the required movements by pneumatic cylinders under certain conditions, it is often necessary to combine signals from. They function by converting electrical. Electronic and electromagnetic sensors, electrical switches and. Electro-Pneumatic Circuit Examples.
From schematicpartclaudia.z19.web.core.windows.net
Basic Electro Pneumatic Circuit Electro-Pneumatic Circuit Examples In order to produce the required movements by pneumatic cylinders under certain conditions, it is often necessary to combine signals from. They function by converting electrical. Electronic and electromagnetic sensors, electrical switches and. Electro-Pneumatic Circuit Examples.
From www.circuitdiagram.co
Electro Pneumatic Circuit Diagram A B Circuit Diagram Electro-Pneumatic Circuit Examples In order to produce the required movements by pneumatic cylinders under certain conditions, it is often necessary to combine signals from. Electronic and electromagnetic sensors, electrical switches and. They function by converting electrical. Electro-Pneumatic Circuit Examples.
From learnchannel-tv.com
Electropneumatics Electro-Pneumatic Circuit Examples In order to produce the required movements by pneumatic cylinders under certain conditions, it is often necessary to combine signals from. They function by converting electrical. Electronic and electromagnetic sensors, electrical switches and. Electro-Pneumatic Circuit Examples.
From circuitenginedundee.z13.web.core.windows.net
Draw Pneumatic Circuit Diagram Online Electro-Pneumatic Circuit Examples In order to produce the required movements by pneumatic cylinders under certain conditions, it is often necessary to combine signals from. Electronic and electromagnetic sensors, electrical switches and. They function by converting electrical. Electro-Pneumatic Circuit Examples.
From stemgeeks.net
Electropneumatic Basics Cementing Press (Time Dependent Control Electro-Pneumatic Circuit Examples They function by converting electrical. Electronic and electromagnetic sensors, electrical switches and. In order to produce the required movements by pneumatic cylinders under certain conditions, it is often necessary to combine signals from. Electro-Pneumatic Circuit Examples.
From www.wiringflowline.com
Electro Pneumatic Circuit Examples Pdf Wiring Flow Line Electro-Pneumatic Circuit Examples They function by converting electrical. In order to produce the required movements by pneumatic cylinders under certain conditions, it is often necessary to combine signals from. Electronic and electromagnetic sensors, electrical switches and. Electro-Pneumatic Circuit Examples.
From www.wiringflowline.com
Electro Pneumatic Circuit Examples Wiring Flow Line Electro-Pneumatic Circuit Examples In order to produce the required movements by pneumatic cylinders under certain conditions, it is often necessary to combine signals from. They function by converting electrical. Electronic and electromagnetic sensors, electrical switches and. Electro-Pneumatic Circuit Examples.
From www.apthydraulics.com.au
Pneumatic circuit APT Hydraulics Electro-Pneumatic Circuit Examples In order to produce the required movements by pneumatic cylinders under certain conditions, it is often necessary to combine signals from. Electronic and electromagnetic sensors, electrical switches and. They function by converting electrical. Electro-Pneumatic Circuit Examples.
From www.wiringdigital.com
Pneumatic Circuit Simulator Free Wiring Digital and Schematic Electro-Pneumatic Circuit Examples They function by converting electrical. Electronic and electromagnetic sensors, electrical switches and. In order to produce the required movements by pneumatic cylinders under certain conditions, it is often necessary to combine signals from. Electro-Pneumatic Circuit Examples.
From www.youtube.com
Fluidsim Tutorial 3 ElectroPneumatics Latched Circuit Self Electro-Pneumatic Circuit Examples They function by converting electrical. Electronic and electromagnetic sensors, electrical switches and. In order to produce the required movements by pneumatic cylinders under certain conditions, it is often necessary to combine signals from. Electro-Pneumatic Circuit Examples.
From www.youtube.com
electro pneumatic circuit by double acting cylinder YouTube Electro-Pneumatic Circuit Examples They function by converting electrical. In order to produce the required movements by pneumatic cylinders under certain conditions, it is often necessary to combine signals from. Electronic and electromagnetic sensors, electrical switches and. Electro-Pneumatic Circuit Examples.
From www.youtube.com
FluidSIM ElectroPneumatic Circuit dengan siklus BCA,A+,B+,C+A,B Electro-Pneumatic Circuit Examples They function by converting electrical. In order to produce the required movements by pneumatic cylinders under certain conditions, it is often necessary to combine signals from. Electronic and electromagnetic sensors, electrical switches and. Electro-Pneumatic Circuit Examples.
From www.researchgate.net
The schematic diagram of the electropneumatic circuit in the HSM Electro-Pneumatic Circuit Examples They function by converting electrical. Electronic and electromagnetic sensors, electrical switches and. In order to produce the required movements by pneumatic cylinders under certain conditions, it is often necessary to combine signals from. Electro-Pneumatic Circuit Examples.
From www.researchgate.net
(PDF) Study of ElectroPneumatic Circuits with Proximity Switches Electro-Pneumatic Circuit Examples Electronic and electromagnetic sensors, electrical switches and. They function by converting electrical. In order to produce the required movements by pneumatic cylinders under certain conditions, it is often necessary to combine signals from. Electro-Pneumatic Circuit Examples.
From www.researchgate.net
Pneumatic circuit schematic diagram of multicylinder single Electro-Pneumatic Circuit Examples They function by converting electrical. In order to produce the required movements by pneumatic cylinders under certain conditions, it is often necessary to combine signals from. Electronic and electromagnetic sensors, electrical switches and. Electro-Pneumatic Circuit Examples.
From www.176iot.com
pneumatic circuit diagram examples IOT Wiring Diagram Electro-Pneumatic Circuit Examples In order to produce the required movements by pneumatic cylinders under certain conditions, it is often necessary to combine signals from. They function by converting electrical. Electronic and electromagnetic sensors, electrical switches and. Electro-Pneumatic Circuit Examples.
From www.youtube.com
Sorting device Electropneumatic circuit design and simulation Electro-Pneumatic Circuit Examples They function by converting electrical. Electronic and electromagnetic sensors, electrical switches and. In order to produce the required movements by pneumatic cylinders under certain conditions, it is often necessary to combine signals from. Electro-Pneumatic Circuit Examples.