Engine Management System Audi A3 . Learn how to interpret the dashboard symbols on your audi and what actions to take when a warning light appears. Audi a3 (8p) forum ; They checked and according to error code it was fuel temp sensor. I have audi a3 1.9 tdi, diesel 2007. Ive recently got myself an a3 sportback 2.0tdi and on monday on the way to work the engine management light came on. Its engine management light showed up, went to garage. Find out how to fix common. My owners manual says the amber coil light is the engine management light for the diesel engine car and if it flashes when driving. Now, the engine management warning light is on permanently and i'm getting a variety of weird issues.namely: If you are looking to get your audi a3 through emissions and the check engine light is on, it is an automatic fail in almost every.
from www.roadsmile.com
They checked and according to error code it was fuel temp sensor. Its engine management light showed up, went to garage. Audi a3 (8p) forum ; If you are looking to get your audi a3 through emissions and the check engine light is on, it is an automatic fail in almost every. My owners manual says the amber coil light is the engine management light for the diesel engine car and if it flashes when driving. Now, the engine management warning light is on permanently and i'm getting a variety of weird issues.namely: Learn how to interpret the dashboard symbols on your audi and what actions to take when a warning light appears. Find out how to fix common. I have audi a3 1.9 tdi, diesel 2007. Ive recently got myself an a3 sportback 2.0tdi and on monday on the way to work the engine management light came on.
AUDI A3 Review and photos
Engine Management System Audi A3 My owners manual says the amber coil light is the engine management light for the diesel engine car and if it flashes when driving. Now, the engine management warning light is on permanently and i'm getting a variety of weird issues.namely: My owners manual says the amber coil light is the engine management light for the diesel engine car and if it flashes when driving. Find out how to fix common. I have audi a3 1.9 tdi, diesel 2007. Audi a3 (8p) forum ; Its engine management light showed up, went to garage. If you are looking to get your audi a3 through emissions and the check engine light is on, it is an automatic fail in almost every. They checked and according to error code it was fuel temp sensor. Ive recently got myself an a3 sportback 2.0tdi and on monday on the way to work the engine management light came on. Learn how to interpret the dashboard symbols on your audi and what actions to take when a warning light appears.
From www.pinterest.com
Audi A3 Engine Wiring Diagram and T Fsi Engine Diagram Wiring Diagram Engine Management System Audi A3 Its engine management light showed up, went to garage. They checked and according to error code it was fuel temp sensor. If you are looking to get your audi a3 through emissions and the check engine light is on, it is an automatic fail in almost every. Now, the engine management warning light is on permanently and i'm getting a. Engine Management System Audi A3.
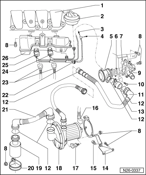
From www.proxyparts.com
Engine Audi A3 Sportback 2.0 FSI 16V BLR Binckhorst BV Engine Management System Audi A3 My owners manual says the amber coil light is the engine management light for the diesel engine car and if it flashes when driving. Its engine management light showed up, went to garage. Audi a3 (8p) forum ; Ive recently got myself an a3 sportback 2.0tdi and on monday on the way to work the engine management light came on.. Engine Management System Audi A3.
From cfdbyti30951.blogspot.com
[39+] Audi A3 Engine Diagram, How To Replace Timing Chain On Audi A3 8P Engine Management System Audi A3 I have audi a3 1.9 tdi, diesel 2007. Audi a3 (8p) forum ; Now, the engine management warning light is on permanently and i'm getting a variety of weird issues.namely: They checked and according to error code it was fuel temp sensor. Ive recently got myself an a3 sportback 2.0tdi and on monday on the way to work the engine. Engine Management System Audi A3.
From paultan.org
Audi A3 and S3 facelift gets new looks, tech, engines Audi A3 Sedan Engine Management System Audi A3 Ive recently got myself an a3 sportback 2.0tdi and on monday on the way to work the engine management light came on. I have audi a3 1.9 tdi, diesel 2007. Now, the engine management warning light is on permanently and i'm getting a variety of weird issues.namely: My owners manual says the amber coil light is the engine management light. Engine Management System Audi A3.
From circuitdbpatiently.z19.web.core.windows.net
Audi A3 18 Engine Diagram Engine Management System Audi A3 Audi a3 (8p) forum ; I have audi a3 1.9 tdi, diesel 2007. Its engine management light showed up, went to garage. My owners manual says the amber coil light is the engine management light for the diesel engine car and if it flashes when driving. If you are looking to get your audi a3 through emissions and the check. Engine Management System Audi A3.
From www.youtube.com
Audi A3 2.0 Tdi BKD running engine YouTube Engine Management System Audi A3 Find out how to fix common. They checked and according to error code it was fuel temp sensor. Its engine management light showed up, went to garage. Learn how to interpret the dashboard symbols on your audi and what actions to take when a warning light appears. If you are looking to get your audi a3 through emissions and the. Engine Management System Audi A3.
From www.carsinvasion.com
2013 Audi A3 HD Pictures Engine Management System Audi A3 Its engine management light showed up, went to garage. I have audi a3 1.9 tdi, diesel 2007. Audi a3 (8p) forum ; My owners manual says the amber coil light is the engine management light for the diesel engine car and if it flashes when driving. Learn how to interpret the dashboard symbols on your audi and what actions to. Engine Management System Audi A3.
From diagramreading.blogspot.com
Wiring Diagram Audi A3 1.6 diagram reading Engine Management System Audi A3 Audi a3 (8p) forum ; Its engine management light showed up, went to garage. My owners manual says the amber coil light is the engine management light for the diesel engine car and if it flashes when driving. If you are looking to get your audi a3 through emissions and the check engine light is on, it is an automatic. Engine Management System Audi A3.
From www.youtube.com
Audi A3 2.0 Tfsi AXX engine run/sound YouTube Engine Management System Audi A3 Ive recently got myself an a3 sportback 2.0tdi and on monday on the way to work the engine management light came on. Its engine management light showed up, went to garage. I have audi a3 1.9 tdi, diesel 2007. Learn how to interpret the dashboard symbols on your audi and what actions to take when a warning light appears. They. Engine Management System Audi A3.
From exolqwbiv.blob.core.windows.net
Turn Off Engine Management Light Audi A3 at Billy Jaramillo blog Engine Management System Audi A3 If you are looking to get your audi a3 through emissions and the check engine light is on, it is an automatic fail in almost every. I have audi a3 1.9 tdi, diesel 2007. Ive recently got myself an a3 sportback 2.0tdi and on monday on the way to work the engine management light came on. Find out how to. Engine Management System Audi A3.
From www.autocar.co.uk
Audi A3 1.6 TDI Sport first drive review review Autocar Engine Management System Audi A3 My owners manual says the amber coil light is the engine management light for the diesel engine car and if it flashes when driving. Audi a3 (8p) forum ; Now, the engine management warning light is on permanently and i'm getting a variety of weird issues.namely: I have audi a3 1.9 tdi, diesel 2007. They checked and according to error. Engine Management System Audi A3.
From workshop-manuals.com
Audi Manuals > A3 Mk2 > Power unit > 6cylinder injection Engine Management System Audi A3 My owners manual says the amber coil light is the engine management light for the diesel engine car and if it flashes when driving. Learn how to interpret the dashboard symbols on your audi and what actions to take when a warning light appears. If you are looking to get your audi a3 through emissions and the check engine light. Engine Management System Audi A3.
From americanwarmoms.org
Audi A3 Engine Management System Warning Light Engine Management System Audi A3 They checked and according to error code it was fuel temp sensor. Audi a3 (8p) forum ; Its engine management light showed up, went to garage. Now, the engine management warning light is on permanently and i'm getting a variety of weird issues.namely: If you are looking to get your audi a3 through emissions and the check engine light is. Engine Management System Audi A3.
From insideevs.com
Audi A3 etron Detailed Specs Engine Management System Audi A3 I have audi a3 1.9 tdi, diesel 2007. Learn how to interpret the dashboard symbols on your audi and what actions to take when a warning light appears. Now, the engine management warning light is on permanently and i'm getting a variety of weird issues.namely: Ive recently got myself an a3 sportback 2.0tdi and on monday on the way to. Engine Management System Audi A3.
From www.youtube.com
AUDI A3 Engine REMOVAL Full Video TUTORIAL VW Audi CCZA 2.0 TFSI EA888 Engine Management System Audi A3 If you are looking to get your audi a3 through emissions and the check engine light is on, it is an automatic fail in almost every. My owners manual says the amber coil light is the engine management light for the diesel engine car and if it flashes when driving. Now, the engine management warning light is on permanently and. Engine Management System Audi A3.
From mycar.repair
Audi 1.4 TFSI Engine Maintenance And Common Problems Engine Management System Audi A3 Ive recently got myself an a3 sportback 2.0tdi and on monday on the way to work the engine management light came on. Audi a3 (8p) forum ; If you are looking to get your audi a3 through emissions and the check engine light is on, it is an automatic fail in almost every. I have audi a3 1.9 tdi, diesel. Engine Management System Audi A3.
From tflcar.com
2015 Audi A3 1.8T Back to Basics [First Impression] The Fast Lane Car Engine Management System Audi A3 Now, the engine management warning light is on permanently and i'm getting a variety of weird issues.namely: If you are looking to get your audi a3 through emissions and the check engine light is on, it is an automatic fail in almost every. I have audi a3 1.9 tdi, diesel 2007. Learn how to interpret the dashboard symbols on your. Engine Management System Audi A3.
From www.blog.sagmart.com
Audi A3 Sedan Review SAGMart Engine Management System Audi A3 My owners manual says the amber coil light is the engine management light for the diesel engine car and if it flashes when driving. Its engine management light showed up, went to garage. Audi a3 (8p) forum ; Now, the engine management warning light is on permanently and i'm getting a variety of weird issues.namely: I have audi a3 1.9. Engine Management System Audi A3.
From www.autocar.co.uk
Audi A3 20122020 engines & performance Autocar Engine Management System Audi A3 They checked and according to error code it was fuel temp sensor. Its engine management light showed up, went to garage. If you are looking to get your audi a3 through emissions and the check engine light is on, it is an automatic fail in almost every. My owners manual says the amber coil light is the engine management light. Engine Management System Audi A3.
From audi-tips.blogspot.com
Audi A3 2016 Engines Engine Management System Audi A3 Learn how to interpret the dashboard symbols on your audi and what actions to take when a warning light appears. If you are looking to get your audi a3 through emissions and the check engine light is on, it is an automatic fail in almost every. Find out how to fix common. I have audi a3 1.9 tdi, diesel 2007.. Engine Management System Audi A3.
From reviewmotors.co
Audi A3 Spare Parts Diagram Reviewmotors.co Engine Management System Audi A3 Learn how to interpret the dashboard symbols on your audi and what actions to take when a warning light appears. Ive recently got myself an a3 sportback 2.0tdi and on monday on the way to work the engine management light came on. Its engine management light showed up, went to garage. If you are looking to get your audi a3. Engine Management System Audi A3.
From www.audi-sport.net
EGR valve Engine Management System Audi A3 Its engine management light showed up, went to garage. They checked and according to error code it was fuel temp sensor. Find out how to fix common. If you are looking to get your audi a3 through emissions and the check engine light is on, it is an automatic fail in almost every. Learn how to interpret the dashboard symbols. Engine Management System Audi A3.
From www.autos.ca
2015 Audi A3 2.0TFSI Technik Autos.ca Engine Management System Audi A3 Ive recently got myself an a3 sportback 2.0tdi and on monday on the way to work the engine management light came on. Find out how to fix common. Its engine management light showed up, went to garage. They checked and according to error code it was fuel temp sensor. If you are looking to get your audi a3 through emissions. Engine Management System Audi A3.
From www.b-parts.com
Engine AUDI A3 (8P1) 2.0 TDI BMN ; BParts Engine Management System Audi A3 Now, the engine management warning light is on permanently and i'm getting a variety of weird issues.namely: Ive recently got myself an a3 sportback 2.0tdi and on monday on the way to work the engine management light came on. My owners manual says the amber coil light is the engine management light for the diesel engine car and if it. Engine Management System Audi A3.
From www.youtube.com
Audi A3 2.0 Tdi BKD running engine YouTube Engine Management System Audi A3 Ive recently got myself an a3 sportback 2.0tdi and on monday on the way to work the engine management light came on. I have audi a3 1.9 tdi, diesel 2007. Learn how to interpret the dashboard symbols on your audi and what actions to take when a warning light appears. If you are looking to get your audi a3 through. Engine Management System Audi A3.
From www.youtube.com
Audi A3 1.8 20V engine working YouTube Engine Management System Audi A3 Find out how to fix common. Its engine management light showed up, went to garage. I have audi a3 1.9 tdi, diesel 2007. Audi a3 (8p) forum ; If you are looking to get your audi a3 through emissions and the check engine light is on, it is an automatic fail in almost every. Learn how to interpret the dashboard. Engine Management System Audi A3.
From tr.pinterest.com
Audi A3 Engine Wiring Diagram and Audi A Engine Diagram Getting Engine Management System Audi A3 Find out how to fix common. I have audi a3 1.9 tdi, diesel 2007. They checked and according to error code it was fuel temp sensor. Ive recently got myself an a3 sportback 2.0tdi and on monday on the way to work the engine management light came on. My owners manual says the amber coil light is the engine management. Engine Management System Audi A3.
From workshop-manuals.com
Audi Service and Repair Manuals > A3 Mk2 > Power unit 4 Engine Management System Audi A3 Audi a3 (8p) forum ; Its engine management light showed up, went to garage. I have audi a3 1.9 tdi, diesel 2007. If you are looking to get your audi a3 through emissions and the check engine light is on, it is an automatic fail in almost every. Now, the engine management warning light is on permanently and i'm getting. Engine Management System Audi A3.
From www.decoratingspecial.com
Audi A3 Engine Management Light No Power Engine Management System Audi A3 My owners manual says the amber coil light is the engine management light for the diesel engine car and if it flashes when driving. I have audi a3 1.9 tdi, diesel 2007. Ive recently got myself an a3 sportback 2.0tdi and on monday on the way to work the engine management light came on. Now, the engine management warning light. Engine Management System Audi A3.
From www.autocar.co.uk
2016 Audi A3 Sportback 2.0 TDI 150 S line review review Autocar Engine Management System Audi A3 Find out how to fix common. My owners manual says the amber coil light is the engine management light for the diesel engine car and if it flashes when driving. If you are looking to get your audi a3 through emissions and the check engine light is on, it is an automatic fail in almost every. Learn how to interpret. Engine Management System Audi A3.
From www.roadsmile.com
AUDI A3 Review and photos Engine Management System Audi A3 Ive recently got myself an a3 sportback 2.0tdi and on monday on the way to work the engine management light came on. Find out how to fix common. My owners manual says the amber coil light is the engine management light for the diesel engine car and if it flashes when driving. Now, the engine management warning light is on. Engine Management System Audi A3.
From workshop-manuals.com
Audi Manuals > A3 Mk1 > Power unit > 4cylinder 1.8 ltr. 5 Engine Management System Audi A3 Find out how to fix common. They checked and according to error code it was fuel temp sensor. Its engine management light showed up, went to garage. If you are looking to get your audi a3 through emissions and the check engine light is on, it is an automatic fail in almost every. Learn how to interpret the dashboard symbols. Engine Management System Audi A3.
From wireenginefisher.z21.web.core.windows.net
Audi A3 2 0t Engine Diagram Engine Management System Audi A3 I have audi a3 1.9 tdi, diesel 2007. Its engine management light showed up, went to garage. If you are looking to get your audi a3 through emissions and the check engine light is on, it is an automatic fail in almost every. Learn how to interpret the dashboard symbols on your audi and what actions to take when a. Engine Management System Audi A3.
From cfdbyti30951.blogspot.com
[39+] Audi A3 Engine Diagram, How To Replace Timing Chain On Audi A3 8P Engine Management System Audi A3 My owners manual says the amber coil light is the engine management light for the diesel engine car and if it flashes when driving. Now, the engine management warning light is on permanently and i'm getting a variety of weird issues.namely: Audi a3 (8p) forum ; Find out how to fix common. I have audi a3 1.9 tdi, diesel 2007.. Engine Management System Audi A3.
From www.youtube.com
Engine Start TFSI 2.0 16v Turbocharged Audi A3 SportBack YouTube Engine Management System Audi A3 If you are looking to get your audi a3 through emissions and the check engine light is on, it is an automatic fail in almost every. I have audi a3 1.9 tdi, diesel 2007. Its engine management light showed up, went to garage. Ive recently got myself an a3 sportback 2.0tdi and on monday on the way to work the. Engine Management System Audi A3.