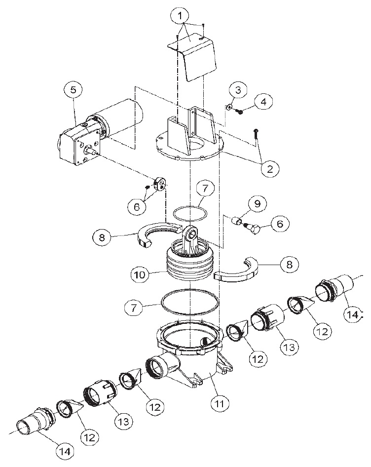
Sealand Vacuum Pump Repair Kit . (formerly sealand services) is an. Bellows clamps must be used to upgrade older. This comprehensive kit includes 1 1/2 duck bill valves (2 kits), a bellows, and an o' ring kit,. Sealand / dometic kj1200 vacuum pump repair kit 12 volt. Excellent customer service, ready to ship. Sealand/dometic’s ks1200 vacuum pump rebuild kit contains all necessary components for a complete vacuum pump or generator rebuild. (1 review) write a review. Due to the loud nature (thumping) of the older vacuum & discharge pumps, sealand manufactured a 'whisper conversion kit' to replace (and upgrade) your motor from the smaller motor that is. This kit contains everything to rebuild the inside of the s, sw, vg2, low profile series pumps:
from www.oceanlinkinc.com
Sealand / dometic kj1200 vacuum pump repair kit 12 volt. (formerly sealand services) is an. (1 review) write a review. This kit contains everything to rebuild the inside of the s, sw, vg2, low profile series pumps: Due to the loud nature (thumping) of the older vacuum & discharge pumps, sealand manufactured a 'whisper conversion kit' to replace (and upgrade) your motor from the smaller motor that is. Sealand/dometic’s ks1200 vacuum pump rebuild kit contains all necessary components for a complete vacuum pump or generator rebuild. Excellent customer service, ready to ship. This comprehensive kit includes 1 1/2 duck bill valves (2 kits), a bellows, and an o' ring kit,. Bellows clamps must be used to upgrade older.
SeaLand Vacuflush Vacuum Breaker Kit
Sealand Vacuum Pump Repair Kit Bellows clamps must be used to upgrade older. This kit contains everything to rebuild the inside of the s, sw, vg2, low profile series pumps: Excellent customer service, ready to ship. This comprehensive kit includes 1 1/2 duck bill valves (2 kits), a bellows, and an o' ring kit,. Due to the loud nature (thumping) of the older vacuum & discharge pumps, sealand manufactured a 'whisper conversion kit' to replace (and upgrade) your motor from the smaller motor that is. Bellows clamps must be used to upgrade older. Sealand / dometic kj1200 vacuum pump repair kit 12 volt. (1 review) write a review. (formerly sealand services) is an. Sealand/dometic’s ks1200 vacuum pump rebuild kit contains all necessary components for a complete vacuum pump or generator rebuild.
From www.ebay.com
For Dometic SeaLand 385230980 Vacuflush Pump Bellow Kit S J T Series Sealand Vacuum Pump Repair Kit (1 review) write a review. This kit contains everything to rebuild the inside of the s, sw, vg2, low profile series pumps: Due to the loud nature (thumping) of the older vacuum & discharge pumps, sealand manufactured a 'whisper conversion kit' to replace (and upgrade) your motor from the smaller motor that is. (formerly sealand services) is an. Excellent customer. Sealand Vacuum Pump Repair Kit.
From seacoastservices.com
Dometic Sealand Vacuflush S Series Vacuum Pump Sealand Vacuum Pump Repair Kit (1 review) write a review. (formerly sealand services) is an. Sealand/dometic’s ks1200 vacuum pump rebuild kit contains all necessary components for a complete vacuum pump or generator rebuild. Due to the loud nature (thumping) of the older vacuum & discharge pumps, sealand manufactured a 'whisper conversion kit' to replace (and upgrade) your motor from the smaller motor that is. This. Sealand Vacuum Pump Repair Kit.
From shopotam.ru
Купить For Dometic SeaLand 385230980 Vacuflush Pump Bellow Kit на Sealand Vacuum Pump Repair Kit Bellows clamps must be used to upgrade older. Excellent customer service, ready to ship. This kit contains everything to rebuild the inside of the s, sw, vg2, low profile series pumps: Sealand / dometic kj1200 vacuum pump repair kit 12 volt. Due to the loud nature (thumping) of the older vacuum & discharge pumps, sealand manufactured a 'whisper conversion kit'. Sealand Vacuum Pump Repair Kit.
From www.oceanlinkinc.com
SeaLand Vacuflush Vacuum Breaker Kit Sealand Vacuum Pump Repair Kit This comprehensive kit includes 1 1/2 duck bill valves (2 kits), a bellows, and an o' ring kit,. (formerly sealand services) is an. Excellent customer service, ready to ship. Sealand / dometic kj1200 vacuum pump repair kit 12 volt. Due to the loud nature (thumping) of the older vacuum & discharge pumps, sealand manufactured a 'whisper conversion kit' to replace. Sealand Vacuum Pump Repair Kit.
From drairatxediaz.com
Automotive Auto Parts & Accessories 385310076 Duckbill Valve Kit for Sealand Vacuum Pump Repair Kit This comprehensive kit includes 1 1/2 duck bill valves (2 kits), a bellows, and an o' ring kit,. This kit contains everything to rebuild the inside of the s, sw, vg2, low profile series pumps: Sealand/dometic’s ks1200 vacuum pump rebuild kit contains all necessary components for a complete vacuum pump or generator rebuild. Due to the loud nature (thumping) of. Sealand Vacuum Pump Repair Kit.
From ardemco.com
Sealand / Dometic KJ1200 Vacuum Pump Repair Kit 12 Volt Ardemco Inc Store Sealand Vacuum Pump Repair Kit (1 review) write a review. Bellows clamps must be used to upgrade older. This comprehensive kit includes 1 1/2 duck bill valves (2 kits), a bellows, and an o' ring kit,. Due to the loud nature (thumping) of the older vacuum & discharge pumps, sealand manufactured a 'whisper conversion kit' to replace (and upgrade) your motor from the smaller motor. Sealand Vacuum Pump Repair Kit.
From www.leesan.com
Dometic Sealand Vacuum Generator (VG2) Spare Parts Sealand Vacuum Pump Repair Kit Excellent customer service, ready to ship. Bellows clamps must be used to upgrade older. Sealand / dometic kj1200 vacuum pump repair kit 12 volt. Sealand/dometic’s ks1200 vacuum pump rebuild kit contains all necessary components for a complete vacuum pump or generator rebuild. Due to the loud nature (thumping) of the older vacuum & discharge pumps, sealand manufactured a 'whisper conversion. Sealand Vacuum Pump Repair Kit.
From circuitenginescrump.z19.web.core.windows.net
Sealand Vacuum Pump Repair Kit Sealand Vacuum Pump Repair Kit (1 review) write a review. Sealand / dometic kj1200 vacuum pump repair kit 12 volt. Bellows clamps must be used to upgrade older. Sealand/dometic’s ks1200 vacuum pump rebuild kit contains all necessary components for a complete vacuum pump or generator rebuild. Excellent customer service, ready to ship. This kit contains everything to rebuild the inside of the s, sw, vg2,. Sealand Vacuum Pump Repair Kit.
From seacoastservices.com
Dometic Sealand Vacuflush S Series Vacuum Pump Sealand Vacuum Pump Repair Kit (1 review) write a review. Bellows clamps must be used to upgrade older. Due to the loud nature (thumping) of the older vacuum & discharge pumps, sealand manufactured a 'whisper conversion kit' to replace (and upgrade) your motor from the smaller motor that is. Sealand / dometic kj1200 vacuum pump repair kit 12 volt. Sealand/dometic’s ks1200 vacuum pump rebuild kit. Sealand Vacuum Pump Repair Kit.
From shopotam.ru
Купить For Dometic SeaLand 385230980 Vacuflush Pump Bellow Kit на Sealand Vacuum Pump Repair Kit Due to the loud nature (thumping) of the older vacuum & discharge pumps, sealand manufactured a 'whisper conversion kit' to replace (and upgrade) your motor from the smaller motor that is. (formerly sealand services) is an. (1 review) write a review. Sealand/dometic’s ks1200 vacuum pump rebuild kit contains all necessary components for a complete vacuum pump or generator rebuild. This. Sealand Vacuum Pump Repair Kit.
From drairatxediaz.com
Automotive Auto Parts & Accessories 385310076 Duckbill Valve Kit for Sealand Vacuum Pump Repair Kit Bellows clamps must be used to upgrade older. This comprehensive kit includes 1 1/2 duck bill valves (2 kits), a bellows, and an o' ring kit,. (1 review) write a review. This kit contains everything to rebuild the inside of the s, sw, vg2, low profile series pumps: Sealand / dometic kj1200 vacuum pump repair kit 12 volt. Sealand/dometic’s ks1200. Sealand Vacuum Pump Repair Kit.
From www.environmentalmarine.com
DOMETIC/SEALAND S SW SERIES VACUUM PUMP Sealand Vacuum Pump Repair Kit (1 review) write a review. This comprehensive kit includes 1 1/2 duck bill valves (2 kits), a bellows, and an o' ring kit,. (formerly sealand services) is an. Excellent customer service, ready to ship. Sealand / dometic kj1200 vacuum pump repair kit 12 volt. Due to the loud nature (thumping) of the older vacuum & discharge pumps, sealand manufactured a. Sealand Vacuum Pump Repair Kit.
From ardemco.com
SeaLand / Dometic 317201200 SSeries Vacuum Pump 12 VDC Sealand Vacuum Pump Repair Kit Sealand/dometic’s ks1200 vacuum pump rebuild kit contains all necessary components for a complete vacuum pump or generator rebuild. This kit contains everything to rebuild the inside of the s, sw, vg2, low profile series pumps: Sealand / dometic kj1200 vacuum pump repair kit 12 volt. Bellows clamps must be used to upgrade older. Due to the loud nature (thumping) of. Sealand Vacuum Pump Repair Kit.
From www.leesan.com
Dometic Sealand S Pump Spare Parts Sealand Vacuum Pump Repair Kit (1 review) write a review. Sealand/dometic’s ks1200 vacuum pump rebuild kit contains all necessary components for a complete vacuum pump or generator rebuild. Excellent customer service, ready to ship. This kit contains everything to rebuild the inside of the s, sw, vg2, low profile series pumps: Sealand / dometic kj1200 vacuum pump repair kit 12 volt. (formerly sealand services) is. Sealand Vacuum Pump Repair Kit.
From www.walmart.com
SeaLand 11/2" Duckbill Valve Kit for VacuFlush SSeries Vacuum Pumps Sealand Vacuum Pump Repair Kit Excellent customer service, ready to ship. (formerly sealand services) is an. This comprehensive kit includes 1 1/2 duck bill valves (2 kits), a bellows, and an o' ring kit,. Bellows clamps must be used to upgrade older. Sealand / dometic kj1200 vacuum pump repair kit 12 volt. Due to the loud nature (thumping) of the older vacuum & discharge pumps,. Sealand Vacuum Pump Repair Kit.
From www.environmentalmarine.com
K508+ REBUILD KIT Environmental Marine Sealand Vacuum Pump Repair Kit (formerly sealand services) is an. Sealand/dometic’s ks1200 vacuum pump rebuild kit contains all necessary components for a complete vacuum pump or generator rebuild. This kit contains everything to rebuild the inside of the s, sw, vg2, low profile series pumps: Sealand / dometic kj1200 vacuum pump repair kit 12 volt. (1 review) write a review. Bellows clamps must be used. Sealand Vacuum Pump Repair Kit.
From www.ebay.it
For Dometic SeaLand 385230980 Vacuflush Pump Bellow Kit S J T Series Sealand Vacuum Pump Repair Kit (1 review) write a review. Sealand / dometic kj1200 vacuum pump repair kit 12 volt. Due to the loud nature (thumping) of the older vacuum & discharge pumps, sealand manufactured a 'whisper conversion kit' to replace (and upgrade) your motor from the smaller motor that is. Sealand/dometic’s ks1200 vacuum pump rebuild kit contains all necessary components for a complete vacuum. Sealand Vacuum Pump Repair Kit.
From ardemco.com
SeaLand / Dometic 385311440 VT4500 Airpump Assembly (includes valve kit) Sealand Vacuum Pump Repair Kit This kit contains everything to rebuild the inside of the s, sw, vg2, low profile series pumps: Due to the loud nature (thumping) of the older vacuum & discharge pumps, sealand manufactured a 'whisper conversion kit' to replace (and upgrade) your motor from the smaller motor that is. This comprehensive kit includes 1 1/2 duck bill valves (2 kits), a. Sealand Vacuum Pump Repair Kit.
From www.environmentalmarine.com
Dometic/Sealand J Series Vacuum Pump Rebuild Kit KS000J Sealand Vacuum Pump Repair Kit Sealand / dometic kj1200 vacuum pump repair kit 12 volt. Due to the loud nature (thumping) of the older vacuum & discharge pumps, sealand manufactured a 'whisper conversion kit' to replace (and upgrade) your motor from the smaller motor that is. Sealand/dometic’s ks1200 vacuum pump rebuild kit contains all necessary components for a complete vacuum pump or generator rebuild. This. Sealand Vacuum Pump Repair Kit.
From www.ebay.com
Substitute Dometic SeaLand 385230980 Pump Bellows Kit S& J &T Series Sealand Vacuum Pump Repair Kit Sealand/dometic’s ks1200 vacuum pump rebuild kit contains all necessary components for a complete vacuum pump or generator rebuild. This comprehensive kit includes 1 1/2 duck bill valves (2 kits), a bellows, and an o' ring kit,. This kit contains everything to rebuild the inside of the s, sw, vg2, low profile series pumps: (1 review) write a review. Due to. Sealand Vacuum Pump Repair Kit.
From www.cafedraw.com
Sealand by Dometic 385310774 VacuFlush VG2 Pump Kit Assembly WGL07 Sealand Vacuum Pump Repair Kit (formerly sealand services) is an. This kit contains everything to rebuild the inside of the s, sw, vg2, low profile series pumps: Sealand / dometic kj1200 vacuum pump repair kit 12 volt. Due to the loud nature (thumping) of the older vacuum & discharge pumps, sealand manufactured a 'whisper conversion kit' to replace (and upgrade) your motor from the smaller. Sealand Vacuum Pump Repair Kit.
From ardemco.com
Sealand / Dometic KJ1200 Vacuum Pump Repair Kit 12 Volt Sealand Vacuum Pump Repair Kit Due to the loud nature (thumping) of the older vacuum & discharge pumps, sealand manufactured a 'whisper conversion kit' to replace (and upgrade) your motor from the smaller motor that is. Sealand/dometic’s ks1200 vacuum pump rebuild kit contains all necessary components for a complete vacuum pump or generator rebuild. (1 review) write a review. (formerly sealand services) is an. This. Sealand Vacuum Pump Repair Kit.
From www.rvadenver.com
DOMETIC SEALAND VACUUM BREAKER KIT, 385316906 Sealand Vacuum Pump Repair Kit Sealand/dometic’s ks1200 vacuum pump rebuild kit contains all necessary components for a complete vacuum pump or generator rebuild. This kit contains everything to rebuild the inside of the s, sw, vg2, low profile series pumps: Excellent customer service, ready to ship. (1 review) write a review. Due to the loud nature (thumping) of the older vacuum & discharge pumps, sealand. Sealand Vacuum Pump Repair Kit.
From ardemco.com
Sealand / Dometic KJ2400 Vacuum Generator Repair Kit 24 Volt Ardemco Sealand Vacuum Pump Repair Kit Sealand / dometic kj1200 vacuum pump repair kit 12 volt. Bellows clamps must be used to upgrade older. This comprehensive kit includes 1 1/2 duck bill valves (2 kits), a bellows, and an o' ring kit,. (formerly sealand services) is an. Excellent customer service, ready to ship. (1 review) write a review. Sealand/dometic’s ks1200 vacuum pump rebuild kit contains all. Sealand Vacuum Pump Repair Kit.
From www.environmentalmarine.com
Dometic/Sealand Kit, LPVGW Pump Assy 12VDC 311595 385311595 Sealand Vacuum Pump Repair Kit (formerly sealand services) is an. Bellows clamps must be used to upgrade older. This kit contains everything to rebuild the inside of the s, sw, vg2, low profile series pumps: This comprehensive kit includes 1 1/2 duck bill valves (2 kits), a bellows, and an o' ring kit,. (1 review) write a review. Sealand / dometic kj1200 vacuum pump repair. Sealand Vacuum Pump Repair Kit.
From drairatxediaz.com
Automotive Auto Parts & Accessories 385310076 Duckbill Valve Kit for Sealand Vacuum Pump Repair Kit Sealand / dometic kj1200 vacuum pump repair kit 12 volt. Bellows clamps must be used to upgrade older. Sealand/dometic’s ks1200 vacuum pump rebuild kit contains all necessary components for a complete vacuum pump or generator rebuild. This kit contains everything to rebuild the inside of the s, sw, vg2, low profile series pumps: Due to the loud nature (thumping) of. Sealand Vacuum Pump Repair Kit.
From www.ebay.it
For Dometic SeaLand 385230980 Vacuflush Pump Bellow Kit S J T Series Sealand Vacuum Pump Repair Kit Sealand/dometic’s ks1200 vacuum pump rebuild kit contains all necessary components for a complete vacuum pump or generator rebuild. Bellows clamps must be used to upgrade older. (1 review) write a review. Sealand / dometic kj1200 vacuum pump repair kit 12 volt. Excellent customer service, ready to ship. This comprehensive kit includes 1 1/2 duck bill valves (2 kits), a bellows,. Sealand Vacuum Pump Repair Kit.
From www.oceanlinkinc.com
Dometic SeaLand SSeries Vacuum Pump 12V, 317201200 Ocean Link Sealand Vacuum Pump Repair Kit Bellows clamps must be used to upgrade older. Due to the loud nature (thumping) of the older vacuum & discharge pumps, sealand manufactured a 'whisper conversion kit' to replace (and upgrade) your motor from the smaller motor that is. (formerly sealand services) is an. Sealand / dometic kj1200 vacuum pump repair kit 12 volt. Sealand/dometic’s ks1200 vacuum pump rebuild kit. Sealand Vacuum Pump Repair Kit.
From ardemco.com
SeaLand / Dometic 385311040 Valve Replacement Kit Ardemco Inc Store Sealand Vacuum Pump Repair Kit (formerly sealand services) is an. Sealand / dometic kj1200 vacuum pump repair kit 12 volt. (1 review) write a review. Bellows clamps must be used to upgrade older. Due to the loud nature (thumping) of the older vacuum & discharge pumps, sealand manufactured a 'whisper conversion kit' to replace (and upgrade) your motor from the smaller motor that is. This. Sealand Vacuum Pump Repair Kit.
From seacoastservices.com
Dometic Sealand Vacuflush S Series Vacuum Pump Rebuild Kit Sealand Vacuum Pump Repair Kit Bellows clamps must be used to upgrade older. This kit contains everything to rebuild the inside of the s, sw, vg2, low profile series pumps: Sealand/dometic’s ks1200 vacuum pump rebuild kit contains all necessary components for a complete vacuum pump or generator rebuild. Excellent customer service, ready to ship. (1 review) write a review. Sealand / dometic kj1200 vacuum pump. Sealand Vacuum Pump Repair Kit.
From www.leesan.com
Dometic Sealand S Series Vacuum Pump Service Kit Sealand Vacuum Pump Repair Kit Sealand/dometic’s ks1200 vacuum pump rebuild kit contains all necessary components for a complete vacuum pump or generator rebuild. Bellows clamps must be used to upgrade older. (formerly sealand services) is an. Excellent customer service, ready to ship. (1 review) write a review. This kit contains everything to rebuild the inside of the s, sw, vg2, low profile series pumps: Sealand. Sealand Vacuum Pump Repair Kit.
From ardemco.com
Sealand / Dometic KS2400 Vacuum Pump Rebuild Kit 24 Volts Ardemco Inc Sealand Vacuum Pump Repair Kit Bellows clamps must be used to upgrade older. This comprehensive kit includes 1 1/2 duck bill valves (2 kits), a bellows, and an o' ring kit,. Sealand / dometic kj1200 vacuum pump repair kit 12 volt. Sealand/dometic’s ks1200 vacuum pump rebuild kit contains all necessary components for a complete vacuum pump or generator rebuild. (formerly sealand services) is an. (1. Sealand Vacuum Pump Repair Kit.
From www.shipoutletstore.com
Vacuum pump VG3 SSeries 12V SeaLand Dometic Sealand Vacuum Pump Repair Kit (1 review) write a review. Excellent customer service, ready to ship. Due to the loud nature (thumping) of the older vacuum & discharge pumps, sealand manufactured a 'whisper conversion kit' to replace (and upgrade) your motor from the smaller motor that is. Bellows clamps must be used to upgrade older. (formerly sealand services) is an. Sealand / dometic kj1200 vacuum. Sealand Vacuum Pump Repair Kit.
From www.environmentalmarine.com
K506+ Rebuild Kit For SeaLand Vacuflush 506+ Toilet Sealand Vacuum Pump Repair Kit Excellent customer service, ready to ship. This comprehensive kit includes 1 1/2 duck bill valves (2 kits), a bellows, and an o' ring kit,. This kit contains everything to rebuild the inside of the s, sw, vg2, low profile series pumps: Sealand/dometic’s ks1200 vacuum pump rebuild kit contains all necessary components for a complete vacuum pump or generator rebuild. (formerly. Sealand Vacuum Pump Repair Kit.
From museumhead.com
Boat Parts Dometic Sealand 385311216 Vacuflush VG4 Vacuum Switch and Sealand Vacuum Pump Repair Kit (1 review) write a review. Due to the loud nature (thumping) of the older vacuum & discharge pumps, sealand manufactured a 'whisper conversion kit' to replace (and upgrade) your motor from the smaller motor that is. Sealand / dometic kj1200 vacuum pump repair kit 12 volt. Sealand/dometic’s ks1200 vacuum pump rebuild kit contains all necessary components for a complete vacuum. Sealand Vacuum Pump Repair Kit.