Chevy Equinox No Start No Communication To Scanner . A u0121 (loss of communication with electronic brake control module) and a u1814 (powertain wake up circuit fault). Turning the key in the. no start, no clicking, plugged in my scanner and it’s showing no communication with ecm of tcm. here are some of the most common things that happen when your equinox’s ecm is bad. Non running before due to timing chain. first issue, no start! 2014 equinox 2.4. The subtype for this code was a 02 which is a short to ground condition. i pulled codes from the vehicle and had two can communication faults in the the body control module that stuck out; Under another friend advise without checking anything i removed the tcm and installed. Just did an engine rebuild. i have a 10.2v voltage drop on terminal 85, which is the positive control side to the starter relay coil, with the key in the.
from fixmachinelucille99.z19.web.core.windows.net
Under another friend advise without checking anything i removed the tcm and installed. Turning the key in the. i have a 10.2v voltage drop on terminal 85, which is the positive control side to the starter relay coil, with the key in the. here are some of the most common things that happen when your equinox’s ecm is bad. The subtype for this code was a 02 which is a short to ground condition. first issue, no start! no start, no clicking, plugged in my scanner and it’s showing no communication with ecm of tcm. Just did an engine rebuild. i pulled codes from the vehicle and had two can communication faults in the the body control module that stuck out; Non running before due to timing chain.
Chevy Equinox Cranks But Won't Start
Chevy Equinox No Start No Communication To Scanner i pulled codes from the vehicle and had two can communication faults in the the body control module that stuck out; i pulled codes from the vehicle and had two can communication faults in the the body control module that stuck out; Under another friend advise without checking anything i removed the tcm and installed. first issue, no start! Just did an engine rebuild. Non running before due to timing chain. A u0121 (loss of communication with electronic brake control module) and a u1814 (powertain wake up circuit fault). 2014 equinox 2.4. Turning the key in the. no start, no clicking, plugged in my scanner and it’s showing no communication with ecm of tcm. i have a 10.2v voltage drop on terminal 85, which is the positive control side to the starter relay coil, with the key in the. here are some of the most common things that happen when your equinox’s ecm is bad. The subtype for this code was a 02 which is a short to ground condition.
From vehiclesauthority.com
Chevy Equinox Bluetooth Not Working (Causes & Solutions) Chevy Equinox No Start No Communication To Scanner here are some of the most common things that happen when your equinox’s ecm is bad. The subtype for this code was a 02 which is a short to ground condition. no start, no clicking, plugged in my scanner and it’s showing no communication with ecm of tcm. i have a 10.2v voltage drop on terminal 85,. Chevy Equinox No Start No Communication To Scanner.
From repairenginelauren88.z13.web.core.windows.net
2006 Chevy Equinox No Crank No Start Chevy Equinox No Start No Communication To Scanner i have a 10.2v voltage drop on terminal 85, which is the positive control side to the starter relay coil, with the key in the. i pulled codes from the vehicle and had two can communication faults in the the body control module that stuck out; A u0121 (loss of communication with electronic brake control module) and a. Chevy Equinox No Start No Communication To Scanner.
From garagehartmann123.z19.web.core.windows.net
How To Start Chevy Equinox Without Key Chevy Equinox No Start No Communication To Scanner no start, no clicking, plugged in my scanner and it’s showing no communication with ecm of tcm. here are some of the most common things that happen when your equinox’s ecm is bad. i pulled codes from the vehicle and had two can communication faults in the the body control module that stuck out; first issue,. Chevy Equinox No Start No Communication To Scanner.
From skilamannrvffixengine.z13.web.core.windows.net
Chevy Equinox Will Not Start Chevy Equinox No Start No Communication To Scanner first issue, no start! Non running before due to timing chain. Just did an engine rebuild. A u0121 (loss of communication with electronic brake control module) and a u1814 (powertain wake up circuit fault). i pulled codes from the vehicle and had two can communication faults in the the body control module that stuck out; Turning the key. Chevy Equinox No Start No Communication To Scanner.
From workshopunvented.z13.web.core.windows.net
2015 Chevy Equinox No Crank No Start Chevy Equinox No Start No Communication To Scanner i have a 10.2v voltage drop on terminal 85, which is the positive control side to the starter relay coil, with the key in the. no start, no clicking, plugged in my scanner and it’s showing no communication with ecm of tcm. i pulled codes from the vehicle and had two can communication faults in the the. Chevy Equinox No Start No Communication To Scanner.
From skilamannrvffixengine.z13.web.core.windows.net
Chevy Equinox Will Not Start Chevy Equinox No Start No Communication To Scanner no start, no clicking, plugged in my scanner and it’s showing no communication with ecm of tcm. here are some of the most common things that happen when your equinox’s ecm is bad. Under another friend advise without checking anything i removed the tcm and installed. Non running before due to timing chain. i pulled codes from. Chevy Equinox No Start No Communication To Scanner.
From www.youtube.com
2004 2009 chevy equinox (NO POWER STEERING FIX) 100 free! No eps Chevy Equinox No Start No Communication To Scanner no start, no clicking, plugged in my scanner and it’s showing no communication with ecm of tcm. i pulled codes from the vehicle and had two can communication faults in the the body control module that stuck out; i have a 10.2v voltage drop on terminal 85, which is the positive control side to the starter relay. Chevy Equinox No Start No Communication To Scanner.
From www.justanswer.com
13 equinox eng install now no start no communication and stabilizer Chevy Equinox No Start No Communication To Scanner no start, no clicking, plugged in my scanner and it’s showing no communication with ecm of tcm. Under another friend advise without checking anything i removed the tcm and installed. 2014 equinox 2.4. Non running before due to timing chain. The subtype for this code was a 02 which is a short to ground condition. i pulled. Chevy Equinox No Start No Communication To Scanner.
From repairenginethyrsoid.z13.web.core.windows.net
Chevy Equinox Not Starting Chevy Equinox No Start No Communication To Scanner Turning the key in the. i have a 10.2v voltage drop on terminal 85, which is the positive control side to the starter relay coil, with the key in the. here are some of the most common things that happen when your equinox’s ecm is bad. no start, no clicking, plugged in my scanner and it’s showing. Chevy Equinox No Start No Communication To Scanner.
From fixmachinelucille99.z19.web.core.windows.net
Chevy Equinox Cranks But Won't Start Chevy Equinox No Start No Communication To Scanner A u0121 (loss of communication with electronic brake control module) and a u1814 (powertain wake up circuit fault). Just did an engine rebuild. Non running before due to timing chain. first issue, no start! here are some of the most common things that happen when your equinox’s ecm is bad. i pulled codes from the vehicle and. Chevy Equinox No Start No Communication To Scanner.
From repairenginelauren88.z13.web.core.windows.net
2006 Chevy Equinox No Crank No Start Chevy Equinox No Start No Communication To Scanner here are some of the most common things that happen when your equinox’s ecm is bad. i pulled codes from the vehicle and had two can communication faults in the the body control module that stuck out; Under another friend advise without checking anything i removed the tcm and installed. Turning the key in the. The subtype for. Chevy Equinox No Start No Communication To Scanner.
From www.scannerdanner.com
2017 Equinox CAN communication fault. (FIXED) a good one Chevy Equinox No Start No Communication To Scanner first issue, no start! Non running before due to timing chain. i pulled codes from the vehicle and had two can communication faults in the the body control module that stuck out; i have a 10.2v voltage drop on terminal 85, which is the positive control side to the starter relay coil, with the key in the.. Chevy Equinox No Start No Communication To Scanner.
From workshoprepairjdog796si.z14.web.core.windows.net
Chevy Equinox Not Starting Chevy Equinox No Start No Communication To Scanner i have a 10.2v voltage drop on terminal 85, which is the positive control side to the starter relay coil, with the key in the. first issue, no start! i pulled codes from the vehicle and had two can communication faults in the the body control module that stuck out; Just did an engine rebuild. The subtype. Chevy Equinox No Start No Communication To Scanner.
From skilamannrvffixengine.z13.web.core.windows.net
Chevy Equinox Will Not Start Chevy Equinox No Start No Communication To Scanner no start, no clicking, plugged in my scanner and it’s showing no communication with ecm of tcm. Turning the key in the. Under another friend advise without checking anything i removed the tcm and installed. here are some of the most common things that happen when your equinox’s ecm is bad. A u0121 (loss of communication with electronic. Chevy Equinox No Start No Communication To Scanner.
From www.youtube.com
Symptoms Of A Faulty ECM No Start No Communication With a ECM YouTube Chevy Equinox No Start No Communication To Scanner no start, no clicking, plugged in my scanner and it’s showing no communication with ecm of tcm. Turning the key in the. Just did an engine rebuild. first issue, no start! here are some of the most common things that happen when your equinox’s ecm is bad. Non running before due to timing chain. 2014 equinox. Chevy Equinox No Start No Communication To Scanner.
From www.wheelsjoint.com
Chevrolet Equinox won't start causes and how to fix it Chevy Equinox No Start No Communication To Scanner 2014 equinox 2.4. Turning the key in the. no start, no clicking, plugged in my scanner and it’s showing no communication with ecm of tcm. i have a 10.2v voltage drop on terminal 85, which is the positive control side to the starter relay coil, with the key in the. A u0121 (loss of communication with electronic. Chevy Equinox No Start No Communication To Scanner.
From guidedehartstrophiole.z21.web.core.windows.net
Chevy Equinox Not Starting Chevy Equinox No Start No Communication To Scanner no start, no clicking, plugged in my scanner and it’s showing no communication with ecm of tcm. Just did an engine rebuild. i pulled codes from the vehicle and had two can communication faults in the the body control module that stuck out; 2014 equinox 2.4. Non running before due to timing chain. A u0121 (loss of. Chevy Equinox No Start No Communication To Scanner.
From www.youtube.com
GM Crank NoStart P0615 (Chevy Equinox) YouTube Chevy Equinox No Start No Communication To Scanner A u0121 (loss of communication with electronic brake control module) and a u1814 (powertain wake up circuit fault). The subtype for this code was a 02 which is a short to ground condition. Turning the key in the. here are some of the most common things that happen when your equinox’s ecm is bad. no start, no clicking,. Chevy Equinox No Start No Communication To Scanner.
From www.justanswer.com
No start no communication with scanner. Let me check. 07 gl450 battery Chevy Equinox No Start No Communication To Scanner Non running before due to timing chain. first issue, no start! Turning the key in the. Just did an engine rebuild. i pulled codes from the vehicle and had two can communication faults in the the body control module that stuck out; Under another friend advise without checking anything i removed the tcm and installed. here are. Chevy Equinox No Start No Communication To Scanner.
From repairmachinevolta2007wx.z22.web.core.windows.net
Chevy Equinox Engine Does Not Start Chevy Equinox No Start No Communication To Scanner i have a 10.2v voltage drop on terminal 85, which is the positive control side to the starter relay coil, with the key in the. A u0121 (loss of communication with electronic brake control module) and a u1814 (powertain wake up circuit fault). Under another friend advise without checking anything i removed the tcm and installed. 2014 equinox. Chevy Equinox No Start No Communication To Scanner.
From www.youtube.com
2012 CHEVY Equinox No Start Problem...Has Power but Won't Crank...not Chevy Equinox No Start No Communication To Scanner Just did an engine rebuild. no start, no clicking, plugged in my scanner and it’s showing no communication with ecm of tcm. A u0121 (loss of communication with electronic brake control module) and a u1814 (powertain wake up circuit fault). i have a 10.2v voltage drop on terminal 85, which is the positive control side to the starter. Chevy Equinox No Start No Communication To Scanner.
From repairmachineslumberb3.z14.web.core.windows.net
P0014 Chevy Equinox Not Start Condition Chevy Equinox No Start No Communication To Scanner i have a 10.2v voltage drop on terminal 85, which is the positive control side to the starter relay coil, with the key in the. 2014 equinox 2.4. no start, no clicking, plugged in my scanner and it’s showing no communication with ecm of tcm. Turning the key in the. here are some of the most. Chevy Equinox No Start No Communication To Scanner.
From innoem.eng.psu.ac.th
2007 Chevy Equinox Won't Turn Over Online innoem.eng.psu.ac.th Chevy Equinox No Start No Communication To Scanner Turning the key in the. 2014 equinox 2.4. Just did an engine rebuild. i pulled codes from the vehicle and had two can communication faults in the the body control module that stuck out; no start, no clicking, plugged in my scanner and it’s showing no communication with ecm of tcm. A u0121 (loss of communication with. Chevy Equinox No Start No Communication To Scanner.
From www.reddit.com
2012 chevy equinox no crank no start r/MechanicAdvice Chevy Equinox No Start No Communication To Scanner first issue, no start! Turning the key in the. 2014 equinox 2.4. i pulled codes from the vehicle and had two can communication faults in the the body control module that stuck out; i have a 10.2v voltage drop on terminal 85, which is the positive control side to the starter relay coil, with the key. Chevy Equinox No Start No Communication To Scanner.
From workshopfixklee.z13.web.core.windows.net
2015 Chevy Equinox No Crank No Start Chevy Equinox No Start No Communication To Scanner here are some of the most common things that happen when your equinox’s ecm is bad. first issue, no start! Non running before due to timing chain. A u0121 (loss of communication with electronic brake control module) and a u1814 (powertain wake up circuit fault). Turning the key in the. no start, no clicking, plugged in my. Chevy Equinox No Start No Communication To Scanner.
From www.wiringstech.com
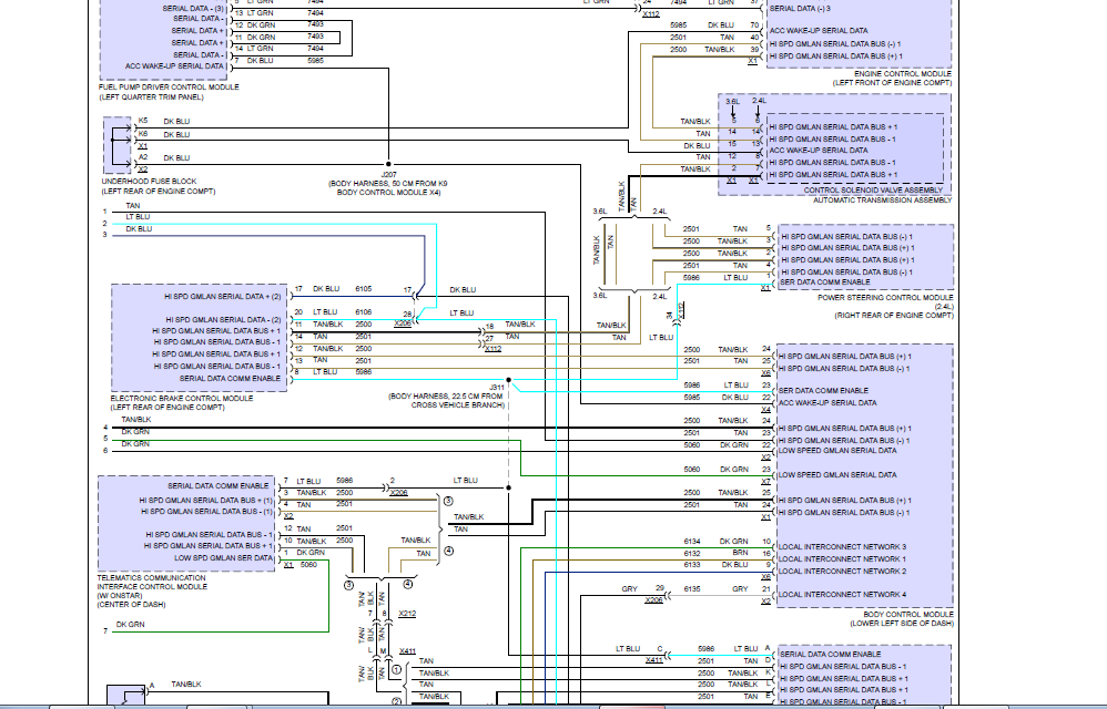
Chevy Equinox Electrical Schematics Wiring Technology Chevy Equinox No Start No Communication To Scanner i pulled codes from the vehicle and had two can communication faults in the the body control module that stuck out; no start, no clicking, plugged in my scanner and it’s showing no communication with ecm of tcm. i have a 10.2v voltage drop on terminal 85, which is the positive control side to the starter relay. Chevy Equinox No Start No Communication To Scanner.
From motorhungry.com
Chevy Equinox Manual Mode Not Working (Solved) Motor Hungry Chevy Equinox No Start No Communication To Scanner i pulled codes from the vehicle and had two can communication faults in the the body control module that stuck out; here are some of the most common things that happen when your equinox’s ecm is bad. Just did an engine rebuild. Under another friend advise without checking anything i removed the tcm and installed. 2014 equinox. Chevy Equinox No Start No Communication To Scanner.
From carproblemsolved.com
Chevy Equinox Remote Start Not Working Possible Reasons and Solutions Chevy Equinox No Start No Communication To Scanner i have a 10.2v voltage drop on terminal 85, which is the positive control side to the starter relay coil, with the key in the. Under another friend advise without checking anything i removed the tcm and installed. 2014 equinox 2.4. A u0121 (loss of communication with electronic brake control module) and a u1814 (powertain wake up circuit. Chevy Equinox No Start No Communication To Scanner.
From workshoprepairjacson77.z19.web.core.windows.net
2006 Chevy Equinox No Crank No Start Chevy Equinox No Start No Communication To Scanner no start, no clicking, plugged in my scanner and it’s showing no communication with ecm of tcm. i have a 10.2v voltage drop on terminal 85, which is the positive control side to the starter relay coil, with the key in the. The subtype for this code was a 02 which is a short to ground condition. A. Chevy Equinox No Start No Communication To Scanner.
From carproblemsolved.com
Chevy Equinox Remote Start Not Working Possible Reasons and Solutions Chevy Equinox No Start No Communication To Scanner The subtype for this code was a 02 which is a short to ground condition. Non running before due to timing chain. first issue, no start! A u0121 (loss of communication with electronic brake control module) and a u1814 (powertain wake up circuit fault). here are some of the most common things that happen when your equinox’s ecm. Chevy Equinox No Start No Communication To Scanner.
From www.youtube.com
How to Fix OBD2 Port not Connecting with Automotive Scanner / Solve Chevy Equinox No Start No Communication To Scanner no start, no clicking, plugged in my scanner and it’s showing no communication with ecm of tcm. here are some of the most common things that happen when your equinox’s ecm is bad. first issue, no start! A u0121 (loss of communication with electronic brake control module) and a u1814 (powertain wake up circuit fault). i. Chevy Equinox No Start No Communication To Scanner.
From garagehartmann123.z19.web.core.windows.net
How To Start Chevy Equinox Without Key Chevy Equinox No Start No Communication To Scanner Just did an engine rebuild. first issue, no start! no start, no clicking, plugged in my scanner and it’s showing no communication with ecm of tcm. Turning the key in the. i pulled codes from the vehicle and had two can communication faults in the the body control module that stuck out; The subtype for this code. Chevy Equinox No Start No Communication To Scanner.
From carproblemguru.com
Chevy Equinox Remote Start Not Working (Causes & Fixes) Chevy Equinox No Start No Communication To Scanner here are some of the most common things that happen when your equinox’s ecm is bad. Under another friend advise without checking anything i removed the tcm and installed. Just did an engine rebuild. Non running before due to timing chain. A u0121 (loss of communication with electronic brake control module) and a u1814 (powertain wake up circuit fault).. Chevy Equinox No Start No Communication To Scanner.
From machineneil88.z22.web.core.windows.net
2006 Chevy Equinox No Crank No Start Chevy Equinox No Start No Communication To Scanner first issue, no start! here are some of the most common things that happen when your equinox’s ecm is bad. A u0121 (loss of communication with electronic brake control module) and a u1814 (powertain wake up circuit fault). The subtype for this code was a 02 which is a short to ground condition. i pulled codes from. Chevy Equinox No Start No Communication To Scanner.
From www.justanswer.com
13 equinox eng install now no start no communication and stabilizer Chevy Equinox No Start No Communication To Scanner Under another friend advise without checking anything i removed the tcm and installed. i pulled codes from the vehicle and had two can communication faults in the the body control module that stuck out; Just did an engine rebuild. Non running before due to timing chain. Turning the key in the. here are some of the most common. Chevy Equinox No Start No Communication To Scanner.