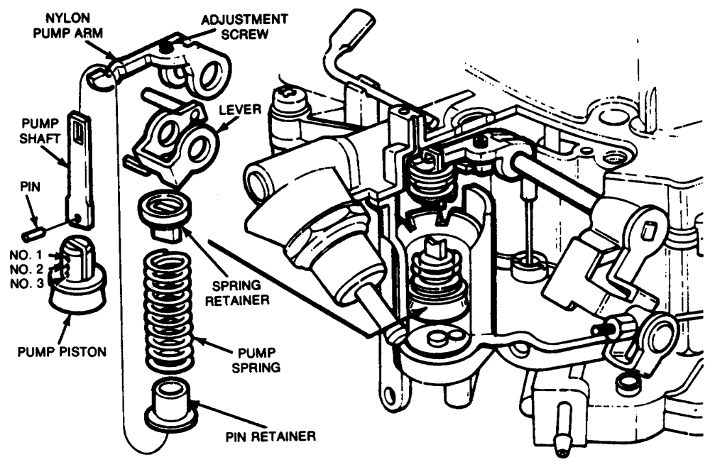
Motorcraft Carburetor Accelerator Pump . Demonstrating how i replace an accelerator diaphragm pump in a motorcraft 2100v carburetor.iif you enjoy the content and work i. Accelerator pump for some autolite / motorcraft 2 barrel 2150 carburetors. Gas should not be coming out of the discharge. Us manufactured and ethanol ready. Motorcraft 2100 accelerator pump circuit. How to test the circuit, adjusting the pump stroke. The motorcraft 2150 carburetor diagram showcases a range of components, including the fuel bowl, throttle plate, choke plate, and accelerator pump. We stock diaphragms for all motorcraft carburetors as well as. The accelerator pump circuit can be tested by filling the float bowl with mineral spirits, then pump the gas while holding down the check ball inside the main discharge. Each of these components plays a. Motorcraft 2150 accelerator pump diaphragm. On the 2100 you will not have the. These instructions can be used on the 2100 and the 2150. Find out how your accelerator pump works along with some tips about your 2 barrel.
from www.hotrod.com
These instructions can be used on the 2100 and the 2150. Gas should not be coming out of the discharge. Accelerator pump for some autolite / motorcraft 2 barrel 2150 carburetors. The accelerator pump circuit can be tested by filling the float bowl with mineral spirits, then pump the gas while holding down the check ball inside the main discharge. Motorcraft 2100 accelerator pump circuit. On the 2100 you will not have the. Find out how your accelerator pump works along with some tips about your 2 barrel. How to test the circuit, adjusting the pump stroke. Demonstrating how i replace an accelerator diaphragm pump in a motorcraft 2100v carburetor.iif you enjoy the content and work i. We stock diaphragms for all motorcraft carburetors as well as.
Rebuilding the Autolite 2100/Motorcraft 2150 carburetor Hot Rod Network
Motorcraft Carburetor Accelerator Pump Us manufactured and ethanol ready. Us manufactured and ethanol ready. These instructions can be used on the 2100 and the 2150. Accelerator pump for some autolite / motorcraft 2 barrel 2150 carburetors. The accelerator pump circuit can be tested by filling the float bowl with mineral spirits, then pump the gas while holding down the check ball inside the main discharge. Gas should not be coming out of the discharge. We stock diaphragms for all motorcraft carburetors as well as. Motorcraft 2100 accelerator pump circuit. Motorcraft 2150 accelerator pump diaphragm. Each of these components plays a. On the 2100 you will not have the. How to test the circuit, adjusting the pump stroke. Find out how your accelerator pump works along with some tips about your 2 barrel. The motorcraft 2150 carburetor diagram showcases a range of components, including the fuel bowl, throttle plate, choke plate, and accelerator pump. Demonstrating how i replace an accelerator diaphragm pump in a motorcraft 2100v carburetor.iif you enjoy the content and work i.
From www.carburetor-parts.com
Motorcraft 2100 Carburetor Adjustments Motorcraft Carburetor Accelerator Pump The accelerator pump circuit can be tested by filling the float bowl with mineral spirits, then pump the gas while holding down the check ball inside the main discharge. Each of these components plays a. Us manufactured and ethanol ready. Accelerator pump for some autolite / motorcraft 2 barrel 2150 carburetors. These instructions can be used on the 2100 and. Motorcraft Carburetor Accelerator Pump.
From www.youtube.com
Motorcraft 2150 2 Barrel Accelerator Pump Test YouTube Motorcraft Carburetor Accelerator Pump Us manufactured and ethanol ready. Gas should not be coming out of the discharge. Demonstrating how i replace an accelerator diaphragm pump in a motorcraft 2100v carburetor.iif you enjoy the content and work i. The accelerator pump circuit can be tested by filling the float bowl with mineral spirits, then pump the gas while holding down the check ball inside. Motorcraft Carburetor Accelerator Pump.
From www.youtube.com
Accelerator pump setting on a motorcraft mc2150 (mc 2100) and vacuum Motorcraft Carburetor Accelerator Pump Motorcraft 2100 accelerator pump circuit. The motorcraft 2150 carburetor diagram showcases a range of components, including the fuel bowl, throttle plate, choke plate, and accelerator pump. Each of these components plays a. On the 2100 you will not have the. We stock diaphragms for all motorcraft carburetors as well as. Accelerator pump for some autolite / motorcraft 2 barrel 2150. Motorcraft Carburetor Accelerator Pump.
From i-5automotive.com
2 Barrel MotorCraft 2150 Carburetor for 198191 Jeeps with the 304 and Motorcraft Carburetor Accelerator Pump On the 2100 you will not have the. Gas should not be coming out of the discharge. These instructions can be used on the 2100 and the 2150. The motorcraft 2150 carburetor diagram showcases a range of components, including the fuel bowl, throttle plate, choke plate, and accelerator pump. The accelerator pump circuit can be tested by filling the float. Motorcraft Carburetor Accelerator Pump.
From www.hotrod.com
Rebuilding the Autolite 2100/Motorcraft 2150 carburetor Hot Rod Network Motorcraft Carburetor Accelerator Pump Demonstrating how i replace an accelerator diaphragm pump in a motorcraft 2100v carburetor.iif you enjoy the content and work i. The motorcraft 2150 carburetor diagram showcases a range of components, including the fuel bowl, throttle plate, choke plate, and accelerator pump. How to test the circuit, adjusting the pump stroke. Each of these components plays a. Us manufactured and ethanol. Motorcraft Carburetor Accelerator Pump.
From www.carburetor-blog.com
Motorcraft 2150 2 Barrel Troubleshooting Mikes Carburetor Parts Motorcraft Carburetor Accelerator Pump We stock diaphragms for all motorcraft carburetors as well as. The motorcraft 2150 carburetor diagram showcases a range of components, including the fuel bowl, throttle plate, choke plate, and accelerator pump. Each of these components plays a. How to test the circuit, adjusting the pump stroke. Us manufactured and ethanol ready. Gas should not be coming out of the discharge.. Motorcraft Carburetor Accelerator Pump.
From i-5automotive.com
2 Barrel MotorCraft 2150 Carburetor for 198191 Jeeps with the 304 and Motorcraft Carburetor Accelerator Pump The accelerator pump circuit can be tested by filling the float bowl with mineral spirits, then pump the gas while holding down the check ball inside the main discharge. Find out how your accelerator pump works along with some tips about your 2 barrel. Gas should not be coming out of the discharge. Motorcraft 2100 accelerator pump circuit. The motorcraft. Motorcraft Carburetor Accelerator Pump.
From www.carburetor-parts.com
Motorcraft / Autolite 2barrel 2150 Accelerator Pump AP372 Motorcraft Carburetor Accelerator Pump These instructions can be used on the 2100 and the 2150. Each of these components plays a. We stock diaphragms for all motorcraft carburetors as well as. Us manufactured and ethanol ready. Demonstrating how i replace an accelerator diaphragm pump in a motorcraft 2100v carburetor.iif you enjoy the content and work i. Motorcraft 2150 accelerator pump diaphragm. Accelerator pump for. Motorcraft Carburetor Accelerator Pump.
From www.youtube.com
How the Motorcraft 2100, 2 Barrel Accelerator Pump Works YouTube Motorcraft Carburetor Accelerator Pump The accelerator pump circuit can be tested by filling the float bowl with mineral spirits, then pump the gas while holding down the check ball inside the main discharge. The motorcraft 2150 carburetor diagram showcases a range of components, including the fuel bowl, throttle plate, choke plate, and accelerator pump. Find out how your accelerator pump works along with some. Motorcraft Carburetor Accelerator Pump.
From www.autozone.com
Repair Guides Fuel System Autolite/motorcraft 2100 And 2150 Motorcraft Carburetor Accelerator Pump The motorcraft 2150 carburetor diagram showcases a range of components, including the fuel bowl, throttle plate, choke plate, and accelerator pump. Each of these components plays a. We stock diaphragms for all motorcraft carburetors as well as. These instructions can be used on the 2100 and the 2150. Find out how your accelerator pump works along with some tips about. Motorcraft Carburetor Accelerator Pump.
From www.carburetor-blog.com
Motorcraft 2100 Exploded View Mikes Carburetor Parts Motorcraft Carburetor Accelerator Pump Find out how your accelerator pump works along with some tips about your 2 barrel. Motorcraft 2150 accelerator pump diaphragm. We stock diaphragms for all motorcraft carburetors as well as. Gas should not be coming out of the discharge. Us manufactured and ethanol ready. The motorcraft 2150 carburetor diagram showcases a range of components, including the fuel bowl, throttle plate,. Motorcraft Carburetor Accelerator Pump.
From www.youtube.com
Overview of a Motorcraft 2150 Carburetor YouTube Motorcraft Carburetor Accelerator Pump Us manufactured and ethanol ready. Demonstrating how i replace an accelerator diaphragm pump in a motorcraft 2100v carburetor.iif you enjoy the content and work i. Motorcraft 2150 accelerator pump diaphragm. On the 2100 you will not have the. These instructions can be used on the 2100 and the 2150. Accelerator pump for some autolite / motorcraft 2 barrel 2150 carburetors.. Motorcraft Carburetor Accelerator Pump.
From www.carburetor-blog.com
Autolite 4100 Accelerator Diaphragm Mikes Carburetor Parts Motorcraft Carburetor Accelerator Pump Find out how your accelerator pump works along with some tips about your 2 barrel. Accelerator pump for some autolite / motorcraft 2 barrel 2150 carburetors. The accelerator pump circuit can be tested by filling the float bowl with mineral spirits, then pump the gas while holding down the check ball inside the main discharge. These instructions can be used. Motorcraft Carburetor Accelerator Pump.
From allcarbs.com
REBUILT MOTORCRAFT JEEP 360 CARBURETOR Allstate Carburetor Motorcraft Carburetor Accelerator Pump Motorcraft 2100 accelerator pump circuit. We stock diaphragms for all motorcraft carburetors as well as. How to test the circuit, adjusting the pump stroke. Each of these components plays a. Accelerator pump for some autolite / motorcraft 2 barrel 2150 carburetors. These instructions can be used on the 2100 and the 2150. Find out how your accelerator pump works along. Motorcraft Carburetor Accelerator Pump.
From www.youtube.com
Fixing My Leaky Motorcraft Carburetor accelerator pump replacement Motorcraft Carburetor Accelerator Pump Accelerator pump for some autolite / motorcraft 2 barrel 2150 carburetors. Find out how your accelerator pump works along with some tips about your 2 barrel. Motorcraft 2100 accelerator pump circuit. Us manufactured and ethanol ready. On the 2100 you will not have the. How to test the circuit, adjusting the pump stroke. The motorcraft 2150 carburetor diagram showcases a. Motorcraft Carburetor Accelerator Pump.
From www.carburetor-parts.com
Motorcraft 2100 Carburetor Adjustments Motorcraft Carburetor Accelerator Pump Accelerator pump for some autolite / motorcraft 2 barrel 2150 carburetors. How to test the circuit, adjusting the pump stroke. Demonstrating how i replace an accelerator diaphragm pump in a motorcraft 2100v carburetor.iif you enjoy the content and work i. Each of these components plays a. Gas should not be coming out of the discharge. Find out how your accelerator. Motorcraft Carburetor Accelerator Pump.
From www.ebay.ca
Ford Motorcraft & Autolite 2100 2150 4100 Accelerator Pump Diaphragm Motorcraft Carburetor Accelerator Pump On the 2100 you will not have the. Gas should not be coming out of the discharge. Motorcraft 2100 accelerator pump circuit. Motorcraft 2150 accelerator pump diaphragm. The motorcraft 2150 carburetor diagram showcases a range of components, including the fuel bowl, throttle plate, choke plate, and accelerator pump. These instructions can be used on the 2100 and the 2150. Find. Motorcraft Carburetor Accelerator Pump.
From www.hotrod.com
Rebuilding the Autolite 2100/Motorcraft 2150 carburetor Hot Rod Network Motorcraft Carburetor Accelerator Pump Motorcraft 2150 accelerator pump diaphragm. Gas should not be coming out of the discharge. How to test the circuit, adjusting the pump stroke. On the 2100 you will not have the. These instructions can be used on the 2100 and the 2150. Us manufactured and ethanol ready. Accelerator pump for some autolite / motorcraft 2 barrel 2150 carburetors. We stock. Motorcraft Carburetor Accelerator Pump.
From www.carburetor-parts.com
Motorcraft 2100 Carburetor Adjustments Motorcraft Carburetor Accelerator Pump Gas should not be coming out of the discharge. We stock diaphragms for all motorcraft carburetors as well as. How to test the circuit, adjusting the pump stroke. Demonstrating how i replace an accelerator diaphragm pump in a motorcraft 2100v carburetor.iif you enjoy the content and work i. Find out how your accelerator pump works along with some tips about. Motorcraft Carburetor Accelerator Pump.
From www.carburetor-parts.com
2150 Accelerator Pump Diaphragms Motorcraft Carburetor Accelerator Pump How to test the circuit, adjusting the pump stroke. The motorcraft 2150 carburetor diagram showcases a range of components, including the fuel bowl, throttle plate, choke plate, and accelerator pump. We stock diaphragms for all motorcraft carburetors as well as. Demonstrating how i replace an accelerator diaphragm pump in a motorcraft 2100v carburetor.iif you enjoy the content and work i.. Motorcraft Carburetor Accelerator Pump.
From www.amazon.com
New Carburetor Two 2 Barrel Carburetor Carb 2100 2150 Motorcraft Carburetor Accelerator Pump On the 2100 you will not have the. The motorcraft 2150 carburetor diagram showcases a range of components, including the fuel bowl, throttle plate, choke plate, and accelerator pump. Motorcraft 2150 accelerator pump diaphragm. Demonstrating how i replace an accelerator diaphragm pump in a motorcraft 2100v carburetor.iif you enjoy the content and work i. Us manufactured and ethanol ready. How. Motorcraft Carburetor Accelerator Pump.
From www.garysgaragemahal.com
MOTORCRAFT 2150 Motorcraft Carburetor Accelerator Pump Gas should not be coming out of the discharge. On the 2100 you will not have the. The motorcraft 2150 carburetor diagram showcases a range of components, including the fuel bowl, throttle plate, choke plate, and accelerator pump. How to test the circuit, adjusting the pump stroke. Accelerator pump for some autolite / motorcraft 2 barrel 2150 carburetors. Each of. Motorcraft Carburetor Accelerator Pump.
From www.dellortoshop.com
Motorcraft Variable Venturi carburetor parts Motorcraft Carburetor Accelerator Pump These instructions can be used on the 2100 and the 2150. Motorcraft 2150 accelerator pump diaphragm. Motorcraft 2100 accelerator pump circuit. The motorcraft 2150 carburetor diagram showcases a range of components, including the fuel bowl, throttle plate, choke plate, and accelerator pump. Demonstrating how i replace an accelerator diaphragm pump in a motorcraft 2100v carburetor.iif you enjoy the content and. Motorcraft Carburetor Accelerator Pump.
From www.autozone.com
Repair Guides Carbureted Fuel System Carburetors Motorcraft Carburetor Accelerator Pump We stock diaphragms for all motorcraft carburetors as well as. Motorcraft 2100 accelerator pump circuit. Motorcraft 2150 accelerator pump diaphragm. Demonstrating how i replace an accelerator diaphragm pump in a motorcraft 2100v carburetor.iif you enjoy the content and work i. Each of these components plays a. These instructions can be used on the 2100 and the 2150. How to test. Motorcraft Carburetor Accelerator Pump.
From www.carburetor-blog.com
How a Carburetor Works Accelerator Pump Mikes Carburetor Parts Motorcraft Carburetor Accelerator Pump Motorcraft 2100 accelerator pump circuit. The accelerator pump circuit can be tested by filling the float bowl with mineral spirits, then pump the gas while holding down the check ball inside the main discharge. Find out how your accelerator pump works along with some tips about your 2 barrel. On the 2100 you will not have the. Gas should not. Motorcraft Carburetor Accelerator Pump.
From www.autozone.com
Repair Guides Fuel System Autolite/motorcraft 4300 And 4350 4bbl Motorcraft Carburetor Accelerator Pump The motorcraft 2150 carburetor diagram showcases a range of components, including the fuel bowl, throttle plate, choke plate, and accelerator pump. The accelerator pump circuit can be tested by filling the float bowl with mineral spirits, then pump the gas while holding down the check ball inside the main discharge. Each of these components plays a. On the 2100 you. Motorcraft Carburetor Accelerator Pump.
From www.mustangdepot.ca
Motorcraft Carburetor 2 & 4 Barrel Accelerator Pump Diaphragm CM2092 Motorcraft Carburetor Accelerator Pump We stock diaphragms for all motorcraft carburetors as well as. Motorcraft 2150 accelerator pump diaphragm. The motorcraft 2150 carburetor diagram showcases a range of components, including the fuel bowl, throttle plate, choke plate, and accelerator pump. How to test the circuit, adjusting the pump stroke. Demonstrating how i replace an accelerator diaphragm pump in a motorcraft 2100v carburetor.iif you enjoy. Motorcraft Carburetor Accelerator Pump.
From www.hotrod.com
Rebuilding the Autolite 2100/Motorcraft 2150 carburetor Hot Rod Network Motorcraft Carburetor Accelerator Pump Accelerator pump for some autolite / motorcraft 2 barrel 2150 carburetors. On the 2100 you will not have the. Us manufactured and ethanol ready. How to test the circuit, adjusting the pump stroke. These instructions can be used on the 2100 and the 2150. The motorcraft 2150 carburetor diagram showcases a range of components, including the fuel bowl, throttle plate,. Motorcraft Carburetor Accelerator Pump.
From www.hotrod.com
Rebuilding the Autolite 2100/Motorcraft 2150 carburetor Hot Rod Network Motorcraft Carburetor Accelerator Pump Find out how your accelerator pump works along with some tips about your 2 barrel. Us manufactured and ethanol ready. We stock diaphragms for all motorcraft carburetors as well as. How to test the circuit, adjusting the pump stroke. Each of these components plays a. The accelerator pump circuit can be tested by filling the float bowl with mineral spirits,. Motorcraft Carburetor Accelerator Pump.
From www.carburetor-blog.com
Motorcraft 2100 Accelerator Pump Mikes Carburetor Parts Motorcraft Carburetor Accelerator Pump How to test the circuit, adjusting the pump stroke. Motorcraft 2100 accelerator pump circuit. These instructions can be used on the 2100 and the 2150. Motorcraft 2150 accelerator pump diaphragm. Accelerator pump for some autolite / motorcraft 2 barrel 2150 carburetors. Us manufactured and ethanol ready. Find out how your accelerator pump works along with some tips about your 2. Motorcraft Carburetor Accelerator Pump.
From www.carburetor-blog.com
Autolite 4300 Accelerator Pump Mikes Carburetor Parts Motorcraft Carburetor Accelerator Pump Each of these components plays a. The motorcraft 2150 carburetor diagram showcases a range of components, including the fuel bowl, throttle plate, choke plate, and accelerator pump. Us manufactured and ethanol ready. Motorcraft 2100 accelerator pump circuit. Find out how your accelerator pump works along with some tips about your 2 barrel. These instructions can be used on the 2100. Motorcraft Carburetor Accelerator Pump.
From www.hotrod.com
Rebuilding the Autolite 2100/Motorcraft 2150 carburetor Hot Rod Network Motorcraft Carburetor Accelerator Pump Motorcraft 2100 accelerator pump circuit. Gas should not be coming out of the discharge. Each of these components plays a. Motorcraft 2150 accelerator pump diaphragm. Find out how your accelerator pump works along with some tips about your 2 barrel. Demonstrating how i replace an accelerator diaphragm pump in a motorcraft 2100v carburetor.iif you enjoy the content and work i.. Motorcraft Carburetor Accelerator Pump.
From www.fullsizebronco.com
4350 motorcraft accelerator pump lever??? Ford Bronco Forum Motorcraft Carburetor Accelerator Pump How to test the circuit, adjusting the pump stroke. Motorcraft 2150 accelerator pump diaphragm. Gas should not be coming out of the discharge. Demonstrating how i replace an accelerator diaphragm pump in a motorcraft 2100v carburetor.iif you enjoy the content and work i. These instructions can be used on the 2100 and the 2150. The accelerator pump circuit can be. Motorcraft Carburetor Accelerator Pump.
From allcarbs.com
REBUILT MOTORCRAFT JEEP CARBURETOR Allstate Carburetor Motorcraft Carburetor Accelerator Pump Motorcraft 2100 accelerator pump circuit. Find out how your accelerator pump works along with some tips about your 2 barrel. Us manufactured and ethanol ready. Motorcraft 2150 accelerator pump diaphragm. Gas should not be coming out of the discharge. These instructions can be used on the 2100 and the 2150. How to test the circuit, adjusting the pump stroke. Demonstrating. Motorcraft Carburetor Accelerator Pump.
From www.youtube.com
Motorcraft rebuilt carburetor installation 302 Ford YouTube Motorcraft Carburetor Accelerator Pump These instructions can be used on the 2100 and the 2150. Accelerator pump for some autolite / motorcraft 2 barrel 2150 carburetors. Us manufactured and ethanol ready. Gas should not be coming out of the discharge. Demonstrating how i replace an accelerator diaphragm pump in a motorcraft 2100v carburetor.iif you enjoy the content and work i. Motorcraft 2150 accelerator pump. Motorcraft Carburetor Accelerator Pump.