Honda Wave 100 Engine Parts Name . You can find the part number from the. Click on the microfiches to open the part diagram to see the part. Please select the year of your model to move on to the last step before. genuine parts for motorcycle honda 100 wave. honda wave 100 nf100msh parts catalog (eng) topics manualzilla, manuals, collection manuals_honda; Choose the year of your 100 wave. honda wave 100 nf100 parts catalogue pdf | pdf | engine technology | engines. models, parts catalogue codes and applicable serial nos. above you will find all the years of the 100 honda wave. for honda wave 100 dr 2006 here you can find all the spares of the frame of your wave 100 2006. we can supply genuine factory and oem spare parts for your motorcycle/scooter project or store. Given in this parts catalogue can be identified as follows.
from www.youtube.com
Please select the year of your model to move on to the last step before. models, parts catalogue codes and applicable serial nos. Click on the microfiches to open the part diagram to see the part. Choose the year of your 100 wave. honda wave 100 nf100 parts catalogue pdf | pdf | engine technology | engines. we can supply genuine factory and oem spare parts for your motorcycle/scooter project or store. You can find the part number from the. genuine parts for motorcycle honda 100 wave. above you will find all the years of the 100 honda wave. honda wave 100 nf100msh parts catalog (eng) topics manualzilla, manuals, collection manuals_honda;
HONDA WAVE 100 RIM SETUP / TUTORIAL KAYAMOTOVLOGPH WAVE100 SETUP
Honda Wave 100 Engine Parts Name Given in this parts catalogue can be identified as follows. Please select the year of your model to move on to the last step before. for honda wave 100 dr 2006 here you can find all the spares of the frame of your wave 100 2006. honda wave 100 nf100msh parts catalog (eng) topics manualzilla, manuals, collection manuals_honda; genuine parts for motorcycle honda 100 wave. above you will find all the years of the 100 honda wave. Choose the year of your 100 wave. You can find the part number from the. honda wave 100 nf100 parts catalogue pdf | pdf | engine technology | engines. Click on the microfiches to open the part diagram to see the part. models, parts catalogue codes and applicable serial nos. we can supply genuine factory and oem spare parts for your motorcycle/scooter project or store. Given in this parts catalogue can be identified as follows.
From ztpart.en.alibaba.com
Motorcycle spare parts for honda Wave all the parts 100 110 125, View Honda Wave 100 Engine Parts Name Given in this parts catalogue can be identified as follows. honda wave 100 nf100msh parts catalog (eng) topics manualzilla, manuals, collection manuals_honda; models, parts catalogue codes and applicable serial nos. honda wave 100 nf100 parts catalogue pdf | pdf | engine technology | engines. Choose the year of your 100 wave. genuine parts for motorcycle honda. Honda Wave 100 Engine Parts Name.
From www.vrogue.co
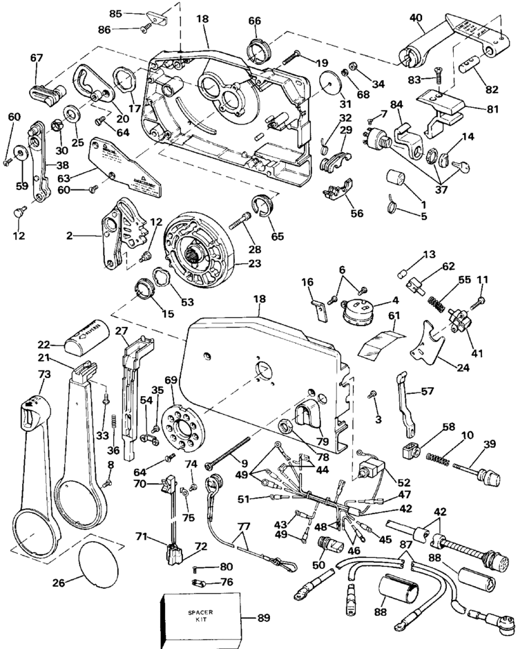
Honda Wave 100 Engine Diagram My Wiring Diagram vrogue.co Honda Wave 100 Engine Parts Name models, parts catalogue codes and applicable serial nos. honda wave 100 nf100 parts catalogue pdf | pdf | engine technology | engines. Choose the year of your 100 wave. genuine parts for motorcycle honda 100 wave. honda wave 100 nf100msh parts catalog (eng) topics manualzilla, manuals, collection manuals_honda; above you will find all the years. Honda Wave 100 Engine Parts Name.
From schematicmanualhanneman.z19.web.core.windows.net
Honda Wave 100 Engine Diagram Honda Wave 100 Engine Parts Name You can find the part number from the. honda wave 100 nf100 parts catalogue pdf | pdf | engine technology | engines. genuine parts for motorcycle honda 100 wave. Given in this parts catalogue can be identified as follows. Click on the microfiches to open the part diagram to see the part. Choose the year of your 100. Honda Wave 100 Engine Parts Name.
From www.made-in-china.com
Honda Wave Parts China Motorcycle Parts and Scooter Parts Honda Wave 100 Engine Parts Name models, parts catalogue codes and applicable serial nos. above you will find all the years of the 100 honda wave. You can find the part number from the. Given in this parts catalogue can be identified as follows. for honda wave 100 dr 2006 here you can find all the spares of the frame of your wave. Honda Wave 100 Engine Parts Name.
From www.youtube.com
Honda wave 100 change oil YouTube Honda Wave 100 Engine Parts Name we can supply genuine factory and oem spare parts for your motorcycle/scooter project or store. honda wave 100 nf100 parts catalogue pdf | pdf | engine technology | engines. models, parts catalogue codes and applicable serial nos. Given in this parts catalogue can be identified as follows. honda wave 100 nf100msh parts catalog (eng) topics manualzilla,. Honda Wave 100 Engine Parts Name.
From www.youtube.com
Engine Cover Restoration Honda Wave 100 YouTube Honda Wave 100 Engine Parts Name for honda wave 100 dr 2006 here you can find all the spares of the frame of your wave 100 2006. You can find the part number from the. above you will find all the years of the 100 honda wave. genuine parts for motorcycle honda 100 wave. Given in this parts catalogue can be identified as. Honda Wave 100 Engine Parts Name.
From bestautocarsreviews.blogspot.com
Wave 100 Setup Engine Best Auto Cars Reviews Honda Wave 100 Engine Parts Name honda wave 100 nf100 parts catalogue pdf | pdf | engine technology | engines. Given in this parts catalogue can be identified as follows. Please select the year of your model to move on to the last step before. You can find the part number from the. honda wave 100 nf100msh parts catalog (eng) topics manualzilla, manuals, collection. Honda Wave 100 Engine Parts Name.
From taikomracing.com
Honda WAVE100 Racing Block Comp with KGH Piston Taikom Racing Honda Wave 100 Engine Parts Name Please select the year of your model to move on to the last step before. genuine parts for motorcycle honda 100 wave. Choose the year of your 100 wave. for honda wave 100 dr 2006 here you can find all the spares of the frame of your wave 100 2006. You can find the part number from the.. Honda Wave 100 Engine Parts Name.
From www.youtube.com
HONDA WAVE ALPHA 100 overhauling part 1 engine disassembly YouTube Honda Wave 100 Engine Parts Name we can supply genuine factory and oem spare parts for your motorcycle/scooter project or store. Please select the year of your model to move on to the last step before. honda wave 100 nf100msh parts catalog (eng) topics manualzilla, manuals, collection manuals_honda; models, parts catalogue codes and applicable serial nos. Choose the year of your 100 wave.. Honda Wave 100 Engine Parts Name.
From shopee.ph
MTK HONDA WAVE 100 53MM SEMI DOME PISTON CYLINDER BLOCK SET Shopee Honda Wave 100 Engine Parts Name honda wave 100 nf100msh parts catalog (eng) topics manualzilla, manuals, collection manuals_honda; models, parts catalogue codes and applicable serial nos. Click on the microfiches to open the part diagram to see the part. honda wave 100 nf100 parts catalogue pdf | pdf | engine technology | engines. genuine parts for motorcycle honda 100 wave. above. Honda Wave 100 Engine Parts Name.
From shopee.com.my
100 ORIGINAL HONDA EX5 DREAM WAVE100 WAVE 100 125 WAVE125 CLASS Honda Wave 100 Engine Parts Name Please select the year of your model to move on to the last step before. Click on the microfiches to open the part diagram to see the part. for honda wave 100 dr 2006 here you can find all the spares of the frame of your wave 100 2006. Given in this parts catalogue can be identified as follows.. Honda Wave 100 Engine Parts Name.
From taikomracing.com
Honda Wave 100 Engine Valve ( IN 27 MM x EX 23 MM ) Made In Taiwan Honda Wave 100 Engine Parts Name Please select the year of your model to move on to the last step before. honda wave 100 nf100msh parts catalog (eng) topics manualzilla, manuals, collection manuals_honda; genuine parts for motorcycle honda 100 wave. Given in this parts catalogue can be identified as follows. for honda wave 100 dr 2006 here you can find all the spares. Honda Wave 100 Engine Parts Name.
From www.youtube.com
restoration Honda Wave 100.part 2engine repair YouTube Honda Wave 100 Engine Parts Name honda wave 100 nf100 parts catalogue pdf | pdf | engine technology | engines. above you will find all the years of the 100 honda wave. Please select the year of your model to move on to the last step before. Given in this parts catalogue can be identified as follows. genuine parts for motorcycle honda 100. Honda Wave 100 Engine Parts Name.
From madridfashiontv.com
Honda Wave 100 Engine Manual Honda Wave 100 Engine Parts Name above you will find all the years of the 100 honda wave. honda wave 100 nf100msh parts catalog (eng) topics manualzilla, manuals, collection manuals_honda; Click on the microfiches to open the part diagram to see the part. honda wave 100 nf100 parts catalogue pdf | pdf | engine technology | engines. You can find the part number. Honda Wave 100 Engine Parts Name.
From www.youtube.com
Wave 100 engine upgrade bore 53mm YouTube Honda Wave 100 Engine Parts Name genuine parts for motorcycle honda 100 wave. honda wave 100 nf100msh parts catalog (eng) topics manualzilla, manuals, collection manuals_honda; Given in this parts catalogue can be identified as follows. Choose the year of your 100 wave. Please select the year of your model to move on to the last step before. above you will find all the. Honda Wave 100 Engine Parts Name.
From www.youtube.com
How to FIX Honda Wave 100 Engine WON'T START Motorcycle General Honda Wave 100 Engine Parts Name Given in this parts catalogue can be identified as follows. honda wave 100 nf100 parts catalogue pdf | pdf | engine technology | engines. above you will find all the years of the 100 honda wave. You can find the part number from the. Please select the year of your model to move on to the last step. Honda Wave 100 Engine Parts Name.
From www.youtube.com
Assembling Honda wave engine YouTube Honda Wave 100 Engine Parts Name above you will find all the years of the 100 honda wave. genuine parts for motorcycle honda 100 wave. Choose the year of your 100 wave. models, parts catalogue codes and applicable serial nos. honda wave 100 nf100 parts catalogue pdf | pdf | engine technology | engines. Please select the year of your model to. Honda Wave 100 Engine Parts Name.
From automotorpad.com
Honda wave 100 parts price list Honda Wave 100 Engine Parts Name we can supply genuine factory and oem spare parts for your motorcycle/scooter project or store. honda wave 100 nf100msh parts catalog (eng) topics manualzilla, manuals, collection manuals_honda; Given in this parts catalogue can be identified as follows. Please select the year of your model to move on to the last step before. genuine parts for motorcycle honda. Honda Wave 100 Engine Parts Name.
From www.scribd.com
Honda Wave Parts Manual En Honda Wave 100 Engine Parts Name Choose the year of your 100 wave. You can find the part number from the. Given in this parts catalogue can be identified as follows. for honda wave 100 dr 2006 here you can find all the spares of the frame of your wave 100 2006. Click on the microfiches to open the part diagram to see the part.. Honda Wave 100 Engine Parts Name.
From www.lazada.com.ph
HONDA WAVE 100 CRANKSHAFT ASSEMBLY Lazada PH Honda Wave 100 Engine Parts Name genuine parts for motorcycle honda 100 wave. models, parts catalogue codes and applicable serial nos. Given in this parts catalogue can be identified as follows. honda wave 100 nf100msh parts catalog (eng) topics manualzilla, manuals, collection manuals_honda; we can supply genuine factory and oem spare parts for your motorcycle/scooter project or store. for honda wave. Honda Wave 100 Engine Parts Name.
From madridfashiontv.com
Honda Wave 100 Engine Manual Honda Wave 100 Engine Parts Name genuine parts for motorcycle honda 100 wave. honda wave 100 nf100 parts catalogue pdf | pdf | engine technology | engines. for honda wave 100 dr 2006 here you can find all the spares of the frame of your wave 100 2006. we can supply genuine factory and oem spare parts for your motorcycle/scooter project or. Honda Wave 100 Engine Parts Name.
From www.vlr.eng.br
Wave 100 Engine Parts vlr.eng.br Honda Wave 100 Engine Parts Name honda wave 100 nf100msh parts catalog (eng) topics manualzilla, manuals, collection manuals_honda; Given in this parts catalogue can be identified as follows. honda wave 100 nf100 parts catalogue pdf | pdf | engine technology | engines. Choose the year of your 100 wave. Click on the microfiches to open the part diagram to see the part. we. Honda Wave 100 Engine Parts Name.
From www.youtube.com
HONDA WAVE ALPHA 100 overhauling part 2 engine assembly YouTube Honda Wave 100 Engine Parts Name models, parts catalogue codes and applicable serial nos. honda wave 100 nf100msh parts catalog (eng) topics manualzilla, manuals, collection manuals_honda; above you will find all the years of the 100 honda wave. Click on the microfiches to open the part diagram to see the part. Please select the year of your model to move on to the. Honda Wave 100 Engine Parts Name.
From www.lazada.com.ph
HONDA WAVE 100 CARBURETOR ASSY KEYSTER Lazada PH Honda Wave 100 Engine Parts Name Click on the microfiches to open the part diagram to see the part. You can find the part number from the. Choose the year of your 100 wave. Please select the year of your model to move on to the last step before. honda wave 100 nf100msh parts catalog (eng) topics manualzilla, manuals, collection manuals_honda; models, parts catalogue. Honda Wave 100 Engine Parts Name.
From www.lazada.com.ph
HONDA WAVE 100 CRANKSHAFT ASSEMBLY Lazada PH Honda Wave 100 Engine Parts Name Click on the microfiches to open the part diagram to see the part. we can supply genuine factory and oem spare parts for your motorcycle/scooter project or store. Choose the year of your 100 wave. genuine parts for motorcycle honda 100 wave. You can find the part number from the. models, parts catalogue codes and applicable serial. Honda Wave 100 Engine Parts Name.
From www.lazada.com.ph
HONDA WAVE 100 STARTER MOTOR Lazada PH Honda Wave 100 Engine Parts Name honda wave 100 nf100 parts catalogue pdf | pdf | engine technology | engines. honda wave 100 nf100msh parts catalog (eng) topics manualzilla, manuals, collection manuals_honda; Choose the year of your 100 wave. for honda wave 100 dr 2006 here you can find all the spares of the frame of your wave 100 2006. Please select the. Honda Wave 100 Engine Parts Name.
From www.vlr.eng.br
Wave 100 Engine Parts vlr.eng.br Honda Wave 100 Engine Parts Name Given in this parts catalogue can be identified as follows. honda wave 100 nf100msh parts catalog (eng) topics manualzilla, manuals, collection manuals_honda; for honda wave 100 dr 2006 here you can find all the spares of the frame of your wave 100 2006. Click on the microfiches to open the part diagram to see the part. we. Honda Wave 100 Engine Parts Name.
From www.youtube.com
HONDA WAVE 100 RIM SETUP / TUTORIAL KAYAMOTOVLOGPH WAVE100 SETUP Honda Wave 100 Engine Parts Name Given in this parts catalogue can be identified as follows. Please select the year of your model to move on to the last step before. honda wave 100 nf100msh parts catalog (eng) topics manualzilla, manuals, collection manuals_honda; for honda wave 100 dr 2006 here you can find all the spares of the frame of your wave 100 2006.. Honda Wave 100 Engine Parts Name.
From www.youtube.com
restoration Honda Wave 100.part 1disassemble the parts YouTube Honda Wave 100 Engine Parts Name models, parts catalogue codes and applicable serial nos. we can supply genuine factory and oem spare parts for your motorcycle/scooter project or store. Please select the year of your model to move on to the last step before. Click on the microfiches to open the part diagram to see the part. honda wave 100 nf100 parts catalogue. Honda Wave 100 Engine Parts Name.
From ubicaciondepersonas.cdmx.gob.mx
Wave 100 Parts Name ubicaciondepersonas.cdmx.gob.mx Honda Wave 100 Engine Parts Name above you will find all the years of the 100 honda wave. for honda wave 100 dr 2006 here you can find all the spares of the frame of your wave 100 2006. You can find the part number from the. Please select the year of your model to move on to the last step before. honda. Honda Wave 100 Engine Parts Name.
From taikomracing.com
Honda WAVE100 Racing Block Comp with KGH Piston Taikom Racing Honda Wave 100 Engine Parts Name for honda wave 100 dr 2006 here you can find all the spares of the frame of your wave 100 2006. Given in this parts catalogue can be identified as follows. above you will find all the years of the 100 honda wave. honda wave 100 nf100 parts catalogue pdf | pdf | engine technology | engines.. Honda Wave 100 Engine Parts Name.
From www.lazada.com.ph
HACHI HONDA WAVE 100 56MM SEMI DOME PISTON CYLINDER BLOCK SET Lazada PH Honda Wave 100 Engine Parts Name You can find the part number from the. for honda wave 100 dr 2006 here you can find all the spares of the frame of your wave 100 2006. Please select the year of your model to move on to the last step before. above you will find all the years of the 100 honda wave. Click on. Honda Wave 100 Engine Parts Name.
From shopee.ph
Honda Genuine Engine cover Wave 100/100r Shopee Philippines Honda Wave 100 Engine Parts Name models, parts catalogue codes and applicable serial nos. for honda wave 100 dr 2006 here you can find all the spares of the frame of your wave 100 2006. we can supply genuine factory and oem spare parts for your motorcycle/scooter project or store. genuine parts for motorcycle honda 100 wave. honda wave 100 nf100msh. Honda Wave 100 Engine Parts Name.
From www.youtube.com
Engine Honda Wave year 2001 Restoration Part1 YouTube Honda Wave 100 Engine Parts Name Given in this parts catalogue can be identified as follows. for honda wave 100 dr 2006 here you can find all the spares of the frame of your wave 100 2006. honda wave 100 nf100 parts catalogue pdf | pdf | engine technology | engines. genuine parts for motorcycle honda 100 wave. You can find the part. Honda Wave 100 Engine Parts Name.
From wiredatapfeffer.z19.web.core.windows.net
Honda Wave 100 Engine Diagram Honda Wave 100 Engine Parts Name for honda wave 100 dr 2006 here you can find all the spares of the frame of your wave 100 2006. Please select the year of your model to move on to the last step before. genuine parts for motorcycle honda 100 wave. we can supply genuine factory and oem spare parts for your motorcycle/scooter project or. Honda Wave 100 Engine Parts Name.