Yamaha J38 Engine Rebuild . Cylinder bores trued, straightened, and crosshatched, new rings, new gasket kit, new seals, new valve guide. I have 5 or 6 cylinder blocks, some are already bored with pistons, i have 3 or 4 crankshafts that i had welded up and turned. I have a question though. “you need to ship us a rebuildable core first or pay a core deposit to get the rebuilt engine first”. J38 engine out of g2. More than 10 available64 sold. Thanks to my other post i have gotten all my issues fixed. Seven2carts specializes in following engine rebuilds: In this video, we finally get the yamaha g2 golf cart with the j38 motor back together. An engine rebuild kit is available for yamaha golf carts, allowing you to replace the parts that need replacing when the engine fails. Get the best deals for yamaha j38 engine rebuild kit at ebay.com. A customer brought us a j38. With alot of technical advice from. We have a great online selection at the lowest prices with fast & free shipping.
from www.cmsnl.com
Thanks to my other post i have gotten all my issues fixed. Cylinder bores trued, straightened, and crosshatched, new rings, new gasket kit, new seals, new valve guide. With alot of technical advice from. I have 5 or 6 cylinder blocks, some are already bored with pistons, i have 3 or 4 crankshafts that i had welded up and turned. An engine rebuild kit is available for yamaha golf carts, allowing you to replace the parts that need replacing when the engine fails. More than 10 available64 sold. J38 engine out of g2. “you need to ship us a rebuildable core first or pay a core deposit to get the rebuilt engine first”. We have a great online selection at the lowest prices with fast & free shipping. Seven2carts specializes in following engine rebuilds:
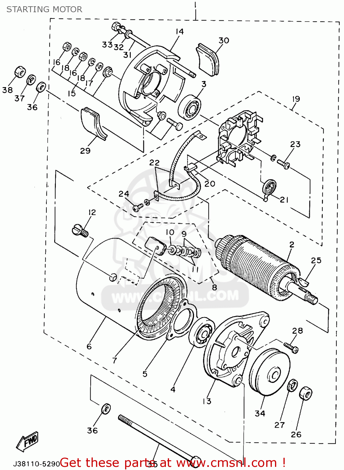
J384632103 Shaft, Input Yamaha buy the J384632103 at CMSNL
Yamaha J38 Engine Rebuild Thanks to my other post i have gotten all my issues fixed. I have 5 or 6 cylinder blocks, some are already bored with pistons, i have 3 or 4 crankshafts that i had welded up and turned. We have a great online selection at the lowest prices with fast & free shipping. With alot of technical advice from. Cylinder bores trued, straightened, and crosshatched, new rings, new gasket kit, new seals, new valve guide. J38 engine out of g2. Seven2carts specializes in following engine rebuilds: I have a question though. More than 10 available64 sold. A customer brought us a j38. Get the best deals for yamaha j38 engine rebuild kit at ebay.com. “you need to ship us a rebuildable core first or pay a core deposit to get the rebuilt engine first”. Thanks to my other post i have gotten all my issues fixed. An engine rebuild kit is available for yamaha golf carts, allowing you to replace the parts that need replacing when the engine fails. In this video, we finally get the yamaha g2 golf cart with the j38 motor back together.
From klaxbvluw.blob.core.windows.net
Yamaha J38 Engine Parts at Willie Storey blog Yamaha J38 Engine Rebuild I have 5 or 6 cylinder blocks, some are already bored with pistons, i have 3 or 4 crankshafts that i had welded up and turned. Cylinder bores trued, straightened, and crosshatched, new rings, new gasket kit, new seals, new valve guide. An engine rebuild kit is available for yamaha golf carts, allowing you to replace the parts that need. Yamaha J38 Engine Rebuild.
From precisionengineeringstl.com
Yamaha J38 Engine Remanufacture and Exchange Yamaha J38 Engine Rebuild In this video, we finally get the yamaha g2 golf cart with the j38 motor back together. Thanks to my other post i have gotten all my issues fixed. A customer brought us a j38. “you need to ship us a rebuildable core first or pay a core deposit to get the rebuilt engine first”. I have a question though.. Yamaha J38 Engine Rebuild.
From klaxbvluw.blob.core.windows.net
Yamaha J38 Engine Parts at Willie Storey blog Yamaha J38 Engine Rebuild Cylinder bores trued, straightened, and crosshatched, new rings, new gasket kit, new seals, new valve guide. More than 10 available64 sold. A customer brought us a j38. In this video, we finally get the yamaha g2 golf cart with the j38 motor back together. Thanks to my other post i have gotten all my issues fixed. An engine rebuild kit. Yamaha J38 Engine Rebuild.
From precisionengineeringstl.com
Yamaha J38 Engine Remanufacture and Exchange Yamaha J38 Engine Rebuild More than 10 available64 sold. Thanks to my other post i have gotten all my issues fixed. I have 5 or 6 cylinder blocks, some are already bored with pistons, i have 3 or 4 crankshafts that i had welded up and turned. Cylinder bores trued, straightened, and crosshatched, new rings, new gasket kit, new seals, new valve guide. I. Yamaha J38 Engine Rebuild.
From klaxbvluw.blob.core.windows.net
Yamaha J38 Engine Parts at Willie Storey blog Yamaha J38 Engine Rebuild We have a great online selection at the lowest prices with fast & free shipping. Seven2carts specializes in following engine rebuilds: I have 5 or 6 cylinder blocks, some are already bored with pistons, i have 3 or 4 crankshafts that i had welded up and turned. J38 engine out of g2. In this video, we finally get the yamaha. Yamaha J38 Engine Rebuild.
From exoiprwdg.blob.core.windows.net
Yamaha J38 Engine Rebuild Kit at Judy Rickard blog Yamaha J38 Engine Rebuild J38 engine out of g2. I have 5 or 6 cylinder blocks, some are already bored with pistons, i have 3 or 4 crankshafts that i had welded up and turned. Seven2carts specializes in following engine rebuilds: We have a great online selection at the lowest prices with fast & free shipping. A customer brought us a j38. Get the. Yamaha J38 Engine Rebuild.
From www.ebay.com
Exchange(NEED CORE) Remanufactured Yamaha J38 Golf Cart Engine G2G9 Yamaha J38 Engine Rebuild More than 10 available64 sold. J38 engine out of g2. Get the best deals for yamaha j38 engine rebuild kit at ebay.com. An engine rebuild kit is available for yamaha golf carts, allowing you to replace the parts that need replacing when the engine fails. We have a great online selection at the lowest prices with fast & free shipping.. Yamaha J38 Engine Rebuild.
From www.ebay.com
Exchange(NEED CORE) Remanufactured Yamaha J38 Golf Cart Engine G2G9 Yamaha J38 Engine Rebuild We have a great online selection at the lowest prices with fast & free shipping. Get the best deals for yamaha j38 engine rebuild kit at ebay.com. A customer brought us a j38. In this video, we finally get the yamaha g2 golf cart with the j38 motor back together. I have 5 or 6 cylinder blocks, some are already. Yamaha J38 Engine Rebuild.
From www.youtube.com
Yamaha G2 Golf cart J38 engine rebuild part 2 (She Runs!) YouTube Yamaha J38 Engine Rebuild More than 10 available64 sold. With alot of technical advice from. We have a great online selection at the lowest prices with fast & free shipping. I have 5 or 6 cylinder blocks, some are already bored with pistons, i have 3 or 4 crankshafts that i had welded up and turned. In this video, we finally get the yamaha. Yamaha J38 Engine Rebuild.
From exoiprwdg.blob.core.windows.net
Yamaha J38 Engine Rebuild Kit at Judy Rickard blog Yamaha J38 Engine Rebuild I have 5 or 6 cylinder blocks, some are already bored with pistons, i have 3 or 4 crankshafts that i had welded up and turned. I have a question though. J38 engine out of g2. An engine rebuild kit is available for yamaha golf carts, allowing you to replace the parts that need replacing when the engine fails. More. Yamaha J38 Engine Rebuild.
From www.cmsnl.com
J381215101 Arm, Valve Rocker Yamaha buy the J381215101 at CMSNL Yamaha J38 Engine Rebuild A customer brought us a j38. J38 engine out of g2. Cylinder bores trued, straightened, and crosshatched, new rings, new gasket kit, new seals, new valve guide. Thanks to my other post i have gotten all my issues fixed. We have a great online selection at the lowest prices with fast & free shipping. Seven2carts specializes in following engine rebuilds:. Yamaha J38 Engine Rebuild.
From thaipick.com
ไดรฟ์คลัทช์ สำหรับ Yamaha 198595 G2 G8 G9 G14 รถกอล์ฟ Rebuild Kit J38 Yamaha J38 Engine Rebuild J38 engine out of g2. We have a great online selection at the lowest prices with fast & free shipping. Get the best deals for yamaha j38 engine rebuild kit at ebay.com. Cylinder bores trued, straightened, and crosshatched, new rings, new gasket kit, new seals, new valve guide. In this video, we finally get the yamaha g2 golf cart with. Yamaha J38 Engine Rebuild.
From precisionengineeringstl.com
Yamaha J38 Engine Remanufacture and Exchange Yamaha J38 Engine Rebuild I have 5 or 6 cylinder blocks, some are already bored with pistons, i have 3 or 4 crankshafts that i had welded up and turned. Seven2carts specializes in following engine rebuilds: “you need to ship us a rebuildable core first or pay a core deposit to get the rebuilt engine first”. With alot of technical advice from. More than. Yamaha J38 Engine Rebuild.
From www.amazon.com
Carbhub Carburetor Kit for Yamaha Golf Cart Gas Club Car G2 Yamaha J38 Engine Rebuild With alot of technical advice from. A customer brought us a j38. Get the best deals for yamaha j38 engine rebuild kit at ebay.com. J38 engine out of g2. An engine rebuild kit is available for yamaha golf carts, allowing you to replace the parts that need replacing when the engine fails. We have a great online selection at the. Yamaha J38 Engine Rebuild.
From precisionengineeringstl.com
Yamaha J38 Engine Remanufacture and Exchange Yamaha J38 Engine Rebuild “you need to ship us a rebuildable core first or pay a core deposit to get the rebuilt engine first”. I have 5 or 6 cylinder blocks, some are already bored with pistons, i have 3 or 4 crankshafts that i had welded up and turned. With alot of technical advice from. We have a great online selection at the. Yamaha J38 Engine Rebuild.
From www.amazon.ca
Carburetor J381410100 J381410101 J381410102 Replacement for Yamaha J38 Engine Rebuild We have a great online selection at the lowest prices with fast & free shipping. Thanks to my other post i have gotten all my issues fixed. J38 engine out of g2. Cylinder bores trued, straightened, and crosshatched, new rings, new gasket kit, new seals, new valve guide. Seven2carts specializes in following engine rebuilds: I have a question though. A. Yamaha J38 Engine Rebuild.
From www.ebay.com
J381410100 Yamaha Golf Cart Gas Car G2 G5 G8 G9 G11 4Cycle Stroke Yamaha J38 Engine Rebuild Cylinder bores trued, straightened, and crosshatched, new rings, new gasket kit, new seals, new valve guide. An engine rebuild kit is available for yamaha golf carts, allowing you to replace the parts that need replacing when the engine fails. I have 5 or 6 cylinder blocks, some are already bored with pistons, i have 3 or 4 crankshafts that i. Yamaha J38 Engine Rebuild.
From www.ebay.com
Oem Yamaha J38 285cc G2 Gas Golf Cart Engine Piston And Rod Used Free Yamaha J38 Engine Rebuild More than 10 available64 sold. I have a question though. “you need to ship us a rebuildable core first or pay a core deposit to get the rebuilt engine first”. We have a great online selection at the lowest prices with fast & free shipping. A customer brought us a j38. With alot of technical advice from. I have 5. Yamaha J38 Engine Rebuild.
From www.ebay.com
Exchange(NEED CORE) Remanufactured Yamaha J38 Golf Cart Engine G2G9 Yamaha J38 Engine Rebuild I have 5 or 6 cylinder blocks, some are already bored with pistons, i have 3 or 4 crankshafts that i had welded up and turned. We have a great online selection at the lowest prices with fast & free shipping. “you need to ship us a rebuildable core first or pay a core deposit to get the rebuilt engine. Yamaha J38 Engine Rebuild.
From www.ebay.ca
Exchange(NEED CORE) Remanufactured Yamaha J38 Golf Cart Engine G2G9 Yamaha J38 Engine Rebuild We have a great online selection at the lowest prices with fast & free shipping. Cylinder bores trued, straightened, and crosshatched, new rings, new gasket kit, new seals, new valve guide. Seven2carts specializes in following engine rebuilds: J38 engine out of g2. With alot of technical advice from. Thanks to my other post i have gotten all my issues fixed.. Yamaha J38 Engine Rebuild.
From www.ebay.com
Exchange(NEED CORE) Remanufactured Yamaha J38 Golf Cart Engine G2G9 Yamaha J38 Engine Rebuild An engine rebuild kit is available for yamaha golf carts, allowing you to replace the parts that need replacing when the engine fails. J38 engine out of g2. I have 5 or 6 cylinder blocks, some are already bored with pistons, i have 3 or 4 crankshafts that i had welded up and turned. Seven2carts specializes in following engine rebuilds:. Yamaha J38 Engine Rebuild.
From precisionengineeringstl.com
Yamaha J38 Engine Remanufacture and Exchange Yamaha J38 Engine Rebuild We have a great online selection at the lowest prices with fast & free shipping. Thanks to my other post i have gotten all my issues fixed. A customer brought us a j38. With alot of technical advice from. Get the best deals for yamaha j38 engine rebuild kit at ebay.com. More than 10 available64 sold. An engine rebuild kit. Yamaha J38 Engine Rebuild.
From www.ebay.com
Yamaha j38 g2 g9 golf cart engine motor gas eBay Yamaha J38 Engine Rebuild An engine rebuild kit is available for yamaha golf carts, allowing you to replace the parts that need replacing when the engine fails. More than 10 available64 sold. A customer brought us a j38. With alot of technical advice from. Cylinder bores trued, straightened, and crosshatched, new rings, new gasket kit, new seals, new valve guide. I have a question. Yamaha J38 Engine Rebuild.
From exoiprwdg.blob.core.windows.net
Yamaha J38 Engine Rebuild Kit at Judy Rickard blog Yamaha J38 Engine Rebuild Cylinder bores trued, straightened, and crosshatched, new rings, new gasket kit, new seals, new valve guide. “you need to ship us a rebuildable core first or pay a core deposit to get the rebuilt engine first”. An engine rebuild kit is available for yamaha golf carts, allowing you to replace the parts that need replacing when the engine fails. J38. Yamaha J38 Engine Rebuild.
From www.cmsnl.com
J384632103 Shaft, Input Yamaha buy the J384632103 at CMSNL Yamaha J38 Engine Rebuild I have a question though. Seven2carts specializes in following engine rebuilds: In this video, we finally get the yamaha g2 golf cart with the j38 motor back together. A customer brought us a j38. I have 5 or 6 cylinder blocks, some are already bored with pistons, i have 3 or 4 crankshafts that i had welded up and turned.. Yamaha J38 Engine Rebuild.
From www.nettivene.com
Yamaha engine 1975 Pori Nettivene Yamaha J38 Engine Rebuild We have a great online selection at the lowest prices with fast & free shipping. Get the best deals for yamaha j38 engine rebuild kit at ebay.com. A customer brought us a j38. More than 10 available64 sold. Cylinder bores trued, straightened, and crosshatched, new rings, new gasket kit, new seals, new valve guide. Seven2carts specializes in following engine rebuilds:. Yamaha J38 Engine Rebuild.
From www.ebay.com
Oem Yamaha J38 285cc G2 Gas Golf Cart Engine Piston And Rod Used Free Yamaha J38 Engine Rebuild Thanks to my other post i have gotten all my issues fixed. A customer brought us a j38. Seven2carts specializes in following engine rebuilds: Get the best deals for yamaha j38 engine rebuild kit at ebay.com. An engine rebuild kit is available for yamaha golf carts, allowing you to replace the parts that need replacing when the engine fails. In. Yamaha J38 Engine Rebuild.
From mayena1ay9fixmachine.z13.web.core.windows.net
Yamaha J38 Engine Parts Yamaha J38 Engine Rebuild With alot of technical advice from. “you need to ship us a rebuildable core first or pay a core deposit to get the rebuilt engine first”. J38 engine out of g2. Cylinder bores trued, straightened, and crosshatched, new rings, new gasket kit, new seals, new valve guide. A customer brought us a j38. I have a question though. An engine. Yamaha J38 Engine Rebuild.
From exoiprwdg.blob.core.windows.net
Yamaha J38 Engine Rebuild Kit at Judy Rickard blog Yamaha J38 Engine Rebuild “you need to ship us a rebuildable core first or pay a core deposit to get the rebuilt engine first”. With alot of technical advice from. I have a question though. Thanks to my other post i have gotten all my issues fixed. Seven2carts specializes in following engine rebuilds: An engine rebuild kit is available for yamaha golf carts, allowing. Yamaha J38 Engine Rebuild.
From www.cmsnl.com
J388111010 Stator Assy Yamaha buy the J388111010 at CMSNL Yamaha J38 Engine Rebuild I have a question though. Cylinder bores trued, straightened, and crosshatched, new rings, new gasket kit, new seals, new valve guide. A customer brought us a j38. More than 10 available64 sold. In this video, we finally get the yamaha g2 golf cart with the j38 motor back together. “you need to ship us a rebuildable core first or pay. Yamaha J38 Engine Rebuild.
From www.aliexpress.com
J381410100 J381410101 J381410102 Carburetor Replacement For Yamaha J38 Engine Rebuild Cylinder bores trued, straightened, and crosshatched, new rings, new gasket kit, new seals, new valve guide. In this video, we finally get the yamaha g2 golf cart with the j38 motor back together. “you need to ship us a rebuildable core first or pay a core deposit to get the rebuilt engine first”. An engine rebuild kit is available for. Yamaha J38 Engine Rebuild.
From golf-faq.com
How To Rebild A Yamaha Golf Cart Engine Yamaha J38 Engine Rebuild We have a great online selection at the lowest prices with fast & free shipping. Thanks to my other post i have gotten all my issues fixed. J38 engine out of g2. Cylinder bores trued, straightened, and crosshatched, new rings, new gasket kit, new seals, new valve guide. A customer brought us a j38. With alot of technical advice from.. Yamaha J38 Engine Rebuild.
From precisionengineeringstl.com
Yamaha J38 Engine Remanufacture and Exchange Yamaha J38 Engine Rebuild Get the best deals for yamaha j38 engine rebuild kit at ebay.com. With alot of technical advice from. I have a question though. I have 5 or 6 cylinder blocks, some are already bored with pistons, i have 3 or 4 crankshafts that i had welded up and turned. “you need to ship us a rebuildable core first or pay. Yamaha J38 Engine Rebuild.
From www.cmsnl.com
J381410101 Carburetor Assy 1 Yamaha buy the J381410101 at CMSNL Yamaha J38 Engine Rebuild Get the best deals for yamaha j38 engine rebuild kit at ebay.com. Seven2carts specializes in following engine rebuilds: J38 engine out of g2. I have 5 or 6 cylinder blocks, some are already bored with pistons, i have 3 or 4 crankshafts that i had welded up and turned. “you need to ship us a rebuildable core first or pay. Yamaha J38 Engine Rebuild.
From www.amazon.com
Gaoshun Engine Rebuild Kit Gasket Seal for Yamaha Golf Cart Yamaha J38 Engine Rebuild An engine rebuild kit is available for yamaha golf carts, allowing you to replace the parts that need replacing when the engine fails. Thanks to my other post i have gotten all my issues fixed. J38 engine out of g2. With alot of technical advice from. I have 5 or 6 cylinder blocks, some are already bored with pistons, i. Yamaha J38 Engine Rebuild.