Snorkel Lift Tb60 Service Manual . refer to appropriate snorkel operators manual for detailed instructions on the proper use and maintenance. We have 1 snorkel tb60 manual available for free pdf download: The platform™ is a 24/7 ordering system with access to manuals,. manuals and user guides for snorkel tb60. tb60/tb66j telescopic boom lifts † powerful diesel telescopic boom lifts † available with and without a jib boom †. view and download snorkel tb60 operator's manual online. find factory original service repair manuals, operator, electrical wiring and parts catalogs for snorkel lift tb60. find genuine snorkel spare parts and service manuals for your aerial work platform online. Tb60 boom lifts pdf manual download.
from www.epcatalogs.com
view and download snorkel tb60 operator's manual online. find factory original service repair manuals, operator, electrical wiring and parts catalogs for snorkel lift tb60. Tb60 boom lifts pdf manual download. refer to appropriate snorkel operators manual for detailed instructions on the proper use and maintenance. The platform™ is a 24/7 ordering system with access to manuals,. tb60/tb66j telescopic boom lifts † powerful diesel telescopic boom lifts † available with and without a jib boom †. find genuine snorkel spare parts and service manuals for your aerial work platform online. We have 1 snorkel tb60 manual available for free pdf download: manuals and user guides for snorkel tb60.
Terex TB60/TB66 Aerials SelfPropelled Boom Lift Set of Manuals
Snorkel Lift Tb60 Service Manual The platform™ is a 24/7 ordering system with access to manuals,. manuals and user guides for snorkel tb60. find genuine snorkel spare parts and service manuals for your aerial work platform online. view and download snorkel tb60 operator's manual online. tb60/tb66j telescopic boom lifts † powerful diesel telescopic boom lifts † available with and without a jib boom †. The platform™ is a 24/7 ordering system with access to manuals,. Tb60 boom lifts pdf manual download. refer to appropriate snorkel operators manual for detailed instructions on the proper use and maintenance. find factory original service repair manuals, operator, electrical wiring and parts catalogs for snorkel lift tb60. We have 1 snorkel tb60 manual available for free pdf download:
From diyrepairmanuals.com
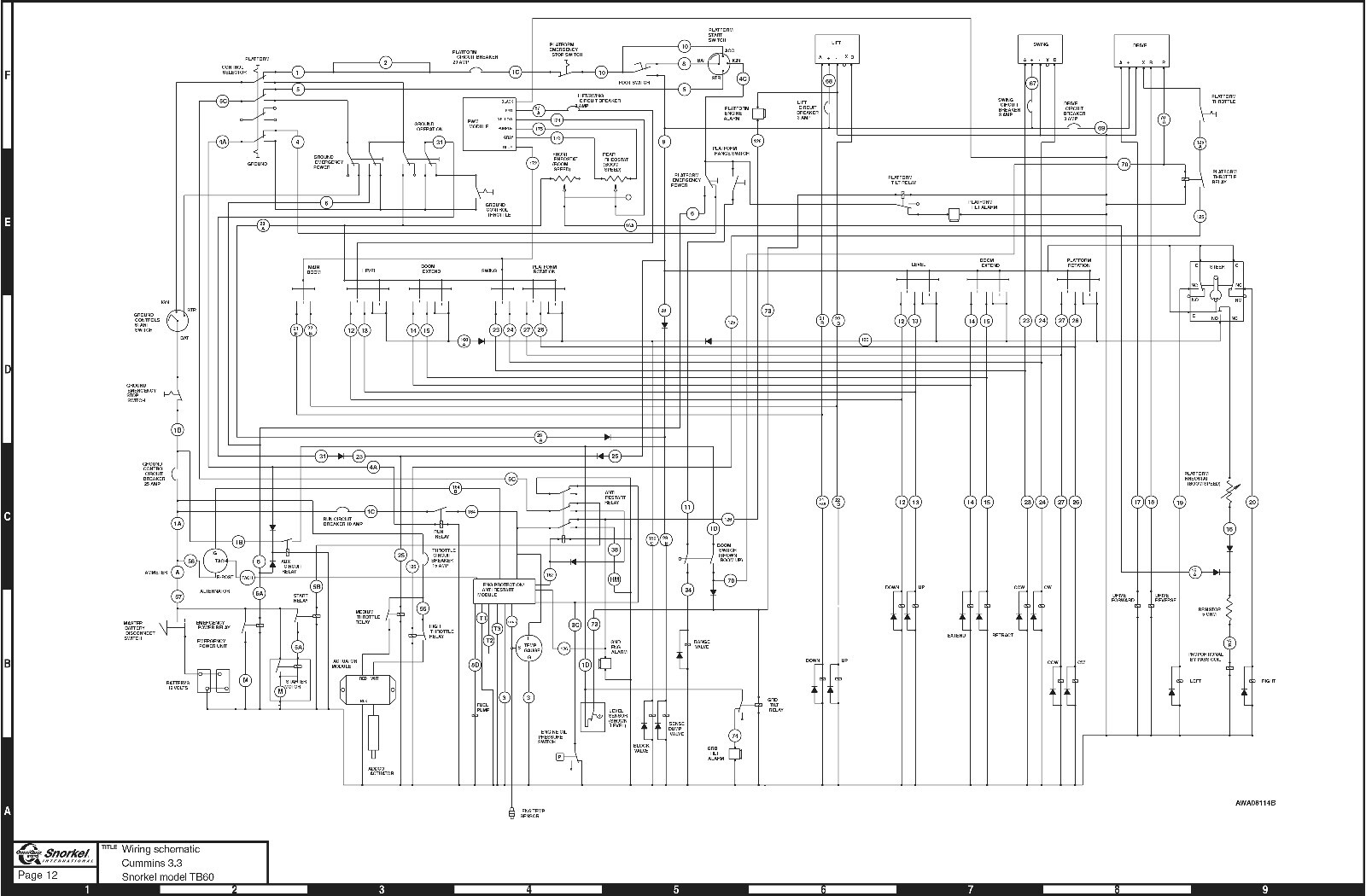
Snorkel TB60 Lift Electric Wiring Diagram Manual DIY Repair Manuals Snorkel Lift Tb60 Service Manual We have 1 snorkel tb60 manual available for free pdf download: Tb60 boom lifts pdf manual download. The platform™ is a 24/7 ordering system with access to manuals,. refer to appropriate snorkel operators manual for detailed instructions on the proper use and maintenance. tb60/tb66j telescopic boom lifts † powerful diesel telescopic boom lifts † available with and without. Snorkel Lift Tb60 Service Manual.
From egyptfasr847.weebly.com
Snorkel Lift Tb 60 Repair Manual egyptfasr Snorkel Lift Tb60 Service Manual find genuine snorkel spare parts and service manuals for your aerial work platform online. The platform™ is a 24/7 ordering system with access to manuals,. manuals and user guides for snorkel tb60. tb60/tb66j telescopic boom lifts † powerful diesel telescopic boom lifts † available with and without a jib boom †. refer to appropriate snorkel operators. Snorkel Lift Tb60 Service Manual.
From schematiclibraryschulze.z19.web.core.windows.net
Snorkel Lift Manuals Snorkel Lift Tb60 Service Manual find factory original service repair manuals, operator, electrical wiring and parts catalogs for snorkel lift tb60. view and download snorkel tb60 operator's manual online. find genuine snorkel spare parts and service manuals for your aerial work platform online. tb60/tb66j telescopic boom lifts † powerful diesel telescopic boom lifts † available with and without a jib boom. Snorkel Lift Tb60 Service Manual.
From manualmachine.com
Snorkel TB60 User Manual Snorkel Lift Tb60 Service Manual We have 1 snorkel tb60 manual available for free pdf download: The platform™ is a 24/7 ordering system with access to manuals,. refer to appropriate snorkel operators manual for detailed instructions on the proper use and maintenance. manuals and user guides for snorkel tb60. find factory original service repair manuals, operator, electrical wiring and parts catalogs for. Snorkel Lift Tb60 Service Manual.
From toreperni1979.mystrikingly.com
Snorkel Lift Tb 60 Repair Manual Snorkel Lift Tb60 Service Manual refer to appropriate snorkel operators manual for detailed instructions on the proper use and maintenance. find genuine snorkel spare parts and service manuals for your aerial work platform online. manuals and user guides for snorkel tb60. We have 1 snorkel tb60 manual available for free pdf download: The platform™ is a 24/7 ordering system with access to. Snorkel Lift Tb60 Service Manual.
From prostarrental.com
2007 SNORKEL TB60 MAN LIFT Snorkel Lift Tb60 Service Manual view and download snorkel tb60 operator's manual online. manuals and user guides for snorkel tb60. The platform™ is a 24/7 ordering system with access to manuals,. find genuine snorkel spare parts and service manuals for your aerial work platform online. find factory original service repair manuals, operator, electrical wiring and parts catalogs for snorkel lift tb60.. Snorkel Lift Tb60 Service Manual.
From dhtauto.com
Snorkel Lifts Full Set Manual Automotive Software, Repair Manuals Snorkel Lift Tb60 Service Manual Tb60 boom lifts pdf manual download. We have 1 snorkel tb60 manual available for free pdf download: manuals and user guides for snorkel tb60. find genuine snorkel spare parts and service manuals for your aerial work platform online. refer to appropriate snorkel operators manual for detailed instructions on the proper use and maintenance. view and download. Snorkel Lift Tb60 Service Manual.
From ivunitgo1981.mystrikingly.com
Snorkel Lift Tb 60 Repair Manual Snorkel Lift Tb60 Service Manual find genuine snorkel spare parts and service manuals for your aerial work platform online. tb60/tb66j telescopic boom lifts † powerful diesel telescopic boom lifts † available with and without a jib boom †. view and download snorkel tb60 operator's manual online. Tb60 boom lifts pdf manual download. We have 1 snorkel tb60 manual available for free pdf. Snorkel Lift Tb60 Service Manual.
From fasrkb305.weebly.com
Snorkel Lift Tb 60 Repair Manual fasrkb Snorkel Lift Tb60 Service Manual We have 1 snorkel tb60 manual available for free pdf download: find genuine snorkel spare parts and service manuals for your aerial work platform online. find factory original service repair manuals, operator, electrical wiring and parts catalogs for snorkel lift tb60. Tb60 boom lifts pdf manual download. refer to appropriate snorkel operators manual for detailed instructions on. Snorkel Lift Tb60 Service Manual.
From autoepcservice.com
Snorkel Lifts All Model Full Set Manual Snorkel Lift Tb60 Service Manual tb60/tb66j telescopic boom lifts † powerful diesel telescopic boom lifts † available with and without a jib boom †. The platform™ is a 24/7 ordering system with access to manuals,. find factory original service repair manuals, operator, electrical wiring and parts catalogs for snorkel lift tb60. Tb60 boom lifts pdf manual download. We have 1 snorkel tb60 manual. Snorkel Lift Tb60 Service Manual.
From twentywheels.com
2006 Snorkel Tb60 Boom Lift 4x4 Cummins Diesel 66 ' Working Man Lift Snorkel Lift Tb60 Service Manual The platform™ is a 24/7 ordering system with access to manuals,. manuals and user guides for snorkel tb60. find factory original service repair manuals, operator, electrical wiring and parts catalogs for snorkel lift tb60. Tb60 boom lifts pdf manual download. refer to appropriate snorkel operators manual for detailed instructions on the proper use and maintenance. find. Snorkel Lift Tb60 Service Manual.
From manualmachine.com
Snorkel TB60 User Manual Snorkel Lift Tb60 Service Manual manuals and user guides for snorkel tb60. The platform™ is a 24/7 ordering system with access to manuals,. find genuine snorkel spare parts and service manuals for your aerial work platform online. find factory original service repair manuals, operator, electrical wiring and parts catalogs for snorkel lift tb60. We have 1 snorkel tb60 manual available for free. Snorkel Lift Tb60 Service Manual.
From egyptfasr847.weebly.com
Snorkel Lift Tb 60 Repair Manual egyptfasr Snorkel Lift Tb60 Service Manual refer to appropriate snorkel operators manual for detailed instructions on the proper use and maintenance. find genuine snorkel spare parts and service manuals for your aerial work platform online. view and download snorkel tb60 operator's manual online. The platform™ is a 24/7 ordering system with access to manuals,. tb60/tb66j telescopic boom lifts † powerful diesel telescopic. Snorkel Lift Tb60 Service Manual.
From twentywheels.com
2006 Snorkel Tb60 Boom Lift 4x4 Cummins Diesel 66 ' Working Man Lift Snorkel Lift Tb60 Service Manual Tb60 boom lifts pdf manual download. find factory original service repair manuals, operator, electrical wiring and parts catalogs for snorkel lift tb60. manuals and user guides for snorkel tb60. find genuine snorkel spare parts and service manuals for your aerial work platform online. We have 1 snorkel tb60 manual available for free pdf download: view and. Snorkel Lift Tb60 Service Manual.
From www.canlift.ca
Snorkel TB60 4X4 Boom Lift for Sale or Rent CanLift Snorkel Lift Tb60 Service Manual find genuine snorkel spare parts and service manuals for your aerial work platform online. view and download snorkel tb60 operator's manual online. Tb60 boom lifts pdf manual download. manuals and user guides for snorkel tb60. tb60/tb66j telescopic boom lifts † powerful diesel telescopic boom lifts † available with and without a jib boom †. We have. Snorkel Lift Tb60 Service Manual.
From circuitenginejonathan.z13.web.core.windows.net
Snorkel Boom Lift Repair Parts Manual Snorkel Lift Tb60 Service Manual refer to appropriate snorkel operators manual for detailed instructions on the proper use and maintenance. manuals and user guides for snorkel tb60. We have 1 snorkel tb60 manual available for free pdf download: Tb60 boom lifts pdf manual download. view and download snorkel tb60 operator's manual online. tb60/tb66j telescopic boom lifts † powerful diesel telescopic boom. Snorkel Lift Tb60 Service Manual.
From www.manualslib.com
SNORKEL TB60 OPERATOR'S MANUAL Pdf Download ManualsLib Snorkel Lift Tb60 Service Manual manuals and user guides for snorkel tb60. Tb60 boom lifts pdf manual download. We have 1 snorkel tb60 manual available for free pdf download: refer to appropriate snorkel operators manual for detailed instructions on the proper use and maintenance. tb60/tb66j telescopic boom lifts † powerful diesel telescopic boom lifts † available with and without a jib boom. Snorkel Lift Tb60 Service Manual.
From diyrepairmanuals.com
Snorkel TB60 Lift Shop Service Repair Troubleshooting Guide Manual Snorkel Lift Tb60 Service Manual find genuine snorkel spare parts and service manuals for your aerial work platform online. view and download snorkel tb60 operator's manual online. find factory original service repair manuals, operator, electrical wiring and parts catalogs for snorkel lift tb60. refer to appropriate snorkel operators manual for detailed instructions on the proper use and maintenance. We have 1. Snorkel Lift Tb60 Service Manual.
From manualmachine.com
Snorkel TB60 User Manual Snorkel Lift Tb60 Service Manual tb60/tb66j telescopic boom lifts † powerful diesel telescopic boom lifts † available with and without a jib boom †. find factory original service repair manuals, operator, electrical wiring and parts catalogs for snorkel lift tb60. view and download snorkel tb60 operator's manual online. Tb60 boom lifts pdf manual download. refer to appropriate snorkel operators manual for. Snorkel Lift Tb60 Service Manual.
From schematicdbpfeiffer.z19.web.core.windows.net
Snorkel Lift Parts Manual Snorkel Lift Tb60 Service Manual The platform™ is a 24/7 ordering system with access to manuals,. find genuine snorkel spare parts and service manuals for your aerial work platform online. We have 1 snorkel tb60 manual available for free pdf download: find factory original service repair manuals, operator, electrical wiring and parts catalogs for snorkel lift tb60. manuals and user guides for. Snorkel Lift Tb60 Service Manual.
From www.ebay.com
Snorkel Lift TB60 Repair Service Shop Manual eBay Snorkel Lift Tb60 Service Manual find genuine snorkel spare parts and service manuals for your aerial work platform online. refer to appropriate snorkel operators manual for detailed instructions on the proper use and maintenance. The platform™ is a 24/7 ordering system with access to manuals,. view and download snorkel tb60 operator's manual online. Tb60 boom lifts pdf manual download. We have 1. Snorkel Lift Tb60 Service Manual.
From www.epcatalogs.com
Terex TB60/TB66 Aerials SelfPropelled Boom Lift Set of Manuals Snorkel Lift Tb60 Service Manual We have 1 snorkel tb60 manual available for free pdf download: view and download snorkel tb60 operator's manual online. find genuine snorkel spare parts and service manuals for your aerial work platform online. Tb60 boom lifts pdf manual download. manuals and user guides for snorkel tb60. find factory original service repair manuals, operator, electrical wiring and. Snorkel Lift Tb60 Service Manual.
From nativeunicfirst.weebly.com
Snorkel Lift Tb 60 Repair Manual nativeunicfirst Snorkel Lift Tb60 Service Manual manuals and user guides for snorkel tb60. tb60/tb66j telescopic boom lifts † powerful diesel telescopic boom lifts † available with and without a jib boom †. Tb60 boom lifts pdf manual download. view and download snorkel tb60 operator's manual online. find genuine snorkel spare parts and service manuals for your aerial work platform online. find. Snorkel Lift Tb60 Service Manual.
From www.epcatalogs.com
Terex TB60/TB66 Aerials SelfPropelled Boom Lift Set of Manuals Snorkel Lift Tb60 Service Manual find genuine snorkel spare parts and service manuals for your aerial work platform online. Tb60 boom lifts pdf manual download. tb60/tb66j telescopic boom lifts † powerful diesel telescopic boom lifts † available with and without a jib boom †. The platform™ is a 24/7 ordering system with access to manuals,. refer to appropriate snorkel operators manual for. Snorkel Lift Tb60 Service Manual.
From ivunitgo1981.mystrikingly.com
Snorkel Lift Tb 60 Repair Manual Snorkel Lift Tb60 Service Manual refer to appropriate snorkel operators manual for detailed instructions on the proper use and maintenance. find genuine snorkel spare parts and service manuals for your aerial work platform online. manuals and user guides for snorkel tb60. We have 1 snorkel tb60 manual available for free pdf download: The platform™ is a 24/7 ordering system with access to. Snorkel Lift Tb60 Service Manual.
From manualmachine.com
Snorkel TB60 User Manual Snorkel Lift Tb60 Service Manual manuals and user guides for snorkel tb60. We have 1 snorkel tb60 manual available for free pdf download: refer to appropriate snorkel operators manual for detailed instructions on the proper use and maintenance. find genuine snorkel spare parts and service manuals for your aerial work platform online. find factory original service repair manuals, operator, electrical wiring. Snorkel Lift Tb60 Service Manual.
From bestufiles836.weebly.com
Snorkel Lift Tb 60 Repair Manual bestufiles Snorkel Lift Tb60 Service Manual The platform™ is a 24/7 ordering system with access to manuals,. We have 1 snorkel tb60 manual available for free pdf download: tb60/tb66j telescopic boom lifts † powerful diesel telescopic boom lifts † available with and without a jib boom †. view and download snorkel tb60 operator's manual online. find genuine snorkel spare parts and service manuals. Snorkel Lift Tb60 Service Manual.
From www.ebay.com
Snorkel TB60 Aerial Boom Lift Electrical Wiring Diagram Schematic Snorkel Lift Tb60 Service Manual tb60/tb66j telescopic boom lifts † powerful diesel telescopic boom lifts † available with and without a jib boom †. manuals and user guides for snorkel tb60. We have 1 snorkel tb60 manual available for free pdf download: The platform™ is a 24/7 ordering system with access to manuals,. find factory original service repair manuals, operator, electrical wiring. Snorkel Lift Tb60 Service Manual.
From forkliftmanuals.com
Snorkel TB60 Lift Owner Operator Maintanance Manual Snorkel Lift Tb60 Service Manual manuals and user guides for snorkel tb60. We have 1 snorkel tb60 manual available for free pdf download: find genuine snorkel spare parts and service manuals for your aerial work platform online. find factory original service repair manuals, operator, electrical wiring and parts catalogs for snorkel lift tb60. tb60/tb66j telescopic boom lifts † powerful diesel telescopic. Snorkel Lift Tb60 Service Manual.
From www.manualslib.com
Snorkel TB60 Manuals ManualsLib Snorkel Lift Tb60 Service Manual find genuine snorkel spare parts and service manuals for your aerial work platform online. manuals and user guides for snorkel tb60. find factory original service repair manuals, operator, electrical wiring and parts catalogs for snorkel lift tb60. The platform™ is a 24/7 ordering system with access to manuals,. view and download snorkel tb60 operator's manual online.. Snorkel Lift Tb60 Service Manual.
From www.epcatalogs.com
Terex TB60/TB66 Aerials SelfPropelled Boom Lift Set of Manuals Snorkel Lift Tb60 Service Manual find factory original service repair manuals, operator, electrical wiring and parts catalogs for snorkel lift tb60. We have 1 snorkel tb60 manual available for free pdf download: refer to appropriate snorkel operators manual for detailed instructions on the proper use and maintenance. find genuine snorkel spare parts and service manuals for your aerial work platform online. . Snorkel Lift Tb60 Service Manual.
From manualmachine.com
Snorkel TB60 User Manual Snorkel Lift Tb60 Service Manual tb60/tb66j telescopic boom lifts † powerful diesel telescopic boom lifts † available with and without a jib boom †. We have 1 snorkel tb60 manual available for free pdf download: The platform™ is a 24/7 ordering system with access to manuals,. refer to appropriate snorkel operators manual for detailed instructions on the proper use and maintenance. find. Snorkel Lift Tb60 Service Manual.
From guidelibraryapril.z14.web.core.windows.net
Snorkel Lift Tb60 Service Manual Snorkel Lift Tb60 Service Manual find factory original service repair manuals, operator, electrical wiring and parts catalogs for snorkel lift tb60. find genuine snorkel spare parts and service manuals for your aerial work platform online. We have 1 snorkel tb60 manual available for free pdf download: refer to appropriate snorkel operators manual for detailed instructions on the proper use and maintenance. . Snorkel Lift Tb60 Service Manual.
From prostarrental.com
2007 SNORKEL TB60 MAN LIFT Snorkel Lift Tb60 Service Manual find factory original service repair manuals, operator, electrical wiring and parts catalogs for snorkel lift tb60. refer to appropriate snorkel operators manual for detailed instructions on the proper use and maintenance. Tb60 boom lifts pdf manual download. We have 1 snorkel tb60 manual available for free pdf download: find genuine snorkel spare parts and service manuals for. Snorkel Lift Tb60 Service Manual.
From truckmanualshub.com
Snorkel Lifts Operation, Service and Maintenance Manuals PDF Snorkel Lift Tb60 Service Manual find genuine snorkel spare parts and service manuals for your aerial work platform online. Tb60 boom lifts pdf manual download. manuals and user guides for snorkel tb60. refer to appropriate snorkel operators manual for detailed instructions on the proper use and maintenance. find factory original service repair manuals, operator, electrical wiring and parts catalogs for snorkel. Snorkel Lift Tb60 Service Manual.