Scotsman Ice Machine Parts List . Cooled, water cooled and remote air cooled c0330, c0530, c0630, c0830, c1030 ice machines. this is the illustrated parts list for the scn60. this is the illustrated parts list for the cu50 cube ice machines. Easily filter our scotsman ice maker to find the exact replacement. There are two models, one is a gravity drain and the other includes a drain. shop for genuine scotsman ice maker from top manufacturers. When ordering a service part,. this is the illustrated parts list for the sccg50m and the sccp50m residential ice machines. find scotsman genuine service parts for your ice machine and learn how to use them properly. this part list contains the service parts for the air.
from www.nt-ice.com
this is the illustrated parts list for the sccg50m and the sccp50m residential ice machines. Cooled, water cooled and remote air cooled c0330, c0530, c0630, c0830, c1030 ice machines. There are two models, one is a gravity drain and the other includes a drain. this part list contains the service parts for the air. find scotsman genuine service parts for your ice machine and learn how to use them properly. When ordering a service part,. shop for genuine scotsman ice maker from top manufacturers. this is the illustrated parts list for the scn60. Easily filter our scotsman ice maker to find the exact replacement. this is the illustrated parts list for the cu50 cube ice machines.
Scotsman Prodigy C0330 Parts Diagram Parts & Accessories
Scotsman Ice Machine Parts List find scotsman genuine service parts for your ice machine and learn how to use them properly. find scotsman genuine service parts for your ice machine and learn how to use them properly. Cooled, water cooled and remote air cooled c0330, c0530, c0630, c0830, c1030 ice machines. Easily filter our scotsman ice maker to find the exact replacement. When ordering a service part,. this part list contains the service parts for the air. this is the illustrated parts list for the cu50 cube ice machines. this is the illustrated parts list for the sccg50m and the sccp50m residential ice machines. There are two models, one is a gravity drain and the other includes a drain. this is the illustrated parts list for the scn60. shop for genuine scotsman ice maker from top manufacturers.
From guidewetbenchps.z14.web.core.windows.net
Scotsman Ice Machine Parts List Scotsman Ice Machine Parts List When ordering a service part,. Cooled, water cooled and remote air cooled c0330, c0530, c0630, c0830, c1030 ice machines. shop for genuine scotsman ice maker from top manufacturers. There are two models, one is a gravity drain and the other includes a drain. find scotsman genuine service parts for your ice machine and learn how to use them. Scotsman Ice Machine Parts List.
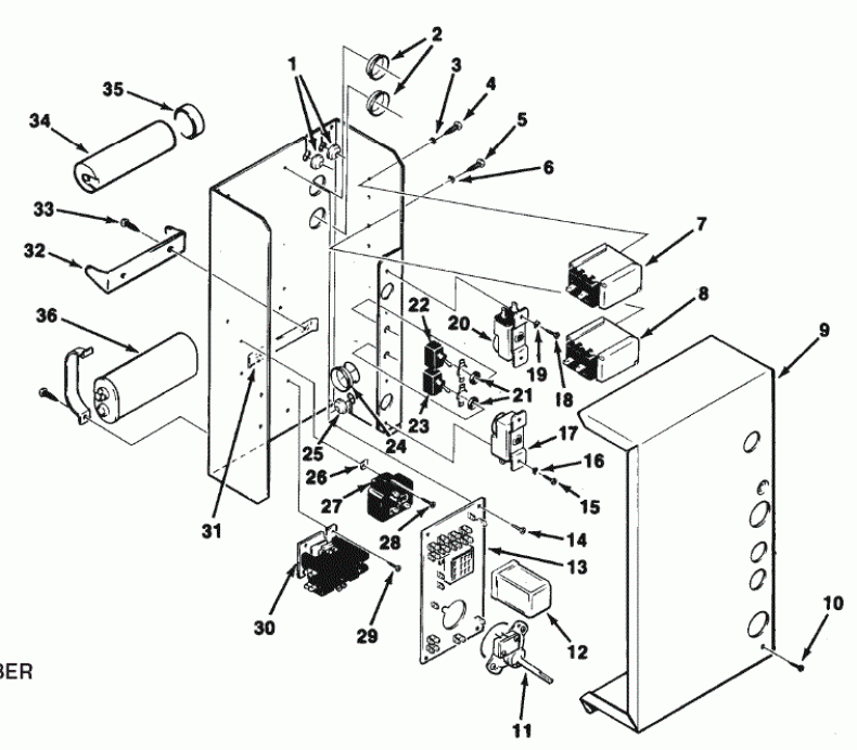
From www.fixice.com
Scotsman CME256 Ice Machine Parts Scotsman Ice Machine Parts List shop for genuine scotsman ice maker from top manufacturers. this is the illustrated parts list for the cu50 cube ice machines. this part list contains the service parts for the air. this is the illustrated parts list for the sccg50m and the sccp50m residential ice machines. this is the illustrated parts list for the scn60.. Scotsman Ice Machine Parts List.
From www.nt-ice.com
Scotsman BH550 Bin Parts Diagram Parts & Accessories for Scotsman Ice Machine Parts List There are two models, one is a gravity drain and the other includes a drain. When ordering a service part,. this is the illustrated parts list for the sccg50m and the sccp50m residential ice machines. this part list contains the service parts for the air. Easily filter our scotsman ice maker to find the exact replacement. this. Scotsman Ice Machine Parts List.
From www.icemakermanuals.com
Scotsman SCN60PA1SU Brilliance Ice Machine Parts List Ice Maker Manuals Scotsman Ice Machine Parts List this is the illustrated parts list for the scn60. this is the illustrated parts list for the sccg50m and the sccp50m residential ice machines. find scotsman genuine service parts for your ice machine and learn how to use them properly. Cooled, water cooled and remote air cooled c0330, c0530, c0630, c0830, c1030 ice machines. this is. Scotsman Ice Machine Parts List.
From bristowmalandra1980.blogspot.com
scotsman prodigy ice machine parts Label EJournal Art Gallery Scotsman Ice Machine Parts List Cooled, water cooled and remote air cooled c0330, c0530, c0630, c0830, c1030 ice machines. shop for genuine scotsman ice maker from top manufacturers. When ordering a service part,. this is the illustrated parts list for the cu50 cube ice machines. There are two models, one is a gravity drain and the other includes a drain. find scotsman. Scotsman Ice Machine Parts List.
From guidediagramharold.z21.web.core.windows.net
Scotsman Ice Machine Parts Diagram Scotsman Ice Machine Parts List this part list contains the service parts for the air. When ordering a service part,. shop for genuine scotsman ice maker from top manufacturers. find scotsman genuine service parts for your ice machine and learn how to use them properly. There are two models, one is a gravity drain and the other includes a drain. Easily filter. Scotsman Ice Machine Parts List.
From www.nt-ice.com
Scotsman HTB500 Bin Parts Diagram Parts & Accessories Scotsman Ice Machine Parts List find scotsman genuine service parts for your ice machine and learn how to use them properly. this is the illustrated parts list for the scn60. Easily filter our scotsman ice maker to find the exact replacement. this part list contains the service parts for the air. There are two models, one is a gravity drain and the. Scotsman Ice Machine Parts List.
From wiringfixarmani77.z19.web.core.windows.net
Scotsman Ice Maker Parts Online Scotsman Ice Machine Parts List this is the illustrated parts list for the cu50 cube ice machines. find scotsman genuine service parts for your ice machine and learn how to use them properly. this part list contains the service parts for the air. shop for genuine scotsman ice maker from top manufacturers. this is the illustrated parts list for the. Scotsman Ice Machine Parts List.
From usermanual.wiki
Scotsman Ice C2148 Users Manual Prodigy Parts 48 Inch.vp Scotsman Ice Machine Parts List There are two models, one is a gravity drain and the other includes a drain. this part list contains the service parts for the air. this is the illustrated parts list for the scn60. this is the illustrated parts list for the cu50 cube ice machines. shop for genuine scotsman ice maker from top manufacturers. . Scotsman Ice Machine Parts List.
From circuitbogodufu.z4.web.core.windows.net
Scotsman Ice Machine Parts Guide Scotsman Ice Machine Parts List Cooled, water cooled and remote air cooled c0330, c0530, c0630, c0830, c1030 ice machines. Easily filter our scotsman ice maker to find the exact replacement. find scotsman genuine service parts for your ice machine and learn how to use them properly. shop for genuine scotsman ice maker from top manufacturers. There are two models, one is a gravity. Scotsman Ice Machine Parts List.
From usermanualmystical.z1.web.core.windows.net
Scotsman Ice Machine Parts Guide Scotsman Ice Machine Parts List When ordering a service part,. find scotsman genuine service parts for your ice machine and learn how to use them properly. this part list contains the service parts for the air. Easily filter our scotsman ice maker to find the exact replacement. this is the illustrated parts list for the sccg50m and the sccp50m residential ice machines.. Scotsman Ice Machine Parts List.
From www.nt-ice.com
Scotsman CME1056 Ice Machine Parts Diagram Parts Scotsman Ice Machine Parts List When ordering a service part,. Cooled, water cooled and remote air cooled c0330, c0530, c0630, c0830, c1030 ice machines. shop for genuine scotsman ice maker from top manufacturers. this is the illustrated parts list for the sccg50m and the sccp50m residential ice machines. this part list contains the service parts for the air. this is the. Scotsman Ice Machine Parts List.
From schematicrolfnealeyp.z4.web.core.windows.net
Scotsman Ice Machine Parts Guide Scotsman Ice Machine Parts List Easily filter our scotsman ice maker to find the exact replacement. When ordering a service part,. There are two models, one is a gravity drain and the other includes a drain. Cooled, water cooled and remote air cooled c0330, c0530, c0630, c0830, c1030 ice machines. find scotsman genuine service parts for your ice machine and learn how to use. Scotsman Ice Machine Parts List.
From www.nt-ice.com
Scotsman CME506 Ice Machine Parts Diagram Parts Scotsman Ice Machine Parts List this is the illustrated parts list for the cu50 cube ice machines. When ordering a service part,. There are two models, one is a gravity drain and the other includes a drain. this is the illustrated parts list for the sccg50m and the sccp50m residential ice machines. shop for genuine scotsman ice maker from top manufacturers. . Scotsman Ice Machine Parts List.
From www.icemakermanuals.com
Scotsman SCN60PA1SU Brilliance Ice Machine Parts List Ice Maker Manuals Scotsman Ice Machine Parts List this is the illustrated parts list for the scn60. Easily filter our scotsman ice maker to find the exact replacement. find scotsman genuine service parts for your ice machine and learn how to use them properly. Cooled, water cooled and remote air cooled c0330, c0530, c0630, c0830, c1030 ice machines. this is the illustrated parts list for. Scotsman Ice Machine Parts List.
From www.fixice.com
Scotsman CME1356 Ice Machine Parts Scotsman Ice Machine Parts List When ordering a service part,. this part list contains the service parts for the air. this is the illustrated parts list for the scn60. this is the illustrated parts list for the cu50 cube ice machines. Easily filter our scotsman ice maker to find the exact replacement. There are two models, one is a gravity drain and. Scotsman Ice Machine Parts List.
From www.icemakermanuals.com
Scotsman SCN60PA1SU Brilliance Ice Machine Parts List Ice Maker Manuals Scotsman Ice Machine Parts List this part list contains the service parts for the air. Cooled, water cooled and remote air cooled c0330, c0530, c0630, c0830, c1030 ice machines. this is the illustrated parts list for the cu50 cube ice machines. There are two models, one is a gravity drain and the other includes a drain. Easily filter our scotsman ice maker to. Scotsman Ice Machine Parts List.
From isanskrit1qrfixmachine.z13.web.core.windows.net
Scotsman Ice Machine Parts Diagram Scotsman Ice Machine Parts List When ordering a service part,. this is the illustrated parts list for the scn60. this is the illustrated parts list for the cu50 cube ice machines. Easily filter our scotsman ice maker to find the exact replacement. There are two models, one is a gravity drain and the other includes a drain. Cooled, water cooled and remote air. Scotsman Ice Machine Parts List.
From www.nt-ice.com
Scotsman CME806 Ice Machine Parts Diagram Parts Scotsman Ice Machine Parts List this is the illustrated parts list for the cu50 cube ice machines. There are two models, one is a gravity drain and the other includes a drain. When ordering a service part,. Cooled, water cooled and remote air cooled c0330, c0530, c0630, c0830, c1030 ice machines. this is the illustrated parts list for the scn60. Easily filter our. Scotsman Ice Machine Parts List.
From www.icemakermanuals.com
Scotsman SCN60PA1SU Brilliance Ice Machine Parts List Ice Maker Manuals Scotsman Ice Machine Parts List this is the illustrated parts list for the cu50 cube ice machines. Easily filter our scotsman ice maker to find the exact replacement. shop for genuine scotsman ice maker from top manufacturers. this is the illustrated parts list for the sccg50m and the sccp50m residential ice machines. There are two models, one is a gravity drain and. Scotsman Ice Machine Parts List.
From guidefixkenjihayabusahn.z4.web.core.windows.net
Scotsman Ice Machine Parts Guide Scotsman Ice Machine Parts List this is the illustrated parts list for the cu50 cube ice machines. shop for genuine scotsman ice maker from top manufacturers. When ordering a service part,. Cooled, water cooled and remote air cooled c0330, c0530, c0630, c0830, c1030 ice machines. this part list contains the service parts for the air. this is the illustrated parts list. Scotsman Ice Machine Parts List.
From www.nt-ice.com
Manitowoc QY874C Ice Machine Parts Diagram Parts Scotsman Ice Machine Parts List this is the illustrated parts list for the sccg50m and the sccp50m residential ice machines. this is the illustrated parts list for the cu50 cube ice machines. There are two models, one is a gravity drain and the other includes a drain. this is the illustrated parts list for the scn60. this part list contains the. Scotsman Ice Machine Parts List.
From diagramlibraryole.z5.web.core.windows.net
Scotsman Ice Machine Parts Manual Scotsman Ice Machine Parts List When ordering a service part,. this is the illustrated parts list for the sccg50m and the sccp50m residential ice machines. Easily filter our scotsman ice maker to find the exact replacement. Cooled, water cooled and remote air cooled c0330, c0530, c0630, c0830, c1030 ice machines. find scotsman genuine service parts for your ice machine and learn how to. Scotsman Ice Machine Parts List.
From www.nt-ice.com
DC33 Ice Machine Parts & Accessories for Scotsman Icemakers Scotsman Ice Machine Parts List Easily filter our scotsman ice maker to find the exact replacement. Cooled, water cooled and remote air cooled c0330, c0530, c0630, c0830, c1030 ice machines. There are two models, one is a gravity drain and the other includes a drain. this is the illustrated parts list for the sccg50m and the sccp50m residential ice machines. shop for genuine. Scotsman Ice Machine Parts List.
From fixdiagramwannemaker.z13.web.core.windows.net
Scotsman Ice Machine Parts Diagram Scotsman Ice Machine Parts List When ordering a service part,. shop for genuine scotsman ice maker from top manufacturers. There are two models, one is a gravity drain and the other includes a drain. this part list contains the service parts for the air. this is the illustrated parts list for the sccg50m and the sccp50m residential ice machines. this is. Scotsman Ice Machine Parts List.
From www.fixice.com
Scotsman SCE170 Ice Machine Parts Scotsman Ice Machine Parts List this is the illustrated parts list for the scn60. When ordering a service part,. this is the illustrated parts list for the sccg50m and the sccp50m residential ice machines. this is the illustrated parts list for the cu50 cube ice machines. find scotsman genuine service parts for your ice machine and learn how to use them. Scotsman Ice Machine Parts List.
From www.nt-ice.com
Scotsman Prodigy C0330 Parts Diagram Parts & Accessories Scotsman Ice Machine Parts List There are two models, one is a gravity drain and the other includes a drain. Cooled, water cooled and remote air cooled c0330, c0530, c0630, c0830, c1030 ice machines. find scotsman genuine service parts for your ice machine and learn how to use them properly. this is the illustrated parts list for the sccg50m and the sccp50m residential. Scotsman Ice Machine Parts List.
From www.icemakermanuals.com
Scotsman SCN60PA1SU Brilliance Ice Machine Parts List Ice Maker Manuals Scotsman Ice Machine Parts List When ordering a service part,. shop for genuine scotsman ice maker from top manufacturers. There are two models, one is a gravity drain and the other includes a drain. this is the illustrated parts list for the cu50 cube ice machines. this is the illustrated parts list for the scn60. Cooled, water cooled and remote air cooled. Scotsman Ice Machine Parts List.
From manuallibroger55.z19.web.core.windows.net
Scotsman Ice Machine Cu50 Parts Manual Scotsman Ice Machine Parts List Cooled, water cooled and remote air cooled c0330, c0530, c0630, c0830, c1030 ice machines. There are two models, one is a gravity drain and the other includes a drain. this part list contains the service parts for the air. shop for genuine scotsman ice maker from top manufacturers. this is the illustrated parts list for the scn60.. Scotsman Ice Machine Parts List.
From guidemanualrasae.z14.web.core.windows.net
Scotsman Ice Machine Parts Guide Scotsman Ice Machine Parts List this is the illustrated parts list for the scn60. When ordering a service part,. Cooled, water cooled and remote air cooled c0330, c0530, c0630, c0830, c1030 ice machines. Easily filter our scotsman ice maker to find the exact replacement. find scotsman genuine service parts for your ice machine and learn how to use them properly. this part. Scotsman Ice Machine Parts List.
From www.nt-ice.com
DC33 Ice Machine Parts & Accessories for Scotsman Icemakers Scotsman Ice Machine Parts List this is the illustrated parts list for the scn60. Easily filter our scotsman ice maker to find the exact replacement. this is the illustrated parts list for the sccg50m and the sccp50m residential ice machines. this part list contains the service parts for the air. Cooled, water cooled and remote air cooled c0330, c0530, c0630, c0830, c1030. Scotsman Ice Machine Parts List.
From www.icemakermanuals.com
Scotsman SCN60PA1SU Brilliance Ice Machine Parts List Ice Maker Manuals Scotsman Ice Machine Parts List this part list contains the service parts for the air. this is the illustrated parts list for the scn60. Easily filter our scotsman ice maker to find the exact replacement. this is the illustrated parts list for the sccg50m and the sccp50m residential ice machines. this is the illustrated parts list for the cu50 cube ice. Scotsman Ice Machine Parts List.
From fixwiringelizabeth.z21.web.core.windows.net
Scotsman Ice Machine Parts Guide Scotsman Ice Machine Parts List There are two models, one is a gravity drain and the other includes a drain. this is the illustrated parts list for the sccg50m and the sccp50m residential ice machines. Easily filter our scotsman ice maker to find the exact replacement. this part list contains the service parts for the air. this is the illustrated parts list. Scotsman Ice Machine Parts List.
From www.nt-ice.com
Scotsman CME806 Ice Machine Parts Diagram Parts Scotsman Ice Machine Parts List Cooled, water cooled and remote air cooled c0330, c0530, c0630, c0830, c1030 ice machines. Easily filter our scotsman ice maker to find the exact replacement. this is the illustrated parts list for the sccg50m and the sccp50m residential ice machines. find scotsman genuine service parts for your ice machine and learn how to use them properly. There are. Scotsman Ice Machine Parts List.
From manuallibroger55.z19.web.core.windows.net
Scotsman Ice Machine Parts List Scotsman Ice Machine Parts List There are two models, one is a gravity drain and the other includes a drain. Easily filter our scotsman ice maker to find the exact replacement. shop for genuine scotsman ice maker from top manufacturers. find scotsman genuine service parts for your ice machine and learn how to use them properly. this is the illustrated parts list. Scotsman Ice Machine Parts List.