Coolant Pump Relay . If you see the engine light on or the service engine soon warning light, it could be due to the p2600 fault code. The possible causes include a faulty. The p2601 code relates to coolant pump control circuit issues. Check the pump relay and fuse: The first step in fixing p2b63 is to replace the coolant pump’s relay and fuse, which is often the most common cause. If you’re fixing the p261a fault code, look out for the engine light or service engine soon warning light turning on. Symptoms may include check engine light, engine overheating, and lack of heater heat. Common causes include faulty relays, pump malfunctions, and wiring problems. Water pump failure, wiring issues, and faulty water pump relays could trigger this trouble code. This code is caused by a faulty coolant pump relay, a faulty coolant pump, an open or shorted. The most common mistake is made when voltage is not found at the coolant pump and the pump is replaced, when all along it was the relay that was. Diagnostic process involves using a scan tool, visual inspections, and voltage testing. Dtc p2601 stands for “coolant pump ‘a’ control circuit range/performance,” and it’s logged when the pcm detects a problem with the water pump. P2600 means there is an issue with the auxiliary coolant pump control circuit, usually due to a faulty relay or damaged components.
from www.ctsvowners.com
The most common mistake is made when voltage is not found at the coolant pump and the pump is replaced, when all along it was the relay that was. The possible causes include a faulty. Check the pump relay and fuse: Symptoms may include check engine light, engine overheating, and lack of heater heat. The p2601 code relates to coolant pump control circuit issues. Common causes include faulty relays, pump malfunctions, and wiring problems. This code is caused by a faulty coolant pump relay, a faulty coolant pump, an open or shorted. If you’re fixing the p261a fault code, look out for the engine light or service engine soon warning light turning on. If you see the engine light on or the service engine soon warning light, it could be due to the p2600 fault code. P2600 means there is an issue with the auxiliary coolant pump control circuit, usually due to a faulty relay or damaged components.
Location of intercooler pump relay Cadillac CTSV Forum
Coolant Pump Relay The possible causes include a faulty. Symptoms may include check engine light, engine overheating, and lack of heater heat. Water pump failure, wiring issues, and faulty water pump relays could trigger this trouble code. This code is caused by a faulty coolant pump relay, a faulty coolant pump, an open or shorted. Common causes include faulty relays, pump malfunctions, and wiring problems. If you’re fixing the p261a fault code, look out for the engine light or service engine soon warning light turning on. The most common mistake is made when voltage is not found at the coolant pump and the pump is replaced, when all along it was the relay that was. The possible causes include a faulty. The p2601 code relates to coolant pump control circuit issues. Dtc p2601 stands for “coolant pump ‘a’ control circuit range/performance,” and it’s logged when the pcm detects a problem with the water pump. Diagnostic process involves using a scan tool, visual inspections, and voltage testing. The first step in fixing p2b63 is to replace the coolant pump’s relay and fuse, which is often the most common cause. P2600 means there is an issue with the auxiliary coolant pump control circuit, usually due to a faulty relay or damaged components. If you see the engine light on or the service engine soon warning light, it could be due to the p2600 fault code. Check the pump relay and fuse:
From www.volkswagenforum.co.uk
Help R32 coolant pump relay part number VW dealership cant help!! Coolant Pump Relay The first step in fixing p2b63 is to replace the coolant pump’s relay and fuse, which is often the most common cause. The possible causes include a faulty. If you’re fixing the p261a fault code, look out for the engine light or service engine soon warning light turning on. P2600 means there is an issue with the auxiliary coolant pump. Coolant Pump Relay.
From www.oemvwshop.com
Control unit for coolant pump, relay fan stage 1 447965571A Coolant Pump Relay The possible causes include a faulty. Diagnostic process involves using a scan tool, visual inspections, and voltage testing. Water pump failure, wiring issues, and faulty water pump relays could trigger this trouble code. If you’re fixing the p261a fault code, look out for the engine light or service engine soon warning light turning on. Dtc p2601 stands for “coolant pump. Coolant Pump Relay.
From www.topspeedautomotive.com
Coolant Fan Relay RY330 by STANDARD MOTOR PRODUCTS Engine Cooling Fan Coolant Pump Relay Symptoms may include check engine light, engine overheating, and lack of heater heat. If you see the engine light on or the service engine soon warning light, it could be due to the p2600 fault code. The first step in fixing p2b63 is to replace the coolant pump’s relay and fuse, which is often the most common cause. Common causes. Coolant Pump Relay.
From carmodnerd.com
[SOLVED] P2600 Code Fix Your Coolant Pump Control Circuit Now! Coolant Pump Relay Symptoms may include check engine light, engine overheating, and lack of heater heat. This code is caused by a faulty coolant pump relay, a faulty coolant pump, an open or shorted. Diagnostic process involves using a scan tool, visual inspections, and voltage testing. The possible causes include a faulty. Check the pump relay and fuse: The first step in fixing. Coolant Pump Relay.
From bmwfans.info
Relay for coolant pump K2332 BMW X5 E70 LCI X5 M50dX N57X Europe Coolant Pump Relay Check the pump relay and fuse: Common causes include faulty relays, pump malfunctions, and wiring problems. Symptoms may include check engine light, engine overheating, and lack of heater heat. If you’re fixing the p261a fault code, look out for the engine light or service engine soon warning light turning on. Water pump failure, wiring issues, and faulty water pump relays. Coolant Pump Relay.
From ebay.co.uk
Low Coolant Warning Relay 43 8091 VW Vanagon T3 251 919 376 eBay Coolant Pump Relay P2600 means there is an issue with the auxiliary coolant pump control circuit, usually due to a faulty relay or damaged components. The p2601 code relates to coolant pump control circuit issues. Diagnostic process involves using a scan tool, visual inspections, and voltage testing. If you’re fixing the p261a fault code, look out for the engine light or service engine. Coolant Pump Relay.
From www.justanswer.com
2012 audi q7 tdi Aux coolant pump relay location? 100k yes. Answer my Coolant Pump Relay The first step in fixing p2b63 is to replace the coolant pump’s relay and fuse, which is often the most common cause. P2600 means there is an issue with the auxiliary coolant pump control circuit, usually due to a faulty relay or damaged components. This code is caused by a faulty coolant pump relay, a faulty coolant pump, an open. Coolant Pump Relay.
From www.passatworld.com
Where is the relay for the Auxiliary Coolant Pump? Coolant Pump Relay Symptoms may include check engine light, engine overheating, and lack of heater heat. Diagnostic process involves using a scan tool, visual inspections, and voltage testing. The first step in fixing p2b63 is to replace the coolant pump’s relay and fuse, which is often the most common cause. This code is caused by a faulty coolant pump relay, a faulty coolant. Coolant Pump Relay.
From www.oemvwshop.com
Control unit for coolant pump, relay fan stage 1 447965571A Coolant Pump Relay Symptoms may include check engine light, engine overheating, and lack of heater heat. Water pump failure, wiring issues, and faulty water pump relays could trigger this trouble code. The first step in fixing p2b63 is to replace the coolant pump’s relay and fuse, which is often the most common cause. If you see the engine light on or the service. Coolant Pump Relay.
From avtoad.com.ua
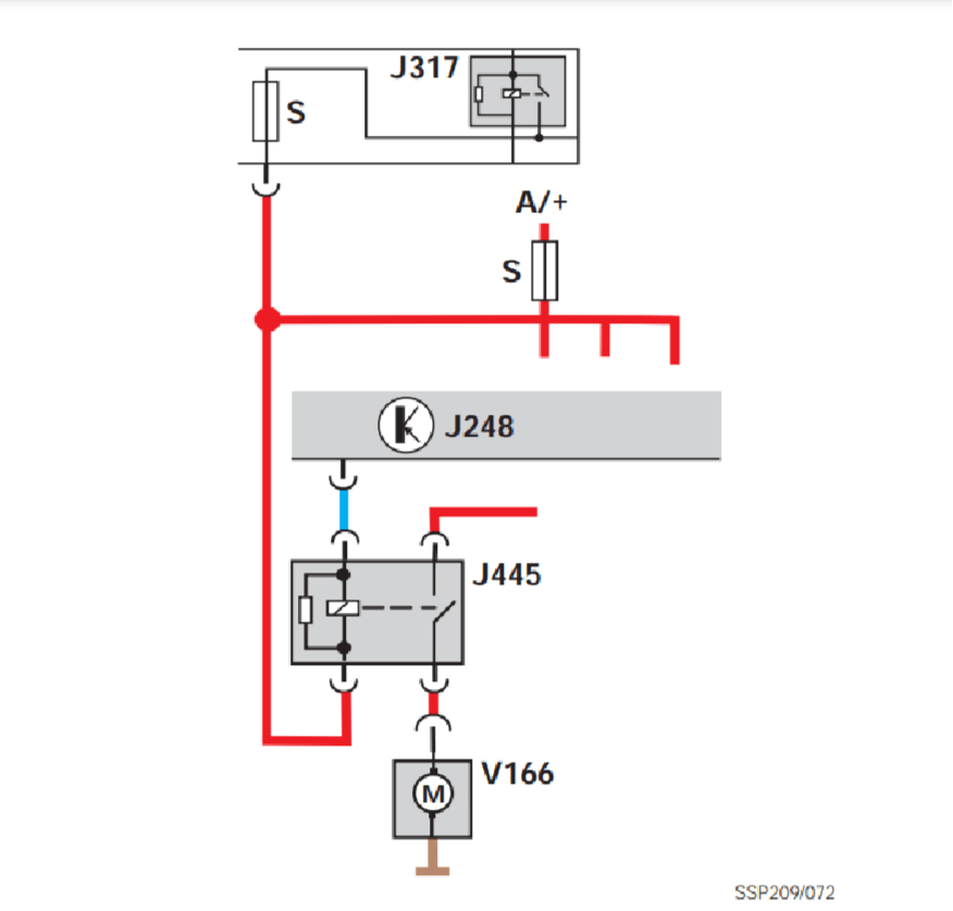
Pump relay, J445 fuel cooling. 1.9 TDI PD from VAG Group. Family of Coolant Pump Relay Check the pump relay and fuse: Diagnostic process involves using a scan tool, visual inspections, and voltage testing. P2600 means there is an issue with the auxiliary coolant pump control circuit, usually due to a faulty relay or damaged components. Water pump failure, wiring issues, and faulty water pump relays could trigger this trouble code. Symptoms may include check engine. Coolant Pump Relay.
From www.justanswer.com
Can you help me locate where the auxillary coolant pump relay is on my Coolant Pump Relay Check the pump relay and fuse: Diagnostic process involves using a scan tool, visual inspections, and voltage testing. P2600 means there is an issue with the auxiliary coolant pump control circuit, usually due to a faulty relay or damaged components. If you see the engine light on or the service engine soon warning light, it could be due to the. Coolant Pump Relay.
From www.youtube.com
PORSCHE CAYENNE COOLANT CIRCULATION PUMP FUSE RELAY LOCATION Coolant Pump Relay Dtc p2601 stands for “coolant pump ‘a’ control circuit range/performance,” and it’s logged when the pcm detects a problem with the water pump. This code is caused by a faulty coolant pump relay, a faulty coolant pump, an open or shorted. Common causes include faulty relays, pump malfunctions, and wiring problems. The possible causes include a faulty. The p2601 code. Coolant Pump Relay.
From www.volkswagenforum.co.uk
Help R32 coolant pump relay part number VW dealership cant help Coolant Pump Relay This code is caused by a faulty coolant pump relay, a faulty coolant pump, an open or shorted. Check the pump relay and fuse: Common causes include faulty relays, pump malfunctions, and wiring problems. If you see the engine light on or the service engine soon warning light, it could be due to the p2600 fault code. The possible causes. Coolant Pump Relay.
From www.volkswagenforum.co.uk
Help R32 coolant pump relay part number VW dealership cant help Coolant Pump Relay This code is caused by a faulty coolant pump relay, a faulty coolant pump, an open or shorted. P2600 means there is an issue with the auxiliary coolant pump control circuit, usually due to a faulty relay or damaged components. The most common mistake is made when voltage is not found at the coolant pump and the pump is replaced,. Coolant Pump Relay.
From www.justanswer.com
Where is the auxiliary coolant pump relay located on a 09 cadillac sts Coolant Pump Relay Symptoms may include check engine light, engine overheating, and lack of heater heat. Common causes include faulty relays, pump malfunctions, and wiring problems. P2600 means there is an issue with the auxiliary coolant pump control circuit, usually due to a faulty relay or damaged components. Water pump failure, wiring issues, and faulty water pump relays could trigger this trouble code.. Coolant Pump Relay.
From www.justanswer.com
2012 audi q7 tdi Aux coolant pump relay location? 100k yes. Answer my Coolant Pump Relay The most common mistake is made when voltage is not found at the coolant pump and the pump is replaced, when all along it was the relay that was. Water pump failure, wiring issues, and faulty water pump relays could trigger this trouble code. P2600 means there is an issue with the auxiliary coolant pump control circuit, usually due to. Coolant Pump Relay.
From www.justanswer.com
2000 bmw steering..cranks..coolant..fuel pump, relays are all good Coolant Pump Relay Dtc p2601 stands for “coolant pump ‘a’ control circuit range/performance,” and it’s logged when the pcm detects a problem with the water pump. Symptoms may include check engine light, engine overheating, and lack of heater heat. The possible causes include a faulty. The p2601 code relates to coolant pump control circuit issues. The first step in fixing p2b63 is to. Coolant Pump Relay.
From www.pinterest.com
Fuel Pump Port Relay Tuned / Radiator Coolant Fan Relay C4 A/C Fan Coolant Pump Relay The first step in fixing p2b63 is to replace the coolant pump’s relay and fuse, which is often the most common cause. Symptoms may include check engine light, engine overheating, and lack of heater heat. Check the pump relay and fuse: If you see the engine light on or the service engine soon warning light, it could be due to. Coolant Pump Relay.
From bmwfans.info
Relay, auxiliary coolant pump K104 BMW Z3 E36 Z3 1.8 M43 Europe Coolant Pump Relay This code is caused by a faulty coolant pump relay, a faulty coolant pump, an open or shorted. Water pump failure, wiring issues, and faulty water pump relays could trigger this trouble code. Check the pump relay and fuse: If you see the engine light on or the service engine soon warning light, it could be due to the p2600. Coolant Pump Relay.
From bmwfans.info
Relay for coolant pump K2332 BMW 5' F11 LCI M550dX N57X Europe Coolant Pump Relay Diagnostic process involves using a scan tool, visual inspections, and voltage testing. If you’re fixing the p261a fault code, look out for the engine light or service engine soon warning light turning on. Check the pump relay and fuse: The first step in fixing p2b63 is to replace the coolant pump’s relay and fuse, which is often the most common. Coolant Pump Relay.
From www.ctsvowners.com
Location of intercooler pump relay Cadillac CTSV Forum Coolant Pump Relay P2600 means there is an issue with the auxiliary coolant pump control circuit, usually due to a faulty relay or damaged components. Symptoms may include check engine light, engine overheating, and lack of heater heat. Check the pump relay and fuse: The first step in fixing p2b63 is to replace the coolant pump’s relay and fuse, which is often the. Coolant Pump Relay.
From www.youtube.com
p1927 auxiliary engine coolant pump relay open circuit YouTube Coolant Pump Relay Water pump failure, wiring issues, and faulty water pump relays could trigger this trouble code. Check the pump relay and fuse: The possible causes include a faulty. Diagnostic process involves using a scan tool, visual inspections, and voltage testing. If you see the engine light on or the service engine soon warning light, it could be due to the p2600. Coolant Pump Relay.
From www.phoenixhybridbatteries.com
Inverter Coolant Pump — PHOENIX HYBRID BATTERIES Coolant Pump Relay This code is caused by a faulty coolant pump relay, a faulty coolant pump, an open or shorted. The p2601 code relates to coolant pump control circuit issues. Water pump failure, wiring issues, and faulty water pump relays could trigger this trouble code. Dtc p2601 stands for “coolant pump ‘a’ control circuit range/performance,” and it’s logged when the pcm detects. Coolant Pump Relay.
From pavantryphon.blogspot.com
prius cooling system diagram PavanTryphon Coolant Pump Relay Symptoms may include check engine light, engine overheating, and lack of heater heat. Dtc p2601 stands for “coolant pump ‘a’ control circuit range/performance,” and it’s logged when the pcm detects a problem with the water pump. The p2601 code relates to coolant pump control circuit issues. This code is caused by a faulty coolant pump relay, a faulty coolant pump,. Coolant Pump Relay.
From www.audiforums.com
audi a4 2002 18335 aux coolant pump relay j496 open circuit Coolant Pump Relay This code is caused by a faulty coolant pump relay, a faulty coolant pump, an open or shorted. The most common mistake is made when voltage is not found at the coolant pump and the pump is replaced, when all along it was the relay that was. Common causes include faulty relays, pump malfunctions, and wiring problems. The p2601 code. Coolant Pump Relay.
From workshop-manuals.com
Audi Service and Repair Manuals > Q7 Quattro V84.2L (BAR Coolant Pump Relay Common causes include faulty relays, pump malfunctions, and wiring problems. The p2601 code relates to coolant pump control circuit issues. Symptoms may include check engine light, engine overheating, and lack of heater heat. P2600 means there is an issue with the auxiliary coolant pump control circuit, usually due to a faulty relay or damaged components. Dtc p2601 stands for “coolant. Coolant Pump Relay.
From www.pelicanparts.com
Volkswagen Golf GTI Mk V Electric Coolant Pump Replacement (20062009 Coolant Pump Relay Diagnostic process involves using a scan tool, visual inspections, and voltage testing. If you see the engine light on or the service engine soon warning light, it could be due to the p2600 fault code. Symptoms may include check engine light, engine overheating, and lack of heater heat. Check the pump relay and fuse: The most common mistake is made. Coolant Pump Relay.
From www.justanswer.com
Where is the auxiliary coolant pump relay on a 2010 vw cc sport dsg Coolant Pump Relay Check the pump relay and fuse: Dtc p2601 stands for “coolant pump ‘a’ control circuit range/performance,” and it’s logged when the pcm detects a problem with the water pump. If you’re fixing the p261a fault code, look out for the engine light or service engine soon warning light turning on. Water pump failure, wiring issues, and faulty water pump relays. Coolant Pump Relay.
From www.carid.com
Standard® RY145 Auxiliary Cooling Fan Relay Coolant Pump Relay Water pump failure, wiring issues, and faulty water pump relays could trigger this trouble code. P2600 means there is an issue with the auxiliary coolant pump control circuit, usually due to a faulty relay or damaged components. The possible causes include a faulty. Check the pump relay and fuse: Diagnostic process involves using a scan tool, visual inspections, and voltage. Coolant Pump Relay.
From www.jaguar-shop.com
Supercharger coolant pump Coolant Pump Relay P2600 means there is an issue with the auxiliary coolant pump control circuit, usually due to a faulty relay or damaged components. Diagnostic process involves using a scan tool, visual inspections, and voltage testing. The most common mistake is made when voltage is not found at the coolant pump and the pump is replaced, when all along it was the. Coolant Pump Relay.
From www.aliexpress.com
6R0965561A 6R0 965 561A 6R0 965 561 A Additional Auxiliary Electric Coolant Pump Relay If you see the engine light on or the service engine soon warning light, it could be due to the p2600 fault code. Check the pump relay and fuse: The possible causes include a faulty. This code is caused by a faulty coolant pump relay, a faulty coolant pump, an open or shorted. Water pump failure, wiring issues, and faulty. Coolant Pump Relay.
From workshop-manuals.com
Ford Manuals > Fusion FWD L42.5L Hybrid (2010) > Heating and Coolant Pump Relay Water pump failure, wiring issues, and faulty water pump relays could trigger this trouble code. Dtc p2601 stands for “coolant pump ‘a’ control circuit range/performance,” and it’s logged when the pcm detects a problem with the water pump. The first step in fixing p2b63 is to replace the coolant pump’s relay and fuse, which is often the most common cause.. Coolant Pump Relay.
From www.globaltransmissionsupply.com
Eaton Fuller Hybrid Transmission Fault Code 40 Cooling Pump Relay Coolant Pump Relay Common causes include faulty relays, pump malfunctions, and wiring problems. The first step in fixing p2b63 is to replace the coolant pump’s relay and fuse, which is often the most common cause. Water pump failure, wiring issues, and faulty water pump relays could trigger this trouble code. Diagnostic process involves using a scan tool, visual inspections, and voltage testing. The. Coolant Pump Relay.
From www.autopartssupply.com.au
Holden Commodore Radiator Fan Relay 3.8ltr Ecotec VT 19972000 *TE Coolant Pump Relay Common causes include faulty relays, pump malfunctions, and wiring problems. If you see the engine light on or the service engine soon warning light, it could be due to the p2600 fault code. Dtc p2601 stands for “coolant pump ‘a’ control circuit range/performance,” and it’s logged when the pcm detects a problem with the water pump. Symptoms may include check. Coolant Pump Relay.
From www.stevensvwspares.com
Used Genuine VW Passat 522 Relay Coolant Display Relay 3Q0919376 UK Coolant Pump Relay Diagnostic process involves using a scan tool, visual inspections, and voltage testing. The p2601 code relates to coolant pump control circuit issues. The most common mistake is made when voltage is not found at the coolant pump and the pump is replaced, when all along it was the relay that was. This code is caused by a faulty coolant pump. Coolant Pump Relay.