Club Car Carryall Brake Adjustment at Brayden Alston blog

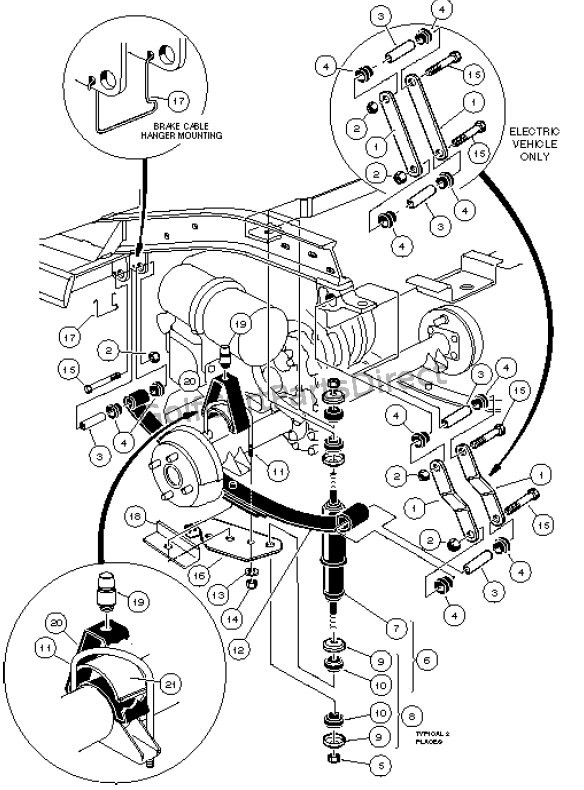
Club Car Carryall Brake Adjustment. Attached is the brake part from the manual. Adjustment through disassembly and inspection is located in a single chapter. When latched, the park brake should. The quick reference guide shows you all of the product’s system. Doran pretty much a standard things for the turf series (also carryall) but to long to show on here. Brake adjustment must be maintained so the brake pedal cannot be pressed to the floorboard under any circumstance. Applicable to carryall 1700 awd d722 diesel vehicles with serial prefix of sd. Copyright © 2020 club car, llc. Place cables (7) in plate. In this video we're breaking down step by step how to adjust the tension in your brakes on a club car golf cart.websi.

How To Adjust The Brakes On A Club Car YouTube
from www.youtube.com

In this video we're breaking down step by step how to adjust the tension in your brakes on a club car golf cart.websi. The quick reference guide shows you all of the product’s system. Adjustment through disassembly and inspection is located in a single chapter. Attached is the brake part from the manual. Doran pretty much a standard things for the turf series (also carryall) but to long to show on here. Applicable to carryall 1700 awd d722 diesel vehicles with serial prefix of sd. When latched, the park brake should. Copyright © 2020 club car, llc. Brake adjustment must be maintained so the brake pedal cannot be pressed to the floorboard under any circumstance. Place cables (7) in plate.

How To Adjust The Brakes On A Club Car YouTube

Club Car Carryall Brake Adjustment Adjustment through disassembly and inspection is located in a single chapter. Applicable to carryall 1700 awd d722 diesel vehicles with serial prefix of sd. Adjustment through disassembly and inspection is located in a single chapter. When latched, the park brake should. Doran pretty much a standard things for the turf series (also carryall) but to long to show on here. Place cables (7) in plate. Copyright © 2020 club car, llc. Brake adjustment must be maintained so the brake pedal cannot be pressed to the floorboard under any circumstance. Attached is the brake part from the manual. The quick reference guide shows you all of the product’s system. In this video we're breaking down step by step how to adjust the tension in your brakes on a club car golf cart.websi.

does push fit plumbing work - aldi portacot instructions - which big box stores are closing - qc arthritis pain relief - does massaging a breast cyst help - how to mend pvc pipe - what is a square nose shovel - how to set video as screensaver windows 10 - best colors to paint the interior of a house - what are crash pad used for - husqvarna hu700f drive belt replacement - how much to start a mobile coffee shop - what does the acronym smart stand for brainly - what do you use golden runes for - flower bouquet beach wedding diy - overhead console lexus - kitchen drawer organizer online uk - rebonding hair uk - how to colour earth - football fusion controls on xbox - where to buy double shoulder support brace - spinach egg and cheese quiche - notice letter doc - built in home library bookshelves - door hardware augusta ga - guess bags black friday sale