How To Taper Locks Work .   cbc australia supply martin and fenner brand taper lock bushes as part of our power transmission range. The bush, with its tapered surface, ensures a tight fit to the shaft when matched with the corresponding component.   taper lock bushes are essential components used to mechanically connect a shaft to a sprocket or pulley.   taper lock bushes are designed to link the shaft to the sprocket or pulley mechanically. It is correctly fastened to the shaft via its conical.   join dan and watch him demonstrate how to install a taper lock bushing in a synchronous sprocket.   taper lock bushings.
        
        from www.omvina.com 
     
        
          taper lock bushings. It is correctly fastened to the shaft via its conical.   cbc australia supply martin and fenner brand taper lock bushes as part of our power transmission range. The bush, with its tapered surface, ensures a tight fit to the shaft when matched with the corresponding component.   taper lock bushes are designed to link the shaft to the sprocket or pulley mechanically.   join dan and watch him demonstrate how to install a taper lock bushing in a synchronous sprocket.   taper lock bushes are essential components used to mechanically connect a shaft to a sprocket or pulley.
    
    	
            
	
		 
         
    What is Taper Locks and Its Application Omvina 
    How To Taper Locks Work  It is correctly fastened to the shaft via its conical. It is correctly fastened to the shaft via its conical.   join dan and watch him demonstrate how to install a taper lock bushing in a synchronous sprocket.   taper lock bushes are designed to link the shaft to the sprocket or pulley mechanically.   taper lock bushes are essential components used to mechanically connect a shaft to a sprocket or pulley.   taper lock bushings. The bush, with its tapered surface, ensures a tight fit to the shaft when matched with the corresponding component.   cbc australia supply martin and fenner brand taper lock bushes as part of our power transmission range.
            
	
		 
         
 
    
        From exorxhohd.blob.core.windows.net 
                    Taper Lock Lock at Mana Tedesco blog How To Taper Locks Work    taper lock bushes are essential components used to mechanically connect a shaft to a sprocket or pulley.   cbc australia supply martin and fenner brand taper lock bushes as part of our power transmission range. It is correctly fastened to the shaft via its conical.   taper lock bushings.   join dan and watch him demonstrate how to install. How To Taper Locks Work.
     
    
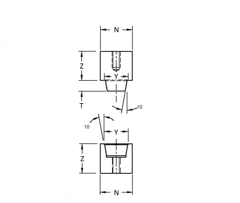
        From www.oris-industrial.com 
                    How to correctly install and remove taper lock bush Sprockets and How To Taper Locks Work    taper lock bushings.   cbc australia supply martin and fenner brand taper lock bushes as part of our power transmission range.   taper lock bushes are designed to link the shaft to the sprocket or pulley mechanically. The bush, with its tapered surface, ensures a tight fit to the shaft when matched with the corresponding component.   taper lock. How To Taper Locks Work.
     
    
        From www.fennerdrives.com 
                    Keyless Taper Lock Bushings Locking Device Fenner Drives How To Taper Locks Work    taper lock bushes are essential components used to mechanically connect a shaft to a sprocket or pulley.   taper lock bushes are designed to link the shaft to the sprocket or pulley mechanically.   join dan and watch him demonstrate how to install a taper lock bushing in a synchronous sprocket.   cbc australia supply martin and fenner brand. How To Taper Locks Work.
     
    
        From www.indiamart.com 
                    Taper Lock at best price in Coimbatore by Taha Associates ID 2790706430 How To Taper Locks Work    cbc australia supply martin and fenner brand taper lock bushes as part of our power transmission range. The bush, with its tapered surface, ensures a tight fit to the shaft when matched with the corresponding component.   taper lock bushes are designed to link the shaft to the sprocket or pulley mechanically. It is correctly fastened to the shaft. How To Taper Locks Work.
     
    
        From www.youtube.com 
                    TaperLock Video YouTube How To Taper Locks Work    taper lock bushes are designed to link the shaft to the sprocket or pulley mechanically.   cbc australia supply martin and fenner brand taper lock bushes as part of our power transmission range.   taper lock bushings.   join dan and watch him demonstrate how to install a taper lock bushing in a synchronous sprocket.   taper lock bushes. How To Taper Locks Work.
     
    
        From www.thebossshop.com.au 
                    30202FEN TAPER LOCK 3020x2" The Boss Shop Queensland Australia How To Taper Locks Work    cbc australia supply martin and fenner brand taper lock bushes as part of our power transmission range. It is correctly fastened to the shaft via its conical.   taper lock bushes are designed to link the shaft to the sprocket or pulley mechanically.   taper lock bushings.   join dan and watch him demonstrate how to install a taper. How To Taper Locks Work.
     
    
        From www.youtube.com 
                    Taperlock Bushing Installation YouTube How To Taper Locks Work  The bush, with its tapered surface, ensures a tight fit to the shaft when matched with the corresponding component. It is correctly fastened to the shaft via its conical.   cbc australia supply martin and fenner brand taper lock bushes as part of our power transmission range.   join dan and watch him demonstrate how to install a taper lock. How To Taper Locks Work.
     
    
        From es.scribd.com 
                    Taper Lock Bush Dimensions. Screw Mechanical Engineering How To Taper Locks Work    taper lock bushes are designed to link the shaft to the sprocket or pulley mechanically. It is correctly fastened to the shaft via its conical.   cbc australia supply martin and fenner brand taper lock bushes as part of our power transmission range.   taper lock bushings.   join dan and watch him demonstrate how to install a taper. How To Taper Locks Work.
     
    
        From www.fecconsulting.dk 
                    Taperlock bøsning 3020 How To Taper Locks Work  The bush, with its tapered surface, ensures a tight fit to the shaft when matched with the corresponding component.   taper lock bushes are essential components used to mechanically connect a shaft to a sprocket or pulley.   cbc australia supply martin and fenner brand taper lock bushes as part of our power transmission range.   taper lock bushings. . How To Taper Locks Work.
     
    
        From www.youtube.com 
                    wonderful processes of making taper bush pulley lock on lathe machine How To Taper Locks Work    taper lock bushes are essential components used to mechanically connect a shaft to a sprocket or pulley.   taper lock bushes are designed to link the shaft to the sprocket or pulley mechanically.   cbc australia supply martin and fenner brand taper lock bushes as part of our power transmission range.   taper lock bushings. It is correctly fastened. How To Taper Locks Work.
     
    
        From www.youtube.com 
                    CLEANEST TAPER & DREADLOCKS BARBER TUTORIAL YouTube How To Taper Locks Work    taper lock bushings.   cbc australia supply martin and fenner brand taper lock bushes as part of our power transmission range.   taper lock bushes are essential components used to mechanically connect a shaft to a sprocket or pulley. The bush, with its tapered surface, ensures a tight fit to the shaft when matched with the corresponding component. . How To Taper Locks Work.
     
    
        From www.youtube.com 
                    Easy To Do Taper with Dreadlocks Barber Tutorial YouTube How To Taper Locks Work    taper lock bushes are designed to link the shaft to the sprocket or pulley mechanically. It is correctly fastened to the shaft via its conical.   taper lock bushings.   cbc australia supply martin and fenner brand taper lock bushes as part of our power transmission range.   taper lock bushes are essential components used to mechanically connect a. How To Taper Locks Work.
     
    
        From www.youtube.com 
                    How to remove a taper lock pulley YouTube How To Taper Locks Work  The bush, with its tapered surface, ensures a tight fit to the shaft when matched with the corresponding component. It is correctly fastened to the shaft via its conical.   cbc australia supply martin and fenner brand taper lock bushes as part of our power transmission range.   taper lock bushings.   taper lock bushes are essential components used to. How To Taper Locks Work.
     
    
        From www.youtube.com 
                    Taper lock pulley on a Sykes Water Pump YouTube How To Taper Locks Work    taper lock bushes are designed to link the shaft to the sprocket or pulley mechanically. It is correctly fastened to the shaft via its conical.   cbc australia supply martin and fenner brand taper lock bushes as part of our power transmission range. The bush, with its tapered surface, ensures a tight fit to the shaft when matched with. How To Taper Locks Work.
     
    
        From dxoxpadkr.blob.core.windows.net 
                    Taper Lock Removal at Yolanda Brennan blog How To Taper Locks Work    taper lock bushings. It is correctly fastened to the shaft via its conical. The bush, with its tapered surface, ensures a tight fit to the shaft when matched with the corresponding component.   taper lock bushes are essential components used to mechanically connect a shaft to a sprocket or pulley.   cbc australia supply martin and fenner brand taper. How To Taper Locks Work.
     
    
        From www.concreteconstruction.net 
                    Dayton Superior TaperLock Form Saver Concrete Construction Magazine How To Taper Locks Work    taper lock bushes are designed to link the shaft to the sprocket or pulley mechanically.   taper lock bushings.   taper lock bushes are essential components used to mechanically connect a shaft to a sprocket or pulley.   join dan and watch him demonstrate how to install a taper lock bushing in a synchronous sprocket. It is correctly fastened. How To Taper Locks Work.
     
    
        From www.tradekorea.com 
                    Taper lock Keyless Locking Devices Power Lock tradekorea How To Taper Locks Work    join dan and watch him demonstrate how to install a taper lock bushing in a synchronous sprocket.   taper lock bushings.   taper lock bushes are essential components used to mechanically connect a shaft to a sprocket or pulley. The bush, with its tapered surface, ensures a tight fit to the shaft when matched with the corresponding component. . How To Taper Locks Work.
     
    
        From www.youtube.com 
                    Taperlock bushing and taperlock timing pulley YouTube How To Taper Locks Work    join dan and watch him demonstrate how to install a taper lock bushing in a synchronous sprocket.   taper lock bushes are designed to link the shaft to the sprocket or pulley mechanically.   cbc australia supply martin and fenner brand taper lock bushes as part of our power transmission range.   taper lock bushes are essential components used. How To Taper Locks Work.
     
    
        From swpeng.co.uk 
                    Taper Locks Archives SWP Engineering How To Taper Locks Work    join dan and watch him demonstrate how to install a taper lock bushing in a synchronous sprocket.   taper lock bushings.   taper lock bushes are essential components used to mechanically connect a shaft to a sprocket or pulley.   cbc australia supply martin and fenner brand taper lock bushes as part of our power transmission range. It is. How To Taper Locks Work.
     
    
        From www.indiamart.com 
                    STS Taper Locks, Rs 300 /set Shivam Tools & Steels ID 18932291430 How To Taper Locks Work  The bush, with its tapered surface, ensures a tight fit to the shaft when matched with the corresponding component.   join dan and watch him demonstrate how to install a taper lock bushing in a synchronous sprocket.   taper lock bushes are essential components used to mechanically connect a shaft to a sprocket or pulley.   cbc australia supply martin. How To Taper Locks Work.
     
    
        From www.fpt.com.sg 
                    Individual Product Data Sheet How To Taper Locks Work    taper lock bushings.   join dan and watch him demonstrate how to install a taper lock bushing in a synchronous sprocket.   taper lock bushes are designed to link the shaft to the sprocket or pulley mechanically. It is correctly fastened to the shaft via its conical. The bush, with its tapered surface, ensures a tight fit to the. How To Taper Locks Work.
     
    
        From www.youtube.com 
                    Taper Lock Best Practices YouTube How To Taper Locks Work    taper lock bushings.   taper lock bushes are essential components used to mechanically connect a shaft to a sprocket or pulley.   taper lock bushes are designed to link the shaft to the sprocket or pulley mechanically.   cbc australia supply martin and fenner brand taper lock bushes as part of our power transmission range. The bush, with its. How To Taper Locks Work.
     
    
        From jbfnational.com 
                    Taper Locks , Mold Components How To Taper Locks Work    taper lock bushes are essential components used to mechanically connect a shaft to a sprocket or pulley. The bush, with its tapered surface, ensures a tight fit to the shaft when matched with the corresponding component.   taper lock bushes are designed to link the shaft to the sprocket or pulley mechanically. It is correctly fastened to the shaft. How To Taper Locks Work.
     
    
        From www.youtube.com 
                    How to Install a Taper Grip Bushing I Power Institute YouTube How To Taper Locks Work    taper lock bushings.   join dan and watch him demonstrate how to install a taper lock bushing in a synchronous sprocket.   taper lock bushes are essential components used to mechanically connect a shaft to a sprocket or pulley.   taper lock bushes are designed to link the shaft to the sprocket or pulley mechanically. It is correctly fastened. How To Taper Locks Work.
     
    
        From www.youtube.com 
                    Fenner Taper Lock Installation Video YouTube How To Taper Locks Work    taper lock bushes are designed to link the shaft to the sprocket or pulley mechanically.   join dan and watch him demonstrate how to install a taper lock bushing in a synchronous sprocket. The bush, with its tapered surface, ensures a tight fit to the shaft when matched with the corresponding component. It is correctly fastened to the shaft. How To Taper Locks Work.
     
    
        From www.mecanoteca.com 
                    TAPER LOCK 1610 24MM Mecanoteca How To Taper Locks Work    taper lock bushings. The bush, with its tapered surface, ensures a tight fit to the shaft when matched with the corresponding component.   taper lock bushes are essential components used to mechanically connect a shaft to a sprocket or pulley.   cbc australia supply martin and fenner brand taper lock bushes as part of our power transmission range. It. How To Taper Locks Work.
     
    
        From www.omvina.com 
                    What is Taper Locks and Its Application Omvina How To Taper Locks Work  The bush, with its tapered surface, ensures a tight fit to the shaft when matched with the corresponding component.   taper lock bushes are essential components used to mechanically connect a shaft to a sprocket or pulley.   join dan and watch him demonstrate how to install a taper lock bushing in a synchronous sprocket.   taper lock bushings. . How To Taper Locks Work.
     
    
        From www.iwis.com 
                    Taperlock bush How To Taper Locks Work  The bush, with its tapered surface, ensures a tight fit to the shaft when matched with the corresponding component.   join dan and watch him demonstrate how to install a taper lock bushing in a synchronous sprocket.   cbc australia supply martin and fenner brand taper lock bushes as part of our power transmission range.   taper lock bushings. It. How To Taper Locks Work.
     
    
        From www.youtube.com 
                    Taper Lock Bushings YouTube How To Taper Locks Work    taper lock bushings. The bush, with its tapered surface, ensures a tight fit to the shaft when matched with the corresponding component.   taper lock bushes are essential components used to mechanically connect a shaft to a sprocket or pulley. It is correctly fastened to the shaft via its conical.   cbc australia supply martin and fenner brand taper. How To Taper Locks Work.
     
    
        From polybandas.com 
                    Bujes Taper Lock BUJES TAPER LOCK How To Taper Locks Work  The bush, with its tapered surface, ensures a tight fit to the shaft when matched with the corresponding component.   taper lock bushes are essential components used to mechanically connect a shaft to a sprocket or pulley.   join dan and watch him demonstrate how to install a taper lock bushing in a synchronous sprocket.   taper lock bushes are. How To Taper Locks Work.
     
    
        From hgrinc.com 
                    Used Taper Locks HGR Industrial Surplus How To Taper Locks Work    join dan and watch him demonstrate how to install a taper lock bushing in a synchronous sprocket.   cbc australia supply martin and fenner brand taper lock bushes as part of our power transmission range.   taper lock bushes are essential components used to mechanically connect a shaft to a sprocket or pulley. It is correctly fastened to the. How To Taper Locks Work.
     
    
        From www.youtube.com 
                    How to make a taper lock hub 1 YouTube How To Taper Locks Work    join dan and watch him demonstrate how to install a taper lock bushing in a synchronous sprocket.   taper lock bushings.   cbc australia supply martin and fenner brand taper lock bushes as part of our power transmission range. It is correctly fastened to the shaft via its conical. The bush, with its tapered surface, ensures a tight fit. How To Taper Locks Work.
     
    
        From jbfnational.com 
                    Taper Locks , Mold Components How To Taper Locks Work    cbc australia supply martin and fenner brand taper lock bushes as part of our power transmission range. It is correctly fastened to the shaft via its conical.   taper lock bushes are designed to link the shaft to the sprocket or pulley mechanically. The bush, with its tapered surface, ensures a tight fit to the shaft when matched with. How To Taper Locks Work.
     
    
        From www.usarollerchain.com 
                    Taper Lock Bushing & Size Chart USA Roller Chain & Sprocket How To Taper Locks Work    taper lock bushes are designed to link the shaft to the sprocket or pulley mechanically.   taper lock bushings. It is correctly fastened to the shaft via its conical.   cbc australia supply martin and fenner brand taper lock bushes as part of our power transmission range.   join dan and watch him demonstrate how to install a taper. How To Taper Locks Work.
     
    
        From exoywwbbp.blob.core.windows.net 
                    Weld In Taper Lock Hub at Tony blog How To Taper Locks Work    taper lock bushings.   taper lock bushes are designed to link the shaft to the sprocket or pulley mechanically.   cbc australia supply martin and fenner brand taper lock bushes as part of our power transmission range. It is correctly fastened to the shaft via its conical. The bush, with its tapered surface, ensures a tight fit to the. How To Taper Locks Work.