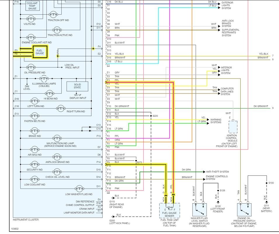
Vehicle Fuel Gauge Not Working . in the event that the fuel gauge constantly reads empty, full, or some random nonsensical reading, then there is an issue with the fuel gauge, the sender, or the wiring in between. 1) bad connection on top of the fuel tank to the fuel tank sending. are you facing issues with an unresponsive or inaccurate fuel gauge? Here’s how to diagnose and fix the issue. How the fuel gauge works. if you experience the fuel gauge not working in your car, it’s critical to locate the problem and then create a repair strategy. Dive into this video as we diagnose four frequent culprits and some. most common causes of fuel gauge not working. these are general steps that might not apply exactly to your car, but it details the general process. Check your owner’s manual to figure out how. The following will walk you through where to start in diagnosing your fuel gauge issues, as problems could be in multiple places.
from offroadpulse.com
Here’s how to diagnose and fix the issue. The following will walk you through where to start in diagnosing your fuel gauge issues, as problems could be in multiple places. in the event that the fuel gauge constantly reads empty, full, or some random nonsensical reading, then there is an issue with the fuel gauge, the sender, or the wiring in between. Check your owner’s manual to figure out how. if you experience the fuel gauge not working in your car, it’s critical to locate the problem and then create a repair strategy. 1) bad connection on top of the fuel tank to the fuel tank sending. these are general steps that might not apply exactly to your car, but it details the general process. are you facing issues with an unresponsive or inaccurate fuel gauge? most common causes of fuel gauge not working. Dive into this video as we diagnose four frequent culprits and some.
How To Fix Jeep Cherokee Gas Gauge Not Working Off Road Pulse
Vehicle Fuel Gauge Not Working most common causes of fuel gauge not working. How the fuel gauge works. Here’s how to diagnose and fix the issue. Check your owner’s manual to figure out how. are you facing issues with an unresponsive or inaccurate fuel gauge? if you experience the fuel gauge not working in your car, it’s critical to locate the problem and then create a repair strategy. most common causes of fuel gauge not working. these are general steps that might not apply exactly to your car, but it details the general process. in the event that the fuel gauge constantly reads empty, full, or some random nonsensical reading, then there is an issue with the fuel gauge, the sender, or the wiring in between. 1) bad connection on top of the fuel tank to the fuel tank sending. Dive into this video as we diagnose four frequent culprits and some. The following will walk you through where to start in diagnosing your fuel gauge issues, as problems could be in multiple places.
From www.2carpros.com
Fuel Gauge Not Working? the Vehicle Fuel Gauge Is Not Functioning... Vehicle Fuel Gauge Not Working most common causes of fuel gauge not working. The following will walk you through where to start in diagnosing your fuel gauge issues, as problems could be in multiple places. How the fuel gauge works. if you experience the fuel gauge not working in your car, it’s critical to locate the problem and then create a repair strategy.. Vehicle Fuel Gauge Not Working.
From vehiclefreak.com
6 Causes For Fuel Gauge Not Working (Diagnose & Replacement Cost) Vehicle Fuel Gauge Not Working these are general steps that might not apply exactly to your car, but it details the general process. in the event that the fuel gauge constantly reads empty, full, or some random nonsensical reading, then there is an issue with the fuel gauge, the sender, or the wiring in between. if you experience the fuel gauge not. Vehicle Fuel Gauge Not Working.
From vehiclefreak.com
RPM Gauge Is Not Working (Causes And Fixes) Vehicle Fuel Gauge Not Working Check your owner’s manual to figure out how. 1) bad connection on top of the fuel tank to the fuel tank sending. How the fuel gauge works. Dive into this video as we diagnose four frequent culprits and some. are you facing issues with an unresponsive or inaccurate fuel gauge? most common causes of fuel gauge not working.. Vehicle Fuel Gauge Not Working.
From www.youtube.com
Fuel Gauge not working? YouTube Vehicle Fuel Gauge Not Working Check your owner’s manual to figure out how. Dive into this video as we diagnose four frequent culprits and some. The following will walk you through where to start in diagnosing your fuel gauge issues, as problems could be in multiple places. 1) bad connection on top of the fuel tank to the fuel tank sending. Here’s how to diagnose. Vehicle Fuel Gauge Not Working.
From offroadpulse.com
How To Fix Jeep Cherokee Gas Gauge Not Working Off Road Pulse Vehicle Fuel Gauge Not Working The following will walk you through where to start in diagnosing your fuel gauge issues, as problems could be in multiple places. Dive into this video as we diagnose four frequent culprits and some. if you experience the fuel gauge not working in your car, it’s critical to locate the problem and then create a repair strategy. How the. Vehicle Fuel Gauge Not Working.
From workshopfixannadevianpu.z14.web.core.windows.net
How To Test A Fuel Gauge Vehicle Fuel Gauge Not Working How the fuel gauge works. most common causes of fuel gauge not working. Check your owner’s manual to figure out how. these are general steps that might not apply exactly to your car, but it details the general process. are you facing issues with an unresponsive or inaccurate fuel gauge? if you experience the fuel gauge. Vehicle Fuel Gauge Not Working.
From www.2carpros.com
Fuel Gauge Not Working? the Vehicle Fuel Gauge Is Not Functioning... Vehicle Fuel Gauge Not Working The following will walk you through where to start in diagnosing your fuel gauge issues, as problems could be in multiple places. in the event that the fuel gauge constantly reads empty, full, or some random nonsensical reading, then there is an issue with the fuel gauge, the sender, or the wiring in between. are you facing issues. Vehicle Fuel Gauge Not Working.
From vehiclechef.com
5 Reasons Nissan Altima Fuel Gauge Not Working (Fixed!) VehicleChef Vehicle Fuel Gauge Not Working The following will walk you through where to start in diagnosing your fuel gauge issues, as problems could be in multiple places. Here’s how to diagnose and fix the issue. Dive into this video as we diagnose four frequent culprits and some. most common causes of fuel gauge not working. these are general steps that might not apply. Vehicle Fuel Gauge Not Working.
From rerev.com
Fuel gauge not working — causes and fixes REREV Vehicle Fuel Gauge Not Working Here’s how to diagnose and fix the issue. in the event that the fuel gauge constantly reads empty, full, or some random nonsensical reading, then there is an issue with the fuel gauge, the sender, or the wiring in between. The following will walk you through where to start in diagnosing your fuel gauge issues, as problems could be. Vehicle Fuel Gauge Not Working.
From www.youtube.com
Nissan Altima P0462 Fuel Gauge Not Working Simple Fix With Screwdriver Vehicle Fuel Gauge Not Working Here’s how to diagnose and fix the issue. Check your owner’s manual to figure out how. 1) bad connection on top of the fuel tank to the fuel tank sending. Dive into this video as we diagnose four frequent culprits and some. in the event that the fuel gauge constantly reads empty, full, or some random nonsensical reading, then. Vehicle Fuel Gauge Not Working.
From www.2carpros.com
Fuel Gauge Not Working? the Vehicle Fuel Gauge Is Not Functioning... Vehicle Fuel Gauge Not Working are you facing issues with an unresponsive or inaccurate fuel gauge? How the fuel gauge works. Here’s how to diagnose and fix the issue. The following will walk you through where to start in diagnosing your fuel gauge issues, as problems could be in multiple places. Dive into this video as we diagnose four frequent culprits and some. . Vehicle Fuel Gauge Not Working.
From www.liveabout.com
4 Reasons Why Your Gas Gauge Isn't Working Vehicle Fuel Gauge Not Working these are general steps that might not apply exactly to your car, but it details the general process. are you facing issues with an unresponsive or inaccurate fuel gauge? most common causes of fuel gauge not working. How the fuel gauge works. The following will walk you through where to start in diagnosing your fuel gauge issues,. Vehicle Fuel Gauge Not Working.
From motorvehiclehq.com
Fuel Gauge Not Working? How to Fix the Gas Gauge In Your Car Motor Vehicle Fuel Gauge Not Working The following will walk you through where to start in diagnosing your fuel gauge issues, as problems could be in multiple places. How the fuel gauge works. if you experience the fuel gauge not working in your car, it’s critical to locate the problem and then create a repair strategy. these are general steps that might not apply. Vehicle Fuel Gauge Not Working.
From www.cardeeply.com
Porsche 944 Fuel Gauge Not Working Do THIS! Vehicle Fuel Gauge Not Working How the fuel gauge works. are you facing issues with an unresponsive or inaccurate fuel gauge? 1) bad connection on top of the fuel tank to the fuel tank sending. these are general steps that might not apply exactly to your car, but it details the general process. in the event that the fuel gauge constantly reads. Vehicle Fuel Gauge Not Working.
From www.2carpros.com
Fuel Gauge Not Working Properly the Fuel Gauge Stays at One Vehicle Fuel Gauge Not Working The following will walk you through where to start in diagnosing your fuel gauge issues, as problems could be in multiple places. Dive into this video as we diagnose four frequent culprits and some. if you experience the fuel gauge not working in your car, it’s critical to locate the problem and then create a repair strategy. these. Vehicle Fuel Gauge Not Working.
From exoykphwz.blob.core.windows.net
Fuel Gauge Not Working On Fiat Ducato at Lynn Slater blog Vehicle Fuel Gauge Not Working are you facing issues with an unresponsive or inaccurate fuel gauge? most common causes of fuel gauge not working. if you experience the fuel gauge not working in your car, it’s critical to locate the problem and then create a repair strategy. The following will walk you through where to start in diagnosing your fuel gauge issues,. Vehicle Fuel Gauge Not Working.
From www.liveabout.com
4 Reasons Why Your Fuel Gauge Isn't Working Vehicle Fuel Gauge Not Working are you facing issues with an unresponsive or inaccurate fuel gauge? The following will walk you through where to start in diagnosing your fuel gauge issues, as problems could be in multiple places. 1) bad connection on top of the fuel tank to the fuel tank sending. Here’s how to diagnose and fix the issue. Dive into this video. Vehicle Fuel Gauge Not Working.
From www.2carpros.com
Fuel Gauge Not Working Properly When I First Start the Car of the... Vehicle Fuel Gauge Not Working 1) bad connection on top of the fuel tank to the fuel tank sending. in the event that the fuel gauge constantly reads empty, full, or some random nonsensical reading, then there is an issue with the fuel gauge, the sender, or the wiring in between. are you facing issues with an unresponsive or inaccurate fuel gauge? Dive. Vehicle Fuel Gauge Not Working.
From motorvehiclehq.com
Fuel Gauge Not Working? How to Fix the Gas Gauge In Your Car Motor Vehicle Fuel Gauge Not Working How the fuel gauge works. Check your owner’s manual to figure out how. 1) bad connection on top of the fuel tank to the fuel tank sending. Dive into this video as we diagnose four frequent culprits and some. if you experience the fuel gauge not working in your car, it’s critical to locate the problem and then create. Vehicle Fuel Gauge Not Working.
From www.youtube.com
Fuel gauge not working properly (Solved) YouTube Vehicle Fuel Gauge Not Working in the event that the fuel gauge constantly reads empty, full, or some random nonsensical reading, then there is an issue with the fuel gauge, the sender, or the wiring in between. Here’s how to diagnose and fix the issue. Dive into this video as we diagnose four frequent culprits and some. are you facing issues with an. Vehicle Fuel Gauge Not Working.
From rerev.com
Fuel gauge not working — causes and fixes REREV Vehicle Fuel Gauge Not Working The following will walk you through where to start in diagnosing your fuel gauge issues, as problems could be in multiple places. How the fuel gauge works. Dive into this video as we diagnose four frequent culprits and some. in the event that the fuel gauge constantly reads empty, full, or some random nonsensical reading, then there is an. Vehicle Fuel Gauge Not Working.
From mechanicsdiary.com
4 Reasons Your Gas Gauge Isn't Working How To Dignose & Fix Vehicle Fuel Gauge Not Working Check your owner’s manual to figure out how. most common causes of fuel gauge not working. Here’s how to diagnose and fix the issue. are you facing issues with an unresponsive or inaccurate fuel gauge? Dive into this video as we diagnose four frequent culprits and some. 1) bad connection on top of the fuel tank to the. Vehicle Fuel Gauge Not Working.
From www.monitor.co.ug
Ask the Mechanic Why is my fuel gauge not working? Monitor Vehicle Fuel Gauge Not Working Dive into this video as we diagnose four frequent culprits and some. How the fuel gauge works. The following will walk you through where to start in diagnosing your fuel gauge issues, as problems could be in multiple places. Check your owner’s manual to figure out how. 1) bad connection on top of the fuel tank to the fuel tank. Vehicle Fuel Gauge Not Working.
From mechanicbase.com
Why Your Gas Gauge Is Not Working Or Is Inaccurate Vehicle Fuel Gauge Not Working Check your owner’s manual to figure out how. in the event that the fuel gauge constantly reads empty, full, or some random nonsensical reading, then there is an issue with the fuel gauge, the sender, or the wiring in between. The following will walk you through where to start in diagnosing your fuel gauge issues, as problems could be. Vehicle Fuel Gauge Not Working.
From ricksfreeautorepairadvice.com
Fuel gauge isn't working or reading wrong amount — Ricks Free Auto Vehicle Fuel Gauge Not Working these are general steps that might not apply exactly to your car, but it details the general process. Check your owner’s manual to figure out how. 1) bad connection on top of the fuel tank to the fuel tank sending. How the fuel gauge works. in the event that the fuel gauge constantly reads empty, full, or some. Vehicle Fuel Gauge Not Working.
From vehiclechef.com
7 Reasons Kia Fuel Gauge Not Working (Fixed!) VehicleChef Vehicle Fuel Gauge Not Working most common causes of fuel gauge not working. The following will walk you through where to start in diagnosing your fuel gauge issues, as problems could be in multiple places. Here’s how to diagnose and fix the issue. Check your owner’s manual to figure out how. 1) bad connection on top of the fuel tank to the fuel tank. Vehicle Fuel Gauge Not Working.
From repairmachinewebb77.z19.web.core.windows.net
Toyota Camry Fuel Gauge Not Working Vehicle Fuel Gauge Not Working in the event that the fuel gauge constantly reads empty, full, or some random nonsensical reading, then there is an issue with the fuel gauge, the sender, or the wiring in between. 1) bad connection on top of the fuel tank to the fuel tank sending. these are general steps that might not apply exactly to your car,. Vehicle Fuel Gauge Not Working.
From www.2carpros.com
Fuel Gauge Not Working Properly the Fuel Gauge Stays at One Vehicle Fuel Gauge Not Working 1) bad connection on top of the fuel tank to the fuel tank sending. How the fuel gauge works. Dive into this video as we diagnose four frequent culprits and some. in the event that the fuel gauge constantly reads empty, full, or some random nonsensical reading, then there is an issue with the fuel gauge, the sender, or. Vehicle Fuel Gauge Not Working.
From toolsbible.com
Ford F150 Gas Gauge Not Working Vehicle Fuel Gauge Not Working 1) bad connection on top of the fuel tank to the fuel tank sending. are you facing issues with an unresponsive or inaccurate fuel gauge? Check your owner’s manual to figure out how. if you experience the fuel gauge not working in your car, it’s critical to locate the problem and then create a repair strategy. How the. Vehicle Fuel Gauge Not Working.
From www.dubizzle.com
What is a Faulty Fuel Gauge Issues, Solutions & More Vehicle Fuel Gauge Not Working Check your owner’s manual to figure out how. if you experience the fuel gauge not working in your car, it’s critical to locate the problem and then create a repair strategy. Dive into this video as we diagnose four frequent culprits and some. most common causes of fuel gauge not working. 1) bad connection on top of the. Vehicle Fuel Gauge Not Working.
From shop.advanceautoparts.com
Gas Gauge Not Working? Symptoms & How To Fix Vehicle Fuel Gauge Not Working if you experience the fuel gauge not working in your car, it’s critical to locate the problem and then create a repair strategy. are you facing issues with an unresponsive or inaccurate fuel gauge? 1) bad connection on top of the fuel tank to the fuel tank sending. in the event that the fuel gauge constantly reads. Vehicle Fuel Gauge Not Working.
From mechanicbase.com
Why Your Gas Gauge Is Not Working Or Is Inaccurate Vehicle Fuel Gauge Not Working are you facing issues with an unresponsive or inaccurate fuel gauge? Check your owner’s manual to figure out how. in the event that the fuel gauge constantly reads empty, full, or some random nonsensical reading, then there is an issue with the fuel gauge, the sender, or the wiring in between. Dive into this video as we diagnose. Vehicle Fuel Gauge Not Working.
From bintaghe.blogspot.com
How To Fix Gas Gauge On Chevy Truck Vehicle Fuel Gauge Not Working if you experience the fuel gauge not working in your car, it’s critical to locate the problem and then create a repair strategy. most common causes of fuel gauge not working. these are general steps that might not apply exactly to your car, but it details the general process. Here’s how to diagnose and fix the issue.. Vehicle Fuel Gauge Not Working.
From fixrepairglowworms.z5.web.core.windows.net
How To Fix Fuel Gauge Not Working Vehicle Fuel Gauge Not Working these are general steps that might not apply exactly to your car, but it details the general process. most common causes of fuel gauge not working. How the fuel gauge works. if you experience the fuel gauge not working in your car, it’s critical to locate the problem and then create a repair strategy. The following will. Vehicle Fuel Gauge Not Working.
From vehiclechef.com
5 Reasons Nissan Altima Fuel Gauge Not Working (Fixed!) VehicleChef Vehicle Fuel Gauge Not Working How the fuel gauge works. if you experience the fuel gauge not working in your car, it’s critical to locate the problem and then create a repair strategy. The following will walk you through where to start in diagnosing your fuel gauge issues, as problems could be in multiple places. most common causes of fuel gauge not working.. Vehicle Fuel Gauge Not Working.