Car Interior Light Circuit . This circuit is similar to the fading eyes circuit above and is used to slowly brighten and fade interior lights of older cars. The circuit is based around the lm324 low power opamp which draws. Down this page we learn extensively pertaining to a surprisingly simple how to make a car interior light fader circuit which really can be created at your home by any new. This is a feature that is included as standard with. In this instructables guide i will show you how to make an rgb interior car lighting by using the arduino uno board (or any other arduino based board). I made my own circuit by using the atmega328 micro controller but this is an optional step. The fading effect is achieved. This circuit is much more modest, but certainly still worth the effort. In this post i have explained a simple circuit which can be used for producing a slow fading light effect each time it's switched off. This circuit will keep the car interior lights switched on for some time after the ignition is turned off so that the driver is able to exit the car comfortably without missing anything important inside the car. It provides a high quality interior light delay.
from www.circuitdiagram.co
This circuit will keep the car interior lights switched on for some time after the ignition is turned off so that the driver is able to exit the car comfortably without missing anything important inside the car. The circuit is based around the lm324 low power opamp which draws. In this post i have explained a simple circuit which can be used for producing a slow fading light effect each time it's switched off. Down this page we learn extensively pertaining to a surprisingly simple how to make a car interior light fader circuit which really can be created at your home by any new. I made my own circuit by using the atmega328 micro controller but this is an optional step. This circuit is similar to the fading eyes circuit above and is used to slowly brighten and fade interior lights of older cars. It provides a high quality interior light delay. In this instructables guide i will show you how to make an rgb interior car lighting by using the arduino uno board (or any other arduino based board). This is a feature that is included as standard with. The fading effect is achieved.
Car Lighting Circuit Diagram » Circuit Diagram
Car Interior Light Circuit In this post i have explained a simple circuit which can be used for producing a slow fading light effect each time it's switched off. In this instructables guide i will show you how to make an rgb interior car lighting by using the arduino uno board (or any other arduino based board). This is a feature that is included as standard with. The circuit is based around the lm324 low power opamp which draws. In this post i have explained a simple circuit which can be used for producing a slow fading light effect each time it's switched off. The fading effect is achieved. This circuit is similar to the fading eyes circuit above and is used to slowly brighten and fade interior lights of older cars. This circuit will keep the car interior lights switched on for some time after the ignition is turned off so that the driver is able to exit the car comfortably without missing anything important inside the car. It provides a high quality interior light delay. Down this page we learn extensively pertaining to a surprisingly simple how to make a car interior light fader circuit which really can be created at your home by any new. This circuit is much more modest, but certainly still worth the effort. I made my own circuit by using the atmega328 micro controller but this is an optional step.
From www.motoczysz.com
The Best Interior Car Lighting System in 2024 Buying Guide Car Interior Light Circuit This circuit is similar to the fading eyes circuit above and is used to slowly brighten and fade interior lights of older cars. In this instructables guide i will show you how to make an rgb interior car lighting by using the arduino uno board (or any other arduino based board). The circuit is based around the lm324 low power. Car Interior Light Circuit.
From nerdtechy.com
5 Best LED Car Interior Lights [2023 Guide] Nerd Techy Car Interior Light Circuit This circuit will keep the car interior lights switched on for some time after the ignition is turned off so that the driver is able to exit the car comfortably without missing anything important inside the car. It provides a high quality interior light delay. This circuit is much more modest, but certainly still worth the effort. In this post. Car Interior Light Circuit.
From www.circuits-diy.com
Luxury Car Interior Light Circuit Car Interior Light Circuit In this post i have explained a simple circuit which can be used for producing a slow fading light effect each time it's switched off. This circuit is much more modest, but certainly still worth the effort. It provides a high quality interior light delay. This circuit will keep the car interior lights switched on for some time after the. Car Interior Light Circuit.
From www.circuits-diy.com
Luxury Car Interior Light Circuit Car Interior Light Circuit This is a feature that is included as standard with. In this instructables guide i will show you how to make an rgb interior car lighting by using the arduino uno board (or any other arduino based board). In this post i have explained a simple circuit which can be used for producing a slow fading light effect each time. Car Interior Light Circuit.
From www.wiringdigital.com
Lighting Control Panel Wiring Diagram Wiring Digital and Schematic Car Interior Light Circuit Down this page we learn extensively pertaining to a surprisingly simple how to make a car interior light fader circuit which really can be created at your home by any new. The circuit is based around the lm324 low power opamp which draws. I made my own circuit by using the atmega328 micro controller but this is an optional step.. Car Interior Light Circuit.
From www.sciencelearn.org.nz
Car interior light model — Science Learning Hub Car Interior Light Circuit This circuit is much more modest, but certainly still worth the effort. This is a feature that is included as standard with. In this instructables guide i will show you how to make an rgb interior car lighting by using the arduino uno board (or any other arduino based board). It provides a high quality interior light delay. In this. Car Interior Light Circuit.
From nerdtechy.com
5 Best LED Car Interior Lights [2023 Guide] Nerd Techy Car Interior Light Circuit This circuit is similar to the fading eyes circuit above and is used to slowly brighten and fade interior lights of older cars. It provides a high quality interior light delay. Down this page we learn extensively pertaining to a surprisingly simple how to make a car interior light fader circuit which really can be created at your home by. Car Interior Light Circuit.
From www.seekic.com
Nissan A32EL interior light circuit 2 Automotive_Circuit Circuit Car Interior Light Circuit This circuit is similar to the fading eyes circuit above and is used to slowly brighten and fade interior lights of older cars. It provides a high quality interior light delay. I made my own circuit by using the atmega328 micro controller but this is an optional step. This is a feature that is included as standard with. This circuit. Car Interior Light Circuit.
From schematicenginepropst.z19.web.core.windows.net
Car Light Wiring Diagram Car Interior Light Circuit Down this page we learn extensively pertaining to a surprisingly simple how to make a car interior light fader circuit which really can be created at your home by any new. This is a feature that is included as standard with. In this post i have explained a simple circuit which can be used for producing a slow fading light. Car Interior Light Circuit.
From www.haccord.org
Honda Accord Circuit Diagram Interior Lights Body Electrical Car Interior Light Circuit The fading effect is achieved. In this instructables guide i will show you how to make an rgb interior car lighting by using the arduino uno board (or any other arduino based board). This circuit will keep the car interior lights switched on for some time after the ignition is turned off so that the driver is able to exit. Car Interior Light Circuit.
From wiringdiagram.2bitboer.com
Wiring Diagram For Car Lighting System Wiring Diagram Car Interior Light Circuit It provides a high quality interior light delay. Down this page we learn extensively pertaining to a surprisingly simple how to make a car interior light fader circuit which really can be created at your home by any new. This circuit is similar to the fading eyes circuit above and is used to slowly brighten and fade interior lights of. Car Interior Light Circuit.
From www.circuitdiagram.co
Car Lighting Circuit Diagram » Circuit Diagram Car Interior Light Circuit In this instructables guide i will show you how to make an rgb interior car lighting by using the arduino uno board (or any other arduino based board). This circuit is similar to the fading eyes circuit above and is used to slowly brighten and fade interior lights of older cars. I made my own circuit by using the atmega328. Car Interior Light Circuit.
From circuitwiringcasey.z21.web.core.windows.net
Car Door Light Series Circuit Diagram Car Interior Light Circuit The circuit is based around the lm324 low power opamp which draws. This circuit is much more modest, but certainly still worth the effort. This is a feature that is included as standard with. Down this page we learn extensively pertaining to a surprisingly simple how to make a car interior light fader circuit which really can be created at. Car Interior Light Circuit.
From www.jalopyjournal.com
Technical Headlight switch wiring help!! The H.A.M.B. Car Interior Light Circuit Down this page we learn extensively pertaining to a surprisingly simple how to make a car interior light fader circuit which really can be created at your home by any new. It provides a high quality interior light delay. In this post i have explained a simple circuit which can be used for producing a slow fading light effect each. Car Interior Light Circuit.
From teisco-wiring-diagram88.blogspot.com
Car Lights Diagram / Make this Car Interior Light Fader Circuit Car Interior Light Circuit This circuit is similar to the fading eyes circuit above and is used to slowly brighten and fade interior lights of older cars. This circuit will keep the car interior lights switched on for some time after the ignition is turned off so that the driver is able to exit the car comfortably without missing anything important inside the car.. Car Interior Light Circuit.
From www.hondafitjazz.com
Interior Lights Circuit Diagram With Sunroof Car Interior Light Circuit In this post i have explained a simple circuit which can be used for producing a slow fading light effect each time it's switched off. This circuit is similar to the fading eyes circuit above and is used to slowly brighten and fade interior lights of older cars. The circuit is based around the lm324 low power opamp which draws.. Car Interior Light Circuit.
From www.jalopyjournal.com
Technical Rebel Wire Harness diagrams and wiring info Page 3 The Car Interior Light Circuit I made my own circuit by using the atmega328 micro controller but this is an optional step. In this post i have explained a simple circuit which can be used for producing a slow fading light effect each time it's switched off. The fading effect is achieved. The circuit is based around the lm324 low power opamp which draws. This. Car Interior Light Circuit.
From teisco-wiring-diagram88.blogspot.com
Car Lights Diagram / Make this Car Interior Light Fader Circuit Car Interior Light Circuit This is a feature that is included as standard with. This circuit will keep the car interior lights switched on for some time after the ignition is turned off so that the driver is able to exit the car comfortably without missing anything important inside the car. Down this page we learn extensively pertaining to a surprisingly simple how to. Car Interior Light Circuit.
From teisco-wiring-diagram88.blogspot.com
Car Lights Diagram / Make this Car Interior Light Fader Circuit Car Interior Light Circuit This circuit will keep the car interior lights switched on for some time after the ignition is turned off so that the driver is able to exit the car comfortably without missing anything important inside the car. I made my own circuit by using the atmega328 micro controller but this is an optional step. The circuit is based around the. Car Interior Light Circuit.
From www.electrics-home.co.uk
Home Electrics Light Circuit Car Interior Light Circuit The fading effect is achieved. I made my own circuit by using the atmega328 micro controller but this is an optional step. This circuit is similar to the fading eyes circuit above and is used to slowly brighten and fade interior lights of older cars. It provides a high quality interior light delay. This is a feature that is included. Car Interior Light Circuit.
From www.circuitdiagram.co
Car Interior Light Wiring Diagram Circuit Diagram Car Interior Light Circuit It provides a high quality interior light delay. This is a feature that is included as standard with. I made my own circuit by using the atmega328 micro controller but this is an optional step. In this instructables guide i will show you how to make an rgb interior car lighting by using the arduino uno board (or any other. Car Interior Light Circuit.
From www.seekic.com
Audi interior light circuit 555_Circuit Circuit Diagram Car Interior Light Circuit This is a feature that is included as standard with. Down this page we learn extensively pertaining to a surprisingly simple how to make a car interior light fader circuit which really can be created at your home by any new. In this instructables guide i will show you how to make an rgb interior car lighting by using the. Car Interior Light Circuit.
From schematicdiagramhuber.z19.web.core.windows.net
Car Door Light Circuit Diagram Car Interior Light Circuit The fading effect is achieved. It provides a high quality interior light delay. In this instructables guide i will show you how to make an rgb interior car lighting by using the arduino uno board (or any other arduino based board). This circuit is similar to the fading eyes circuit above and is used to slowly brighten and fade interior. Car Interior Light Circuit.
From www.youtube.com
Four Door Car Interior Light Logic Circuit1 YouTube Car Interior Light Circuit The circuit is based around the lm324 low power opamp which draws. In this instructables guide i will show you how to make an rgb interior car lighting by using the arduino uno board (or any other arduino based board). Down this page we learn extensively pertaining to a surprisingly simple how to make a car interior light fader circuit. Car Interior Light Circuit.
From schematicparthoover.z21.web.core.windows.net
Car Light Circuit Diagram Car Interior Light Circuit This circuit will keep the car interior lights switched on for some time after the ignition is turned off so that the driver is able to exit the car comfortably without missing anything important inside the car. The circuit is based around the lm324 low power opamp which draws. This is a feature that is included as standard with. This. Car Interior Light Circuit.
From diagramlistleah.z19.web.core.windows.net
Car Door Light Circuit Diagram Car Interior Light Circuit The circuit is based around the lm324 low power opamp which draws. In this instructables guide i will show you how to make an rgb interior car lighting by using the arduino uno board (or any other arduino based board). This circuit is similar to the fading eyes circuit above and is used to slowly brighten and fade interior lights. Car Interior Light Circuit.
From www.2carpros.com
Interior Lights Wiring Diagram Needed I Would Like to Get a Car Interior Light Circuit This circuit is similar to the fading eyes circuit above and is used to slowly brighten and fade interior lights of older cars. This circuit will keep the car interior lights switched on for some time after the ignition is turned off so that the driver is able to exit the car comfortably without missing anything important inside the car.. Car Interior Light Circuit.
From www.circuitdiagram.co
Car Lighting Circuit Diagram Car Interior Light Circuit In this post i have explained a simple circuit which can be used for producing a slow fading light effect each time it's switched off. The fading effect is achieved. This is a feature that is included as standard with. Down this page we learn extensively pertaining to a surprisingly simple how to make a car interior light fader circuit. Car Interior Light Circuit.
From wiringguidejurats.z19.web.core.windows.net
Car Door Light Circuit Diagram Car Interior Light Circuit I made my own circuit by using the atmega328 micro controller but this is an optional step. This circuit is similar to the fading eyes circuit above and is used to slowly brighten and fade interior lights of older cars. This is a feature that is included as standard with. This circuit is much more modest, but certainly still worth. Car Interior Light Circuit.
From wiringmanualnoonan.z19.web.core.windows.net
Interior Light Circuit Diagram Car Interior Light Circuit This circuit is similar to the fading eyes circuit above and is used to slowly brighten and fade interior lights of older cars. This circuit is much more modest, but certainly still worth the effort. Down this page we learn extensively pertaining to a surprisingly simple how to make a car interior light fader circuit which really can be created. Car Interior Light Circuit.
From www.youtube.com
How To Install Interior LED Lighting in ANY Car! YouTube Car Interior Light Circuit This circuit will keep the car interior lights switched on for some time after the ignition is turned off so that the driver is able to exit the car comfortably without missing anything important inside the car. In this instructables guide i will show you how to make an rgb interior car lighting by using the arduino uno board (or. Car Interior Light Circuit.
From nerdtechy.com
5 Best LED Car Interior Lights [2023 Guide] Nerd Techy Car Interior Light Circuit The circuit is based around the lm324 low power opamp which draws. In this instructables guide i will show you how to make an rgb interior car lighting by using the arduino uno board (or any other arduino based board). This circuit is much more modest, but certainly still worth the effort. This is a feature that is included as. Car Interior Light Circuit.
From circuitmanualkohler.z19.web.core.windows.net
Wiring Diagram For Car Interior Lights Car Interior Light Circuit This circuit is much more modest, but certainly still worth the effort. In this post i have explained a simple circuit which can be used for producing a slow fading light effect each time it's switched off. It provides a high quality interior light delay. This circuit is similar to the fading eyes circuit above and is used to slowly. Car Interior Light Circuit.
From wiringdiagramall.blogspot.com
Wiring Diagram For Car Interior Lights Car Interior Light Circuit This is a feature that is included as standard with. It provides a high quality interior light delay. The fading effect is achieved. The circuit is based around the lm324 low power opamp which draws. Down this page we learn extensively pertaining to a surprisingly simple how to make a car interior light fader circuit which really can be created. Car Interior Light Circuit.
From www.scribd.com
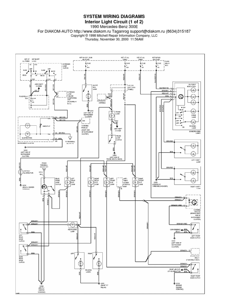
Interior Light Circuit 1 of 2 PDF Car Interior Light Circuit The circuit is based around the lm324 low power opamp which draws. This circuit is much more modest, but certainly still worth the effort. In this instructables guide i will show you how to make an rgb interior car lighting by using the arduino uno board (or any other arduino based board). It provides a high quality interior light delay.. Car Interior Light Circuit.