How To Replace O Ring On Hayward Sand Filter . how to change the hayward cartridge filters o ringsget for new filter $62 bucks. replace damaged, broken, cracked, missing, or not securely attached suction outlet components immediately. 7 steps to fix broken or. dive into essential pool maintenance with our detailed tutorial on. 4 main reasons and 4 solutions for fixing leakage of the top of hayward pool sand filter. use only hayward genuine replacement parts 1 proseries™ high rate sand filters owner’s manual.
from mechanicdbeighteen.z21.web.core.windows.net
4 main reasons and 4 solutions for fixing leakage of the top of hayward pool sand filter. 7 steps to fix broken or. how to change the hayward cartridge filters o ringsget for new filter $62 bucks. replace damaged, broken, cracked, missing, or not securely attached suction outlet components immediately. dive into essential pool maintenance with our detailed tutorial on. use only hayward genuine replacement parts 1 proseries™ high rate sand filters owner’s manual.
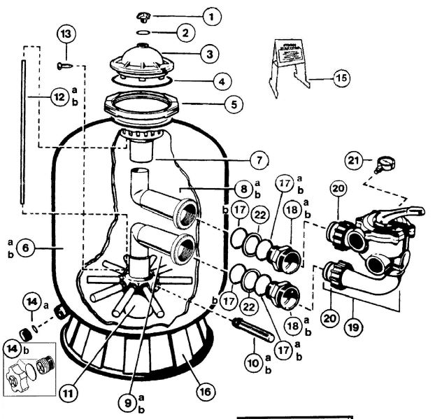
Pool Sand Filter Parts Diagram
How To Replace O Ring On Hayward Sand Filter how to change the hayward cartridge filters o ringsget for new filter $62 bucks. 4 main reasons and 4 solutions for fixing leakage of the top of hayward pool sand filter. how to change the hayward cartridge filters o ringsget for new filter $62 bucks. replace damaged, broken, cracked, missing, or not securely attached suction outlet components immediately. 7 steps to fix broken or. use only hayward genuine replacement parts 1 proseries™ high rate sand filters owner’s manual. dive into essential pool maintenance with our detailed tutorial on.
From wiringdiagrambam.z5.web.core.windows.net
Hayward Sand Filter Troubleshooting Guide How To Replace O Ring On Hayward Sand Filter 4 main reasons and 4 solutions for fixing leakage of the top of hayward pool sand filter. how to change the hayward cartridge filters o ringsget for new filter $62 bucks. dive into essential pool maintenance with our detailed tutorial on. 7 steps to fix broken or. use only hayward genuine replacement parts 1 proseries™ high rate. How To Replace O Ring On Hayward Sand Filter.
From www.captainoring.com
Captain ORing Replacement SPX0714L Cover ORings for Hayward SP0714T How To Replace O Ring On Hayward Sand Filter how to change the hayward cartridge filters o ringsget for new filter $62 bucks. replace damaged, broken, cracked, missing, or not securely attached suction outlet components immediately. dive into essential pool maintenance with our detailed tutorial on. use only hayward genuine replacement parts 1 proseries™ high rate sand filters owner’s manual. 4 main reasons and 4. How To Replace O Ring On Hayward Sand Filter.
From www.youtube.com
How To Change The Sand In a Pool Filter YouTube How To Replace O Ring On Hayward Sand Filter how to change the hayward cartridge filters o ringsget for new filter $62 bucks. 4 main reasons and 4 solutions for fixing leakage of the top of hayward pool sand filter. dive into essential pool maintenance with our detailed tutorial on. use only hayward genuine replacement parts 1 proseries™ high rate sand filters owner’s manual. replace. How To Replace O Ring On Hayward Sand Filter.
From lesliespool.com
Hayward ORing Kit All ORings on Strainer and Filter Leslie's Pool How To Replace O Ring On Hayward Sand Filter how to change the hayward cartridge filters o ringsget for new filter $62 bucks. 7 steps to fix broken or. 4 main reasons and 4 solutions for fixing leakage of the top of hayward pool sand filter. replace damaged, broken, cracked, missing, or not securely attached suction outlet components immediately. use only hayward genuine replacement parts 1. How To Replace O Ring On Hayward Sand Filter.
From www.youtube.com
How to change the Hayward Cartridge Filters O Rings YouTube How To Replace O Ring On Hayward Sand Filter how to change the hayward cartridge filters o ringsget for new filter $62 bucks. 7 steps to fix broken or. 4 main reasons and 4 solutions for fixing leakage of the top of hayward pool sand filter. dive into essential pool maintenance with our detailed tutorial on. use only hayward genuine replacement parts 1 proseries™ high rate. How To Replace O Ring On Hayward Sand Filter.
From www.theoringstore.com
ORing for SX200Z5 Hayward Sand Filter Oring/Pro Series & Micro Clear How To Replace O Ring On Hayward Sand Filter replace damaged, broken, cracked, missing, or not securely attached suction outlet components immediately. 4 main reasons and 4 solutions for fixing leakage of the top of hayward pool sand filter. dive into essential pool maintenance with our detailed tutorial on. how to change the hayward cartridge filters o ringsget for new filter $62 bucks. use only. How To Replace O Ring On Hayward Sand Filter.
From www.amazon.ca
Hayward VLX4002A Clamp Hardware and Filter ORing Replacement for How To Replace O Ring On Hayward Sand Filter dive into essential pool maintenance with our detailed tutorial on. 7 steps to fix broken or. 4 main reasons and 4 solutions for fixing leakage of the top of hayward pool sand filter. use only hayward genuine replacement parts 1 proseries™ high rate sand filters owner’s manual. how to change the hayward cartridge filters o ringsget for. How To Replace O Ring On Hayward Sand Filter.
From aquasupercenter.com
Hayward Sand Filter ValveTank ORing How To Replace O Ring On Hayward Sand Filter replace damaged, broken, cracked, missing, or not securely attached suction outlet components immediately. dive into essential pool maintenance with our detailed tutorial on. how to change the hayward cartridge filters o ringsget for new filter $62 bucks. 4 main reasons and 4 solutions for fixing leakage of the top of hayward pool sand filter. use only. How To Replace O Ring On Hayward Sand Filter.
From poolhj.blogspot.com
How To Change Sand In Pool Filter Hayward poolhj How To Replace O Ring On Hayward Sand Filter replace damaged, broken, cracked, missing, or not securely attached suction outlet components immediately. 7 steps to fix broken or. use only hayward genuine replacement parts 1 proseries™ high rate sand filters owner’s manual. how to change the hayward cartridge filters o ringsget for new filter $62 bucks. 4 main reasons and 4 solutions for fixing leakage of. How To Replace O Ring On Hayward Sand Filter.
From www.youtube.com
How to backwash a Hayward Sand Filter YouTube How To Replace O Ring On Hayward Sand Filter dive into essential pool maintenance with our detailed tutorial on. 4 main reasons and 4 solutions for fixing leakage of the top of hayward pool sand filter. use only hayward genuine replacement parts 1 proseries™ high rate sand filters owner’s manual. 7 steps to fix broken or. how to change the hayward cartridge filters o ringsget for. How To Replace O Ring On Hayward Sand Filter.
From aquasupercenter.com
Hayward S200 Sand Filter Tank ORing How To Replace O Ring On Hayward Sand Filter replace damaged, broken, cracked, missing, or not securely attached suction outlet components immediately. use only hayward genuine replacement parts 1 proseries™ high rate sand filters owner’s manual. 7 steps to fix broken or. dive into essential pool maintenance with our detailed tutorial on. 4 main reasons and 4 solutions for fixing leakage of the top of hayward. How To Replace O Ring On Hayward Sand Filter.
From reviewmotors.co
Hayward Pro Series Sand Filter Replacement Parts Reviewmotors.co How To Replace O Ring On Hayward Sand Filter replace damaged, broken, cracked, missing, or not securely attached suction outlet components immediately. how to change the hayward cartridge filters o ringsget for new filter $62 bucks. use only hayward genuine replacement parts 1 proseries™ high rate sand filters owner’s manual. 4 main reasons and 4 solutions for fixing leakage of the top of hayward pool sand. How To Replace O Ring On Hayward Sand Filter.
From lesliespool.com
Hayward ORing Kit All ORings on Strainer and Filter Leslie's Pool How To Replace O Ring On Hayward Sand Filter replace damaged, broken, cracked, missing, or not securely attached suction outlet components immediately. 7 steps to fix broken or. 4 main reasons and 4 solutions for fixing leakage of the top of hayward pool sand filter. dive into essential pool maintenance with our detailed tutorial on. use only hayward genuine replacement parts 1 proseries™ high rate sand. How To Replace O Ring On Hayward Sand Filter.
From usermanual101.github.io
hayward sand filter manual How To Replace O Ring On Hayward Sand Filter dive into essential pool maintenance with our detailed tutorial on. 4 main reasons and 4 solutions for fixing leakage of the top of hayward pool sand filter. use only hayward genuine replacement parts 1 proseries™ high rate sand filters owner’s manual. 7 steps to fix broken or. how to change the hayward cartridge filters o ringsget for. How To Replace O Ring On Hayward Sand Filter.
From www.poolsuppliescanada.ca
Hayward GMX600F Valve/Tank ORing Pool Supplies Canada How To Replace O Ring On Hayward Sand Filter 7 steps to fix broken or. dive into essential pool maintenance with our detailed tutorial on. 4 main reasons and 4 solutions for fixing leakage of the top of hayward pool sand filter. how to change the hayward cartridge filters o ringsget for new filter $62 bucks. replace damaged, broken, cracked, missing, or not securely attached suction. How To Replace O Ring On Hayward Sand Filter.
From circuitlibsmalled.z13.web.core.windows.net
Hayward Pro Series Sand Filter Manual How To Replace O Ring On Hayward Sand Filter 4 main reasons and 4 solutions for fixing leakage of the top of hayward pool sand filter. replace damaged, broken, cracked, missing, or not securely attached suction outlet components immediately. use only hayward genuine replacement parts 1 proseries™ high rate sand filters owner’s manual. dive into essential pool maintenance with our detailed tutorial on. how to. How To Replace O Ring On Hayward Sand Filter.
From stroiteh-msk.ru
Hayward фильтры для бассейнов ремонт 80 фото How To Replace O Ring On Hayward Sand Filter use only hayward genuine replacement parts 1 proseries™ high rate sand filters owner’s manual. how to change the hayward cartridge filters o ringsget for new filter $62 bucks. 4 main reasons and 4 solutions for fixing leakage of the top of hayward pool sand filter. replace damaged, broken, cracked, missing, or not securely attached suction outlet components. How To Replace O Ring On Hayward Sand Filter.
From dengarden.com
How to Change the Sand in a Pool Filter Dengarden How To Replace O Ring On Hayward Sand Filter 7 steps to fix broken or. dive into essential pool maintenance with our detailed tutorial on. use only hayward genuine replacement parts 1 proseries™ high rate sand filters owner’s manual. how to change the hayward cartridge filters o ringsget for new filter $62 bucks. replace damaged, broken, cracked, missing, or not securely attached suction outlet components. How To Replace O Ring On Hayward Sand Filter.
From www.poolzoom.com
Hayward Pro Series Sand Filter S180T, S210T, S220T, S244T Parts How To Replace O Ring On Hayward Sand Filter 7 steps to fix broken or. dive into essential pool maintenance with our detailed tutorial on. how to change the hayward cartridge filters o ringsget for new filter $62 bucks. 4 main reasons and 4 solutions for fixing leakage of the top of hayward pool sand filter. use only hayward genuine replacement parts 1 proseries™ high rate. How To Replace O Ring On Hayward Sand Filter.
From mechanicdbeighteen.z21.web.core.windows.net
Pool Sand Filter Parts Diagram How To Replace O Ring On Hayward Sand Filter dive into essential pool maintenance with our detailed tutorial on. 4 main reasons and 4 solutions for fixing leakage of the top of hayward pool sand filter. use only hayward genuine replacement parts 1 proseries™ high rate sand filters owner’s manual. 7 steps to fix broken or. replace damaged, broken, cracked, missing, or not securely attached suction. How To Replace O Ring On Hayward Sand Filter.
From www.inyopools.com
Hayward Pro Series Sand Filter Oring Kit APCK1133 How To Replace O Ring On Hayward Sand Filter dive into essential pool maintenance with our detailed tutorial on. 7 steps to fix broken or. how to change the hayward cartridge filters o ringsget for new filter $62 bucks. replace damaged, broken, cracked, missing, or not securely attached suction outlet components immediately. use only hayward genuine replacement parts 1 proseries™ high rate sand filters owner’s. How To Replace O Ring On Hayward Sand Filter.
From www.youtube.com
How to Change the Sand in a Pool Sand Filter How to Replace Sand in a How To Replace O Ring On Hayward Sand Filter 7 steps to fix broken or. replace damaged, broken, cracked, missing, or not securely attached suction outlet components immediately. how to change the hayward cartridge filters o ringsget for new filter $62 bucks. 4 main reasons and 4 solutions for fixing leakage of the top of hayward pool sand filter. use only hayward genuine replacement parts 1. How To Replace O Ring On Hayward Sand Filter.
From www.captainoring.com
Captain ORing Replacement SPX0714L Cover ORings for Hayward SP0714T How To Replace O Ring On Hayward Sand Filter use only hayward genuine replacement parts 1 proseries™ high rate sand filters owner’s manual. 4 main reasons and 4 solutions for fixing leakage of the top of hayward pool sand filter. how to change the hayward cartridge filters o ringsget for new filter $62 bucks. replace damaged, broken, cracked, missing, or not securely attached suction outlet components. How To Replace O Ring On Hayward Sand Filter.
From teddybearpools.com
Hayward Valve ORing Replacement for Hayward S144T Pro Series Sand How To Replace O Ring On Hayward Sand Filter replace damaged, broken, cracked, missing, or not securely attached suction outlet components immediately. dive into essential pool maintenance with our detailed tutorial on. use only hayward genuine replacement parts 1 proseries™ high rate sand filters owner’s manual. how to change the hayward cartridge filters o ringsget for new filter $62 bucks. 4 main reasons and 4. How To Replace O Ring On Hayward Sand Filter.
From www.backyardpoolsuperstore.com
Hayward Bulkhead Oring Replacement for Hayward Sand Filter How To Replace O Ring On Hayward Sand Filter how to change the hayward cartridge filters o ringsget for new filter $62 bucks. dive into essential pool maintenance with our detailed tutorial on. 4 main reasons and 4 solutions for fixing leakage of the top of hayward pool sand filter. 7 steps to fix broken or. use only hayward genuine replacement parts 1 proseries™ high rate. How To Replace O Ring On Hayward Sand Filter.
From diagramdatareturfed.z22.web.core.windows.net
Hayward Sand Filter Diagram How To Replace O Ring On Hayward Sand Filter replace damaged, broken, cracked, missing, or not securely attached suction outlet components immediately. use only hayward genuine replacement parts 1 proseries™ high rate sand filters owner’s manual. 4 main reasons and 4 solutions for fixing leakage of the top of hayward pool sand filter. dive into essential pool maintenance with our detailed tutorial on. 7 steps to. How To Replace O Ring On Hayward Sand Filter.
From wiredatapoften9g.z14.web.core.windows.net
Hayward Pro Series Sand Filter S244t Manual How To Replace O Ring On Hayward Sand Filter 4 main reasons and 4 solutions for fixing leakage of the top of hayward pool sand filter. 7 steps to fix broken or. dive into essential pool maintenance with our detailed tutorial on. use only hayward genuine replacement parts 1 proseries™ high rate sand filters owner’s manual. replace damaged, broken, cracked, missing, or not securely attached suction. How To Replace O Ring On Hayward Sand Filter.
From reviewmotors.co
Hayward Pro Series Sand Filter Replacement Parts Reviewmotors.co How To Replace O Ring On Hayward Sand Filter replace damaged, broken, cracked, missing, or not securely attached suction outlet components immediately. how to change the hayward cartridge filters o ringsget for new filter $62 bucks. 7 steps to fix broken or. dive into essential pool maintenance with our detailed tutorial on. 4 main reasons and 4 solutions for fixing leakage of the top of hayward. How To Replace O Ring On Hayward Sand Filter.
From www.youtube.com
How To Replace the ORing on a Pool Sand Filter YouTube How To Replace O Ring On Hayward Sand Filter 4 main reasons and 4 solutions for fixing leakage of the top of hayward pool sand filter. replace damaged, broken, cracked, missing, or not securely attached suction outlet components immediately. how to change the hayward cartridge filters o ringsget for new filter $62 bucks. 7 steps to fix broken or. dive into essential pool maintenance with our. How To Replace O Ring On Hayward Sand Filter.
From www.poolweb.com
Hayward Pro Series S210S, S244S, S310S Sand Filter Replacement Parts How To Replace O Ring On Hayward Sand Filter 4 main reasons and 4 solutions for fixing leakage of the top of hayward pool sand filter. 7 steps to fix broken or. how to change the hayward cartridge filters o ringsget for new filter $62 bucks. use only hayward genuine replacement parts 1 proseries™ high rate sand filters owner’s manual. replace damaged, broken, cracked, missing, or. How To Replace O Ring On Hayward Sand Filter.
From intheswim.com
Hayward Cartridge Filter ORing Kit Replacements In The Swim How To Replace O Ring On Hayward Sand Filter how to change the hayward cartridge filters o ringsget for new filter $62 bucks. replace damaged, broken, cracked, missing, or not securely attached suction outlet components immediately. 7 steps to fix broken or. 4 main reasons and 4 solutions for fixing leakage of the top of hayward pool sand filter. dive into essential pool maintenance with our. How To Replace O Ring On Hayward Sand Filter.
From poolhj.blogspot.com
How To Change Sand In Pool Filter Hayward poolhj How To Replace O Ring On Hayward Sand Filter how to change the hayward cartridge filters o ringsget for new filter $62 bucks. 7 steps to fix broken or. use only hayward genuine replacement parts 1 proseries™ high rate sand filters owner’s manual. 4 main reasons and 4 solutions for fixing leakage of the top of hayward pool sand filter. dive into essential pool maintenance with. How To Replace O Ring On Hayward Sand Filter.
From www.youtube.com
How to Replace a Hayward Sand Filter 220T New Hayward Sand Filter How To Replace O Ring On Hayward Sand Filter how to change the hayward cartridge filters o ringsget for new filter $62 bucks. 4 main reasons and 4 solutions for fixing leakage of the top of hayward pool sand filter. dive into essential pool maintenance with our detailed tutorial on. replace damaged, broken, cracked, missing, or not securely attached suction outlet components immediately. 7 steps to. How To Replace O Ring On Hayward Sand Filter.
From www.captainoring.com
Captain ORing Replacement GMX600F ORings for Hayward Pro Series How To Replace O Ring On Hayward Sand Filter 4 main reasons and 4 solutions for fixing leakage of the top of hayward pool sand filter. 7 steps to fix broken or. replace damaged, broken, cracked, missing, or not securely attached suction outlet components immediately. use only hayward genuine replacement parts 1 proseries™ high rate sand filters owner’s manual. how to change the hayward cartridge filters. How To Replace O Ring On Hayward Sand Filter.
From repairfixfairygarlandief.z21.web.core.windows.net
Hayward Pool Sand Filter Parts Diagram How To Replace O Ring On Hayward Sand Filter 7 steps to fix broken or. replace damaged, broken, cracked, missing, or not securely attached suction outlet components immediately. how to change the hayward cartridge filters o ringsget for new filter $62 bucks. use only hayward genuine replacement parts 1 proseries™ high rate sand filters owner’s manual. dive into essential pool maintenance with our detailed tutorial. How To Replace O Ring On Hayward Sand Filter.