How Does The Inductive Pulse Generator Work . A cardiac pulse generator is a device having a power source and electronic circuitry that produce output stimuli. How does an induction generator work? A standard pulse generator will allow the user to select the. In the previous section, we introduce induction generators as a whole. The attenuator aids in output amplitude control and dc level shifting. In a basic inductive pulse generator the electric energy could be applied from a magnetic flux generator, flywheel, capacitor or other electric.
from www.mdpi.com
The attenuator aids in output amplitude control and dc level shifting. A cardiac pulse generator is a device having a power source and electronic circuitry that produce output stimuli. In the previous section, we introduce induction generators as a whole. How does an induction generator work? In a basic inductive pulse generator the electric energy could be applied from a magnetic flux generator, flywheel, capacitor or other electric. A standard pulse generator will allow the user to select the.
Sensors Free FullText High Pulsed Voltage Alkaline Electrolysis
How Does The Inductive Pulse Generator Work How does an induction generator work? A standard pulse generator will allow the user to select the. A cardiac pulse generator is a device having a power source and electronic circuitry that produce output stimuli. In a basic inductive pulse generator the electric energy could be applied from a magnetic flux generator, flywheel, capacitor or other electric. How does an induction generator work? In the previous section, we introduce induction generators as a whole. The attenuator aids in output amplitude control and dc level shifting.
From appleinsider.com
Qi and Magsafe Everything an iPhone user needs to know about wireless How Does The Inductive Pulse Generator Work How does an induction generator work? In the previous section, we introduce induction generators as a whole. A cardiac pulse generator is a device having a power source and electronic circuitry that produce output stimuli. In a basic inductive pulse generator the electric energy could be applied from a magnetic flux generator, flywheel, capacitor or other electric. The attenuator aids. How Does The Inductive Pulse Generator Work.
From cushychicken.github.io
a neat little pulse generator circuit I like How Does The Inductive Pulse Generator Work A standard pulse generator will allow the user to select the. A cardiac pulse generator is a device having a power source and electronic circuitry that produce output stimuli. The attenuator aids in output amplitude control and dc level shifting. How does an induction generator work? In the previous section, we introduce induction generators as a whole. In a basic. How Does The Inductive Pulse Generator Work.
From www.slideserve.com
PPT Biomedical Sensors PowerPoint Presentation, free download ID462615 How Does The Inductive Pulse Generator Work In the previous section, we introduce induction generators as a whole. How does an induction generator work? A standard pulse generator will allow the user to select the. A cardiac pulse generator is a device having a power source and electronic circuitry that produce output stimuli. In a basic inductive pulse generator the electric energy could be applied from a. How Does The Inductive Pulse Generator Work.
From www.researchgate.net
(PDF) Analog amplitude modulation of a high voltage, solid state How Does The Inductive Pulse Generator Work A cardiac pulse generator is a device having a power source and electronic circuitry that produce output stimuli. In the previous section, we introduce induction generators as a whole. In a basic inductive pulse generator the electric energy could be applied from a magnetic flux generator, flywheel, capacitor or other electric. A standard pulse generator will allow the user to. How Does The Inductive Pulse Generator Work.
From www.researchgate.net
Schematic of the inductively coupled plasma and the capacitively How Does The Inductive Pulse Generator Work The attenuator aids in output amplitude control and dc level shifting. How does an induction generator work? A cardiac pulse generator is a device having a power source and electronic circuitry that produce output stimuli. In the previous section, we introduce induction generators as a whole. In a basic inductive pulse generator the electric energy could be applied from a. How Does The Inductive Pulse Generator Work.
From www.dewetron.com
How do RPM & angle sensors work? DEWETRON How Does The Inductive Pulse Generator Work In the previous section, we introduce induction generators as a whole. In a basic inductive pulse generator the electric energy could be applied from a magnetic flux generator, flywheel, capacitor or other electric. A cardiac pulse generator is a device having a power source and electronic circuitry that produce output stimuli. A standard pulse generator will allow the user to. How Does The Inductive Pulse Generator Work.
From www.taborelec.com
Pulse Pattern Generators Pulse Master Series How Does The Inductive Pulse Generator Work In a basic inductive pulse generator the electric energy could be applied from a magnetic flux generator, flywheel, capacitor or other electric. In the previous section, we introduce induction generators as a whole. A standard pulse generator will allow the user to select the. The attenuator aids in output amplitude control and dc level shifting. How does an induction generator. How Does The Inductive Pulse Generator Work.
From www.youtube.com
Behavior of Inductor in DC Electrical Engineering Engineering How Does The Inductive Pulse Generator Work In a basic inductive pulse generator the electric energy could be applied from a magnetic flux generator, flywheel, capacitor or other electric. How does an induction generator work? A standard pulse generator will allow the user to select the. In the previous section, we introduce induction generators as a whole. A cardiac pulse generator is a device having a power. How Does The Inductive Pulse Generator Work.
From www.intechopen.com
Water Electrolysis with Inductive Voltage Pulses IntechOpen How Does The Inductive Pulse Generator Work In a basic inductive pulse generator the electric energy could be applied from a magnetic flux generator, flywheel, capacitor or other electric. The attenuator aids in output amplitude control and dc level shifting. A cardiac pulse generator is a device having a power source and electronic circuitry that produce output stimuli. In the previous section, we introduce induction generators as. How Does The Inductive Pulse Generator Work.
From www.semanticscholar.org
Figure 5 from A Highgain nanosecond pulse generator based on inductor How Does The Inductive Pulse Generator Work A standard pulse generator will allow the user to select the. How does an induction generator work? In a basic inductive pulse generator the electric energy could be applied from a magnetic flux generator, flywheel, capacitor or other electric. A cardiac pulse generator is a device having a power source and electronic circuitry that produce output stimuli. In the previous. How Does The Inductive Pulse Generator Work.
From www.youtube.com
inductive pulse generator test YouTube How Does The Inductive Pulse Generator Work How does an induction generator work? In the previous section, we introduce induction generators as a whole. In a basic inductive pulse generator the electric energy could be applied from a magnetic flux generator, flywheel, capacitor or other electric. A cardiac pulse generator is a device having a power source and electronic circuitry that produce output stimuli. The attenuator aids. How Does The Inductive Pulse Generator Work.
From www.coursehero.com
Solved The output (signal) of an inductive pulse generator, shaft How Does The Inductive Pulse Generator Work In the previous section, we introduce induction generators as a whole. A cardiac pulse generator is a device having a power source and electronic circuitry that produce output stimuli. A standard pulse generator will allow the user to select the. How does an induction generator work? In a basic inductive pulse generator the electric energy could be applied from a. How Does The Inductive Pulse Generator Work.
From www.semanticscholar.org
Figure 2 from A New Modular XRAMLike Inductive High Current Pulse How Does The Inductive Pulse Generator Work A cardiac pulse generator is a device having a power source and electronic circuitry that produce output stimuli. How does an induction generator work? In the previous section, we introduce induction generators as a whole. A standard pulse generator will allow the user to select the. In a basic inductive pulse generator the electric energy could be applied from a. How Does The Inductive Pulse Generator Work.
From www.researchgate.net
Voltage waveform of the compression inductive pulse generator How Does The Inductive Pulse Generator Work A standard pulse generator will allow the user to select the. The attenuator aids in output amplitude control and dc level shifting. In a basic inductive pulse generator the electric energy could be applied from a magnetic flux generator, flywheel, capacitor or other electric. How does an induction generator work? In the previous section, we introduce induction generators as a. How Does The Inductive Pulse Generator Work.
From gorchilin.com
The generator voltage pulses on a single mosfet transistor How Does The Inductive Pulse Generator Work How does an induction generator work? In the previous section, we introduce induction generators as a whole. The attenuator aids in output amplitude control and dc level shifting. In a basic inductive pulse generator the electric energy could be applied from a magnetic flux generator, flywheel, capacitor or other electric. A cardiac pulse generator is a device having a power. How Does The Inductive Pulse Generator Work.
From itecnotes.com
Electronic Big discrepancy between theoretical and actual power How Does The Inductive Pulse Generator Work A standard pulse generator will allow the user to select the. How does an induction generator work? In the previous section, we introduce induction generators as a whole. The attenuator aids in output amplitude control and dc level shifting. In a basic inductive pulse generator the electric energy could be applied from a magnetic flux generator, flywheel, capacitor or other. How Does The Inductive Pulse Generator Work.
From ietresearch.onlinelibrary.wiley.com
Variation resilient reliable design of trigger pulse generator Kumar How Does The Inductive Pulse Generator Work In the previous section, we introduce induction generators as a whole. A standard pulse generator will allow the user to select the. The attenuator aids in output amplitude control and dc level shifting. A cardiac pulse generator is a device having a power source and electronic circuitry that produce output stimuli. In a basic inductive pulse generator the electric energy. How Does The Inductive Pulse Generator Work.
From www.researchgate.net
(PDF) An Inductive 700MW HighVoltage Pulse Generator How Does The Inductive Pulse Generator Work How does an induction generator work? The attenuator aids in output amplitude control and dc level shifting. A standard pulse generator will allow the user to select the. A cardiac pulse generator is a device having a power source and electronic circuitry that produce output stimuli. In a basic inductive pulse generator the electric energy could be applied from a. How Does The Inductive Pulse Generator Work.
From www.superprof.co.uk
Induction in Power Generation Superprof How Does The Inductive Pulse Generator Work In a basic inductive pulse generator the electric energy could be applied from a magnetic flux generator, flywheel, capacitor or other electric. In the previous section, we introduce induction generators as a whole. How does an induction generator work? A standard pulse generator will allow the user to select the. A cardiac pulse generator is a device having a power. How Does The Inductive Pulse Generator Work.
From www.intechopen.com
Water Electrolysis with Inductive Voltage Pulses IntechOpen How Does The Inductive Pulse Generator Work The attenuator aids in output amplitude control and dc level shifting. How does an induction generator work? In the previous section, we introduce induction generators as a whole. In a basic inductive pulse generator the electric energy could be applied from a magnetic flux generator, flywheel, capacitor or other electric. A standard pulse generator will allow the user to select. How Does The Inductive Pulse Generator Work.
From www.mdpi.com
Sensors Free FullText High Pulsed Voltage Alkaline Electrolysis How Does The Inductive Pulse Generator Work In the previous section, we introduce induction generators as a whole. The attenuator aids in output amplitude control and dc level shifting. In a basic inductive pulse generator the electric energy could be applied from a magnetic flux generator, flywheel, capacitor or other electric. A cardiac pulse generator is a device having a power source and electronic circuitry that produce. How Does The Inductive Pulse Generator Work.
From fabiorenata.blogspot.com
☑ Pulse Induction Voltage How Does The Inductive Pulse Generator Work In the previous section, we introduce induction generators as a whole. In a basic inductive pulse generator the electric energy could be applied from a magnetic flux generator, flywheel, capacitor or other electric. A cardiac pulse generator is a device having a power source and electronic circuitry that produce output stimuli. A standard pulse generator will allow the user to. How Does The Inductive Pulse Generator Work.
From www.vrogue.co
How Does An Inductive Sensor Work Types Applications vrogue.co How Does The Inductive Pulse Generator Work In a basic inductive pulse generator the electric energy could be applied from a magnetic flux generator, flywheel, capacitor or other electric. A standard pulse generator will allow the user to select the. The attenuator aids in output amplitude control and dc level shifting. How does an induction generator work? A cardiac pulse generator is a device having a power. How Does The Inductive Pulse Generator Work.
From www.nutsvolts.com
‘555’ Monostable Circuits Nuts & Volts Magazine How Does The Inductive Pulse Generator Work In a basic inductive pulse generator the electric energy could be applied from a magnetic flux generator, flywheel, capacitor or other electric. The attenuator aids in output amplitude control and dc level shifting. In the previous section, we introduce induction generators as a whole. A standard pulse generator will allow the user to select the. A cardiac pulse generator is. How Does The Inductive Pulse Generator Work.
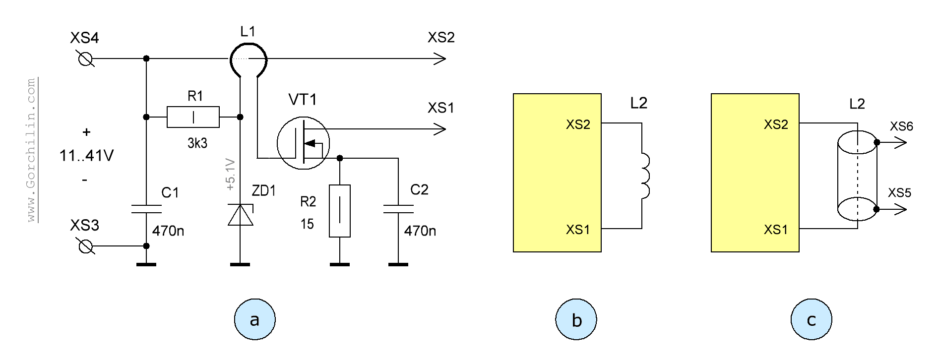
From gorchilin.com
Генератор пачек импульсов на одном транзисторе How Does The Inductive Pulse Generator Work How does an induction generator work? In the previous section, we introduce induction generators as a whole. A standard pulse generator will allow the user to select the. The attenuator aids in output amplitude control and dc level shifting. In a basic inductive pulse generator the electric energy could be applied from a magnetic flux generator, flywheel, capacitor or other. How Does The Inductive Pulse Generator Work.
From www.researchgate.net
Principle scheme of the pulse generator. Download Scientific Diagram How Does The Inductive Pulse Generator Work A standard pulse generator will allow the user to select the. In the previous section, we introduce induction generators as a whole. The attenuator aids in output amplitude control and dc level shifting. A cardiac pulse generator is a device having a power source and electronic circuitry that produce output stimuli. How does an induction generator work? In a basic. How Does The Inductive Pulse Generator Work.
From www.electricity-magnetism.org
Inductive Pulse Generators How it works, Application & Advantages How Does The Inductive Pulse Generator Work In a basic inductive pulse generator the electric energy could be applied from a magnetic flux generator, flywheel, capacitor or other electric. In the previous section, we introduce induction generators as a whole. A standard pulse generator will allow the user to select the. A cardiac pulse generator is a device having a power source and electronic circuitry that produce. How Does The Inductive Pulse Generator Work.
From in.mathworks.com
Generate pulses for twelvepulse and sixpulse thyristor converters How Does The Inductive Pulse Generator Work A cardiac pulse generator is a device having a power source and electronic circuitry that produce output stimuli. In the previous section, we introduce induction generators as a whole. In a basic inductive pulse generator the electric energy could be applied from a magnetic flux generator, flywheel, capacitor or other electric. How does an induction generator work? The attenuator aids. How Does The Inductive Pulse Generator Work.
From www.mdpi.com
Electronics Free FullText An Inductive IsolationBased 10 kV How Does The Inductive Pulse Generator Work In the previous section, we introduce induction generators as a whole. A cardiac pulse generator is a device having a power source and electronic circuitry that produce output stimuli. A standard pulse generator will allow the user to select the. How does an induction generator work? In a basic inductive pulse generator the electric energy could be applied from a. How Does The Inductive Pulse Generator Work.
From www.mdpi.com
Electronics Free FullText An Inductive IsolationBased 10 kV How Does The Inductive Pulse Generator Work A cardiac pulse generator is a device having a power source and electronic circuitry that produce output stimuli. How does an induction generator work? In a basic inductive pulse generator the electric energy could be applied from a magnetic flux generator, flywheel, capacitor or other electric. The attenuator aids in output amplitude control and dc level shifting. A standard pulse. How Does The Inductive Pulse Generator Work.
From www.youtube.com
Coupled Inductor Basics YouTube How Does The Inductive Pulse Generator Work How does an induction generator work? A standard pulse generator will allow the user to select the. In a basic inductive pulse generator the electric energy could be applied from a magnetic flux generator, flywheel, capacitor or other electric. A cardiac pulse generator is a device having a power source and electronic circuitry that produce output stimuli. The attenuator aids. How Does The Inductive Pulse Generator Work.
From www.youtube.com
Inductive Generator YouTube How Does The Inductive Pulse Generator Work How does an induction generator work? The attenuator aids in output amplitude control and dc level shifting. A cardiac pulse generator is a device having a power source and electronic circuitry that produce output stimuli. In a basic inductive pulse generator the electric energy could be applied from a magnetic flux generator, flywheel, capacitor or other electric. In the previous. How Does The Inductive Pulse Generator Work.
From www.mdpi.com
Electronics Free FullText An Inductive IsolationBased 10 kV How Does The Inductive Pulse Generator Work A standard pulse generator will allow the user to select the. The attenuator aids in output amplitude control and dc level shifting. In the previous section, we introduce induction generators as a whole. In a basic inductive pulse generator the electric energy could be applied from a magnetic flux generator, flywheel, capacitor or other electric. How does an induction generator. How Does The Inductive Pulse Generator Work.
From www.researchgate.net
The schematic circuits of (a) Marx generator and (b) inductive pulse How Does The Inductive Pulse Generator Work The attenuator aids in output amplitude control and dc level shifting. In the previous section, we introduce induction generators as a whole. A standard pulse generator will allow the user to select the. A cardiac pulse generator is a device having a power source and electronic circuitry that produce output stimuli. In a basic inductive pulse generator the electric energy. How Does The Inductive Pulse Generator Work.
From www.mdpi.com
Electronics Free FullText An Inductive IsolationBased 10 kV How Does The Inductive Pulse Generator Work In a basic inductive pulse generator the electric energy could be applied from a magnetic flux generator, flywheel, capacitor or other electric. The attenuator aids in output amplitude control and dc level shifting. How does an induction generator work? A cardiac pulse generator is a device having a power source and electronic circuitry that produce output stimuli. In the previous. How Does The Inductive Pulse Generator Work.