Yamaha Outboard Motor Mounting Template . 1 trim the template and make sure it fits in the location where you want to mount the device. proper mounting of the outboard will mean better performance, maximum reliability, and maximum customer satisfaction. 2 secure the template to the. read this manual carefully before operating this outboard motor. Keep this manual onboard in a. the outboard motor serial number is stamped on the label attached to the port side of the clamp bracket. Keep this manual onboard in a waterproof bag when boating. read this manual carefully before operating this outboard motor. the yamaha cl5 display is designed to be compatible with a wide range of yamaha.
from reviewmotors.co
the yamaha cl5 display is designed to be compatible with a wide range of yamaha. proper mounting of the outboard will mean better performance, maximum reliability, and maximum customer satisfaction. 2 secure the template to the. read this manual carefully before operating this outboard motor. Keep this manual onboard in a waterproof bag when boating. 1 trim the template and make sure it fits in the location where you want to mount the device. read this manual carefully before operating this outboard motor. Keep this manual onboard in a. the outboard motor serial number is stamped on the label attached to the port side of the clamp bracket.
Yamaha Outboard Motor Parts Diagram Reviewmotors.co
Yamaha Outboard Motor Mounting Template read this manual carefully before operating this outboard motor. Keep this manual onboard in a. Keep this manual onboard in a waterproof bag when boating. the outboard motor serial number is stamped on the label attached to the port side of the clamp bracket. proper mounting of the outboard will mean better performance, maximum reliability, and maximum customer satisfaction. read this manual carefully before operating this outboard motor. 1 trim the template and make sure it fits in the location where you want to mount the device. read this manual carefully before operating this outboard motor. the yamaha cl5 display is designed to be compatible with a wide range of yamaha. 2 secure the template to the.
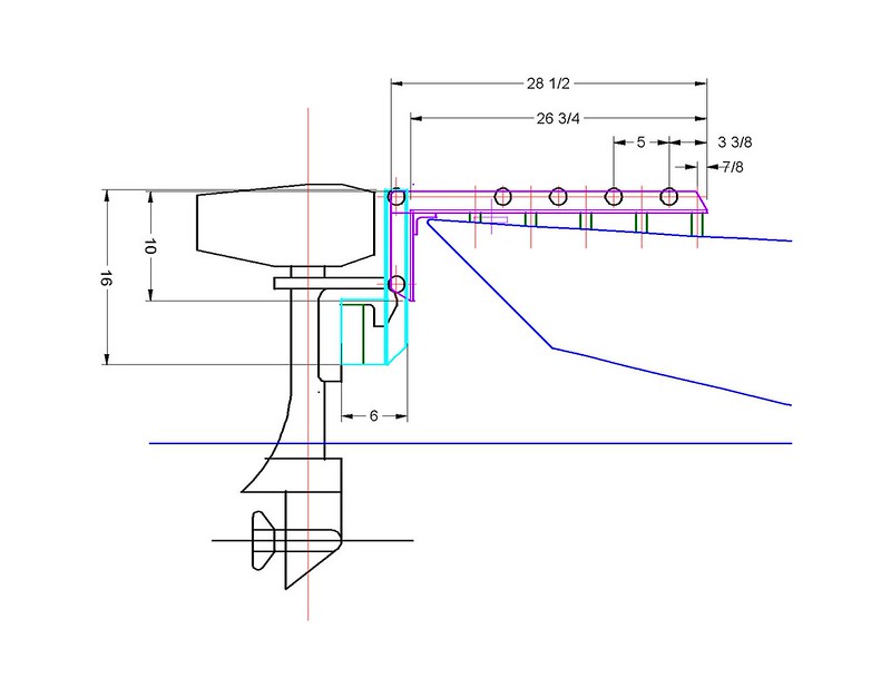
From templates.hilarious.edu.np
Bolt Pattern Template Yamaha Outboard Motor Mounting Template 1 trim the template and make sure it fits in the location where you want to mount the device. read this manual carefully before operating this outboard motor. Keep this manual onboard in a. the outboard motor serial number is stamped on the label attached to the port side of the clamp bracket. read this manual. Yamaha Outboard Motor Mounting Template.
From forum.woodenboat.com
Retracting outboard motor mount Yamaha Outboard Motor Mounting Template 1 trim the template and make sure it fits in the location where you want to mount the device. 2 secure the template to the. Keep this manual onboard in a waterproof bag when boating. read this manual carefully before operating this outboard motor. Keep this manual onboard in a. the outboard motor serial number is stamped. Yamaha Outboard Motor Mounting Template.
From www.boats.com
Marine Engines and Power Systems The Basics Behind What Powers Your Yamaha Outboard Motor Mounting Template Keep this manual onboard in a waterproof bag when boating. 1 trim the template and make sure it fits in the location where you want to mount the device. 2 secure the template to the. read this manual carefully before operating this outboard motor. Keep this manual onboard in a. proper mounting of the outboard will mean. Yamaha Outboard Motor Mounting Template.
From www.bucklandmarineyamaha.co.nz
Outboard Motor Support (for travelling) Yamaha Dealer South Auckland Yamaha Outboard Motor Mounting Template Keep this manual onboard in a waterproof bag when boating. Keep this manual onboard in a. the yamaha cl5 display is designed to be compatible with a wide range of yamaha. read this manual carefully before operating this outboard motor. the outboard motor serial number is stamped on the label attached to the port side of the. Yamaha Outboard Motor Mounting Template.
From madmackie.com.au
Outboard Motor Support Bracket What Is It and How To Install One Yamaha Outboard Motor Mounting Template the outboard motor serial number is stamped on the label attached to the port side of the clamp bracket. Keep this manual onboard in a waterproof bag when boating. proper mounting of the outboard will mean better performance, maximum reliability, and maximum customer satisfaction. read this manual carefully before operating this outboard motor. the yamaha cl5. Yamaha Outboard Motor Mounting Template.
From bigd.mt
How to install an outboard engine? Big D® Yamaha Outboard Motor Mounting Template proper mounting of the outboard will mean better performance, maximum reliability, and maximum customer satisfaction. the outboard motor serial number is stamped on the label attached to the port side of the clamp bracket. Keep this manual onboard in a waterproof bag when boating. 1 trim the template and make sure it fits in the location where. Yamaha Outboard Motor Mounting Template.
From surferpix.com
Outboard Motor Wall Mount Solution by Surferpix Yamaha Outboard Motor Mounting Template Keep this manual onboard in a. 1 trim the template and make sure it fits in the location where you want to mount the device. read this manual carefully before operating this outboard motor. the outboard motor serial number is stamped on the label attached to the port side of the clamp bracket. the yamaha cl5. Yamaha Outboard Motor Mounting Template.
From www.thefisherman.com
Product Showcase Yamaha F250 & F300 V6 Offshore DEC FourStroke Yamaha Outboard Motor Mounting Template the yamaha cl5 display is designed to be compatible with a wide range of yamaha. 1 trim the template and make sure it fits in the location where you want to mount the device. Keep this manual onboard in a. proper mounting of the outboard will mean better performance, maximum reliability, and maximum customer satisfaction. read. Yamaha Outboard Motor Mounting Template.
From www.slideshare.net
Yamaha outboards manual Yamaha Outboard Motor Mounting Template 2 secure the template to the. the yamaha cl5 display is designed to be compatible with a wide range of yamaha. read this manual carefully before operating this outboard motor. Keep this manual onboard in a waterproof bag when boating. the outboard motor serial number is stamped on the label attached to the port side of the. Yamaha Outboard Motor Mounting Template.
From tutore.org
Outboard Mounting Template Master of Documents Yamaha Outboard Motor Mounting Template the yamaha cl5 display is designed to be compatible with a wide range of yamaha. Keep this manual onboard in a. proper mounting of the outboard will mean better performance, maximum reliability, and maximum customer satisfaction. Keep this manual onboard in a waterproof bag when boating. 1 trim the template and make sure it fits in the. Yamaha Outboard Motor Mounting Template.
From www.youtube.com
Outboard Solid Motor Mounts YouTube Yamaha Outboard Motor Mounting Template Keep this manual onboard in a. Keep this manual onboard in a waterproof bag when boating. proper mounting of the outboard will mean better performance, maximum reliability, and maximum customer satisfaction. read this manual carefully before operating this outboard motor. the yamaha cl5 display is designed to be compatible with a wide range of yamaha. 1. Yamaha Outboard Motor Mounting Template.
From www.aliexpress.com
63V43311 Outboard Swivel Bracket With Transom Clamp Assy For Yamaha Yamaha Outboard Motor Mounting Template Keep this manual onboard in a. read this manual carefully before operating this outboard motor. the outboard motor serial number is stamped on the label attached to the port side of the clamp bracket. 1 trim the template and make sure it fits in the location where you want to mount the device. 2 secure the template. Yamaha Outboard Motor Mounting Template.
From www.crowleymarine.com
OE 2010 Evinrude Installation & Predelivery Guide (PN 5007857 Yamaha Outboard Motor Mounting Template read this manual carefully before operating this outboard motor. Keep this manual onboard in a. Keep this manual onboard in a waterproof bag when boating. read this manual carefully before operating this outboard motor. the outboard motor serial number is stamped on the label attached to the port side of the clamp bracket. the yamaha cl5. Yamaha Outboard Motor Mounting Template.
From reviewmotors.co
40 Hp Yamaha Outboard Motor Parts Diagram Reviewmotors.co Yamaha Outboard Motor Mounting Template read this manual carefully before operating this outboard motor. proper mounting of the outboard will mean better performance, maximum reliability, and maximum customer satisfaction. read this manual carefully before operating this outboard motor. 2 secure the template to the. the outboard motor serial number is stamped on the label attached to the port side of the. Yamaha Outboard Motor Mounting Template.
From reviewmotors.co
Yamaha Outboard Motor Parts Diagram Reviewmotors.co Yamaha Outboard Motor Mounting Template read this manual carefully before operating this outboard motor. 2 secure the template to the. 1 trim the template and make sure it fits in the location where you want to mount the device. the yamaha cl5 display is designed to be compatible with a wide range of yamaha. read this manual carefully before operating this. Yamaha Outboard Motor Mounting Template.
From www.boats.net
How to Find the Serial Number on a Yamaha Outboard Yamaha Outboard Motor Mounting Template Keep this manual onboard in a. Keep this manual onboard in a waterproof bag when boating. 1 trim the template and make sure it fits in the location where you want to mount the device. the outboard motor serial number is stamped on the label attached to the port side of the clamp bracket. proper mounting of. Yamaha Outboard Motor Mounting Template.
From www.thehulltruth.com
Transom bolts for mounting outboard The Hull Truth Boating and Yamaha Outboard Motor Mounting Template the yamaha cl5 display is designed to be compatible with a wide range of yamaha. proper mounting of the outboard will mean better performance, maximum reliability, and maximum customer satisfaction. Keep this manual onboard in a waterproof bag when boating. 1 trim the template and make sure it fits in the location where you want to mount. Yamaha Outboard Motor Mounting Template.
From reviewmotors.co
40 Hp Yamaha Outboard Motor Parts Diagram Reviewmotors.co Yamaha Outboard Motor Mounting Template read this manual carefully before operating this outboard motor. the outboard motor serial number is stamped on the label attached to the port side of the clamp bracket. proper mounting of the outboard will mean better performance, maximum reliability, and maximum customer satisfaction. 2 secure the template to the. Keep this manual onboard in a. the. Yamaha Outboard Motor Mounting Template.
From www.slideshare.net
YAMAHA OUTBOARD F60CET Service Repair Manual SN1000001 Yamaha Outboard Motor Mounting Template read this manual carefully before operating this outboard motor. Keep this manual onboard in a. the yamaha cl5 display is designed to be compatible with a wide range of yamaha. 2 secure the template to the. read this manual carefully before operating this outboard motor. Keep this manual onboard in a waterproof bag when boating. proper. Yamaha Outboard Motor Mounting Template.
From www.thehulltruth.com
Engine Mounting Bolt Pattern The Hull Truth Boating and Fishing Forum Yamaha Outboard Motor Mounting Template the yamaha cl5 display is designed to be compatible with a wide range of yamaha. Keep this manual onboard in a waterproof bag when boating. the outboard motor serial number is stamped on the label attached to the port side of the clamp bracket. 1 trim the template and make sure it fits in the location where. Yamaha Outboard Motor Mounting Template.
From www.jpwmarine.com.au
Oceansouth Outboard Motor Transom Mounting Plate Yamaha Outboard Motor Mounting Template Keep this manual onboard in a. 1 trim the template and make sure it fits in the location where you want to mount the device. read this manual carefully before operating this outboard motor. Keep this manual onboard in a waterproof bag when boating. read this manual carefully before operating this outboard motor. 2 secure the template. Yamaha Outboard Motor Mounting Template.
From www.justanswer.com
Got any idea what the length of a yamaha 20HP outboard is from the the Yamaha Outboard Motor Mounting Template the outboard motor serial number is stamped on the label attached to the port side of the clamp bracket. read this manual carefully before operating this outboard motor. read this manual carefully before operating this outboard motor. proper mounting of the outboard will mean better performance, maximum reliability, and maximum customer satisfaction. 1 trim the. Yamaha Outboard Motor Mounting Template.
From axiom-northwest.com
Yamaha Outboard Parts Diagrams Yamaha Outboard Motor Mounting Template read this manual carefully before operating this outboard motor. read this manual carefully before operating this outboard motor. 1 trim the template and make sure it fits in the location where you want to mount the device. 2 secure the template to the. proper mounting of the outboard will mean better performance, maximum reliability, and maximum. Yamaha Outboard Motor Mounting Template.
From www.simyamaha.com
OUTBOARD TRANSOM DRILLING JIG/TEMPLATE Yamaha Outboard Motor Mounting Template the yamaha cl5 display is designed to be compatible with a wide range of yamaha. Keep this manual onboard in a. read this manual carefully before operating this outboard motor. the outboard motor serial number is stamped on the label attached to the port side of the clamp bracket. 1 trim the template and make sure. Yamaha Outboard Motor Mounting Template.
From www.vansoutboardparts.com
Yamaha Outboard Parts by HP 150 1999 C150TLRX BRACKET 1 Yamaha Outboard Motor Mounting Template Keep this manual onboard in a. read this manual carefully before operating this outboard motor. proper mounting of the outboard will mean better performance, maximum reliability, and maximum customer satisfaction. Keep this manual onboard in a waterproof bag when boating. the outboard motor serial number is stamped on the label attached to the port side of the. Yamaha Outboard Motor Mounting Template.
From www.bbcboards.net
Outboard mounting template Yamaha Outboard Motor Mounting Template Keep this manual onboard in a. 1 trim the template and make sure it fits in the location where you want to mount the device. the yamaha cl5 display is designed to be compatible with a wide range of yamaha. read this manual carefully before operating this outboard motor. the outboard motor serial number is stamped. Yamaha Outboard Motor Mounting Template.
From www.thehulltruth.com
Outboard Mounting Template Help The Hull Truth Boating and Fishing Yamaha Outboard Motor Mounting Template Keep this manual onboard in a. 1 trim the template and make sure it fits in the location where you want to mount the device. the yamaha cl5 display is designed to be compatible with a wide range of yamaha. read this manual carefully before operating this outboard motor. the outboard motor serial number is stamped. Yamaha Outboard Motor Mounting Template.
From userpartjulia.z13.web.core.windows.net
Outboard Installation Guide Yamaha Outboard Motor Mounting Template the yamaha cl5 display is designed to be compatible with a wide range of yamaha. Keep this manual onboard in a waterproof bag when boating. 2 secure the template to the. Keep this manual onboard in a. proper mounting of the outboard will mean better performance, maximum reliability, and maximum customer satisfaction. read this manual carefully before. Yamaha Outboard Motor Mounting Template.
From www.epropulsion.com
Outboard Motor Height Easiest Way to Find Correct Height & Height Yamaha Outboard Motor Mounting Template 2 secure the template to the. the yamaha cl5 display is designed to be compatible with a wide range of yamaha. Keep this manual onboard in a. 1 trim the template and make sure it fits in the location where you want to mount the device. Keep this manual onboard in a waterproof bag when boating. the. Yamaha Outboard Motor Mounting Template.
From www.slideshare.net
YAMAHA OUTBOARD 225GETO, V225TR Service Repair Manual L 300483 Yamaha Outboard Motor Mounting Template 1 trim the template and make sure it fits in the location where you want to mount the device. read this manual carefully before operating this outboard motor. Keep this manual onboard in a. read this manual carefully before operating this outboard motor. Keep this manual onboard in a waterproof bag when boating. 2 secure the template. Yamaha Outboard Motor Mounting Template.
From www.pocomarine.com
Bolton Stainless Steel Bearpaw Outboard Motor Mount Up To 25 HP Poco Yamaha Outboard Motor Mounting Template Keep this manual onboard in a. the yamaha cl5 display is designed to be compatible with a wide range of yamaha. read this manual carefully before operating this outboard motor. Keep this manual onboard in a waterproof bag when boating. read this manual carefully before operating this outboard motor. the outboard motor serial number is stamped. Yamaha Outboard Motor Mounting Template.
From www.thehulltruth.com
Yamaha T9.9 Mounting Template The Hull Truth Boating and Fishing Forum Yamaha Outboard Motor Mounting Template 1 trim the template and make sure it fits in the location where you want to mount the device. read this manual carefully before operating this outboard motor. 2 secure the template to the. read this manual carefully before operating this outboard motor. Keep this manual onboard in a. proper mounting of the outboard will mean. Yamaha Outboard Motor Mounting Template.
From www.youtube.com
HOW TO MOUNT AN OUTBOARD MOTOR CORRECTLY Step By Step Do and Dont's Yamaha Outboard Motor Mounting Template read this manual carefully before operating this outboard motor. Keep this manual onboard in a. proper mounting of the outboard will mean better performance, maximum reliability, and maximum customer satisfaction. the outboard motor serial number is stamped on the label attached to the port side of the clamp bracket. read this manual carefully before operating this. Yamaha Outboard Motor Mounting Template.
From cmcsales.com.au
BIA Bolt Hole Pattern 2 CMC Sales Yamaha Outboard Motor Mounting Template the yamaha cl5 display is designed to be compatible with a wide range of yamaha. 1 trim the template and make sure it fits in the location where you want to mount the device. Keep this manual onboard in a. read this manual carefully before operating this outboard motor. 2 secure the template to the. read. Yamaha Outboard Motor Mounting Template.
From www.justanswer.com
Q&A Outboard Transom Bolts & Mounting Templates JustAnswer Yamaha Outboard Motor Mounting Template Keep this manual onboard in a. the yamaha cl5 display is designed to be compatible with a wide range of yamaha. read this manual carefully before operating this outboard motor. the outboard motor serial number is stamped on the label attached to the port side of the clamp bracket. read this manual carefully before operating this. Yamaha Outboard Motor Mounting Template.