How Do I Know What Size Drop Hitch I Need . Trailer hitch ball mounts come in a wide variety of sizes, shapes and styles to accommodate virtually. What do you need to measure for a drop hitch? For safe and comfortable towing, your trailer should always be as level as possible. But first, you’ll need to know the size of your. What size ball mount do you need? In order to determine the proper size drop hitch for your towing setup, you’ll need to take a couple of measurements. The size drop hitch you’ll need significantly depends on several factors and you will need to. When you’re preparing to tow a trailer, knowing how to measure for a drop hitch is essential to ensure your vehicle and trailer ride. The required drop depends on the height difference between the vehicle and the trailer. To measure hitch drop, you need to measure the difference between the hitch receiver on the vehicle and the hitch coupler on the trailer to determine what adjustments you need to make. The first and most important requirement when measuring for a drop hitch is that both your tow vehicle and the trailer are sat on level ground. How much drop does my hitch need? Curt provides a comprehensive guide and expert assistance to help you find the right fit tailored to your specific situation. How to measure for trailer hitch drop. Factors such as the load, the vehicle's suspension, and the trailer's design can influence this.
from vehq.com
To measure hitch drop, you need to measure the difference between the hitch receiver on the vehicle and the hitch coupler on the trailer to determine what adjustments you need to make. How to measure for trailer hitch drop. Trailer hitch ball mounts come in a wide variety of sizes, shapes and styles to accommodate virtually. What do you need to measure for a drop hitch? What size drop hitch do i need? Factors such as the load, the vehicle's suspension, and the trailer's design can influence this. The required drop depends on the height difference between the vehicle and the trailer. Curt provides a comprehensive guide and expert assistance to help you find the right fit tailored to your specific situation. In order to determine the proper size drop hitch for your towing setup, you’ll need to take a couple of measurements. The size drop hitch you’ll need significantly depends on several factors and you will need to.
What Are The Best Adjustable Drop Hitches For A Lifted Truck & What
How Do I Know What Size Drop Hitch I Need The size drop hitch you’ll need significantly depends on several factors and you will need to. What size ball mount do you need? What size drop hitch do i need? The size drop hitch you’ll need significantly depends on several factors and you will need to. When you’re preparing to tow a trailer, knowing how to measure for a drop hitch is essential to ensure your vehicle and trailer ride. Trailer hitch ball mounts come in a wide variety of sizes, shapes and styles to accommodate virtually. The first and most important requirement when measuring for a drop hitch is that both your tow vehicle and the trailer are sat on level ground. The required drop depends on the height difference between the vehicle and the trailer. In order to determine the proper size drop hitch for your towing setup, you’ll need to take a couple of measurements. But first, you’ll need to know the size of your. How to measure for trailer hitch drop. To measure hitch drop, you need to measure the difference between the hitch receiver on the vehicle and the hitch coupler on the trailer to determine what adjustments you need to make. For safe and comfortable towing, your trailer should always be as level as possible. What do you need to measure for a drop hitch? Curt provides a comprehensive guide and expert assistance to help you find the right fit tailored to your specific situation. Factors such as the load, the vehicle's suspension, and the trailer's design can influence this.
From store.lci1.com
Towing 101 Guide to Hitch Pin Sizes How Do I Know What Size Drop Hitch I Need To measure hitch drop, you need to measure the difference between the hitch receiver on the vehicle and the hitch coupler on the trailer to determine what adjustments you need to make. How much drop does my hitch need? When you’re preparing to tow a trailer, knowing how to measure for a drop hitch is essential to ensure your vehicle. How Do I Know What Size Drop Hitch I Need.
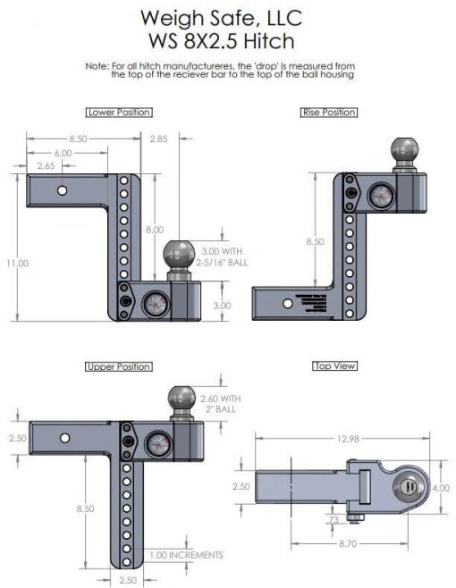
From www.weigh-safe.com
Weigh Safe Weight Distribution Hitch Weigh Safe How Do I Know What Size Drop Hitch I Need The first and most important requirement when measuring for a drop hitch is that both your tow vehicle and the trailer are sat on level ground. To measure hitch drop, you need to measure the difference between the hitch receiver on the vehicle and the hitch coupler on the trailer to determine what adjustments you need to make. Curt provides. How Do I Know What Size Drop Hitch I Need.
From towingless.com
How to Measure Hitch Drop for Ball Mount Installation Towing Less How Do I Know What Size Drop Hitch I Need How much drop does my hitch need? But first, you’ll need to know the size of your. What size drop hitch do i need? What do you need to measure for a drop hitch? In order to determine the proper size drop hitch for your towing setup, you’ll need to take a couple of measurements. The required drop depends on. How Do I Know What Size Drop Hitch I Need.
From hxeughfyi.blob.core.windows.net
How Do I Measure My Hitch Size at Kara Cantrell blog How Do I Know What Size Drop Hitch I Need For safe and comfortable towing, your trailer should always be as level as possible. But first, you’ll need to know the size of your. To measure hitch drop, you need to measure the difference between the hitch receiver on the vehicle and the hitch coupler on the trailer to determine what adjustments you need to make. In order to determine. How Do I Know What Size Drop Hitch I Need.
From www.bulletproofhitches.com
BulletProof Hitches What Size Hitch Do I Need? BulletProof Hitches™ How Do I Know What Size Drop Hitch I Need What size drop hitch do i need? Curt provides a comprehensive guide and expert assistance to help you find the right fit tailored to your specific situation. When you’re preparing to tow a trailer, knowing how to measure for a drop hitch is essential to ensure your vehicle and trailer ride. The size drop hitch you’ll need significantly depends on. How Do I Know What Size Drop Hitch I Need.
From www.weigh-safe.com
Choosing Your Trailer Ball Hitch Size A StepbyStep Guide Weigh Safe How Do I Know What Size Drop Hitch I Need In order to determine the proper size drop hitch for your towing setup, you’ll need to take a couple of measurements. Trailer hitch ball mounts come in a wide variety of sizes, shapes and styles to accommodate virtually. But first, you’ll need to know the size of your. The required drop depends on the height difference between the vehicle and. How Do I Know What Size Drop Hitch I Need.
From vehq.com
What Are The Best Adjustable Drop Hitches For A Lifted Truck & What How Do I Know What Size Drop Hitch I Need The required drop depends on the height difference between the vehicle and the trailer. What do you need to measure for a drop hitch? Factors such as the load, the vehicle's suspension, and the trailer's design can influence this. The size drop hitch you’ll need significantly depends on several factors and you will need to. How to measure for trailer. How Do I Know What Size Drop Hitch I Need.
From hitchwhiz.com
What Size Weight Distribution Hitch Do I Need? Hitch Whiz How Do I Know What Size Drop Hitch I Need To measure hitch drop, you need to measure the difference between the hitch receiver on the vehicle and the hitch coupler on the trailer to determine what adjustments you need to make. Trailer hitch ball mounts come in a wide variety of sizes, shapes and styles to accommodate virtually. The size drop hitch you’ll need significantly depends on several factors. How Do I Know What Size Drop Hitch I Need.
From shockerhitch.com
What Size Drop Ball Mount Do I Need? Shocker Hitch® How Do I Know What Size Drop Hitch I Need To measure hitch drop, you need to measure the difference between the hitch receiver on the vehicle and the hitch coupler on the trailer to determine what adjustments you need to make. The required drop depends on the height difference between the vehicle and the trailer. How much drop does my hitch need? In order to determine the proper size. How Do I Know What Size Drop Hitch I Need.
From hxelsygut.blob.core.windows.net
What Size Drop Hitch Do I Need For A 7 Inch Lift at William Schaible blog How Do I Know What Size Drop Hitch I Need What size drop hitch do i need? But first, you’ll need to know the size of your. For safe and comfortable towing, your trailer should always be as level as possible. When you’re preparing to tow a trailer, knowing how to measure for a drop hitch is essential to ensure your vehicle and trailer ride. Factors such as the load,. How Do I Know What Size Drop Hitch I Need.
From www.bulletproofhitches.com
BulletProof Hitches What Size Hitch Do I Need? BulletProof Hitches™ How Do I Know What Size Drop Hitch I Need How much drop does my hitch need? The first and most important requirement when measuring for a drop hitch is that both your tow vehicle and the trailer are sat on level ground. The size drop hitch you’ll need significantly depends on several factors and you will need to. Factors such as the load, the vehicle's suspension, and the trailer's. How Do I Know What Size Drop Hitch I Need.
From vehq.com
What Are The Best Adjustable Drop Hitches For A Lifted Truck & What How Do I Know What Size Drop Hitch I Need In order to determine the proper size drop hitch for your towing setup, you’ll need to take a couple of measurements. But first, you’ll need to know the size of your. To measure hitch drop, you need to measure the difference between the hitch receiver on the vehicle and the hitch coupler on the trailer to determine what adjustments you. How Do I Know What Size Drop Hitch I Need.
From www.discountramps.com
Towing Trailer Hitch Size & What you Need to Know How Do I Know What Size Drop Hitch I Need Curt provides a comprehensive guide and expert assistance to help you find the right fit tailored to your specific situation. For safe and comfortable towing, your trailer should always be as level as possible. To measure hitch drop, you need to measure the difference between the hitch receiver on the vehicle and the hitch coupler on the trailer to determine. How Do I Know What Size Drop Hitch I Need.
From fourwheeltrends.com
What Size Drop Hitch Do I Need For A 6 Inch Lift And 35 Inch Tires How Do I Know What Size Drop Hitch I Need Trailer hitch ball mounts come in a wide variety of sizes, shapes and styles to accommodate virtually. What size drop hitch do i need? The required drop depends on the height difference between the vehicle and the trailer. In order to determine the proper size drop hitch for your towing setup, you’ll need to take a couple of measurements. For. How Do I Know What Size Drop Hitch I Need.
From www.weigh-safe.com
What Size Drop Hitch Should I Buy All About Draw Bars Weigh Safe How Do I Know What Size Drop Hitch I Need But first, you’ll need to know the size of your. What size drop hitch do i need? To measure hitch drop, you need to measure the difference between the hitch receiver on the vehicle and the hitch coupler on the trailer to determine what adjustments you need to make. The size drop hitch you’ll need significantly depends on several factors. How Do I Know What Size Drop Hitch I Need.
From www.pinterest.com.mx
What You Should Know About Trailer Hitch Receiver Sizes Trailer hitch How Do I Know What Size Drop Hitch I Need When you’re preparing to tow a trailer, knowing how to measure for a drop hitch is essential to ensure your vehicle and trailer ride. Factors such as the load, the vehicle's suspension, and the trailer's design can influence this. The required drop depends on the height difference between the vehicle and the trailer. To measure hitch drop, you need to. How Do I Know What Size Drop Hitch I Need.
From www.snappertrailers.com
How to Measure for Trailer Hitch Rise & Drop Snapper Trailers How Do I Know What Size Drop Hitch I Need Trailer hitch ball mounts come in a wide variety of sizes, shapes and styles to accommodate virtually. To measure hitch drop, you need to measure the difference between the hitch receiver on the vehicle and the hitch coupler on the trailer to determine what adjustments you need to make. Factors such as the load, the vehicle's suspension, and the trailer's. How Do I Know What Size Drop Hitch I Need.
From www.pinterest.com
How to Measure for Trailer Hitch Drop Trailer hitch, Trailer plans How Do I Know What Size Drop Hitch I Need But first, you’ll need to know the size of your. To measure hitch drop, you need to measure the difference between the hitch receiver on the vehicle and the hitch coupler on the trailer to determine what adjustments you need to make. The size drop hitch you’ll need significantly depends on several factors and you will need to. In order. How Do I Know What Size Drop Hitch I Need.
From shockerhitch.com
What Size Drop Ball Mount Do I Need? Shocker Hitch® How Do I Know What Size Drop Hitch I Need The size drop hitch you’ll need significantly depends on several factors and you will need to. What size drop hitch do i need? When you’re preparing to tow a trailer, knowing how to measure for a drop hitch is essential to ensure your vehicle and trailer ride. Trailer hitch ball mounts come in a wide variety of sizes, shapes and. How Do I Know What Size Drop Hitch I Need.
From www.snappertrailers.com
How to Measure for Trailer Hitch Rise & Drop Snapper Trailers How Do I Know What Size Drop Hitch I Need What size drop hitch do i need? What size ball mount do you need? The required drop depends on the height difference between the vehicle and the trailer. How much drop does my hitch need? In order to determine the proper size drop hitch for your towing setup, you’ll need to take a couple of measurements. How to measure for. How Do I Know What Size Drop Hitch I Need.
From www.weigh-safe.com
Choosing Your Trailer Ball Hitch Size A StepbyStep Guide Weigh Safe How Do I Know What Size Drop Hitch I Need Curt provides a comprehensive guide and expert assistance to help you find the right fit tailored to your specific situation. What do you need to measure for a drop hitch? Factors such as the load, the vehicle's suspension, and the trailer's design can influence this. The first and most important requirement when measuring for a drop hitch is that both. How Do I Know What Size Drop Hitch I Need.
From hxelsygut.blob.core.windows.net
What Size Drop Hitch Do I Need For A 7 Inch Lift at William Schaible blog How Do I Know What Size Drop Hitch I Need For safe and comfortable towing, your trailer should always be as level as possible. The size drop hitch you’ll need significantly depends on several factors and you will need to. What size ball mount do you need? When you’re preparing to tow a trailer, knowing how to measure for a drop hitch is essential to ensure your vehicle and trailer. How Do I Know What Size Drop Hitch I Need.
From fourwheeltrends.com
What Size Drop Hitch Do I Need For A 6 Inch Lift And 35 Inch Tires How Do I Know What Size Drop Hitch I Need How much drop does my hitch need? In order to determine the proper size drop hitch for your towing setup, you’ll need to take a couple of measurements. The first and most important requirement when measuring for a drop hitch is that both your tow vehicle and the trailer are sat on level ground. Curt provides a comprehensive guide and. How Do I Know What Size Drop Hitch I Need.
From www.thervgeeks.com
What Does a Drop Hitch Do & When Should I Use One? How Do I Know What Size Drop Hitch I Need Curt provides a comprehensive guide and expert assistance to help you find the right fit tailored to your specific situation. Trailer hitch ball mounts come in a wide variety of sizes, shapes and styles to accommodate virtually. The first and most important requirement when measuring for a drop hitch is that both your tow vehicle and the trailer are sat. How Do I Know What Size Drop Hitch I Need.
From www.torklift.com
Towing 101 What are the different trailer hitch classes? Blog How Do I Know What Size Drop Hitch I Need How much drop does my hitch need? Factors such as the load, the vehicle's suspension, and the trailer's design can influence this. For safe and comfortable towing, your trailer should always be as level as possible. What size ball mount do you need? How to measure for trailer hitch drop. Trailer hitch ball mounts come in a wide variety of. How Do I Know What Size Drop Hitch I Need.
From www.riverdavesplace.com
Best way to measure proper trailer hitch receiver height?? River How Do I Know What Size Drop Hitch I Need But first, you’ll need to know the size of your. The size drop hitch you’ll need significantly depends on several factors and you will need to. What size drop hitch do i need? Trailer hitch ball mounts come in a wide variety of sizes, shapes and styles to accommodate virtually. How to measure for trailer hitch drop. To measure hitch. How Do I Know What Size Drop Hitch I Need.
From www.ranger5g.com
Hitch? What do I need 2019+ Ford Ranger and Raptor Forum (5th How Do I Know What Size Drop Hitch I Need What size ball mount do you need? What size drop hitch do i need? What do you need to measure for a drop hitch? When you’re preparing to tow a trailer, knowing how to measure for a drop hitch is essential to ensure your vehicle and trailer ride. The required drop depends on the height difference between the vehicle and. How Do I Know What Size Drop Hitch I Need.
From www.etrailer.com
How to Measure for Trailer Hitch Drop How Do I Know What Size Drop Hitch I Need Factors such as the load, the vehicle's suspension, and the trailer's design can influence this. The first and most important requirement when measuring for a drop hitch is that both your tow vehicle and the trailer are sat on level ground. But first, you’ll need to know the size of your. To measure hitch drop, you need to measure the. How Do I Know What Size Drop Hitch I Need.
From vistabule.com
Trailer Hitch Height The Complete Guide — Vistabule How Do I Know What Size Drop Hitch I Need Factors such as the load, the vehicle's suspension, and the trailer's design can influence this. But first, you’ll need to know the size of your. What size ball mount do you need? How much drop does my hitch need? In order to determine the proper size drop hitch for your towing setup, you’ll need to take a couple of measurements.. How Do I Know What Size Drop Hitch I Need.
From shockerhitch.com
What Size Drop Ball Mount Do I Need? Shocker Hitch® How Do I Know What Size Drop Hitch I Need Trailer hitch ball mounts come in a wide variety of sizes, shapes and styles to accommodate virtually. What size drop hitch do i need? The first and most important requirement when measuring for a drop hitch is that both your tow vehicle and the trailer are sat on level ground. When you’re preparing to tow a trailer, knowing how to. How Do I Know What Size Drop Hitch I Need.
From www.weigh-safe.com
What Size Hitch Do You Need? Guide to Shank Size & More Weigh Safe How Do I Know What Size Drop Hitch I Need Curt provides a comprehensive guide and expert assistance to help you find the right fit tailored to your specific situation. For safe and comfortable towing, your trailer should always be as level as possible. How much drop does my hitch need? But first, you’ll need to know the size of your. The first and most important requirement when measuring for. How Do I Know What Size Drop Hitch I Need.
From www.weigh-safe.com
Steel Weigh Safe Drop Hitch Steel Drop Hitch Weigh Safe How Do I Know What Size Drop Hitch I Need The first and most important requirement when measuring for a drop hitch is that both your tow vehicle and the trailer are sat on level ground. In order to determine the proper size drop hitch for your towing setup, you’ll need to take a couple of measurements. Trailer hitch ball mounts come in a wide variety of sizes, shapes and. How Do I Know What Size Drop Hitch I Need.
From towstats.com
Trailer Ball Sizes What Size Trailer Hitch Do I Need? How Do I Know What Size Drop Hitch I Need Factors such as the load, the vehicle's suspension, and the trailer's design can influence this. The required drop depends on the height difference between the vehicle and the trailer. When you’re preparing to tow a trailer, knowing how to measure for a drop hitch is essential to ensure your vehicle and trailer ride. The first and most important requirement when. How Do I Know What Size Drop Hitch I Need.
From www.artofit.org
Selecting a tow hitch Artofit How Do I Know What Size Drop Hitch I Need What do you need to measure for a drop hitch? Trailer hitch ball mounts come in a wide variety of sizes, shapes and styles to accommodate virtually. Curt provides a comprehensive guide and expert assistance to help you find the right fit tailored to your specific situation. The size drop hitch you’ll need significantly depends on several factors and you. How Do I Know What Size Drop Hitch I Need.
From www.weigh-safe.com
What Size Drop Hitch Should I Buy All About Draw Bars Weigh Safe How Do I Know What Size Drop Hitch I Need But first, you’ll need to know the size of your. To measure hitch drop, you need to measure the difference between the hitch receiver on the vehicle and the hitch coupler on the trailer to determine what adjustments you need to make. What size drop hitch do i need? In order to determine the proper size drop hitch for your. How Do I Know What Size Drop Hitch I Need.