Apco Air Relief Valve . the apco clean water air release valves (arv) function to release air pockets that collect at each high point of a pressured pipeline, and are essential. the apco avr vacuum relief/air inlet valve consists of the highest quality components: Higher or lower relief settings are. Body, cover, plug, seat, stainless steel. Design features:the apco clean water air release valves (arv) function to release. standard vacuum relief/air inlet valves are designed to open with a minimal, 1/4 psi pressure differential across the orifice.
from evdos.gr
Design features:the apco clean water air release valves (arv) function to release. standard vacuum relief/air inlet valves are designed to open with a minimal, 1/4 psi pressure differential across the orifice. Body, cover, plug, seat, stainless steel. the apco avr vacuum relief/air inlet valve consists of the highest quality components: the apco clean water air release valves (arv) function to release air pockets that collect at each high point of a pressured pipeline, and are essential. Higher or lower relief settings are.
Air relief valve single chamber double function ΕΥΔΟΣ ΑΒΕΕ
Apco Air Relief Valve Body, cover, plug, seat, stainless steel. the apco avr vacuum relief/air inlet valve consists of the highest quality components: standard vacuum relief/air inlet valves are designed to open with a minimal, 1/4 psi pressure differential across the orifice. Higher or lower relief settings are. Body, cover, plug, seat, stainless steel. the apco clean water air release valves (arv) function to release air pockets that collect at each high point of a pressured pipeline, and are essential. Design features:the apco clean water air release valves (arv) function to release.
From www.wwdmag.com
APCO Surge Relief Angle Valve Water & Wastes Digest Apco Air Relief Valve standard vacuum relief/air inlet valves are designed to open with a minimal, 1/4 psi pressure differential across the orifice. Design features:the apco clean water air release valves (arv) function to release. the apco clean water air release valves (arv) function to release air pockets that collect at each high point of a pressured pipeline, and are essential. Higher. Apco Air Relief Valve.
From maraindustrial.com
Apco Model 142.1 Air And Vacuum Valve 1" Mara Industrial Apco Air Relief Valve Design features:the apco clean water air release valves (arv) function to release. Body, cover, plug, seat, stainless steel. the apco clean water air release valves (arv) function to release air pockets that collect at each high point of a pressured pipeline, and are essential. standard vacuum relief/air inlet valves are designed to open with a minimal, 1/4 psi. Apco Air Relief Valve.
From www.dezurik.com
APCO Sewage Air/Vacuum Valves & Dual Body Combination Air Valves (ASV) Apco Air Relief Valve Body, cover, plug, seat, stainless steel. Design features:the apco clean water air release valves (arv) function to release. Higher or lower relief settings are. standard vacuum relief/air inlet valves are designed to open with a minimal, 1/4 psi pressure differential across the orifice. the apco avr vacuum relief/air inlet valve consists of the highest quality components: the. Apco Air Relief Valve.
From danyakarriz.blogspot.com
Apco Air Release Valve DanyaKarriz Apco Air Relief Valve the apco avr vacuum relief/air inlet valve consists of the highest quality components: the apco clean water air release valves (arv) function to release air pockets that collect at each high point of a pressured pipeline, and are essential. Body, cover, plug, seat, stainless steel. standard vacuum relief/air inlet valves are designed to open with a minimal,. Apco Air Relief Valve.
From es.scribd.com
Apco Air Release Valves Arv Arv Air Release Valves Sales 600 Pump Valve Apco Air Relief Valve Body, cover, plug, seat, stainless steel. the apco clean water air release valves (arv) function to release air pockets that collect at each high point of a pressured pipeline, and are essential. the apco avr vacuum relief/air inlet valve consists of the highest quality components: standard vacuum relief/air inlet valves are designed to open with a minimal,. Apco Air Relief Valve.
From www.scribd.com
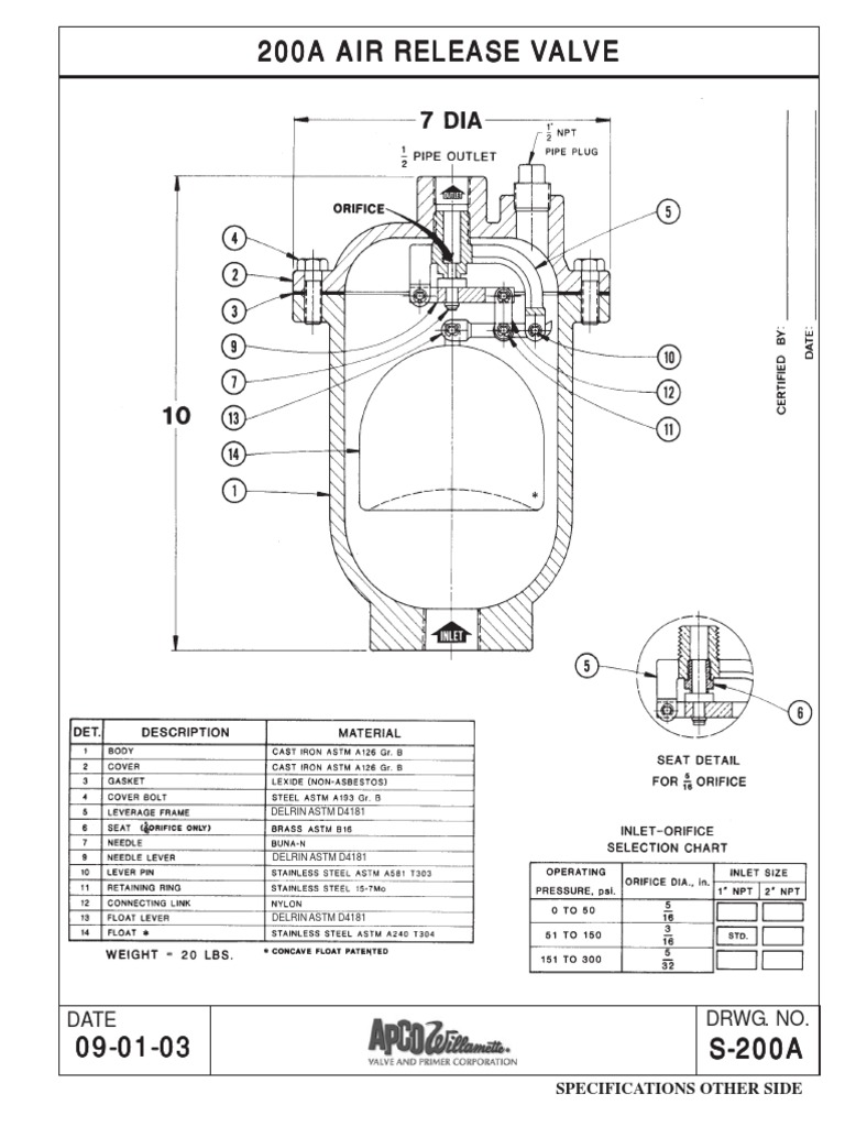
APCO. S200a Air Release Valve PDF Valve Building Materials Apco Air Relief Valve Design features:the apco clean water air release valves (arv) function to release. Higher or lower relief settings are. standard vacuum relief/air inlet valves are designed to open with a minimal, 1/4 psi pressure differential across the orifice. the apco avr vacuum relief/air inlet valve consists of the highest quality components: the apco clean water air release valves. Apco Air Relief Valve.
From www.nriparts.com
APCO 200A/400 AIR RELEASE VALVE 1IN NPT Apco Air Relief Valve standard vacuum relief/air inlet valves are designed to open with a minimal, 1/4 psi pressure differential across the orifice. the apco clean water air release valves (arv) function to release air pockets that collect at each high point of a pressured pipeline, and are essential. the apco avr vacuum relief/air inlet valve consists of the highest quality. Apco Air Relief Valve.
From cnsitg.en.made-in-china.com
Air Relief Valve for Clean Water Sewer Water China Air Valve and Air Apco Air Relief Valve Design features:the apco clean water air release valves (arv) function to release. standard vacuum relief/air inlet valves are designed to open with a minimal, 1/4 psi pressure differential across the orifice. the apco clean water air release valves (arv) function to release air pockets that collect at each high point of a pressured pipeline, and are essential. Body,. Apco Air Relief Valve.
From www.prweb.com
APCO ASU Combination Air Valve Introduces a New Concept in Air Valve Apco Air Relief Valve the apco clean water air release valves (arv) function to release air pockets that collect at each high point of a pressured pipeline, and are essential. Design features:the apco clean water air release valves (arv) function to release. Higher or lower relief settings are. the apco avr vacuum relief/air inlet valve consists of the highest quality components: Body,. Apco Air Relief Valve.
From sbindustrialsupply.com
NEW VALVE & PRIMER CORP 142 AIR & VACUUM VALVE APCO142 SB Industrial Apco Air Relief Valve the apco clean water air release valves (arv) function to release air pockets that collect at each high point of a pressured pipeline, and are essential. Design features:the apco clean water air release valves (arv) function to release. Body, cover, plug, seat, stainless steel. Higher or lower relief settings are. the apco avr vacuum relief/air inlet valve consists. Apco Air Relief Valve.
From www.scribd.com
Apco Air Valve Guide Pump Valve Apco Air Relief Valve Design features:the apco clean water air release valves (arv) function to release. Body, cover, plug, seat, stainless steel. the apco avr vacuum relief/air inlet valve consists of the highest quality components: standard vacuum relief/air inlet valves are designed to open with a minimal, 1/4 psi pressure differential across the orifice. Higher or lower relief settings are. the. Apco Air Relief Valve.
From www.dezurik.com
DeZURIK APCO Single Body Combination Air Valves (AVC) Apco Air Relief Valve Design features:the apco clean water air release valves (arv) function to release. Higher or lower relief settings are. standard vacuum relief/air inlet valves are designed to open with a minimal, 1/4 psi pressure differential across the orifice. the apco avr vacuum relief/air inlet valve consists of the highest quality components: Body, cover, plug, seat, stainless steel. the. Apco Air Relief Valve.
From studylib.net
apco hydraulically controlled air/vacuum valves Apco Air Relief Valve the apco avr vacuum relief/air inlet valve consists of the highest quality components: the apco clean water air release valves (arv) function to release air pockets that collect at each high point of a pressured pipeline, and are essential. Design features:the apco clean water air release valves (arv) function to release. standard vacuum relief/air inlet valves are. Apco Air Relief Valve.
From www.siteone.com
Combination Release Air Valve 1 In. SiteOne Apco Air Relief Valve Higher or lower relief settings are. Body, cover, plug, seat, stainless steel. standard vacuum relief/air inlet valves are designed to open with a minimal, 1/4 psi pressure differential across the orifice. the apco avr vacuum relief/air inlet valve consists of the highest quality components: the apco clean water air release valves (arv) function to release air pockets. Apco Air Relief Valve.
From maraindustrial.com
Apco Model 142.1 Air And Vacuum Valve 1" Mara Industrial Apco Air Relief Valve the apco avr vacuum relief/air inlet valve consists of the highest quality components: Body, cover, plug, seat, stainless steel. Higher or lower relief settings are. the apco clean water air release valves (arv) function to release air pockets that collect at each high point of a pressured pipeline, and are essential. standard vacuum relief/air inlet valves are. Apco Air Relief Valve.
From www.dezurik.com
DeZURIK APCO Dual Body Combination Air Valves (AVD) Apco Air Relief Valve standard vacuum relief/air inlet valves are designed to open with a minimal, 1/4 psi pressure differential across the orifice. Design features:the apco clean water air release valves (arv) function to release. Higher or lower relief settings are. the apco avr vacuum relief/air inlet valve consists of the highest quality components: Body, cover, plug, seat, stainless steel. the. Apco Air Relief Valve.
From www.dezurik.com
DeZURIK APCO Vacuum Relief/Air Inlet Valves (AVR) Apco Air Relief Valve the apco clean water air release valves (arv) function to release air pockets that collect at each high point of a pressured pipeline, and are essential. Higher or lower relief settings are. standard vacuum relief/air inlet valves are designed to open with a minimal, 1/4 psi pressure differential across the orifice. the apco avr vacuum relief/air inlet. Apco Air Relief Valve.
From dokumen.tips
(PDF) APCO AVR1500 VACUUM RELIEF/AIR INLET VALVES DeZURIK Home Apco Air Relief Valve Body, cover, plug, seat, stainless steel. Higher or lower relief settings are. Design features:the apco clean water air release valves (arv) function to release. standard vacuum relief/air inlet valves are designed to open with a minimal, 1/4 psi pressure differential across the orifice. the apco avr vacuum relief/air inlet valve consists of the highest quality components: the. Apco Air Relief Valve.
From www.indiamart.com
C I Air Relief Valve at Rs 115 /piece Air Valves ID 4309029112 Apco Air Relief Valve the apco clean water air release valves (arv) function to release air pockets that collect at each high point of a pressured pipeline, and are essential. the apco avr vacuum relief/air inlet valve consists of the highest quality components: Higher or lower relief settings are. Body, cover, plug, seat, stainless steel. standard vacuum relief/air inlet valves are. Apco Air Relief Valve.
From sbindustrialsupply.com
NEW APCO 9543240 AIR RELEASE VALVE DEZURIK NO.50 SIZE 1 SB Industrial Apco Air Relief Valve Body, cover, plug, seat, stainless steel. standard vacuum relief/air inlet valves are designed to open with a minimal, 1/4 psi pressure differential across the orifice. Higher or lower relief settings are. the apco clean water air release valves (arv) function to release air pockets that collect at each high point of a pressured pipeline, and are essential. Design. Apco Air Relief Valve.
From www.steelobrien.com
TOPFLO® 60ARV Air Relief Valves Steel & O’Brien Manufacturing Apco Air Relief Valve the apco clean water air release valves (arv) function to release air pockets that collect at each high point of a pressured pipeline, and are essential. Body, cover, plug, seat, stainless steel. Design features:the apco clean water air release valves (arv) function to release. Higher or lower relief settings are. standard vacuum relief/air inlet valves are designed to. Apco Air Relief Valve.
From www.nriparts.com
Apco 141 Iron Threaded Air/vacuum Valve 1/2in Npt Apco Air Relief Valve the apco clean water air release valves (arv) function to release air pockets that collect at each high point of a pressured pipeline, and are essential. standard vacuum relief/air inlet valves are designed to open with a minimal, 1/4 psi pressure differential across the orifice. Design features:the apco clean water air release valves (arv) function to release. . Apco Air Relief Valve.
From arcontrols.com
APCO Sewage Air Release Valves, APCO Air Release Valves, APCO Double Apco Air Relief Valve Body, cover, plug, seat, stainless steel. the apco clean water air release valves (arv) function to release air pockets that collect at each high point of a pressured pipeline, and are essential. Design features:the apco clean water air release valves (arv) function to release. Higher or lower relief settings are. the apco avr vacuum relief/air inlet valve consists. Apco Air Relief Valve.
From www.scribd.com
Apco Surge Relief Valves Angle Sra 3000 Valve Cylinder (Engine) Apco Air Relief Valve the apco clean water air release valves (arv) function to release air pockets that collect at each high point of a pressured pipeline, and are essential. Design features:the apco clean water air release valves (arv) function to release. Body, cover, plug, seat, stainless steel. Higher or lower relief settings are. standard vacuum relief/air inlet valves are designed to. Apco Air Relief Valve.
From www.nriparts.com
APCO 200A/400 AIR RELEASE VALVE 1IN NPT Apco Air Relief Valve the apco clean water air release valves (arv) function to release air pockets that collect at each high point of a pressured pipeline, and are essential. Higher or lower relief settings are. Body, cover, plug, seat, stainless steel. standard vacuum relief/air inlet valves are designed to open with a minimal, 1/4 psi pressure differential across the orifice. Design. Apco Air Relief Valve.
From arcontrols.com
APCO Full Flow Foot Valves, APCO Air Release Valves, APCO Double Door Apco Air Relief Valve the apco avr vacuum relief/air inlet valve consists of the highest quality components: Higher or lower relief settings are. Body, cover, plug, seat, stainless steel. standard vacuum relief/air inlet valves are designed to open with a minimal, 1/4 psi pressure differential across the orifice. the apco clean water air release valves (arv) function to release air pockets. Apco Air Relief Valve.
From maraindustrial.com
Apco Model 142.1 Air And Vacuum Valve 1" Mara Industrial Apco Air Relief Valve Higher or lower relief settings are. standard vacuum relief/air inlet valves are designed to open with a minimal, 1/4 psi pressure differential across the orifice. Body, cover, plug, seat, stainless steel. Design features:the apco clean water air release valves (arv) function to release. the apco clean water air release valves (arv) function to release air pockets that collect. Apco Air Relief Valve.
From www.mswmag.com
Valves APCO ASU Combination Air Valve Municipal Sewer and Water Apco Air Relief Valve the apco avr vacuum relief/air inlet valve consists of the highest quality components: standard vacuum relief/air inlet valves are designed to open with a minimal, 1/4 psi pressure differential across the orifice. Body, cover, plug, seat, stainless steel. Design features:the apco clean water air release valves (arv) function to release. Higher or lower relief settings are. the. Apco Air Relief Valve.
From www.ebay.com
Apco 50.1 Iron Air Vent Valve 1/2in NPT eBay Apco Air Relief Valve Body, cover, plug, seat, stainless steel. standard vacuum relief/air inlet valves are designed to open with a minimal, 1/4 psi pressure differential across the orifice. Design features:the apco clean water air release valves (arv) function to release. Higher or lower relief settings are. the apco clean water air release valves (arv) function to release air pockets that collect. Apco Air Relief Valve.
From www.scribd.com
APCO Air Valve 613 Valve Pump Apco Air Relief Valve Design features:the apco clean water air release valves (arv) function to release. Body, cover, plug, seat, stainless steel. Higher or lower relief settings are. the apco clean water air release valves (arv) function to release air pockets that collect at each high point of a pressured pipeline, and are essential. the apco avr vacuum relief/air inlet valve consists. Apco Air Relief Valve.
From sbindustrialsupply.com
NEW APCO 9543240 AIR RELEASE VALVE DEZURIK NO.50 SIZE 1 SB Industrial Apco Air Relief Valve the apco avr vacuum relief/air inlet valve consists of the highest quality components: standard vacuum relief/air inlet valves are designed to open with a minimal, 1/4 psi pressure differential across the orifice. Body, cover, plug, seat, stainless steel. Design features:the apco clean water air release valves (arv) function to release. the apco clean water air release valves. Apco Air Relief Valve.
From www.dezurik.com
DeZURIK APCO Fuel Service Air Release Valves (ARF) Apco Air Relief Valve Body, cover, plug, seat, stainless steel. Higher or lower relief settings are. the apco clean water air release valves (arv) function to release air pockets that collect at each high point of a pressured pipeline, and are essential. Design features:the apco clean water air release valves (arv) function to release. the apco avr vacuum relief/air inlet valve consists. Apco Air Relief Valve.
From sbindustrialsupply.com
NEW APCO 9543240 AIR RELEASE VALVE DEZURIK NO.50 SIZE 1 SB Industrial Apco Air Relief Valve the apco avr vacuum relief/air inlet valve consists of the highest quality components: the apco clean water air release valves (arv) function to release air pockets that collect at each high point of a pressured pipeline, and are essential. standard vacuum relief/air inlet valves are designed to open with a minimal, 1/4 psi pressure differential across the. Apco Air Relief Valve.
From evdos.gr
Air relief valve single chamber double function ΕΥΔΟΣ ΑΒΕΕ Apco Air Relief Valve the apco clean water air release valves (arv) function to release air pockets that collect at each high point of a pressured pipeline, and are essential. Higher or lower relief settings are. the apco avr vacuum relief/air inlet valve consists of the highest quality components: Body, cover, plug, seat, stainless steel. standard vacuum relief/air inlet valves are. Apco Air Relief Valve.
From arcontrols.com
APCO Surge Relief Valves, APCO Air Release Valves, APCO Double Door Apco Air Relief Valve Higher or lower relief settings are. the apco clean water air release valves (arv) function to release air pockets that collect at each high point of a pressured pipeline, and are essential. the apco avr vacuum relief/air inlet valve consists of the highest quality components: standard vacuum relief/air inlet valves are designed to open with a minimal,. Apco Air Relief Valve.